TRT - Вдоль р.Киржач. Для стандартных 4х4 (08.11.25) Форум Обсуждение FAQ
	Отвечу на вопросы по автоэлектрике
Модераторы: SNOOPER, Nbf, Romik, BAlex
- Nbf
 - Дикий Админ
 - Сообщения: 27338
 - Зарегистрирован: 30 авг 2006, 17:58
 - Двигатель:: 4D56t,
 - Мой автомобиль(и):: L200'Беззубик Citroen'Мария
 - Откуда: из тех ворот, что и весь народ
 - Откуда: Ст.Купавна, Балашиха-1
 - Благодарил (а): 1080 раз
 - Поблагодарили: 1421 раз
 - Контактная информация:
 
Отвечу на вопросы по автоэлектрике
Клеммы почистил?
			
			
									
						Павел.
Терпение и труд - мне не идут!
______________
L-200, '08, SS, АКПП, 4D56t, MT 285/75/16, EW-12000.
тел. (Ч95)6Ч2ЗО92
Юридические услуги http://www.expertcity.ru
Группа Паджеро в ТГ: https://t.me/pajeroclubru
Группа Паджеро в VK: https://vk.com/pajerorussia
			
						Терпение и труд - мне не идут!
______________
L-200, '08, SS, АКПП, 4D56t, MT 285/75/16, EW-12000.
тел. (Ч95)6Ч2ЗО92
Юридические услуги http://www.expertcity.ru
Группа Паджеро в ТГ: https://t.me/pajeroclubru
Группа Паджеро в VK: https://vk.com/pajerorussia
- Dizel Man
 - Сообщения: 5297
 - Зарегистрирован: 16 янв 2005, 13:23
 - Двигатель:: 4М41
 - Мой автомобиль(и):: Mitsubishi Pajero 3, TLC-60, TLC-78, IFA W50
 - Откуда: МО, Мытищи
 - Откуда: Мытищи МО
 - Благодарил (а): 10 раз
 - Поблагодарили: 223 раза
 
Отвечу на вопросы по автоэлектрике
Снять клеммы и очистить контакты АКБ, и сами клеммы внутри. Если не поможет, чистка всех контактов предохранителей. Как минимум, все, по очереди, вынуть/вставить...
			
			
									
						С уважением, Сергей. Все что мной написано исключительно ИМХО, наработанное годами творческих экспериментов!!!
			
						- asferrum
 - Сообщения: 5569
 - Зарегистрирован: 15 июн 2012, 23:31
 - Двигатель:: разные
 - Мой автомобиль(и):: Ларгус на метане
 - Откуда: Новомосковск-Рязань
 - Откуда: Новомосковск
 - Благодарил (а): 789 раз
 - Поблагодарили: 295 раз
 
Отвечу на вопросы по автоэлектрике
Сергей,подскажи плиз,напруга на клапан отсечки ТНВД откуда идет?
неожиданно перестал заводиться,потыркался туда-сюда,выяснил,что нет напруги на клапане. иммо давно отрезан.
счас тупо кинул + с аккума,езжу. схемы глянул,непонятно ничего.
есть там предохранитель или прмо с замка?
			
			
									
						неожиданно перестал заводиться,потыркался туда-сюда,выяснил,что нет напруги на клапане. иммо давно отрезан.
счас тупо кинул + с аккума,езжу. схемы глянул,непонятно ничего.
есть там предохранитель или прмо с замка?
Люблю жизнь!
С уважением,Юрий.
			
						С уважением,Юрий.
- Dizel Man
 - Сообщения: 5297
 - Зарегистрирован: 16 янв 2005, 13:23
 - Двигатель:: 4М41
 - Мой автомобиль(и):: Mitsubishi Pajero 3, TLC-60, TLC-78, IFA W50
 - Откуда: МО, Мытищи
 - Откуда: Мытищи МО
 - Благодарил (а): 10 раз
 - Поблагодарили: 223 раза
 
Отвечу на вопросы по автоэлектрике
ТНВД с электронным управлением?
			
			
									
						С уважением, Сергей. Все что мной написано исключительно ИМХО, наработанное годами творческих экспериментов!!!
			
						- SNOOPER
 - Модератор
 - Сообщения: 56894
 - Зарегистрирован: 11 дек 2004, 19:49
 - Двигатель:: 4D56
 - Мой автомобиль(и):: NewMPS
 - Откуда: 78
 - Откуда: Spb
 - Благодарил (а): 1007 раз
 - Поблагодарили: 4665 раз
 
Отвечу на вопросы по автоэлектрике
Ага, он его управление, пару лет назад молотком корректировал.....)))
Юра, по схеме разберёшься. Тебе нужно ИММО ))
			
							Юра, по схеме разберёшься. Тебе нужно ИММО ))
- Вложения
 - 
			
		
		
				
- PHJE9810_PAJERO SPORT_99_ELECTRICAL_WIRING.pdf
 - (8.85 МБ) 11 скачиваний
 
 
- asferrum
 - Сообщения: 5569
 - Зарегистрирован: 15 июн 2012, 23:31
 - Двигатель:: разные
 - Мой автомобиль(и):: Ларгус на метане
 - Откуда: Новомосковск-Рязань
 - Откуда: Новомосковск
 - Благодарил (а): 789 раз
 - Поблагодарили: 295 раз
 
Отвечу на вопросы по автоэлектрике
Сань,схему смотрел вчера.думал готовое решение есть.
про управление ты правильно подметил! только лет 5 уже назад.
			
			
									
						про управление ты правильно подметил! только лет 5 уже назад.
Люблю жизнь!
С уважением,Юрий.
			
						С уважением,Юрий.
- SNOOPER
 - Модератор
 - Сообщения: 56894
 - Зарегистрирован: 11 дек 2004, 19:49
 - Двигатель:: 4D56
 - Мой автомобиль(и):: NewMPS
 - Откуда: 78
 - Откуда: Spb
 - Благодарил (а): 1007 раз
 - Поблагодарили: 4665 раз
 
Отвечу на вопросы по автоэлектрике
Да там как правило блокировку сигналки делают под аккумом.
Посмотри по жгуту.
- Dizel Man
 - Сообщения: 5297
 - Зарегистрирован: 16 янв 2005, 13:23
 - Двигатель:: 4М41
 - Мой автомобиль(и):: Mitsubishi Pajero 3, TLC-60, TLC-78, IFA W50
 - Откуда: МО, Мытищи
 - Откуда: Мытищи МО
 - Благодарил (а): 10 раз
 - Поблагодарили: 223 раза
 
Отвечу на вопросы по автоэлектрике
Диагностика, если есть возможность, должна показывать состояние клапана - ON/OFF. От этого и двигаться дальше...
			
			
									
						С уважением, Сергей. Все что мной написано исключительно ИМХО, наработанное годами творческих экспериментов!!!
			
						- asferrum
 - Сообщения: 5569
 - Зарегистрирован: 15 июн 2012, 23:31
 - Двигатель:: разные
 - Мой автомобиль(и):: Ларгус на метане
 - Откуда: Новомосковск-Рязань
 - Откуда: Новомосковск
 - Благодарил (а): 789 раз
 - Поблагодарили: 295 раз
 
Отвечу на вопросы по автоэлектрике
не,там вроде все штатно.у меня сигналка только для открыть-закрыть.
Сергей,я и так вижу,что он офф.
счас езжу с соплей с акб,глушу на 4 передаче и тормозах.
			
			
									
						Сергей,я и так вижу,что он офф.
счас езжу с соплей с акб,глушу на 4 передаче и тормозах.
Люблю жизнь!
С уважением,Юрий.
			
						С уважением,Юрий.
- SNOOPER
 - Модератор
 - Сообщения: 56894
 - Зарегистрирован: 11 дек 2004, 19:49
 - Двигатель:: 4D56
 - Мой автомобиль(и):: NewMPS
 - Откуда: 78
 - Откуда: Spb
 - Благодарил (а): 1007 раз
 - Поблагодарили: 4665 раз
 
- Dizel Man
 - Сообщения: 5297
 - Зарегистрирован: 16 янв 2005, 13:23
 - Двигатель:: 4М41
 - Мой автомобиль(и):: Mitsubishi Pajero 3, TLC-60, TLC-78, IFA W50
 - Откуда: МО, Мытищи
 - Откуда: Мытищи МО
 - Благодарил (а): 10 раз
 - Поблагодарили: 223 раза
 
Отвечу на вопросы по автоэлектрике
В качестве диагностики может быть обычный тестер или "контролька". Обрыв цепи может быть между ЭБУ и клапаном...
			
			
									
						С уважением, Сергей. Все что мной написано исключительно ИМХО, наработанное годами творческих экспериментов!!!
			
						- 
				ShamanS14rus
 - Сообщения: 5
 - Зарегистрирован: 10 авг 2019, 14:04
 - Двигатель:: 6g74 gdi
 - Мой автомобиль(и):: Pajero 3
 - Откуда: Нерюнгри
 - Благодарил (а): 1 раз
 
Отвечу на вопросы по автоэлектрике
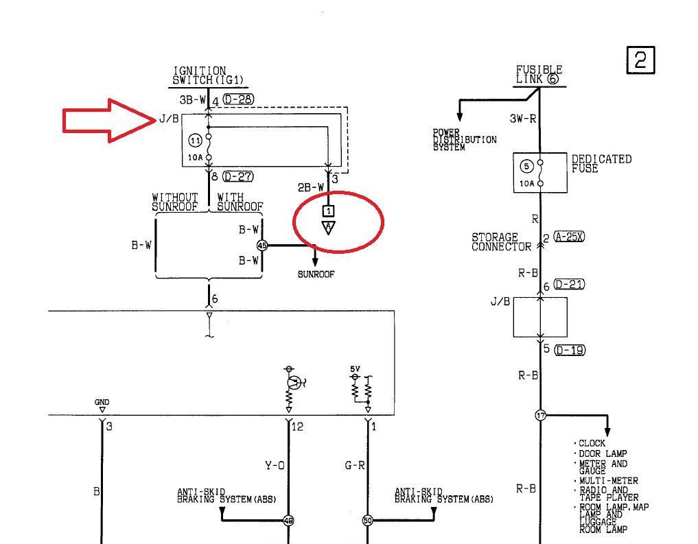
Добрый день. Вопрос в следующем. П3 V75W поменял задний редуктор на дифлок, нужна помощь в подключении проводки. Кнопка есть, модуль управления стоит, нужно срастить штатный компресор с редуктором и кнопкой. Можете помочь со схемой подключения или номером куска проводки? Заранее спасибо!!!
			
			
									
						- Владелец
 - Сообщения: 388
 - Зарегистрирован: 18 фев 2019, 07:14
 - Двигатель:: 4D56
 - Мой автомобиль(и):: Pajero Sport 2
 - Откуда: Омск
 - Откуда: Омск
 - Благодарил (а): 83 раза
 - Поблагодарили: 21 раз
 
Отвечу на вопросы по автоэлектрике
Подскажите, пожалуйста, вчера, при возврате назад реле омывателя фар после зимы, заметил отсутствие еще двух реле, которые на крышке обозначены как вентиляторы. С чем может быть связано их отсутствие? Стрелка - это реле омывателя, окружность - это отсутствующие....

			
			
									
						
Подумав — решайся, а решившись — не думай. Сергей.
			
						- SNOOPER
 - Модератор
 - Сообщения: 56894
 - Зарегистрирован: 11 дек 2004, 19:49
 - Двигатель:: 4D56
 - Мой автомобиль(и):: NewMPS
 - Откуда: 78
 - Откуда: Spb
 - Благодарил (а): 1007 раз
 - Поблагодарили: 4665 раз
 
Отвечу на вопросы по автоэлектрике
Одного нет с завода, другое сняли.
Могли какие нибудь "модные" туманки ставить. Или бампер силовик.
http://mmc-manuals.ru/manuals/pajero_sp ... E00ENG.pdf
			
			
									
						Могли какие нибудь "модные" туманки ставить. Или бампер силовик.
http://mmc-manuals.ru/manuals/pajero_sp ... E00ENG.pdf
- Владелец
 - Сообщения: 388
 - Зарегистрирован: 18 фев 2019, 07:14
 - Двигатель:: 4D56
 - Мой автомобиль(и):: Pajero Sport 2
 - Откуда: Омск
 - Откуда: Омск
 - Благодарил (а): 83 раза
 - Поблагодарили: 21 раз
 
Отвечу на вопросы по автоэлектрике
Всё в штате. Туманки и бампер родные. Фото в посте выше взято из интернета, оно не моё.
Буду копать))))
Подумав — решайся, а решившись — не думай. Сергей.
			
						- asferrum
 - Сообщения: 5569
 - Зарегистрирован: 15 июн 2012, 23:31
 - Двигатель:: разные
 - Мой автомобиль(и):: Ларгус на метане
 - Откуда: Новомосковск-Рязань
 - Откуда: Новомосковск
 - Благодарил (а): 789 раз
 - Поблагодарили: 295 раз
 
Отвечу на вопросы по автоэлектрике
Блин,Саня,не могу разобраться.
плюс пропал на черно-белом проводе,который я обвел.вроде он от замка идет,но не уверен.... да и наверняка гдк-то сидят разъемы на его пути к замку. вот не проверял,работает ли вентиль на интеркулере и аварийка масляная,написано что этот плюс вроде и туда идти должен. чето не понимаю я как эти схемы читать... в моей электронике не так как-то все...
счас езжу через клавишу.
Люблю жизнь!
С уважением,Юрий.
			
						С уважением,Юрий.
- SNOOPER
 - Модератор
 - Сообщения: 56894
 - Зарегистрирован: 11 дек 2004, 19:49
 - Двигатель:: 4D56
 - Мой автомобиль(и):: NewMPS
 - Откуда: 78
 - Откуда: Spb
 - Благодарил (а): 1007 раз
 - Поблагодарили: 4665 раз
 
Отвечу на вопросы по автоэлектрике
Привет.
Посмотри на кулере
Если и там нет.
То к блоку предов в салоне.
			
							
			
									
						Посмотри на кулере
Если и там нет.
То к блоку предов в салоне.
- 
				Freemanyak
 - Сообщения: 1
 - Зарегистрирован: 15 апр 2020, 04:27
 - Двигатель:: 6G72
 - Мой автомобиль(и):: Challeger '96, 4WD
 - Откуда: Бийск
 
Отвечу на вопросы по автоэлектрике
Доброе время суток. Прошу помощи. Стекло подъемники: с водительского блока не открывается заднее правое стекло,зато оно открывается при нажатии на клавишу переднего пассажирского стекла(переднее тоже работает). С отдельных кнопок на дверях - все работает штатно.
			
			
									
						- 
				TehStandart72
 - Сообщения: 24
 - Зарегистрирован: 20 апр 2020, 22:53
 - Двигатель:: 6G72
 - Мой автомобиль(и):: Mitsubishi Montero Sport 3.0 AWD
 - Откуда: Tyumen
 - Благодарил (а): 9 раз
 - Поблагодарили: 2 раза
 
Отвечу на вопросы по автоэлектрике
Доброго времени суток господа. 
Подскажите как справиться со следующей проблемой - снял панель приборов. Поменял подсветку на диодные лампы и поменял штатные подложки спидометра, тахометра (со снятием стрелок соответственно) Все собрал. Стрелки выставил. Теперь при включении зажигания стрелки тахометра и спидометра поднимаются и не опускаются, а индикаторы АКБ и ручника горят в полнакала.
Может кто знает в чем причина? Всем откликнувшимся заранее огромное СПАСИБО.
			
							
			
									
						Подскажите как справиться со следующей проблемой - снял панель приборов. Поменял подсветку на диодные лампы и поменял штатные подложки спидометра, тахометра (со снятием стрелок соответственно) Все собрал. Стрелки выставил. Теперь при включении зажигания стрелки тахометра и спидометра поднимаются и не опускаются, а индикаторы АКБ и ручника горят в полнакала.
Может кто знает в чем причина? Всем откликнувшимся заранее огромное СПАСИБО.
- Dizel Man
 - Сообщения: 5297
 - Зарегистрирован: 16 янв 2005, 13:23
 - Двигатель:: 4М41
 - Мой автомобиль(и):: Mitsubishi Pajero 3, TLC-60, TLC-78, IFA W50
 - Откуда: МО, Мытищи
 - Откуда: Мытищи МО
 - Благодарил (а): 10 раз
 - Поблагодарили: 223 раза
 
Отвечу на вопросы по автоэлектрике
Там лампы накаливания стоят не просто так. Светодиод, это полупроводник с однонаправленным движением тока...
			
			
									
						