TRT - Вдоль р.Киржач. Для стандартных 4х4 (08.11.25) Форум Обсуждение FAQ
Укомплектовать новый авто.
Модераторы: SNOOPER, Alex_SH, VAZ, Nbf, BAlex, drcham
- sergeych72
- Сообщения: 74
- Зарегистрирован: 04 дек 2017, 17:46
- Двигатель:: 4N15
- Мой автомобиль(и):: Mitsubishi Pajero Sport III 2.4D Ultimate
- Откуда: Москва
- Благодарил (а): 9 раз
- Поблагодарили: 5 раз
Re: Укомплектовать новый авто.
Вместо реле сам замкнул, вентилятор крутится, автоматом так и не запустился, дело в ecu.
- krokodil594
- Сообщения: 2082
- Зарегистрирован: 07 фев 2013, 10:47
- Двигатель:: 4N15
- Мой автомобиль(и):: NMPS 2017, 2.4 DID, AT
- Откуда: Москва
- Откуда: Москва, ЮЗАО
- Благодарил (а): 253 раза
- Поблагодарили: 282 раза
Re: Укомплектовать новый авто.
Но вентилятором управляет сам кондей, ECU будет запускать вентилятор при необходимости доохлаждать радиатор двигателя.sergeych72 писал(а):Вместо реле сам замкнул, вентилятор крутится, автоматом так и не запустился, дело в ecu.
Кстати наконец-то услышал вой основного вентиля, правда с трудом, он намного тише чем был на МПС2.
- Russo81
- Сообщения: 1678
- Зарегистрирован: 01 окт 2009, 16:43
- Двигатель:: бензин
- Мой автомобиль(и):: Легковой:(
- Откуда: МО, г.Долгопрудный
- Благодарил (а): 547 раз
- Поблагодарили: 130 раз
Re: Укомплектовать новый авто.
Может проще в блоке предохранителей проводок кинуть от реле компрессора кондиционера к реле эл.вентилятора? И пусть вентилятор срабатывает при каждом включении кондиционера.
Руслан
P-2 Short Wagon 1998 6G74 АКПП сток - охренительный коротыш - продан:(
PS-2 2011 S04 - тоже классный-авто - 8 лет и 235000км - продан :((
P-2 Short Wagon 1998 6G74 АКПП сток - охренительный коротыш - продан:(
PS-2 2011 S04 - тоже классный-авто - 8 лет и 235000км - продан :((
- krokodil594
- Сообщения: 2082
- Зарегистрирован: 07 фев 2013, 10:47
- Двигатель:: 4N15
- Мой автомобиль(и):: NMPS 2017, 2.4 DID, AT
- Откуда: Москва
- Откуда: Москва, ЮЗАО
- Благодарил (а): 253 раза
- Поблагодарили: 282 раза
Re: Укомплектовать новый авто.
Заколхозить проводок всегда успеем, хочется же выяснить почему не работает как ему положено и заставить его заработать без колхоза.Russo81 писал(а):Может проще в блоке предохранителей проводок кинуть от реле компрессора кондиционера к реле эл.вентилятора? И пусть вентилятор срабатывает при каждом включении кондиционера.
- sergeych72
- Сообщения: 74
- Зарегистрирован: 04 дек 2017, 17:46
- Двигатель:: 4N15
- Мой автомобиль(и):: Mitsubishi Pajero Sport III 2.4D Ultimate
- Откуда: Москва
- Благодарил (а): 9 раз
- Поблагодарили: 5 раз
Re: Укомплектовать новый авто.
Доп.вентилятором управляет ECU Engine, кроме реле там ничего нет:krokodil594 писал(а):Но вентилятором управляет сам кондей, ECU будет запускать вентилятор при необходимости доохлаждать радиатор двигателя.sergeych72 писал(а):Вместо реле сам замкнул, вентилятор крутится, автоматом так и не запустился, дело в ecu.
Кстати наконец-то услышал вой основного вентиля, правда с трудом, он намного тише чем был на МПС2.
- krokodil594
- Сообщения: 2082
- Зарегистрирован: 07 фев 2013, 10:47
- Двигатель:: 4N15
- Мой автомобиль(и):: NMPS 2017, 2.4 DID, AT
- Откуда: Москва
- Откуда: Москва, ЮЗАО
- Благодарил (а): 253 раза
- Поблагодарили: 282 раза
Re: Укомплектовать новый авто.
Значит надо похоже ЕТАКС править, видимо его кастрировали на предмет вентилятора.sergeych72 писал(а):Доп.вентилятором управляет ECU Engine, кроме реле там ничего нет:krokodil594 писал(а):Но вентилятором управляет сам кондей, ECU будет запускать вентилятор при необходимости доохлаждать радиатор двигателя.sergeych72 писал(а):Вместо реле сам замкнул, вентилятор крутится, автоматом так и не запустился, дело в ecu.
Кстати наконец-то услышал вой основного вентиля, правда с трудом, он намного тише чем был на МПС2.
- russan88
- Сообщения: 136
- Зарегистрирован: 01 июл 2012, 21:16
- Двигатель:: 4N15
- Мой автомобиль(и):: NMPS 3 Ultimate
- Откуда: Одесса
- Откуда: Одесса
- Благодарил (а): 36 раз
- Поблагодарили: 26 раз
Re: Укомплектовать новый авто.
А это вообще возможно??? К официалам с таким вопросом думаю и обращаться не стоит.
МПС2 2011(ушел в хорошие руки) НМПС-III декабрь 2017 Ultimate / General Tire Grabber AT3
- sn1
- Сообщения: 7637
- Зарегистрирован: 23 авг 2010, 11:28
- Двигатель:: 4D56+
- Мой автомобиль(и):: Pajero Sport II
- Откуда: Византийская Империя
- Благодарил (а): 309 раз
- Поблагодарили: 673 раза
Re: Укомплектовать новый авто.
Возможно, но с официальным точно нетrussan88 писал(а):А это вообще возможно??? К официалам с таким вопросом думаю и обращаться не стоит.
Говори правду, и тогда не придется ничего запоминать!
-
bvv31
- Сообщения: 8
- Зарегистрирован: 24 дек 2011, 09:51
- Двигатель:: Дизель
- Мой автомобиль(и):: паджеро спорт 2017г.в.
- Откуда: Саратов
- Откуда: Саратов
- Поблагодарили: 1 раз
Re: Укомплектовать новый авто.
Сегодня посмотрел специально после пробега 10 км по городу с пробками электрический карлсон срабатывает и реле щелкает. Температура на улице +27
- sn1
- Сообщения: 7637
- Зарегистрирован: 23 авг 2010, 11:28
- Двигатель:: 4D56+
- Мой автомобиль(и):: Pajero Sport II
- Откуда: Византийская Империя
- Благодарил (а): 309 раз
- Поблагодарили: 673 раза
Re: Укомплектовать новый авто.
Какая комплектация?bvv31 писал(а):Сегодня посмотрел специально после пробега 10 км по городу с пробками электрический карлсон срабатывает и реле щелкает. Температура на улице +27
Говори правду, и тогда не придется ничего запоминать!
-
OREH25
- Сообщения: 143
- Зарегистрирован: 28 янв 2012, 23:58
- Двигатель:: Дизель 2.4
- Мой автомобиль(и):: МПС3 2018г
- Откуда: Москва
- Откуда: москва СЗАО
- Благодарил (а): 5 раз
- Поблагодарили: 2 раза
Re: Укомплектовать новый авто.
bvv31 писал(а):Сегодня посмотрел специально после пробега 10 км по городу с пробками электрический карлсон срабатывает и реле щелкает. Температура на улице +27
Интересно... я смотрел у себя при 26 нефига не крутился (у меня инстайл)
- krokodil594
- Сообщения: 2082
- Зарегистрирован: 07 фев 2013, 10:47
- Двигатель:: 4N15
- Мой автомобиль(и):: NMPS 2017, 2.4 DID, AT
- Откуда: Москва
- Откуда: Москва, ЮЗАО
- Благодарил (а): 253 раза
- Поблагодарили: 282 раза
Re: Укомплектовать новый авто.
Проверял я это, что в ручном режиме, что в автомате, не запускается карлсон, хоть ты тресни.OREH25 писал(а):Может зависит от того в каком режиме кондей стоит, Авто или ручной ?
- krokodil594
- Сообщения: 2082
- Зарегистрирован: 07 фев 2013, 10:47
- Двигатель:: 4N15
- Мой автомобиль(и):: NMPS 2017, 2.4 DID, AT
- Откуда: Москва
- Откуда: Москва, ЮЗАО
- Благодарил (а): 253 раза
- Поблагодарили: 282 раза
Re: Укомплектовать новый авто.
Интересно, а точно срабатывает реле, а не компрессор щелкает? Прям снимал крышку блока, слышал как срабатывает реле и в этот момент начинал крутиться карлсон и не просто крутиться, а именно с характерным звуком и скоростью?bvv31 писал(а):Сегодня посмотрел специально после пробега 10 км по городу с пробками электрический карлсон срабатывает и реле щелкает. Температура на улице +27
- sergeych72
- Сообщения: 74
- Зарегистрирован: 04 дек 2017, 17:46
- Двигатель:: 4N15
- Мой автомобиль(и):: Mitsubishi Pajero Sport III 2.4D Ultimate
- Откуда: Москва
- Благодарил (а): 9 раз
- Поблагодарили: 5 раз
Re: Укомплектовать новый авто.
фейк, реле услышать не возможно)))bvv31 писал(а):Сегодня посмотрел специально после пробега 10 км по городу с пробками электрический карлсон срабатывает и реле щелкает. Температура на улице +27
- russan88
- Сообщения: 136
- Зарегистрирован: 01 июл 2012, 21:16
- Двигатель:: 4N15
- Мой автомобиль(и):: NMPS 3 Ultimate
- Откуда: Одесса
- Откуда: Одесса
- Благодарил (а): 36 раз
- Поблагодарили: 26 раз
Re: Укомплектовать новый авто.
Однозначно это компрессор !!! А пропеллер кондея крутится-это как уже писали выше,потоком воздуха от основного карлсона!!!krokodil594 писал(а):Интересно, а точно срабатывает реле, а не компрессор щелкает? Прям снимал крышку блока, слышал как срабатывает реле и в этот момент начинал крутиться карлсон и не просто крутиться, а именно с характерным звуком и скоростью?bvv31 писал(а):Сегодня посмотрел специально после пробега 10 км по городу с пробками электрический карлсон срабатывает и реле щелкает. Температура на улице +27
МПС2 2011(ушел в хорошие руки) НМПС-III декабрь 2017 Ultimate / General Tire Grabber AT3
-
OREH25
- Сообщения: 143
- Зарегистрирован: 28 янв 2012, 23:58
- Двигатель:: Дизель 2.4
- Мой автомобиль(и):: МПС3 2018г
- Откуда: Москва
- Откуда: москва СЗАО
- Благодарил (а): 5 раз
- Поблагодарили: 2 раза
Re: Укомплектовать новый авто.
Может он включится когда реальный перегрев движка пойдёт? Ни кто не пробовал как то замкнуть датчик температуры и посмотреть крутится или нет. Я просто не силён в электрике
-
fomoco21
- Сообщения: 34
- Зарегистрирован: 11 дек 2017, 03:17
- Двигатель:: бензин?lдизель 4N15
- Мой автомобиль(и):: Ниссан х трейл>Митсубиси Паджеро Спорт 2.4 S94
- Откуда: Чебоксары
- Откуда: Дагестан/Чувашия
- Благодарил (а): 6 раз
- Поблагодарили: 1 раз
Re: Укомплектовать новый авто.
Ребята решил купить бокс на крышу,только не могу определиться, за бренд Туле не очень хочеться переплачивать.
Кто что ставил ,артикуля ,что нужно купить ,чтоб был полный комплект.
Кто что ставил ,артикуля ,что нужно купить ,чтоб был полный комплект.
- krokodil594
- Сообщения: 2082
- Зарегистрирован: 07 фев 2013, 10:47
- Двигатель:: 4N15
- Мой автомобиль(и):: NMPS 2017, 2.4 DID, AT
- Откуда: Москва
- Откуда: Москва, ЮЗАО
- Благодарил (а): 253 раза
- Поблагодарили: 282 раза
Re: Укомплектовать новый авто.
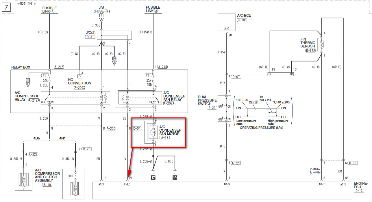
Короче на 99% известна причина невключения допвентилятора кондея. В ECU похоже все в порядке и алгоритм работы карлсона заложен и тест мутом запускается, но сам карлсон не крутится. Проблема кроется в отсутствии минуса. От одного из разъемов ECU банально нет куска провода до другого разъема через который подается минус на реле включающее карлсон. Естественно карлсон так же не запустится и для помощи охлаждению радиатора двигателя. Восстановить пока не удалось, там хитрые пины, которые надо найти, колхозить очень не хочется. Работу продолжаю, как добью, постараюсь рассказать более подробно.
-
OREH25
- Сообщения: 143
- Зарегистрирован: 28 янв 2012, 23:58
- Двигатель:: Дизель 2.4
- Мой автомобиль(и):: МПС3 2018г
- Откуда: Москва
- Откуда: москва СЗАО
- Благодарил (а): 5 раз
- Поблагодарили: 2 раза
Re: Укомплектовать новый авто.
krokodil594 писал(а):Короче на 99% известна причина невключения допвентилятора кондея. В ECU похоже все в порядке и алгоритм работы карлсона заложен и тест мутом запускается, но сам карлсон не крутится. Проблема кроется в отсутствии минуса. От одного из разъемов ECU банально нет куска провода до другого разъема через который подается минус на реле включающее карлсон. Естественно карлсон так же не запустится и для помощи охлаждению радиатора двигателя. Восстановить пока не удалось, там хитрые пины, которые надо найти, колхозить очень не хочется. Работу продолжаю, как добью, постараюсь рассказать более подробно.
