TRT - Вдоль р.Киржач. Для стандартных 4х4 (08.11.25) Форум Обсуждение FAQ
	Отвечу на вопросы по автоэлектрике
Модераторы: SNOOPER, Nbf, Romik, BAlex
- 
				Юрий Георгиевич
 - Сообщения: 263
 - Зарегистрирован: 24 июн 2020, 15:34
 - Двигатель:: 6G72 бензин 3 литра
 - Мой автомобиль(и):: Монтеро Спорт
 - Откуда: Смоленская область, Сафоновский район
 - Поблагодарили: 2 раза
 
Отвечу на вопросы по автоэлектрике
Подскажите, какая маркировка ламп идет в щиток приборов на М.С-2,... Т-5 или Т-10 и сколько всего ламп там? Благодарю.
Может неправильно выразился? Я имел ввиду- цоколь ламп!
			
			
									
						Может неправильно выразился? Я имел ввиду- цоколь ламп!
- 
				Юрий Георгиевич
 - Сообщения: 263
 - Зарегистрирован: 24 июн 2020, 15:34
 - Двигатель:: 6G72 бензин 3 литра
 - Мой автомобиль(и):: Монтеро Спорт
 - Откуда: Смоленская область, Сафоновский район
 - Поблагодарили: 2 раза
 
Отвечу на вопросы по автоэлектрике
Попробую задать еще один вопрос, хотя на первый так ни кто и не ответил!
Сгорел моторчик заднего стеклоочистителя, сгорел ротор моторчика. Посмотрел картинки и увидел, что моторчик стеклоподъемника, шипко похож на задний, именно корпус где стоит ротор!!! Вопрос такого плана, ни кто не пробовал сравнивать ротор с валом-червяком от стеклоподъемника, с тем же валом от стеклоочистителя не подходит ли они друг к другу ? Моторчик стеклоподъемника стоит 500 р., задний стеклоочиститель-- от 1500(если повезет) и вверх! Благодарю за ответ.
			
			
									
						Сгорел моторчик заднего стеклоочистителя, сгорел ротор моторчика. Посмотрел картинки и увидел, что моторчик стеклоподъемника, шипко похож на задний, именно корпус где стоит ротор!!! Вопрос такого плана, ни кто не пробовал сравнивать ротор с валом-червяком от стеклоподъемника, с тем же валом от стеклоочистителя не подходит ли они друг к другу ? Моторчик стеклоподъемника стоит 500 р., задний стеклоочиститель-- от 1500(если повезет) и вверх! Благодарю за ответ.
- SNOOPER
 - Модератор
 - Сообщения: 56894
 - Зарегистрирован: 11 дек 2004, 19:49
 - Двигатель:: 4D56
 - Мой автомобиль(и):: NewMPS
 - Откуда: 78
 - Откуда: Spb
 - Благодарил (а): 1007 раз
 - Поблагодарили: 4665 раз
 
Отвечу на вопросы по автоэлектрике
На второй не подходит.
На первый..... Там лампочек как у дурака фантиков...
			
			
									
						На первый..... Там лампочек как у дурака фантиков...
- 
				Юрий Георгиевич
 - Сообщения: 263
 - Зарегистрирован: 24 июн 2020, 15:34
 - Двигатель:: 6G72 бензин 3 литра
 - Мой автомобиль(и):: Монтеро Спорт
 - Откуда: Смоленская область, Сафоновский район
 - Поблагодарили: 2 раза
 
Отвечу на вопросы по автоэлектрике
Не понял! Каких лампочек? Если это ответ на первый вопрос, то мне ответили, что там Т-10(5шт.) и Т-5..10 шт.
- SNOOPER
 - Модератор
 - Сообщения: 56894
 - Зарегистрирован: 11 дек 2004, 19:49
 - Двигатель:: 4D56
 - Мой автомобиль(и):: NewMPS
 - Откуда: 78
 - Откуда: Spb
 - Благодарил (а): 1007 раз
 - Поблагодарили: 4665 раз
 
Отвечу на вопросы по автоэлектрике
Ставь. Только потом не говори почему подсветка тусклая, и как эти Т5 прислюнить
			
			
									
						- 
				Юрий Георгиевич
 - Сообщения: 263
 - Зарегистрирован: 24 июн 2020, 15:34
 - Двигатель:: 6G72 бензин 3 литра
 - Мой автомобиль(и):: Монтеро Спорт
 - Откуда: Смоленская область, Сафоновский район
 - Поблагодарили: 2 раза
 
Отвечу на вопросы по автоэлектрике
Так это....поставил буквально вчера, покупал светодиодные, все светит как на Манхеттене!
Больше теперь интересует вопрос по ротору моторчика, или придется куплять неа разборке.
- игорьнижневартовск
 - Сообщения: 666
 - Зарегистрирован: 18 сен 2010, 14:07
 - Двигатель:: 6G74 GDI
 - Мой автомобиль(и):: Pajero 3 коротыш
 - Откуда: Нижневартовск
 - Благодарил (а): 8 раз
 - Поблагодарили: 25 раз
 
Отвечу на вопросы по автоэлектрике
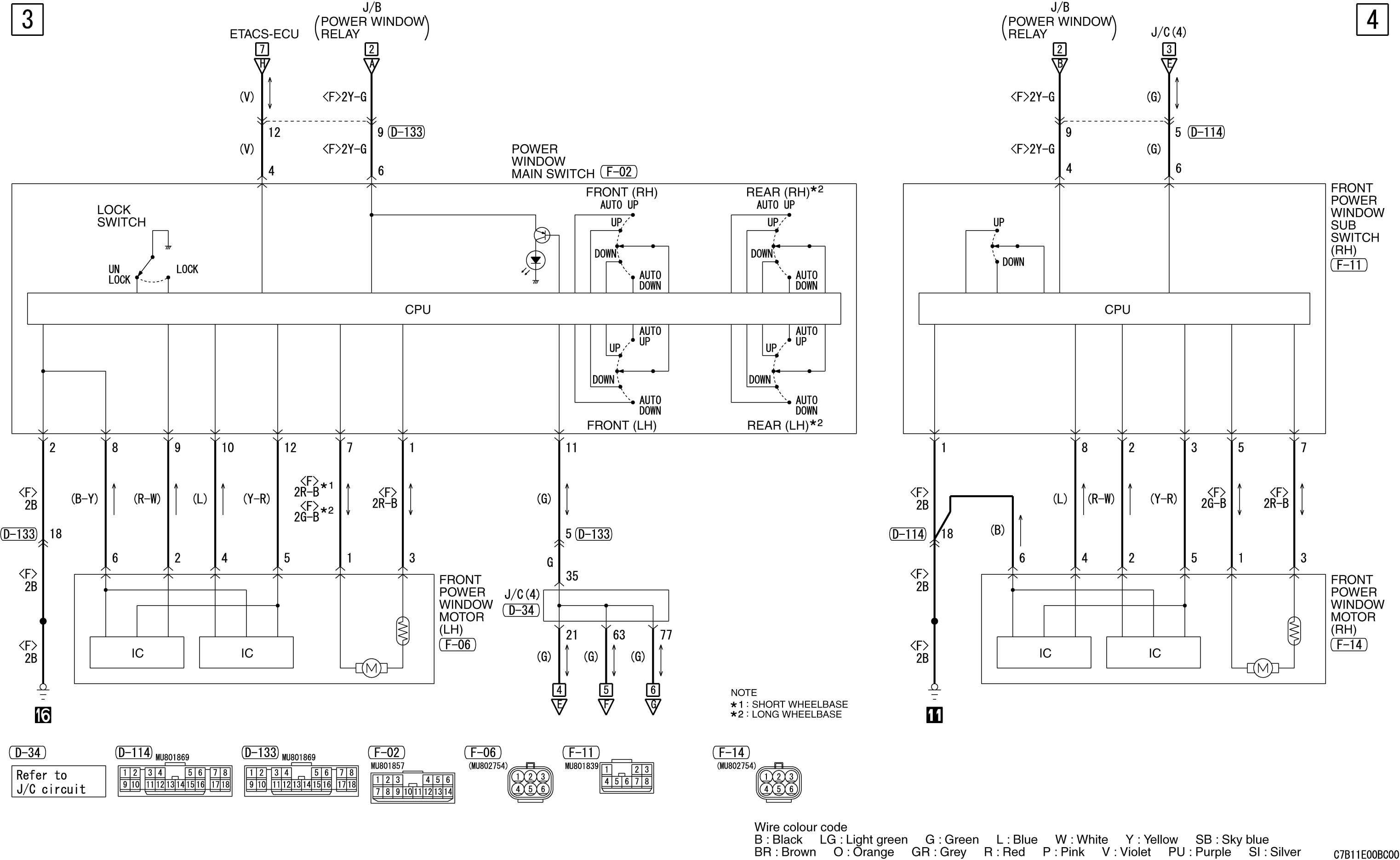
Доброго времени всем. Появилось больше времени, решил доделать косяк элекрики. В 17 году резко как то, перестал работать правый стеклоподъемник. Закрылся в верхнем положение и все. С кнопки управления с модуля в водительской двери и  в пассажирской двери,
в реле в модуле управления , который в пассажирской двери стоит двери стоит, щелкает релюха, сразу же отпускает.
Сам стеклоподъемник рабочий, подавал на него +-12в. Правый подъемник работает без проблем до сих пор.
Решил что модуль прав. двери накрылся. Купил его и стеклоподъемник тоже. Подключал в разных сочетаниях, результат одинаков. Схемы из букваря и изменения к ним не соответствуют реальному подключению.
Фиолетовый провод от etacs это управление по цифре? Так в машине по схемам нет CAN шины, а стеклоподъемники реализованы по схеме от
паджеро 4. Что должно быть на этом входе?
+12в и земля присутствуют в обоих разъемах, на входе с etacs около 9в.
Кто знает подскажите.
Спасибо
			
			
									
						в реле в модуле управления , который в пассажирской двери стоит двери стоит, щелкает релюха, сразу же отпускает.
Сам стеклоподъемник рабочий, подавал на него +-12в. Правый подъемник работает без проблем до сих пор.
Решил что модуль прав. двери накрылся. Купил его и стеклоподъемник тоже. Подключал в разных сочетаниях, результат одинаков. Схемы из букваря и изменения к ним не соответствуют реальному подключению.
Фиолетовый провод от etacs это управление по цифре? Так в машине по схемам нет CAN шины, а стеклоподъемники реализованы по схеме от
паджеро 4. Что должно быть на этом входе?
+12в и земля присутствуют в обоих разъемах, на входе с etacs около 9в.
Кто знает подскажите.
Спасибо
PAJERO III 2006г DAKAR коротыш черный
			
						- dvm99
 - Сообщения: 21741
 - Зарегистрирован: 21 май 2012, 20:59
 - Двигатель:: 6G72, 12клап.,
 - Мой автомобиль(и):: Pajero2, Запорожец- Ланос
 - Откуда: Свердловская обл.
 - Благодарил (а): 706 раз
 - Поблагодарили: 1028 раз
 
Отвечу на вопросы по автоэлектрике
игорьнижневартовск, 
Чаще всего такие косяки из-за проводки двери (на сгибе) и следующем за ним разъёме в кузове.
Про последний: ХЗ как на П3 реализовано, но на П2 такой разъём есть. Но схема у нас другая конечно...
			
			
									
						Чаще всего такие косяки из-за проводки двери (на сгибе) и следующем за ним разъёме в кузове.
Про последний: ХЗ как на П3 реализовано, но на П2 такой разъём есть. Но схема у нас другая конечно...
Дмитрий
Боливар2 - П2, 92г., V43, 6G72(12V), V4AW2, RD/L, пруль (чистокровный японский рысак)
Боливар1 - П2, 93г., 6G72(12V), МКПП, V43, RD/L, Европа (славный был конь, но уже донор)
			
						Боливар2 - П2, 92г., V43, 6G72(12V), V4AW2, RD/L, пруль (чистокровный японский рысак)
Боливар1 - П2, 93г., 6G72(12V), МКПП, V43, RD/L, Европа (славный был конь, но уже донор)
- SNOOPER
 - Модератор
 - Сообщения: 56894
 - Зарегистрирован: 11 дек 2004, 19:49
 - Двигатель:: 4D56
 - Мой автомобиль(и):: NewMPS
 - Откуда: 78
 - Откуда: Spb
 - Благодарил (а): 1007 раз
 - Поблагодарили: 4665 раз
 
- игорьнижневартовск
 - Сообщения: 666
 - Зарегистрирован: 18 сен 2010, 14:07
 - Двигатель:: 6G74 GDI
 - Мой автомобиль(и):: Pajero 3 коротыш
 - Откуда: Нижневартовск
 - Благодарил (а): 8 раз
 - Поблагодарили: 25 раз
 
Отвечу на вопросы по автоэлектрике
Спасибо. Я тоже посмотрел выводы, тока для 2007г.
Разобрал прозвонил, померил напряжение на выводах.
Получается что есть +12в при зажигании на входе обоих блоков.
Есть +9в на входе с etacs,
масса есть на обоих тоже
на 12 ноге есть выход 12в.
Сомневаюсь в 11 ноге , там +4в, так должно быть??, или +12в. С нее идет управление для работы остальных подъемников.
			
			
									
						Разобрал прозвонил, померил напряжение на выводах.
Получается что есть +12в при зажигании на входе обоих блоков.
Есть +9в на входе с etacs,
масса есть на обоих тоже
на 12 ноге есть выход 12в.
Сомневаюсь в 11 ноге , там +4в, так должно быть??, или +12в. С нее идет управление для работы остальных подъемников.
PAJERO III 2006г DAKAR коротыш черный
			
						- 
				Саня 174
 - Сообщения: 4
 - Зарегистрирован: 02 янв 2020, 17:23
 - Двигатель:: 6g74
 - Мой автомобиль(и):: Pajero 3
 - Откуда: Магнитогорск
 - Откуда: Магнитогорск
 - Благодарил (а): 1 раз
 
Отвечу на вопросы по автоэлектрике
- SNOOPER
 - Модератор
 - Сообщения: 56894
 - Зарегистрирован: 11 дек 2004, 19:49
 - Двигатель:: 4D56
 - Мой автомобиль(и):: NewMPS
 - Откуда: 78
 - Откуда: Spb
 - Благодарил (а): 1007 раз
 - Поблагодарили: 4665 раз
 
Отвечу на вопросы по автоэлектрике
На данных машинах ошибки не стираются пока не будут устранены. Тоесть висеть может десять ошибок, а неисправность одна. Пока её не устраните, никакие ошибки не стереть.Саня 174 писал(а): ↑здравствуй помоги установить причину кз. )))недавно купил монтеро 3 2001г с неисправностью по АБС :диагностика показала ошибка по всем 4 датчикам.у старого владельца горел предохранитель абс ,и этот чудак человек захеррррачил вместо предохранителя жучка (скрепку) и у меня такое чувство что где то что то пыхнуло :куда лезть ?что смотреть ?почему коротнуло?
В Вашем случае нужно смотреть показания с датчиков в реальном времени.
Кататься со сканером. Потом устранять, и только после этого стирать.
- 
				ruslan1974
 - Сообщения: 81
 - Зарегистрирован: 18 апр 2012, 17:36
 - Двигатель:: 4m41 DID
 - Мой автомобиль(и):: pajero 3
 - Откуда: Норильск
 - Благодарил (а): 7 раз
 
Отвечу на вопросы по автоэлектрике
Добрый день .
У меня вопрос по дальнему свету .
При переключении ближний-дальний контрольная лампа дальнего включается сразу , а дальний живет своей жизнью , может загореться сразу может через 30сек или минуту , а может и через 10 мин , начинаю переключать туда сюда бывает сразу загорится .
Установлен старым хозяином ксенон Sho-Me .
Может блок розжига устал ?
Реле ближний дальний у нас вроде отдельно нет , оно интегрировано еще в один блок ?
			
			
									
						У меня вопрос по дальнему свету .
При переключении ближний-дальний контрольная лампа дальнего включается сразу , а дальний живет своей жизнью , может загореться сразу может через 30сек или минуту , а может и через 10 мин , начинаю переключать туда сюда бывает сразу загорится .
Установлен старым хозяином ксенон Sho-Me .
Может блок розжига устал ?
Реле ближний дальний у нас вроде отдельно нет , оно интегрировано еще в один блок ?
Pajero 3 , 4m41DID , 2005
---Живу там где, бредут спотыкаясь медведи---
			
						---Живу там где, бредут спотыкаясь медведи---
- ГАНС
 - Сообщения: 4102
 - Зарегистрирован: 07 июл 2011, 11:56
 - Двигатель:: зажигалка
 - Мой автомобиль(и):: паджеро-3
 - Откуда: рАшА
 - Благодарил (а): 967 раз
 - Поблагодарили: 383 раза
 
Отвечу на вопросы по автоэлектрике
Вопрос, имеем П-3 араб, центральный замок закрывается:
1- только с пульта сигнализации;
2- ключом только с правой передней пассажирской двери (с водительской закрывается только 1 дверь и всё, центральный замок не срабатывает;
изнутри блокираторами передних дверей, что левым, что правым зарыть замок/заблокировать все двери не получается (закрывается сама дверь, ЦЗ на остальные двери не срабатывает).
Блок кнопок на водительскую дверь был без доп. кнопки блокировки дверей, купил/поставил кнопочный блок с кнопкой блокировки, но блокировка с данной кнопки так и не заработала
 как сделать чтоб двери можно было блокировать изнутри и куда копать, с чего начать 
 ?
			
			
									
						1- только с пульта сигнализации;
2- ключом только с правой передней пассажирской двери (с водительской закрывается только 1 дверь и всё, центральный замок не срабатывает;
изнутри блокираторами передних дверей, что левым, что правым зарыть замок/заблокировать все двери не получается (закрывается сама дверь, ЦЗ на остальные двери не срабатывает).
Блок кнопок на водительскую дверь был без доп. кнопки блокировки дверей, купил/поставил кнопочный блок с кнопкой блокировки, но блокировка с данной кнопки так и не заработала
- jazzz
 - Сообщения: 106
 - Зарегистрирован: 12 апр 2009, 18:19
 - Откуда: Усть-Каменогорск Казахстан
 - Благодарил (а): 4 раза
 
Отвечу на вопросы по автоэлектрике
Добрый день. MMS 2002 установил задний бампер от MPS а с ним и стоп сигналы.  
Вопрос:
Для подключения врезаться в проводку от штатных или тянуть откуда то на прямую ?
			
			
									
						Вопрос:
Для подключения врезаться в проводку от штатных или тянуть откуда то на прямую ?
МMC 3.0\ АКПП \2002 AWD \
JA4MT21H43J019264
			
						JA4MT21H43J019264
- 
				алексей - Маленький Мук
 - Модератор
 - Сообщения: 20298
 - Зарегистрирован: 11 дек 2008, 16:10
 - Откуда: москва м Академическая
 - Благодарил (а): 101 раз
 - Поблагодарили: 1323 раза
 
- jazzz
 - Сообщения: 106
 - Зарегистрирован: 12 апр 2009, 18:19
 - Откуда: Усть-Каменогорск Казахстан
 - Благодарил (а): 4 раза
 
Отвечу на вопросы по автоэлектрике
Наверное Вы правы. Отсюда позвольте вопрос-в правилах сказано что пользоваться противотуманными (задними) фонарями можно только в условиях плохой видимости. Эт получается они (задние противотуманки) просто включаются с кнопки в случае необходимости ?алексей - Маленький Мук писал(а): ↑ Стопов там нет, ток противотуманки( в бампере)
Соответсвенно я должен установить отдельную кнопку на всю эту радость - правильно ?
МMC 3.0\ АКПП \2002 AWD \
JA4MT21H43J019264
			
						JA4MT21H43J019264
- 
				алексей - Маленький Мук
 - Модератор
 - Сообщения: 20298
 - Зарегистрирован: 11 дек 2008, 16:10
 - Откуда: москва м Академическая
 - Благодарил (а): 101 раз
 - Поблагодарили: 1323 раза
 
Отвечу на вопросы по автоэлектрике
Именно так а кнопка противвотуманок самая левая на торпеде  их там две, одна на передние вторая на задние . но я б туда завел именно стопы. как вы и хотели 
			
			
									
						Всем добра.......
			
						- jazzz
 - Сообщения: 106
 - Зарегистрирован: 12 апр 2009, 18:19
 - Откуда: Усть-Каменогорск Казахстан
 - Благодарил (а): 4 раза
 
Отвечу на вопросы по автоэлектрике
шутку оценил, поржалалексей - Маленький Мук писал(а): ↑ но я б туда завел именно стопы. как вы и хотели
МMC 3.0\ АКПП \2002 AWD \
JA4MT21H43J019264
			
						JA4MT21H43J019264
