TRT - Вдоль р.Киржач. Для стандартных 4х4 (08.11.25) Форум Обсуждение FAQ
	Глюк в работе 5-ст АКПП
Модераторы: SNOOPER, Alex_SH, Nbf, BAlex, drcham, SoundSpeed
					Правила форума
Дорогие друзья!
Пожалуйста, при создании и поиске сообщений не забывайте пользоваться гиперссылками на тематические разделы, расположенными на главной странице раздела "Новый Pajero Sport"
	Дорогие друзья!
Пожалуйста, при создании и поиске сообщений не забывайте пользоваться гиперссылками на тематические разделы, расположенными на главной странице раздела "Новый Pajero Sport"
- mvkarpov
- Сообщения: 304
- Зарегистрирован: 22 янв 2011, 19:19
- Двигатель:: 2.5 4D56
- Мой автомобиль(и):: Pajero Sport 2011 коричневый - угнан; Pajero Sport 2012 серебро - продан; Pajero Sport 2015 коричн.
- Откуда: Москва
- Откуда: Москва
- Благодарил (а): 43 раза
- Поблагодарили: 15 раз
Re: Глюк в работе 5-ст АКПП
Я не успел проголосовать. Но глюк, описанный в данной теме, у меня во всей красе.
Учусь прогнозировать ситуацию, чтоб давить на педаль за 2-3 секунды до начала "события".
			
			
									
						Учусь прогнозировать ситуацию, чтоб давить на педаль за 2-3 секунды до начала "события".
- 
				Abanamat
- Сообщения: 7
- Зарегистрирован: 12 ноя 2011, 23:10
- Двигатель:: Дизель
- Мой автомобиль(и):: Pajero Sport 2.5 AT
- Откуда: Самара
Re: Глюк в работе 5-ст АКПП
Пока не прочитал всё, думал "я дурак", а оказалось "ЛЫЖЫ НЕ ЕДУТ". Глюк конкретный.
Машина 2011г. из Беларусии с люком.
			
			
									
						Машина 2011г. из Беларусии с люком.
- Napic
- Сообщения: 5982
- Зарегистрирован: 29 июл 2010, 06:51
- Двигатель:: дизель 4d56
- Мой автомобиль(и):: НМПСпорт 2010
- Откуда: Сибирь
- Благодарил (а): 423 раза
- Поблагодарили: 1021 раз
Re: Глюк в работе 5-ст АКПП
А меня бесить начинает, что первая передача врубается на 15 км/ч при наезде на кочку или просто так, сама по себе... Едешь на второй в те редкие моменты, когда она все-таки работает (не перешел границу в 20 км/ч для включения 3-ей) и тут бац первая передача включается при постоянном газе на скорости 15-18 км/ч, потом опять вторая и сразу 3-я...
			
			
									
						НМПСпорт 2010 4d56 2500 дизель S05 5AT
лето BridgeStone HT 265/65R17, зима Hakka 5 SUV 265/65R17
Eberspacher Hydronic 5 кВт, доп. вентилятор кондиционера
Egr off + дроссель On (нержавейка + программное отключение)
			
						лето BridgeStone HT 265/65R17, зима Hakka 5 SUV 265/65R17
Eberspacher Hydronic 5 кВт, доп. вентилятор кондиционера
Egr off + дроссель On (нержавейка + программное отключение)
- mvkarpov
- Сообщения: 304
- Зарегистрирован: 22 янв 2011, 19:19
- Двигатель:: 2.5 4D56
- Мой автомобиль(и):: Pajero Sport 2011 коричневый - угнан; Pajero Sport 2012 серебро - продан; Pajero Sport 2015 коричн.
- Откуда: Москва
- Откуда: Москва
- Благодарил (а): 43 раза
- Поблагодарили: 15 раз
Re: Глюк в работе 5-ст АКПП
Есть такое. На ручном режиме. Казалось бы специально ставлю в ручной режим, чтоб автоматика не путалась, а она хрясь тебе и подтыкает первую нифига не в тему. Так что ручной режим на деле псевдоручной.Napic писал(а):А меня бесить начинает, что первая передача врубается на 15 км/ч при наезде на кочку или просто так, сама по себе...
- 
				sh_a
- Сообщения: 20
- Зарегистрирован: 16 ноя 2011, 05:28
- Двигатель:: 6A12
- Мой автомобиль(и):: MMC Legnum
- Благодарил (а): 3 раза
Re: Глюк в работе 5-ст АКПП
Гспода, я понимаю, что немного не в тему, но как бы косвенно:
А нельзя как-то прошить что-нибудь, чтобы индикация включенной скорости была всегда, что на ручном, что на автомате? Зело удобная штука
			
			
									
						А нельзя как-то прошить что-нибудь, чтобы индикация включенной скорости была всегда, что на ручном, что на автомате? Зело удобная штука
- 
				Wandered
- Сообщения: 678
- Зарегистрирован: 09 июл 2011, 03:37
- Двигатель:: 6G72
- Мой автомобиль(и):: Монтеро Спорт, Прадо 120
- Откуда: Красноярский край
- Благодарил (а): 146 раз
- Поблагодарили: 34 раза
Re: Глюк в работе 5-ст АКПП
Было бы на много удобнее, согласен. А действительно может кто делал уже???sh_a писал(а):Гспода, я понимаю, что немного не в тему, но как бы косвенно:
А нельзя как-то прошить что-нибудь, чтобы индикация включенной скорости была всегда, что на ручном, что на автомате? Зело удобная штука
- CoolBDW
- Сообщения: 3630
- Зарегистрирован: 20 янв 2010, 10:11
- Двигатель:: 4D56
- Мой автомобиль(и):: был - NMPS 2010 2.5 TD 5AT S04
- Откуда: Тула
- Откуда: Тула
- Благодарил (а): 210 раз
- Поблагодарили: 284 раза
Re: Глюк в работе 5-ст АКПП
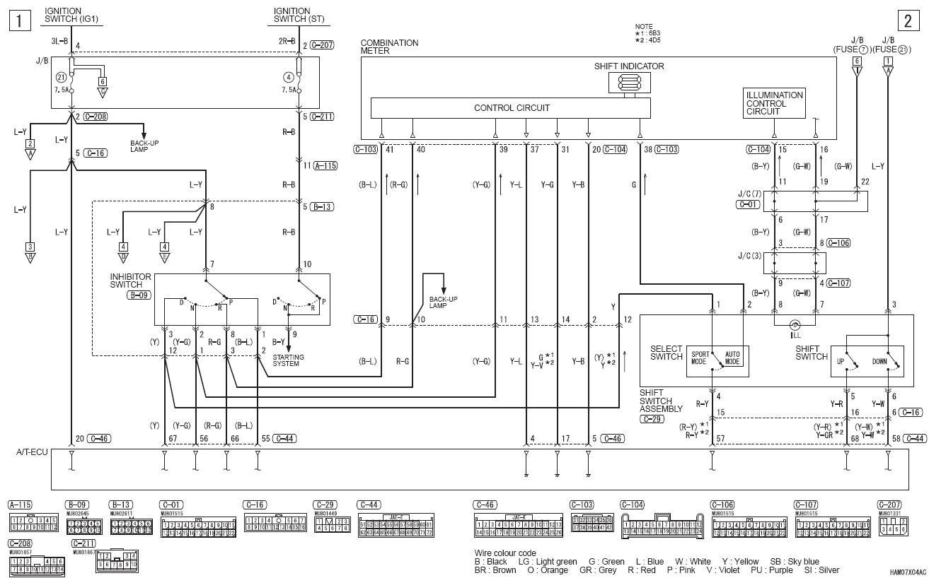
Если делать на родной индикатор, то не думаю, что это будет совсем уж просто. Вернее, надо экспериментировать и смотреть результаты. Вот схема (что характерно, кусок индикации одинаковый для 4АТ и 5АТ) По идее, индикатором управляет не A/T-ECU напрямую, а сама приборка формирует картинку по входящим сигналам. Самое простое, что я вижу - это экспериментировать с 38-м контактом разъёма C-103 - типа подавать сигнал перехода в ручной режим. Ну, а для "на постоянку" нужно подумать как отражать действительно ручной режим. Видимо, никак. Плюс, надо действительно пробовать-смотреть, будет ли это работать вообще, и как оно будет работать, как сигнал на этом контакте будет отрабатываться, к примеру, в режиме P или R и т.д. В общем, если хочется - то надо пробовать. С-103 - это средний разъём на комбинации приборов (под козырьком).Wandered писал(а):Было бы на много удобнее, согласен. А действительно может кто делал уже???sh_a писал(а):Гспода, я понимаю, что немного не в тему, но как бы косвенно:
А нельзя как-то прошить что-нибудь, чтобы индикация включенной скорости была всегда, что на ручном, что на автомате? Зело удобная штука
Ну а вообще - там много сигнальных линий, надо смотреть более пристально. Теоретически обмануть можно.
Другой вариант - сделать отдельный индикатор и куда-то его поставить. Типа такого - http://www.chipdip.ru/product/sba10-21egwa.aspx. Можно взять к тому же двухцветный, простора для фантазии - хоть отбавляй
 По идее, все сигналы есть, нужно рисовать логику и ваять... если оно кому-то и правда нужно
  По идее, все сигналы есть, нужно рисовать логику и ваять... если оно кому-то и правда нужно  
Дмитрий
было когда-то:
NMPS 2010 2.5 TD 5AT чёрный
Webasto, Multitronics VC731, DRL, RedPower 8994, FGC, без EGR (+заглушка -фишка)
Yokohama G012 & F700Z 265/65R17, пружины от Влада
			
						было когда-то:
NMPS 2010 2.5 TD 5AT чёрный
Webasto, Multitronics VC731, DRL, RedPower 8994, FGC, без EGR (+заглушка -фишка)
Yokohama G012 & F700Z 265/65R17, пружины от Влада
- Tajozhnik
- Сообщения: 128
- Зарегистрирован: 02 сен 2010, 19:03
- Двигатель:: 4D56 2,5
- Мой автомобиль(и):: NMPS 2010 S09
- Откуда: Восточная Сибирь
- Поблагодарили: 1 раз
Re: Глюк в работе 5-ст АКПП
Судя по схеме, если предположить что:
1. по трем проводам (выделены овалом) из A/T-ECU идет информация о включенной передачи с 1-ой по 5-ю (3 бита -код передачи)
2. сигнал "+" (контакт 57 разъема С-44) не блокирует выходные буферы вышеуказанных 3-х проводов в A/T-ECU.
то достаточно разорвать цепь между 38 контактом колодки С-103(комбинация приборов) и контактом 2 (SHIFT SWITCH ASSEMBLY), ну или просто сдернуть провод со последнего контакта то есть вероятность что будет отображаться номер включенной передачи.
Надо пробовать
			
							
			
									
						1. по трем проводам (выделены овалом) из A/T-ECU идет информация о включенной передачи с 1-ой по 5-ю (3 бита -код передачи)
2. сигнал "+" (контакт 57 разъема С-44) не блокирует выходные буферы вышеуказанных 3-х проводов в A/T-ECU.
то достаточно разорвать цепь между 38 контактом колодки С-103(комбинация приборов) и контактом 2 (SHIFT SWITCH ASSEMBLY), ну или просто сдернуть провод со последнего контакта то есть вероятность что будет отображаться номер включенной передачи.
Надо пробовать
NMPS 2010 S09 2.5 TD 5AT, зима HANKOOK RW11,Replica, лето -сток. защита 4л.
			
						- CoolBDW
- Сообщения: 3630
- Зарегистрирован: 20 янв 2010, 10:11
- Двигатель:: 4D56
- Мой автомобиль(и):: был - NMPS 2010 2.5 TD 5AT S04
- Откуда: Тула
- Откуда: Тула
- Благодарил (а): 210 раз
- Поблагодарили: 284 раза
Re: Глюк в работе 5-ст АКПП
На счёт этих трёх проводов у меня такое же мнение сложилось, просто нужен тестер в руки... и желание пробоватьTajozhnik писал(а):Судя по схеме, если предположить что:
1. по трем проводам (выделены овалом) из A/T-ECU идет информация о включенной передачи с 1-ой по 5-ю (3 бита -код передачи)
2. сигнал "+" (контакт 57 разъема С-44) не блокирует выходные буферы вышеуказанных 3-х проводов в A/T-ECU.
то достаточно разорвать цепь между 38 контактом колодки С-103(комбинация приборов) и контактом 2 (SHIFT SWITCH ASSEMBLY), ну или просто сдернуть провод со последнего контакта то есть вероятность что будет отображаться номер включенной передачи.
Надо пробовать
 И опять же, надо смотреть, что там будет при R или P например... И как-то надо индицировать, что коробка в ручном режиме - особенно, если лепестки есть...
 И опять же, надо смотреть, что там будет при R или P например... И как-то надо индицировать, что коробка в ручном режиме - особенно, если лепестки есть... Полезу делать включение тэнов PTC только при включённой передаче - может, попробую, т.к. к A/T-ECU всё равно лезть...
upd
Наверно, даже лучше на C-29 экспериментировать - он ближе будет... Вот и попробую, если не холодно будет, и не лень

Дмитрий
было когда-то:
NMPS 2010 2.5 TD 5AT чёрный
Webasto, Multitronics VC731, DRL, RedPower 8994, FGC, без EGR (+заглушка -фишка)
Yokohama G012 & F700Z 265/65R17, пружины от Влада
			
						было когда-то:
NMPS 2010 2.5 TD 5AT чёрный
Webasto, Multitronics VC731, DRL, RedPower 8994, FGC, без EGR (+заглушка -фишка)
Yokohama G012 & F700Z 265/65R17, пружины от Влада
- Tajozhnik
- Сообщения: 128
- Зарегистрирован: 02 сен 2010, 19:03
- Двигатель:: 4D56 2,5
- Мой автомобиль(и):: NMPS 2010 S09
- Откуда: Восточная Сибирь
- Поблагодарили: 1 раз
Re: Глюк в работе 5-ст АКПП
отпишись как попробуешь, а зачем включение тэнов только при включенной передаче? Я когда из баньки еду а машинка на холоде, завожу двигатель включаю подогрев под пятую точку и крутилку климата на 34 направляю в салон воздух теплый идет
пока двигатель греется ,ляпота, ну может первую минутку некомфортно пока разогреется а потом все пучком. Потом минут через 5-10 начинаю движение, а так сидеть мерзнуть ну уж нафиг
			
			
									
						пока двигатель греется ,ляпота, ну может первую минутку некомфортно пока разогреется а потом все пучком. Потом минут через 5-10 начинаю движение, а так сидеть мерзнуть ну уж нафиг
ну дык про него я и написал второй контахт SHIFT SWITCH ASSEMBLY это и есть С-29 колодка
Наверно, даже лучше на C-29 экспериментировать - он ближе будет... Вот и попробую, если не холодно будет, и не лень
NMPS 2010 S09 2.5 TD 5AT, зима HANKOOK RW11,Replica, лето -сток. защита 4л.
			
						- CoolBDW
- Сообщения: 3630
- Зарегистрирован: 20 янв 2010, 10:11
- Двигатель:: 4D56
- Мой автомобиль(и):: был - NMPS 2010 2.5 TD 5AT S04
- Откуда: Тула
- Откуда: Тула
- Благодарил (а): 210 раз
- Поблагодарили: 284 раза
Re: Глюк в работе 5-ст АКПП
Вот зачем - http://www.pajero4x4.ru/bbs/phpBB2/view ... 81&t=61077 У меня вебаста и молотить на ХХ (на P) на 1200 оборотов - нет необходимости, вебаста греет. А в движении - а и нехай молотят, быстрее прогреется и салон, и движок (меньше тепла будет отдавать). Поэтому и хочу сделать, чтобы в D работали, а на P - нет.Tajozhnik писал(а):отпишись как попробуешь, а зачем включение тэнов только при включенной передаче? Я когда из баньки еду а машинка на холоде, завожу двигатель включаю подогрев под пятую точку и крутилку климата на 34 направляю в салон воздух теплый идет
пока двигатель греется ,ляпота, ну может первую минутку некомфортно пока разогреется а потом все пучком. Потом минут через 5-10 начинаю движение, а так сидеть мерзнуть ну уж нафиг
Изначально полезу к самим мозгам для сигналов D и R. Если смогу из-под ног добраться до С-29 - значит да. Нет - значит нет. Полезу если под козырёк приборки - ну, тогда тоже можно

Дмитрий
было когда-то:
NMPS 2010 2.5 TD 5AT чёрный
Webasto, Multitronics VC731, DRL, RedPower 8994, FGC, без EGR (+заглушка -фишка)
Yokohama G012 & F700Z 265/65R17, пружины от Влада
			
						было когда-то:
NMPS 2010 2.5 TD 5AT чёрный
Webasto, Multitronics VC731, DRL, RedPower 8994, FGC, без EGR (+заглушка -фишка)
Yokohama G012 & F700Z 265/65R17, пружины от Влада
- MAVR64
- Сообщения: 2881
- Зарегистрирован: 28 авг 2010, 20:51
- Двигатель:: Дизель
- Мой автомобиль(и):: Pajero
- Откуда: Саратов
- Благодарил (а): 134 раза
- Поблагодарили: 146 раз
Re: Глюк в работе 5-ст АКПП
Под приборкой до сигналов D, R и тд добраться легче чем лезьть к блоку АКПП. Там, вроде бы, тот же сигнал: "плюс" при вкл соответствующего положения управления коробкой.
			
			
									
						PAJERO SHOGUN 2014my 3200 200hp A/T БК, регистратор, антирадар, Защита=композит+алюминий
Yokohama Geolandar A/T G012 size 265/60 R18
			
						Yokohama Geolandar A/T G012 size 265/60 R18
- CoolBDW
- Сообщения: 3630
- Зарегистрирован: 20 янв 2010, 10:11
- Двигатель:: 4D56
- Мой автомобиль(и):: был - NMPS 2010 2.5 TD 5AT S04
- Откуда: Тула
- Откуда: Тула
- Благодарил (а): 210 раз
- Поблагодарили: 284 раза
Re: Глюк в работе 5-ст АКПП
Ну, и туда, и туда лезть одинаково легко - то ли я уже наблатыкался, но не вызывает никаких вопросов. Но козырёк а) лишний раз снимать - расшатывать, а у нас японец, а не немец - салон не любит разборки-сборки; и б) хорошо проложить провода чтобы они не болтались не бренькались - из под козырька сложнее. А там будет видно, если будет настрой - поэкспериментирую. Только не на следующих выходных - точно, и через тоже нет - планыMAVR64 писал(а):Под приборкой до сигналов D, R и тд добраться легче чем лезьть к блоку АКПП. Там, вроде бы, тот же сигнал: "плюс" при вкл соответствующего положения управления коробкой.

Дмитрий
было когда-то:
NMPS 2010 2.5 TD 5AT чёрный
Webasto, Multitronics VC731, DRL, RedPower 8994, FGC, без EGR (+заглушка -фишка)
Yokohama G012 & F700Z 265/65R17, пружины от Влада
			
						было когда-то:
NMPS 2010 2.5 TD 5AT чёрный
Webasto, Multitronics VC731, DRL, RedPower 8994, FGC, без EGR (+заглушка -фишка)
Yokohama G012 & F700Z 265/65R17, пружины от Влада
- 
				Wandered
- Сообщения: 678
- Зарегистрирован: 09 июл 2011, 03:37
- Двигатель:: 6G72
- Мой автомобиль(и):: Монтеро Спорт, Прадо 120
- Откуда: Красноярский край
- Благодарил (а): 146 раз
- Поблагодарили: 34 раза
Re: Глюк в работе 5-ст АКПП
Если честно эта коробка уже доконала в хлам  Может для кого то кто ездит по городу в основном не сильно парягает, то меня это уже порядком достало
 Может для кого то кто ездит по городу в основном не сильно парягает, то меня это уже порядком достало  В -30 перегревать коробку для включения второй
 В -30 перегревать коробку для включения второй  Единственное что я вроде как приспособился, перед крутыми подъемами вручную включаю второю, иначе машина держит третью до победы, т.е. до перегрева... Меньше уклон но затяжной третью иначе держит четвертую... Блин ну как будто на одну передачу всегда держит выше чем положено... Слов нет... После подъема постоянно передергиваю кочергу что бы включился автомат. В этом режиме вроде нормально.
  Единственное что я вроде как приспособился, перед крутыми подъемами вручную включаю второю, иначе машина держит третью до победы, т.е. до перегрева... Меньше уклон но затяжной третью иначе держит четвертую... Блин ну как будто на одну передачу всегда держит выше чем положено... Слов нет... После подъема постоянно передергиваю кочергу что бы включился автомат. В этом режиме вроде нормально. 
И какой тут нафиг дополнительный радиатор... Ниже -30 КАРТОНКА рулит.... Вообще мозг на раскорячку
			
			
									
						 Может для кого то кто ездит по городу в основном не сильно парягает, то меня это уже порядком достало
 Может для кого то кто ездит по городу в основном не сильно парягает, то меня это уже порядком достало  В -30 перегревать коробку для включения второй
 В -30 перегревать коробку для включения второй  Единственное что я вроде как приспособился, перед крутыми подъемами вручную включаю второю, иначе машина держит третью до победы, т.е. до перегрева... Меньше уклон но затяжной третью иначе держит четвертую... Блин ну как будто на одну передачу всегда держит выше чем положено... Слов нет... После подъема постоянно передергиваю кочергу что бы включился автомат. В этом режиме вроде нормально.
  Единственное что я вроде как приспособился, перед крутыми подъемами вручную включаю второю, иначе машина держит третью до победы, т.е. до перегрева... Меньше уклон но затяжной третью иначе держит четвертую... Блин ну как будто на одну передачу всегда держит выше чем положено... Слов нет... После подъема постоянно передергиваю кочергу что бы включился автомат. В этом режиме вроде нормально. И какой тут нафиг дополнительный радиатор... Ниже -30 КАРТОНКА рулит.... Вообще мозг на раскорячку

- Семнадцатый
- Сообщения: 1651
- Зарегистрирован: 17 ноя 2010, 20:22
- Двигатель:: 4D56
- Мой автомобиль(и):: Pajero Sport II
- Благодарил (а): 11 раз
- Поблагодарили: 130 раз
- Контактная информация:
Re: Глюк в работе 5-ст АКПП
Wandered попробуй лист защиты снять с коробки.
			
			
									
						Есть направления, а дорогу выберет каждый свою.... 
BFG MT KM2 265/75 R16 | 605 Hi-Lift X-TREME Jack | Tmax 9500 на съёмной площадке
			
						BFG MT KM2 265/75 R16 | 605 Hi-Lift X-TREME Jack | Tmax 9500 на съёмной площадке
- 
				Wandered
- Сообщения: 678
- Зарегистрирован: 09 июл 2011, 03:37
- Двигатель:: 6G72
- Мой автомобиль(и):: Монтеро Спорт, Прадо 120
- Откуда: Красноярский край
- Благодарил (а): 146 раз
- Поблагодарили: 34 раза
Re: Глюк в работе 5-ст АКПП
Да попробовать можно снять, но я не думаю что это сильно проблему решит. Сегодня сниму, как раз ехать собрался, потом отпишусь...Семнадцатый писал(а):Wandered попробуй лист защиты снять с коробки.
- Lavruhin
- Сообщения: 348
- Зарегистрирован: 31 окт 2010, 19:58
- Двигатель:: Дизель
- Мой автомобиль(и):: NMPS AT 2.5 S05
- Благодарил (а): 31 раз
- Поблагодарили: 39 раз
Re: Глюк в работе 5-ст АКПП
Вот кстати тоже покатал по Крыму и пришел к тому что если держать обороты под 2-2,5 тысячи в ручном режиме то коробка не скачет, и лампа перегрева тоже не загорается. 
Т.е. еду в подъем на 4 на 1.800 и даже тянет, но через какое то время - хрясь и вторая передача. В этот же подъем но на третей - без всяких проблем.
			
			
									
						Т.е. еду в подъем на 4 на 1.800 и даже тянет, но через какое то время - хрясь и вторая передача. В этот же подъем но на третей - без всяких проблем.
NMPS 2.5 @ 255\85\16 MT
			
						- Napic
- Сообщения: 5982
- Зарегистрирован: 29 июл 2010, 06:51
- Двигатель:: дизель 4d56
- Мой автомобиль(и):: НМПСпорт 2010
- Откуда: Сибирь
- Благодарил (а): 423 раза
- Поблагодарили: 1021 раз
Re: Глюк в работе 5-ст АКПП
А 4 передача на 1800 - это в ручном режиме (кочерга влево) или в "D"?Lavruhin писал(а):Вот кстати тоже покатал по Крыму и пришел к тому что если держать обороты под 2-2,5 тысячи в ручном режиме то коробка не скачет, и лампа перегрева тоже не загорается.
Т.е. еду в подъем на 4 на 1.800 и даже тянет, но через какое то время - хрясь и вторая передача. В этот же подъем но на третей - без всяких проблем.
НМПСпорт 2010 4d56 2500 дизель S05 5AT
лето BridgeStone HT 265/65R17, зима Hakka 5 SUV 265/65R17
Eberspacher Hydronic 5 кВт, доп. вентилятор кондиционера
Egr off + дроссель On (нержавейка + программное отключение)
			
						лето BridgeStone HT 265/65R17, зима Hakka 5 SUV 265/65R17
Eberspacher Hydronic 5 кВт, доп. вентилятор кондиционера
Egr off + дроссель On (нержавейка + программное отключение)








