Мужики помоги разобраться сгорел блок управления двигателем
Модераторы: SNOOPER, Nbf, Romik, BAlex
- sergks26
- Сообщения: 274
- Зарегистрирован: 29 янв 2014, 11:26
- Двигатель:: 4M41
- Мой автомобиль(и):: Митсубиси поджеро 3 год2003
- Откуда: Нефтекумск
- Откуда: ЯНАО МУРАВЛЕНКО
- Благодарил (а): 3 раза
- Поблагодарили: 3 раза
Re: Мужики помоги разобраться сгорел блок управления двигате
Пока его нашел всю голову сломал искал 40 минут после чего полный хаус в салоне
Митсубан поджера 3 год 2003 4м41 егр Электронный заглушен при пробеге 270т
- sergks26
- Сообщения: 274
- Зарегистрирован: 29 янв 2014, 11:26
- Двигатель:: 4M41
- Мой автомобиль(и):: Митсубиси поджеро 3 год2003
- Откуда: Нефтекумск
- Откуда: ЯНАО МУРАВЛЕНКО
- Благодарил (а): 3 раза
- Поблагодарили: 3 раза
Re: Мужики помоги разобраться сгорел блок управления двигате
Это фото вроде полутше
Митсубан поджера 3 год 2003 4м41 егр Электронный заглушен при пробеге 270т
- sergks26
- Сообщения: 274
- Зарегистрирован: 29 янв 2014, 11:26
- Двигатель:: 4M41
- Мой автомобиль(и):: Митсубиси поджеро 3 год2003
- Откуда: Нефтекумск
- Откуда: ЯНАО МУРАВЛЕНКО
- Благодарил (а): 3 раза
- Поблагодарили: 3 раза
Re: Мужики помоги разобраться сгорел блок управления двигате
Ну и салон в разборе личинка снята руль естественно
Митсубан поджера 3 год 2003 4м41 егр Электронный заглушен при пробеге 270т
- sergks26
- Сообщения: 274
- Зарегистрирован: 29 янв 2014, 11:26
- Двигатель:: 4M41
- Мой автомобиль(и):: Митсубиси поджеро 3 год2003
- Откуда: Нефтекумск
- Откуда: ЯНАО МУРАВЛЕНКО
- Благодарил (а): 3 раза
- Поблагодарили: 3 раза
Re: Мужики помоги разобраться сгорел блок управления двигате
Под рулем самый нижний белый разьем это разьем имобилайзера
Митсубан поджера 3 год 2003 4м41 егр Электронный заглушен при пробеге 270т
- sergks26
- Сообщения: 274
- Зарегистрирован: 29 янв 2014, 11:26
- Двигатель:: 4M41
- Мой автомобиль(и):: Митсубиси поджеро 3 год2003
- Откуда: Нефтекумск
- Откуда: ЯНАО МУРАВЛЕНКО
- Благодарил (а): 3 раза
- Поблагодарили: 3 раза
Re: Мужики помоги разобраться сгорел блок управления двигате
Пришлось центральную консоль разбирать снимать климат с прикуривателем и кнопками
Последний раз редактировалось sergks26 11 фев 2014, 21:31, всего редактировалось 1 раз.
Митсубан поджера 3 год 2003 4м41 егр Электронный заглушен при пробеге 270т
- sergks26
- Сообщения: 274
- Зарегистрирован: 29 янв 2014, 11:26
- Двигатель:: 4M41
- Мой автомобиль(и):: Митсубиси поджеро 3 год2003
- Откуда: Нефтекумск
- Откуда: ЯНАО МУРАВЛЕНКО
- Благодарил (а): 3 раза
- Поблагодарили: 3 раза
Re: Мужики помоги разобраться сгорел блок управления двигате
Не успел проводку проверить компа стемнело завтро буду вызванивать от предохронителя и реле питания также наличее наприжения на разьемах и сотношения сопротивлений на компьютере если придет короче отпишусь по результату подошел блок или нет и если получется то снему видео если буду не один и заведу



Митсубан поджера 3 год 2003 4м41 егр Электронный заглушен при пробеге 270т
- SNOOPER
- Модератор
- Сообщения: 56884
- Зарегистрирован: 11 дек 2004, 19:49
- Двигатель:: 4D56
- Мой автомобиль(и):: NewMPS
- Откуда: 78
- Откуда: Spb
- Благодарил (а): 1005 раз
- Поблагодарили: 4663 раза
Re: Мужики помоги разобраться сгорел блок управления двигате
А консоль то зачем раздербанил?
ПС Держу кулаки чтоб подошол
ПС Держу кулаки чтоб подошол

- sergks26
- Сообщения: 274
- Зарегистрирован: 29 янв 2014, 11:26
- Двигатель:: 4M41
- Мой автомобиль(и):: Митсубиси поджеро 3 год2003
- Откуда: Нефтекумск
- Откуда: ЯНАО МУРАВЛЕНКО
- Благодарил (а): 3 раза
- Поблагодарили: 3 раза
Re: Мужики помоги разобраться сгорел блок управления двигате
Без нее имо не достать она в в углу за обшивкой где педаль газа
Митсубан поджера 3 год 2003 4м41 егр Электронный заглушен при пробеге 270т
- sergks26
- Сообщения: 274
- Зарегистрирован: 29 янв 2014, 11:26
- Двигатель:: 4M41
- Мой автомобиль(и):: Митсубиси поджеро 3 год2003
- Откуда: Нефтекумск
- Откуда: ЯНАО МУРАВЛЕНКО
- Благодарил (а): 3 раза
- Поблагодарили: 3 раза
Re: Мужики помоги разобраться сгорел блок управления двигате
Пришли пречендалы но тока один казус здесь на замке зажигания стоит имобилайзер а старый стоял под понелью. Нужна распиновка этого имобилайзера что на руле на него питание не приходит три провода синий красный белый какие питания какой информация не понятно кто знает подскажите нужно связать с старым разьемом
Митсубан поджера 3 год 2003 4м41 егр Электронный заглушен при пробеге 270т
- SNOOPER
- Модератор
- Сообщения: 56884
- Зарегистрирован: 11 дек 2004, 19:49
- Двигатель:: 4D56
- Мой автомобиль(и):: NewMPS
- Откуда: 78
- Откуда: Spb
- Благодарил (а): 1005 раз
- Поблагодарили: 4663 раза
Re: Мужики помоги разобраться сгорел блок управления двигате
Фотки разъёмов можешь сделать?
Старый с проводами
Старый с проводами
- sergks26
- Сообщения: 274
- Зарегистрирован: 29 янв 2014, 11:26
- Двигатель:: 4M41
- Мой автомобиль(и):: Митсубиси поджеро 3 год2003
- Откуда: Нефтекумск
- Откуда: ЯНАО МУРАВЛЕНКО
- Благодарил (а): 3 раза
- Поблагодарили: 3 раза
Re: Мужики помоги разобраться сгорел блок управления двигате
На старом два провада идет от индуктивной антены черный минус12 вольт красный плюс12 вольт зеленный информационный а вот фота нового имобилайзера с интегрированной антеной и разьем на который питания не подается так как разьем куда он втыкается полу пустой там задействованы ноги дае подсветка замка и две ноги старой антены.
Митсубан поджера 3 год 2003 4м41 егр Электронный заглушен при пробеге 270т
- sergks26
- Сообщения: 274
- Зарегистрирован: 29 янв 2014, 11:26
- Двигатель:: 4M41
- Мой автомобиль(и):: Митсубиси поджеро 3 год2003
- Откуда: Нефтекумск
- Откуда: ЯНАО МУРАВЛЕНКО
- Благодарил (а): 3 раза
- Поблагодарили: 3 раза
Re: Мужики помоги разобраться сгорел блок управления двигате
Рядом кстати видно разьем белый бод ним жолтый так вот белый втыкается в разьем с гупкой по нему белому разьему видно что он полу пустой и питания имобилайзер не получает.
Сам блок управления подключен все зароботало тока не завести нет связи с имобилайзером
Сам блок управления подключен все зароботало тока не завести нет связи с имобилайзером
Митсубан поджера 3 год 2003 4м41 егр Электронный заглушен при пробеге 270т
- SNOOPER
- Модератор
- Сообщения: 56884
- Зарегистрирован: 11 дек 2004, 19:49
- Двигатель:: 4D56
- Мой автомобиль(и):: NewMPS
- Откуда: 78
- Откуда: Spb
- Благодарил (а): 1005 раз
- Поблагодарили: 4663 раза
Re: Мужики помоги разобраться сгорел блок управления двигате
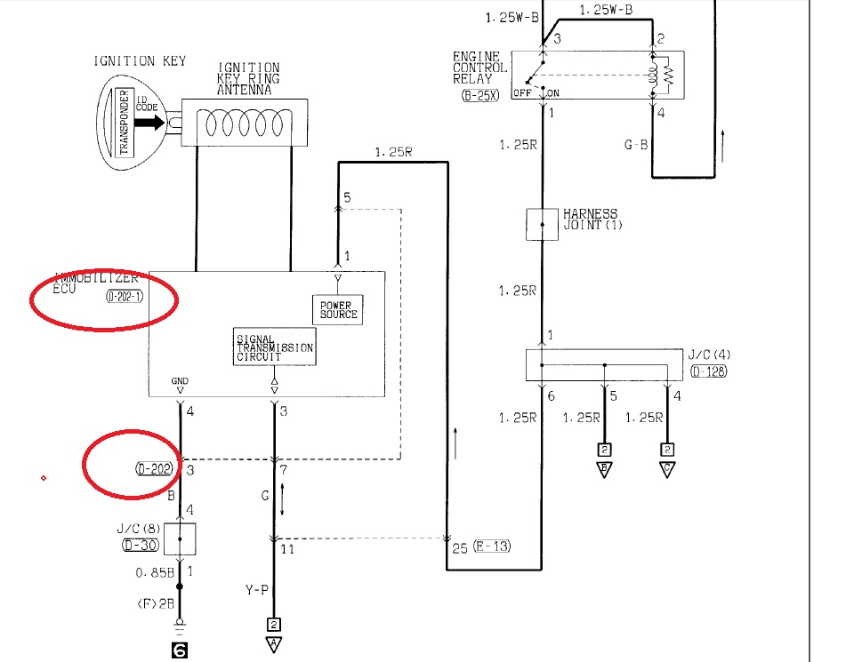
Полупустой у тебя на машине?sergks26 писал(а):Рядом кстати видно разьем белый бод ним жолтый так вот белый втыкается в разьем с гупкой по нему белому разьему видно что он полу пустой и питания имобилайзер не получает.
Сам блок управления подключен все зароботало тока не завести нет связи с имобилайзером
Цвета проводов на том что привезли, произвольные.
Смотри схему и распиновку разъёмов. Всё получится
- sergks26
- Сообщения: 274
- Зарегистрирован: 29 янв 2014, 11:26
- Двигатель:: 4M41
- Мой автомобиль(и):: Митсубиси поджеро 3 год2003
- Откуда: Нефтекумск
- Откуда: ЯНАО МУРАВЛЕНКО
- Благодарил (а): 3 раза
- Поблагодарили: 3 раза
Re: Мужики помоги разобраться сгорел блок управления двигате
Да на машине. Огромное спасибо за схему вроде стало все понятно. А по разьему можно бало сказать что красный плюс а он информационный зараза хорошо не подал на него плюс
Митсубан поджера 3 год 2003 4м41 егр Электронный заглушен при пробеге 270т
- МДМ
- Сообщения: 2186
- Зарегистрирован: 06 фев 2008, 18:39
- Двигатель:: 6G72 (12 valve)
- Мой автомобиль(и):: Pajero-2, 1993г., МКПП, SS. Renault Kangoo, 2000г., дв. 1.9d (F8Q), МКПП
- Откуда: Пермь
- Откуда: г. Пермь
- Поблагодарили: 82 раза
- Контактная информация:
Re: Мужики помоги разобраться сгорел блок управления двигате
так а номер нового эбу сообщите?sergks26 писал(а):Сам блок управления подключен все зароботало тока не завести нет связи с имобилайзером
и что значит "все зароботало тока не завести" ?
MMC Pajero, 1993г., V43W, 6G72 (12valve), МКПП, ГБО 4-е поколение Digitronic
- SNOOPER
- Модератор
- Сообщения: 56884
- Зарегистрирован: 11 дек 2004, 19:49
- Двигатель:: 4D56
- Мой автомобиль(и):: NewMPS
- Откуда: 78
- Откуда: Spb
- Благодарил (а): 1005 раз
- Поблагодарили: 4663 раза
Re: Мужики помоги разобраться сгорел блок управления двигате
А то и значит, что не завести.
Сказал же отчёт позже..............
Сказал же отчёт позже..............

- МДМ
- Сообщения: 2186
- Зарегистрирован: 06 фев 2008, 18:39
- Двигатель:: 6G72 (12 valve)
- Мой автомобиль(и):: Pajero-2, 1993г., МКПП, SS. Renault Kangoo, 2000г., дв. 1.9d (F8Q), МКПП
- Откуда: Пермь
- Откуда: г. Пермь
- Поблагодарили: 82 раза
- Контактная информация:
Re: Мужики помоги разобраться сгорел блок управления двигате
дак я-то понимаю, что не завести, просто не понятно что там заработало...
да и номер блока интересен. обещал ведь сообщить когда придёт.
да и номер блока интересен. обещал ведь сообщить когда придёт.
MMC Pajero, 1993г., V43W, 6G72 (12valve), МКПП, ГБО 4-е поколение Digitronic
- SNOOPER
- Модератор
- Сообщения: 56884
- Зарегистрирован: 11 дек 2004, 19:49
- Двигатель:: 4D56
- Мой автомобиль(и):: NewMPS
- Откуда: 78
- Откуда: Spb
- Благодарил (а): 1005 раз
- Поблагодарили: 4663 раза
Re: Мужики помоги разобраться сгорел блок управления двигате
А что не понятно.МДМ писал(а):дак я-то понимаю, что не завести, просто не понятно что там заработало...
да и номер блока интересен. обещал ведь сообщить когда придёт.
Подкинули блок, почитали ошибки, присутствует только 54-я.
Что не понятно?
Просто то что нет ошибок не говорит о том что будет работать.
Скоро узнаем

- sergks26
- Сообщения: 274
- Зарегистрирован: 29 янв 2014, 11:26
- Двигатель:: 4M41
- Мой автомобиль(и):: Митсубиси поджеро 3 год2003
- Откуда: Нефтекумск
- Откуда: ЯНАО МУРАВЛЕНКО
- Благодарил (а): 3 раза
- Поблагодарили: 3 раза
Re: Мужики помоги разобраться сгорел блок управления двигате
Ну все таки я ее завел спасибо тебе большое snooper за распиновку в ютубе лежит видео с планшета не могу адрес взять но название такое Митсубиси поджеро 3 замена БЛОКА УПРАВЛЕНИЯ ДВС
Но я так думаю что на этом все не кончается так как после установки нового имобилайзера я порезал провода посадил на другой разъем и спрятол естественно гарантии каюк когда стал собирать все на место завел машинку обнаружил не запускается круиз контроль позже проехав понял что не работает курсовая устойчивость горят две лампочки АБС работает. Тогда я вытошил плату эбу с корпуса и увидил паленный транзистор короче ж...а менять поздно имобилайзер почикал я не кто обратно не примит. Побежал в
мастерскую к знакомому мастеру долга очищали место прогара транзистора дабы найти сохранившиеся дорожки в итоги есть возможность поменять на другой решил занятся этим на выходные когда привезут предедущий блок он будет донаром. Я думаю темку продоожит так как появились два вопроса как запустить курсовую стабилизацию и круиз без эбу если не поможет замена транзистора. В ообще это отдельных два блока или один и тотже. На проверку ошибок выдал отсутсвует связ с кан шиной и много еще там клапан егр и еще какайта ошибка не помню торопился товаришь вот такая ситуация. Но настроение поднялось проехал на машинке 20 км все в норме правда помучился с воздухом в тнвд так как пока стояла менял шланги. Жду соображений и любой полезной информации.
Но я так думаю что на этом все не кончается так как после установки нового имобилайзера я порезал провода посадил на другой разъем и спрятол естественно гарантии каюк когда стал собирать все на место завел машинку обнаружил не запускается круиз контроль позже проехав понял что не работает курсовая устойчивость горят две лампочки АБС работает. Тогда я вытошил плату эбу с корпуса и увидил паленный транзистор короче ж...а менять поздно имобилайзер почикал я не кто обратно не примит. Побежал в
мастерскую к знакомому мастеру долга очищали место прогара транзистора дабы найти сохранившиеся дорожки в итоги есть возможность поменять на другой решил занятся этим на выходные когда привезут предедущий блок он будет донаром. Я думаю темку продоожит так как появились два вопроса как запустить курсовую стабилизацию и круиз без эбу если не поможет замена транзистора. В ообще это отдельных два блока или один и тотже. На проверку ошибок выдал отсутсвует связ с кан шиной и много еще там клапан егр и еще какайта ошибка не помню торопился товаришь вот такая ситуация. Но настроение поднялось проехал на машинке 20 км все в норме правда помучился с воздухом в тнвд так как пока стояла менял шланги. Жду соображений и любой полезной информации.
Митсубан поджера 3 год 2003 4м41 егр Электронный заглушен при пробеге 270т
- sergks26
- Сообщения: 274
- Зарегистрирован: 29 янв 2014, 11:26
- Двигатель:: 4M41
- Мой автомобиль(и):: Митсубиси поджеро 3 год2003
- Откуда: Нефтекумск
- Откуда: ЯНАО МУРАВЛЕНКО
- Благодарил (а): 3 раза
- Поблагодарили: 3 раза
Re: Мужики помоги разобраться сгорел блок управления двигате
Вот ссылка с ютуба
Митсубан поджера 3 год 2003 4м41 егр Электронный заглушен при пробеге 270т