типа тогокарел 10рус писал(а):Отчитываюсь. Лягушкой подкачиваешь работа движка не меняется. Снял интеркулер. Щляпка этого клапана ( такая двух гранная) зазор между ней и корпусом где-то 2-3 мм. Это как норма?
TRT - Вдоль р.Киржач. Для стандартных 4х4 (08.11.25) Форум Обсуждение FAQ
	Троит 4д56 пока не прогреется
Модераторы: SNOOPER, Nbf, Romik, BAlex, drcham, алексей - Маленький Мук, DenVer, Алекс
- Jenek
 - Сообщения: 3932
 - Зарегистрирован: 26 янв 2009, 15:33
 - Двигатель:: 4d56
 - Мой автомобиль(и):: Pajero 2
 - Откуда: Новомосковск
 - Откуда: Новомосковск 71
 - Благодарил (а): 30 раз
 - Поблагодарили: 116 раз
 - Контактная информация:
 
Re: Троит 4д56 пока не прогреется
П-2 6G72 93г  ушел на запчасти
П-2 [V24C ] 91г,бодик 6см, IROK 37/12.5 R15, кондей для подкачки, перед голда, зад тунгстен, понижайка 3:1
На Драйве
			
						П-2 [V24C ] 91г,бодик 6см, IROK 37/12.5 R15, кондей для подкачки, перед голда, зад тунгстен, понижайка 3:1
На Драйве
- 
				карел 10рус
 - Сообщения: 334
 - Зарегистрирован: 22 ноя 2012, 22:36
 - Двигатель:: дизель 4d56
 - Мой автомобиль(и):: митцубиси паджеро 2 Митцубиси паджеро спорт
 - Откуда: Карелия
 - Благодарил (а): 1 раз
 - Поблагодарили: 14 раз
 
Re: Троит 4д56 пока не прогреется
Так что можно ещё утопить?Jenek писал(а):типа тогокарел 10рус писал(а):Отчитываюсь. Лягушкой подкачиваешь работа движка не меняется. Снял интеркулер. Щляпка этого клапана ( такая двух гранная) зазор между ней и корпусом где-то 2-3 мм. Это как норма?
- 
				starhina08
 - Сообщения: 88
 - Зарегистрирован: 21 окт 2010, 14:04
 - Двигатель:: 4D56,
 - Мой автомобиль(и):: Mitsubishi Pajero 2,1993г.
 - Откуда: Калужская обл.г.Козельск
 - Откуда: Калужская обл.
 
- 
				карел 10рус
 - Сообщения: 334
 - Зарегистрирован: 22 ноя 2012, 22:36
 - Двигатель:: дизель 4d56
 - Мой автомобиль(и):: митцубиси паджеро 2 Митцубиси паджеро спорт
 - Откуда: Карелия
 - Благодарил (а): 1 раз
 - Поблагодарили: 14 раз
 
Re: Троит 4д56 пока не прогреется
Да ни чем . 
 Всё по прежнему. Кнопка не помогает. Троит пока температура не подымется до рабочей. Заводится  с пол оборота работает пару минут идеально. Потом щелчёк и всё троит на оборотах 1200-1400 . Прогревается всё норм. Думаю может что в электрике на мудрено  
 . Вот например на клапан отсечки топливоподачи при вкл.зажигании подаётся 12 вольт. Отсоединяешь провод работа без изменений. Это что клапан кастрирован? 
			
			
									
						- Jenek
 - Сообщения: 3932
 - Зарегистрирован: 26 янв 2009, 15:33
 - Двигатель:: 4d56
 - Мой автомобиль(и):: Pajero 2
 - Откуда: Новомосковск
 - Откуда: Новомосковск 71
 - Благодарил (а): 30 раз
 - Поблагодарили: 116 раз
 - Контактная информация:
 
Re: Троит 4д56 пока не прогреется
А как же она тогда глушится?карел 10рус писал(а):Да ни чем .Всё по прежнему. Кнопка не помогает. Троит пока температура не подымется до рабочей. Заводится с пол оборота работает пару минут идеально. Потом щелчёк и всё троит на оборотах 1200-1400 . Прогревается всё норм. Думаю может что в электрике на мудрено
. Вот например на клапан отсечки топливоподачи при вкл.зажигании подаётся 12 вольт. Отсоединяешь провод работа без изменений. Это что клапан кастрирован?
У меня на одном насосе было что клапан щелкает, закрывается, а машина продолжает работать, при вскрытии обнаружилась порванная резинка седла клапана, т.е. топливо продолжало поступать на плунжер.
П-2 6G72 93г  ушел на запчасти
П-2 [V24C ] 91г,бодик 6см, IROK 37/12.5 R15, кондей для подкачки, перед голда, зад тунгстен, понижайка 3:1
На Драйве
			
						П-2 [V24C ] 91г,бодик 6см, IROK 37/12.5 R15, кондей для подкачки, перед голда, зад тунгстен, понижайка 3:1
На Драйве
- 
				карел 10рус
 - Сообщения: 334
 - Зарегистрирован: 22 ноя 2012, 22:36
 - Двигатель:: дизель 4d56
 - Мой автомобиль(и):: митцубиси паджеро 2 Митцубиси паджеро спорт
 - Откуда: Карелия
 - Благодарил (а): 1 раз
 - Поблагодарили: 14 раз
 
Re: Троит 4д56 пока не прогреется
Не знаю но глушится от ключа. А снимаю провод на работающей машине и ни каких эмоций. Но питание от ключа зажигание вкл.на проводе 12 в выкл. 0 вольт 
  Где наши спецы дизелисты отзовитесь.    
			
			
									
						- 
				карел 10рус
 - Сообщения: 334
 - Зарегистрирован: 22 ноя 2012, 22:36
 - Двигатель:: дизель 4d56
 - Мой автомобиль(и):: митцубиси паджеро 2 Митцубиси паджеро спорт
 - Откуда: Карелия
 - Благодарил (а): 1 раз
 - Поблагодарили: 14 раз
 
Re: Троит 4д56 пока не прогреется
Извиняюсь . Всех запутал. Я расказывал про клапан " слива" с проводком под зелёной пробочкой а назвал его клапаном отсечки. 
  А клапан отсечки работает как надо. Так вот вопрос как работает этот клапан " слива" ( его так Snoper в одной теме назвал) и как он влияет на давление его работа. 
Jenek попробывал утопить клапан как ты советовал. Но помоему перестарался. Двиг работает не троит, резво набирает обороты,но насос стучит как ошалелый. Можно ли выкрутить этот клапан без снятия тнвд? А то у меня сомнения .
			
			
									
						Jenek попробывал утопить клапан как ты советовал. Но помоему перестарался. Двиг работает не троит, резво набирает обороты,но насос стучит как ошалелый. Можно ли выкрутить этот клапан без снятия тнвд? А то у меня сомнения .
- Jenek
 - Сообщения: 3932
 - Зарегистрирован: 26 янв 2009, 15:33
 - Двигатель:: 4d56
 - Мой автомобиль(и):: Pajero 2
 - Откуда: Новомосковск
 - Откуда: Новомосковск 71
 - Благодарил (а): 30 раз
 - Поблагодарили: 116 раз
 - Контактная информация:
 
Re: Троит 4д56 пока не прогреется
Выкрутить можно, но там головка своеобразная (я сплющил какую то дюймовую) и наверно придется тнвд чуть отодвинуть назад, но где то читал, что зубилом снимают часть выступа чтоб не мешала.карел 10рус писал(а):Извиняюсь . Всех запутал. Я расказывал про клапан " слива" с проводком под зелёной пробочкой а назвал его клапаном отсечки.А клапан отсечки работает как надо. Так вот вопрос как работает этот клапан " слива" ( его так Snoper в одной теме назвал) и как он влияет на давление его работа.
Jenek попробывал утопить клапан как ты советовал. Но помоему перестарался. Двиг работает не троит, резво набирает обороты,но насос стучит как ошалелый. Можно ли выкрутить этот клапан без снятия тнвд? А то у меня сомнения .
П-2 6G72 93г  ушел на запчасти
П-2 [V24C ] 91г,бодик 6см, IROK 37/12.5 R15, кондей для подкачки, перед голда, зад тунгстен, понижайка 3:1
На Драйве
			
						П-2 [V24C ] 91г,бодик 6см, IROK 37/12.5 R15, кондей для подкачки, перед голда, зад тунгстен, понижайка 3:1
На Драйве
- Jenek
 - Сообщения: 3932
 - Зарегистрирован: 26 янв 2009, 15:33
 - Двигатель:: 4d56
 - Мой автомобиль(и):: Pajero 2
 - Откуда: Новомосковск
 - Откуда: Новомосковск 71
 - Благодарил (а): 30 раз
 - Поблагодарили: 116 раз
 - Контактная информация:
 
Re: Троит 4д56 пока не прогреется
Кстати у меня туже стучит... а с пуском чего нибудь изменилось?
			
			
									
						П-2 6G72 93г  ушел на запчасти
П-2 [V24C ] 91г,бодик 6см, IROK 37/12.5 R15, кондей для подкачки, перед голда, зад тунгстен, понижайка 3:1
На Драйве
			
						П-2 [V24C ] 91г,бодик 6см, IROK 37/12.5 R15, кондей для подкачки, перед голда, зад тунгстен, понижайка 3:1
На Драйве
- 
				карел 10рус
 - Сообщения: 334
 - Зарегистрирован: 22 ноя 2012, 22:36
 - Двигатель:: дизель 4d56
 - Мой автомобиль(и):: митцубиси паджеро 2 Митцубиси паджеро спорт
 - Откуда: Карелия
 - Благодарил (а): 1 раз
 - Поблагодарили: 14 раз
 
Re: Троит 4д56 пока не прогреется
Сегодня завелась с пол-пинка ( хотя и раньше не жаловался). Троить перестала.И пропал этот второй щелчок не понятно какой релюхи ( я специально сидел в машине ожидая его... нету 
 ) Движка работает ровно на всех оборотах,  холостые правда стали чуть больше. Раньше было дашь резко обороты появлялся сизый дым, сейчас даже намёка нет. Всё хорошо, но стук на холодную страшный (прогреется меньше ,но есть) 
 . Думаю может форсы стучат? Регулировали недавно в столице Карелии и " спец" их на 140-150 отрегулировал ,сказал самое то. Думаю до хрена. Есть какие мысли? 
			
			
									
						- Jenek
 - Сообщения: 3932
 - Зарегистрирован: 26 янв 2009, 15:33
 - Двигатель:: 4d56
 - Мой автомобиль(и):: Pajero 2
 - Откуда: Новомосковск
 - Откуда: Новомосковск 71
 - Благодарил (а): 30 раз
 - Поблагодарили: 116 раз
 - Контактная информация:
 
Re: Троит 4д56 пока не прогреется
Я далеко не спец по дизелям, но когда слушаю как рычат другие то думаю может всетаки хрен бы с ним?
			
			
									
						П-2 6G72 93г  ушел на запчасти
П-2 [V24C ] 91г,бодик 6см, IROK 37/12.5 R15, кондей для подкачки, перед голда, зад тунгстен, понижайка 3:1
На Драйве
			
						П-2 [V24C ] 91г,бодик 6см, IROK 37/12.5 R15, кондей для подкачки, перед голда, зад тунгстен, понижайка 3:1
На Драйве
- kolchugin
 - Сообщения: 947
 - Зарегистрирован: 13 мар 2008, 07:34
 - Двигатель:: 4D56T
 - Мой автомобиль(и):: Pajero II
 - Откуда: Кольчугино Владимирская обл. (33)
 - Благодарил (а): 2 раза
 - Поблагодарили: 47 раз
 
Re: Троит 4д56 пока не прогреется
Не трогайте форсунки. Жесткая работа двигателя обусловлена именно тем, что изменилось внутрикорпусное давление. Потому как в самом ТНВД есть система опережения впрыска, которая при увеличении оборотов(при увеличении оборотов увеличивается внутрикорпусное давление) уводит Угол опережения впрыска в более ранний. В итоге, увеличив внутрикорпусное давление, Вы сдвинули УОВ в более ранний, а с учетом того, что у Вас стоит на ТНВД еще и автомат прогрева, который в свою очередь на холодном движке уводит УОВ в более ранний, получили двойное смещение УОВ.карел 10рус писал(а): Движка работает ровно на всех оборотах, холостые правда стали чуть больше. Раньше было дашь резко обороты появлялся сизый дым, сейчас даже намёка нет. Всё хорошо, но стук на холодную страшный (прогреется меньше ,но есть). Думаю может форсы стучат? Регулировали недавно в столице Карелии и " спец" их на 140-150 отрегулировал ,сказал самое то. Думаю до хрена. Есть какие мысли?
Из этого можно сделать вывод, что зря Вы трогали перепускной клапан, для начала стоило сдвинуть Угол опережения впрыска чуть пораньше. А сейчас думаю стоит озадачиться поиском манометра для замера внутрикорпусного давления, промерять все, выставить его по тест плану насоса(со снятием и настройкой перепускного клапана). Ну а дальше выставить правильно Угол опережения впрыска.
Pajero II 91 г.в. 5 дв. 4D56Т Intercooler.  МТ. SS. 4,875.  Cooper ST 33/12.5 r15 Бодик 55-0. Electric Winch EWS12000lb. Правый руль.
			
						- 
				карел 10рус
 - Сообщения: 334
 - Зарегистрирован: 22 ноя 2012, 22:36
 - Двигатель:: дизель 4d56
 - Мой автомобиль(и):: митцубиси паджеро 2 Митцубиси паджеро спорт
 - Откуда: Карелия
 - Благодарил (а): 1 раз
 - Поблагодарили: 14 раз
 
Re: Троит 4д56 пока не прогреется
Да согласен , вы правы. Но УОВ я пробывал менять до того как полез в клапан.Эфекта ноль. Думаю что надо снимать ТНВД и на стенд. Сам не отрегулирую. Самое печальное ,что до первого нормального сервиса 140 км.  
			
			
									
						- kolchugin
 - Сообщения: 947
 - Зарегистрирован: 13 мар 2008, 07:34
 - Двигатель:: 4D56T
 - Мой автомобиль(и):: Pajero II
 - Откуда: Кольчугино Владимирская обл. (33)
 - Благодарил (а): 2 раза
 - Поблагодарили: 47 раз
 
Re: Троит 4д56 пока не прогреется
Тут может быть несколько причин.карел 10рус писал(а):Да согласен , вы правы. Но УОВ я пробывал менять до того как полез в клапан.Эфекта ноль. Думаю что надо снимать ТНВД и на стенд. Сам не отрегулирую. Самое печальное ,что до первого нормального сервиса 140 км.
1. На сколько я знаю, у Паджеро спорт в баке трубка обратки не спускается до дна бака. Тут кстати по этому поводу была тема, машинка глохнет, когда соляры меньше половины бака. У старых Паджер например трубки в баке идут параллельно, и спускаются до дна бака. В связи с этим например у старых Паджер нет клапана слива в обратке, там просто установлен штуцер с мальньким отверстием для слива. А на Паджеро Спорт этот клапан предусмотрен, для того, чтобы перекрыть обратку, когда двигатель незапущен, иначе возможно завоздушивание системы через обратку.
Соответственно первое с чего надо было начать в Вашем случае, это отсоединить шланги подачи и обратки от ТНВД и запитать ТНВД напрямую из бутылки. В идеале бутылку поставить выше уровня ТНВД, чтобы исключить еще и подсос воздуха через сальник вала ТНВД. Прогнать мотор чтобы система прокачалась полностью, и оставить все на ночь. Запуск утром дал бы полноценную картину.
2. То что у Вас при оборотах 1200-1800 двигатель трясло, это говорит о том что поздний Угол опережения впрыска. Тут 2 варианта. Поздний при установке ТНВД, т.е. неправильно установлен с самого начала. И второй вариант что не работает автомат опережения впрыска.- поршень установленный в нижней части ТНВД, который уводит угол опережения впрыска в более ранний при увеличении оборотов.
При неправильной работе автомата опережения впрыска опять же 2 варианта. Первое поршень автомата опережения впрыска попросту заклинил. (грязь, задиры, и т.д.). Второй вариант низкое внутрикорпусное давление, именно оно и заставляет перемещаться этот поршень, изменяя УОВ на более ранний.
Из всего вышеописанного Ваш порядок действий следующий:
1. Исключаете возможность подсоса воздуха. Т.е. попытка запитать ТНВД напрямую из бутылки, оставить на ночь, и утром попытаться запуститься. Если запустится нормально, то Проверка трубок, шлангов, сальника вала ТНВД. Если же нет, то проверка свечей накаливания, форсунок, промер компрессии.
2. Выставление правильного внутрикорпусного давления. Для этого нужен будет манометр, и токарные работы, для вытачивания переходника. Выточите переходник, установите манометр, промеряете внутрикорпусное давление на разных режимах работы, по тестплану.
3. Выставить правильный Угол опережения впрыска, нужен часовой индикатор и переходник для устаночки ЧИ в головку ТНВД. Приспособление-переходник есть в продаже, или тут же на форуме были чертежи, можно выточить у токаря.
4. Проверить состояние автомата опережения впрыска. Тут как минимум снять ТНВД, открутить крышку внизу, снять пружину и посмотреть движется ли вообще поршень автомата опережения впрыска. Если нет, то полная разборка и дефектовка ТНВД.
Pajero II 91 г.в. 5 дв. 4D56Т Intercooler.  МТ. SS. 4,875.  Cooper ST 33/12.5 r15 Бодик 55-0. Electric Winch EWS12000lb. Правый руль.
			
						- 
				карел 10рус
 - Сообщения: 334
 - Зарегистрирован: 22 ноя 2012, 22:36
 - Двигатель:: дизель 4d56
 - Мой автомобиль(и):: митцубиси паджеро 2 Митцубиси паджеро спорт
 - Откуда: Карелия
 - Благодарил (а): 1 раз
 - Поблагодарили: 14 раз
 
Re: Троит 4д56 пока не прогреется
Спасибо kolchugin за руководство к действию.Сегодня пол дня провозился. Вот что проделал.
Выкрутил редукционный клапан ( секас ещё тот). Плунжер в клапане не закис. Разобрал пробил заглушку на место, собрал. Сейчас напишу глупость, но не пинайте сильно. В первый раз когда продавливал заглушку , я замерил штангелем на сколько она была утоплена. Так вот когда собирал клапан заглушку утопил на это растояние ( манометра нет ). Установил всё на место ,подачу подсоединил с бака а на обратку одел прозрачный шланг. Прокачал лягушкой ( с обратки при прокачке соляра шла с пузырями потом струя хорошая без воздуха) запустилась хорошо.Но заметил что на ХХ обратки нет вообще. Даже солярка с трубки обратки на холостом уходит постепенно в тнвд.
 Газу подкинешь струйка хилая со спичечную головку и с небольшими пузырьками ( видно в прозрачной трубке). Получается нет давления в корпусе из-за подсоса воздуха. Поменял все шайбы под трубкой, клапаном слива (на медные) протянул. Подачу и обратку в канистру ( что бы начать определять где подсос) завёл , пузыри не пропали. Если исключить трубку и клапан остаётся что подсасывает из сальника? Получается что давления внутри корпуса нет из-за подсоса  или всё таки подкачивающий в тнвд?  УОВ сделал пораньше двигатель стал резвее набирать обороты.Как работает этот клапан обратки? Зажигание вкл он открывается зажиг. выкл он закрыт ? Просто на снятом я дал на него 12 вольт он щёлкает.Но продувается хоть так хоть с 12 в. Пипец ему? Если не тяжело скинь ссылку на чертежи приспособ для регулировки.  
			
			
									
						Выкрутил редукционный клапан ( секас ещё тот). Плунжер в клапане не закис. Разобрал пробил заглушку на место, собрал. Сейчас напишу глупость, но не пинайте сильно. В первый раз когда продавливал заглушку , я замерил штангелем на сколько она была утоплена. Так вот когда собирал клапан заглушку утопил на это растояние ( манометра нет ). Установил всё на место ,подачу подсоединил с бака а на обратку одел прозрачный шланг. Прокачал лягушкой ( с обратки при прокачке соляра шла с пузырями потом струя хорошая без воздуха) запустилась хорошо.Но заметил что на ХХ обратки нет вообще. Даже солярка с трубки обратки на холостом уходит постепенно в тнвд.
- kolchugin
 - Сообщения: 947
 - Зарегистрирован: 13 мар 2008, 07:34
 - Двигатель:: 4D56T
 - Мой автомобиль(и):: Pajero II
 - Откуда: Кольчугино Владимирская обл. (33)
 - Благодарил (а): 2 раза
 - Поблагодарили: 47 раз
 
Re: Троит 4д56 пока не прогреется
карел 10рус Если есть подсос воздуха, то либо сальник, либо магистраль. 
Внутрикорпусной насос скорее всего рабочий, надо просто внутрикорпусное давление отстроить с помощью редукционника.
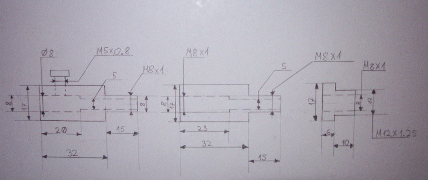
Приспособление для установки УОВ на чертеже.
			
							
			
									
						Внутрикорпусной насос скорее всего рабочий, надо просто внутрикорпусное давление отстроить с помощью редукционника.
Приспособление для установки УОВ на чертеже.
Pajero II 91 г.в. 5 дв. 4D56Т Intercooler.  МТ. SS. 4,875.  Cooper ST 33/12.5 r15 Бодик 55-0. Electric Winch EWS12000lb. Правый руль.
			
						- 
				карел 10рус
 - Сообщения: 334
 - Зарегистрирован: 22 ноя 2012, 22:36
 - Двигатель:: дизель 4d56
 - Мой автомобиль(и):: митцубиси паджеро 2 Митцубиси паджеро спорт
 - Откуда: Карелия
 - Благодарил (а): 1 раз
 - Поблагодарили: 14 раз
 
Re: Троит 4д56 пока не прогреется
Вот спасибо, за чертёжkolchugin писал(а):карел 10рус Если есть подсос воздуха, то либо сальник, либо магистраль.
Внутрикорпусной насос скорее всего рабочий, надо просто внутрикорпусное давление отстроить с помощью редукционника.
Приспособление для установки УОВ на чертеже.
