TRT - Вдоль р.Киржач. Для стандартных 4х4 (08.11.25) Форум Обсуждение FAQ
Родная блокировка
Модераторы: SNOOPER, Nbf, Romik, BAlex, drcham, алексей - Маленький Мук
- Жипер
- Сообщения: 22073
- Зарегистрирован: 02 дек 2005, 06:06
- Двигатель:: 4d56, 4m40, 5vz
- Мой автомобиль(и):: П2 - 3 штуки
- Откуда: Приморье
- Откуда: Владивосток
- Благодарил (а): 39 раз
- Поблагодарили: 498 раз
Родная блокировка
нет естественно.
кто б тогда маялся с прямым подключением к компрессору.
кто б тогда маялся с прямым подключением к компрессору.
Джипер , это утонченная творческая личность , а уж потом небритая пьяная сволочь.
ftsyuri1@mail.ru
8-908-44-69761. При звонке учитывайте разницу во времени. +7 часов к Москве
По запчастям стучитесь в воцап или телегу.
ftsyuri1@mail.ru
8-908-44-69761. При звонке учитывайте разницу во времени. +7 часов к Москве
По запчастям стучитесь в воцап или телегу.
-
- Сообщения: 35
- Зарегистрирован: 27 окт 2019, 09:42
- Двигатель:: 4M40
- Мой автомобиль(и):: Pajero II
- Откуда: Иркутск
Родная блокировка
Добрый день, подскажите: пытаюсь подключить пневму которой изначально на машине не было. Редуктор поставил, полуоси поставил (правда с сальниками геморрой какой то получился), кнопку поставил, шланг протянул, штекер для подключения компрессора нашел (под задним правым сиденьем, в лючке). А вот найти место где должен стоять контроллер не могу (читал что там же справа, куда то за перегородку уходит 10 пиновый разъем) помогите разобраться. Машина паджеро 2 96 год длинный V46 кузов. Фото прилагаю:
-
- Сообщения: 35
- Зарегистрирован: 27 окт 2019, 09:42
- Двигатель:: 4M40
- Мой автомобиль(и):: Pajero II
- Откуда: Иркутск
Родная блокировка
И еще вопрос: Какой блок блокировки покупать? в продаже море - только цифры на всех разные.
-
- Модератор
- Сообщения: 20278
- Зарегистрирован: 11 дек 2008, 16:10
- Откуда: москва м Академическая
- Благодарил (а): 101 раз
- Поблагодарили: 1322 раза
-
- Модератор
- Сообщения: 20278
- Зарегистрирован: 11 дек 2008, 16:10
- Откуда: москва м Академическая
- Благодарил (а): 101 раз
- Поблагодарили: 1322 раза
Родная блокировка
вся разбледовка в схемах есть, А подкапотка, В траннсмиссия, С торпеда, Е пол 

Всем добра.......
-
- Сообщения: 35
- Зарегистрирован: 27 окт 2019, 09:42
- Двигатель:: 4M40
- Мой автомобиль(и):: Pajero II
- Откуда: Иркутск
-
- Сообщения: 35
- Зарегистрирован: 27 окт 2019, 09:42
- Двигатель:: 4M40
- Мой автомобиль(и):: Pajero II
- Откуда: Иркутск
Родная блокировка
Подскажите: какой блок покупать. Там где покупал насос, кнопку, редуктор и прочее - не вариант.
- SNOOPER
- Модератор
- Сообщения: 56885
- Зарегистрирован: 11 дек 2004, 19:49
- Двигатель:: 4D56
- Мой автомобиль(и):: NewMPS
- Откуда: 78
- Откуда: Spb
- Благодарил (а): 1005 раз
- Поблагодарили: 4663 раза
Родная блокировка
Нашёл он.......
А вот теперь прикинь как будешь его до блока тянуть, "по инструкции". ))
-
- Сообщения: 35
- Зарегистрирован: 27 окт 2019, 09:42
- Двигатель:: 4M40
- Мой автомобиль(и):: Pajero II
- Откуда: Иркутск
Родная блокировка
Так, давай тупому расскажи что куда тянуть? Я за обшивку блок и поставлю и ниче никуда тянуть не буду. А в лючек засуну насос, там штекер есть. Я в чем то не прав ?
- dvm99
- Сообщения: 21711
- Зарегистрирован: 21 май 2012, 20:59
- Двигатель:: 6G72, 12клап.,
- Мой автомобиль(и):: Pajero2, Запорожец- Ланос
- Откуда: Свердловская обл.
- Благодарил (а): 705 раз
- Поблагодарили: 1026 раз
Родная блокировка
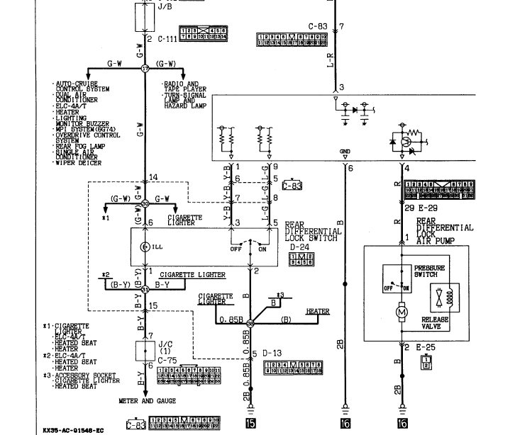
Саша, такое впечатление, что у него на самом деле разнесены компрессор и блок ))
Смотри, у его питание на компрессор идёт не напрямую, а через большой разъём Е-29.
Схема 94г...
Дмитрий
Боливар2 - П2, 92г., V43, 6G72(12V), V4AW2, RD/L, пруль (чистокровный японский рысак)
Боливар1 - П2, 93г., 6G72(12V), МКПП, V43, RD/L, Европа (славный был конь, но уже донор)
Боливар2 - П2, 92г., V43, 6G72(12V), V4AW2, RD/L, пруль (чистокровный японский рысак)
Боливар1 - П2, 93г., 6G72(12V), МКПП, V43, RD/L, Европа (славный был конь, но уже донор)
- SNOOPER
- Модератор
- Сообщения: 56885
- Зарегистрирован: 11 дек 2004, 19:49
- Двигатель:: 4D56
- Мой автомобиль(и):: NewMPS
- Откуда: 78
- Откуда: Spb
- Благодарил (а): 1005 раз
- Поблагодарили: 4663 раза
Родная блокировка
Чтоб точно убедится, нужно вызвонить красный провод, от разъёма насоса до разъёма блока.
Сравните так же провода в разъёме по цветам.

Сравните так же провода в разъёме по цветам.
-
- Сообщения: 115
- Зарегистрирован: 31 мар 2018, 14:44
- Двигатель:: 4m40 дизель
- Мой автомобиль(и):: паджеро2 96 год
- Откуда: Улан-Удэ
- Поблагодарили: 1 раз
Родная блокировка
Подскажите, если я побключу компрессор без блока, то при ВКЛ кнопки он будет работать постоянно, не страшно это для блокировки? И как будет происходить отключение- выкл кнопку компрессор перестал качать ,давление само скидывается или??? :
- Смайлик
- Сообщения: 10911
- Зарегистрирован: 25 янв 2007, 01:08
- Двигатель:: 3,5 MPI и 3,5 GDI
- Мой автомобиль(и):: паджеро II, паджеро III, пинин был
- Откуда: Тушино, теперь почти Истра заМКАДыш
- Откуда: Тушино, теперь почти Истра заМКАДыш
- Благодарил (а): 238 раз
- Поблагодарили: 625 раз
- Контактная информация:
Родная блокировка
В компрессоре уже всё предусмотренно.
Кнопка нужна на три положения без фиксации, т.е. нажал вверх-отпустил команда качать, нажал вниз-отпустил сброс давления. Вроде штатно так было.
Кнопка нужна на три положения без фиксации, т.е. нажал вверх-отпустил команда качать, нажал вниз-отпустил сброс давления. Вроде штатно так было.
8(9О3)156 ТРИ ВОСЭМ 65
Паджеро ll 3,5 3dor 37х14,5r15 был
Паджеро lll 3,5 GDI 3dor сильвер (для жены)чип ЁжикПых
Паджеро lll 3,5 GDI 3dor сильвер (для меня)чип ЁжикПых на пневме)))
МицуКольт грин "клоп" (для дочи) выросла до... П2 3,5 3dor 32х11,5r15 стандарт... пока)))
Паджеро ll 3,5 3dor 37х14,5r15 был
Паджеро lll 3,5 GDI 3dor сильвер (для жены)чип ЁжикПых
Паджеро lll 3,5 GDI 3dor сильвер (для меня)чип ЁжикПых на пневме)))
МицуКольт грин "клоп" (для дочи) выросла до... П2 3,5 3dor 32х11,5r15 стандарт... пока)))
-
- Модератор
- Сообщения: 20278
- Зарегистрирован: 11 дек 2008, 16:10
- Откуда: москва м Академическая
- Благодарил (а): 101 раз
- Поблагодарили: 1322 раза
Родная блокировка
Если бэз блока то кнопка нужна фиксируемая, нажал блока включился, в компрессоре стоят два клапана на давление и сброс, на них нужно постоянное питание, при достижении пр 05 он отключается при 02 включается снова. при его отсутствии компрессор вырубается. но нужно всегда об этом помнить, не ездить быстрей 40км. иначе кирдык зубьям в блоке. кнопку нужно запитать чтоб работала ток с межосевым и на пониженной. тоесть лезть в блок ПП и от туда брать минусовой сигнал на релюху. но лучше найди родной блок 

Всем добра.......
-
- Модератор
- Сообщения: 20278
- Зарегистрирован: 11 дек 2008, 16:10
- Откуда: москва м Академическая
- Благодарил (а): 101 раз
- Поблагодарили: 1322 раза
-
- Сообщения: 35
- Зарегистрирован: 27 окт 2019, 09:42
- Двигатель:: 4M40
- Мой автомобиль(и):: Pajero II
- Откуда: Иркутск
Родная блокировка
Друзья, поставил я блок, кнопку, компрессор, все подключились в штатную проводку. Только датчик на редукторе не подключил, он отломан, ну и ладно, лампочка на панеле мигает - информативно
. Компрессор работает, вовремя отключается, вроде все как надо. Но меня беспокоит вот что : задамкратил машину, без блокировки колеса крутятся в разные стороны - как и должно быть, а в заблокированном состоянии, на нейтралке они не крутятся, никуда. Опустил машину, заблокировал, вперед назад проехал немного, вроде едет, шумов нет. Я что то не понимаю? Разве не должны руками прокручиваться при блокировке ?

- lesnik5000
- Сообщения: 6400
- Зарегистрирован: 16 дек 2012, 00:56
- Двигатель:: 4D56U
- Мой автомобиль(и):: PAJERO SPORT обр. 2010г.
- Откуда: Архангельск
- Благодарил (а): 434 раза
- Поблагодарили: 406 раз