Замена цепи в раздатке Super Select
Модераторы: SNOOPER, Nbf, Romik, BAlex, drcham, алексей - Маленький Мук
- Jenek
- Сообщения: 3932
- Зарегистрирован: 26 янв 2009, 15:33
- Двигатель:: 4d56
- Мой автомобиль(и):: Pajero 2
- Откуда: Новомосковск
- Откуда: Новомосковск 71
- Благодарил (а): 30 раз
- Поблагодарили: 116 раз
- Контактная информация:
Re: Замена цепи в раздатке Super Select
Да грязи внутри прилично было. Цепь у меня еще не начала рваться, но я этого реально боялся. Моя на 4н трещала даже при малейшем нажатии на газ. В 4нlс треск был только при нагрузке и торможении с блокировкой колес. На поменянной ничего пока не щелкает, единственное какой то скрежет идет иногда, но предполагаю что это крестовина переднего кардана (она ели поворачивалась, шприцевание не помогло).
П-2 6G72 93г ушел на запчасти
П-2 [V24C ] 91г,бодик 6см, IROK 37/12.5 R15, кондей для подкачки, перед голда, зад тунгстен, понижайка 3:1
На Драйве
П-2 [V24C ] 91г,бодик 6см, IROK 37/12.5 R15, кондей для подкачки, перед голда, зад тунгстен, понижайка 3:1
На Драйве
-
Sasha333
- Сообщения: 75
- Зарегистрирован: 06 май 2008, 13:53
- Двигатель:: 4D56
- Мой автомобиль(и):: Pajero 1
- Откуда: Rzn
Re: Замена цепи в раздатке Super Select
Можно и не покупать новую цепь. Я свою расклепал и укоротил. Полет нормальный!
ПАДЖЕРО1
- Jenek
- Сообщения: 3932
- Зарегистрирован: 26 янв 2009, 15:33
- Двигатель:: 4d56
- Мой автомобиль(и):: Pajero 2
- Откуда: Новомосковск
- Откуда: Новомосковск 71
- Благодарил (а): 30 раз
- Поблагодарили: 116 раз
- Контактная информация:
Re: Замена цепи в раздатке Super Select
А поподробней плиз, а то своя растянутая лежит может восстановлю. Тем более многие спрашивают и так толком еще никто и не сделал.
П-2 6G72 93г ушел на запчасти
П-2 [V24C ] 91г,бодик 6см, IROK 37/12.5 R15, кондей для подкачки, перед голда, зад тунгстен, понижайка 3:1
На Драйве
П-2 [V24C ] 91г,бодик 6см, IROK 37/12.5 R15, кондей для подкачки, перед голда, зад тунгстен, понижайка 3:1
На Драйве
-
Sasha333
- Сообщения: 75
- Зарегистрирован: 06 май 2008, 13:53
- Двигатель:: 4D56
- Мой автомобиль(и):: Pajero 1
- Откуда: Rzn
Re: Замена цепи в раздатке Super Select
Как и любую другую. Только там у кого как. Я сначала свою на целое звено укоротил и не смог натянуть, потом на пол звена нормально
стало.
стало.
ПАДЖЕРО1
- AntonR
- Сообщения: 717
- Зарегистрирован: 28 июл 2008, 09:38
- Откуда: N.Novgorod
- Благодарил (а): 23 раза
- Поблагодарили: 9 раз
Re: Замена цепи в раздатке Super Select
О! А на пол звена это как?
Что?! Шесть подушек безопасности?! Полно вам. "всякий, кто призовет имя Господне, спасется"
Вольво-740 2,4 Дизель - продан
P-2, 92 г., 4D56, МКПП, 5-ти дверка, Cooper M-T 265/75/R15
Вольво-740 2,4 Дизель - продан
P-2, 92 г., 4D56, МКПП, 5-ти дверка, Cooper M-T 265/75/R15
Re: Замена цепи в раздатке Super Select
Sasha333
А можно подробно описать, как производилось укорачивание цепи?
А можно подробно описать, как производилось укорачивание цепи?
Nissan Xterra, 2002 г, VG33ER, 3.3 литра, V6, 4 wd, серебристый металлик, Maxxis AT-771 Bravo 265\65\17,
Mitsubishi Montero Sport, 2001 г, 6G72, LS, 3 литра, V6, АКПП, 4 wd, черный металлик, Bridgestone Dueller A/T 275\70\16, Продан
Mitsubishi Montero Sport, 2001 г, 6G72, LS, 3 литра, V6, АКПП, 4 wd, черный металлик, Bridgestone Dueller A/T 275\70\16, Продан
- НЕЗНАЙКА
- Сообщения: 140
- Зарегистрирован: 23 апр 2008, 09:31
- Двигатель:: 4D56
- Мой автомобиль(и):: PAJERO 2
- Откуда: Уфа
- Контактная информация:
Re: Замена цепи в раздатке Super Select
Товарищи подскажите можно ли заменить раздатку ПАРТ-ТАЙМ на раздатку СУПЕР-СЕЛЕКТ????они взаимозаменяймы?нужно ли менять карданы?какие у них отличия???одинаковы ли у них цепи???какие нюансы???подскажите пожалуйста!!!заранее благодарен!!!
P2 93г.в. 4D56Т - араб - продан
Re: Замена цепи в раздатке Super Select
Слышал мнение ,что не стоит укорачивать цепь ,Vikan писал(а):Sasha333
А можно подробно описать, как производилось укорачивание цепи?
Я Тоже ПОПАЛ на ремонт раздатки , мотор 4G54 Араб 88года где по срочному купить ЦЕПЬ .
можете позвонить 8-903-901-71-99 Новосибирск .
Вот ещё что ! поставить хотели раздатку с разбора , воткнули и засада ! выход на задний кардан по шлицам не попадает , у меня на валу 24 шлица , а с разбора на волу 26 шлицов , поеду завтра снимать и искать новую цепь ! полюбому укорачивать не буду !!!!!
- Кабельщик
- Сообщения: 192
- Зарегистрирован: 08 дек 2009, 15:15
- Двигатель:: 4D56
- Мой автомобиль(и):: Mitsubishi Pajero Sport
- Откуда: Москва-Талдом-Ермолино
- Откуда: СВАО и за МКАД
Re: Замена цепи в раздатке Super Select
Тема вроде не закрыта?Есть вопрос?Может кто знает где подешевше цепь купить?Планирую к весне тоже поменять,все симптомы похожие,сначало грешил на крестовину,
аннет,она родимая
В экзисте почти 15тыр...Аху....... :smt100
аннет,она родимая
В экзисте почти 15тыр...Аху....... :smt100
МПС 2008, 4D56 116 л.с. Б.Ф, A/T, webasto, Megajet 600 turbo.
Продан ;(( Теперь пузотерка.
Продан ;(( Теперь пузотерка.
- Jenek
- Сообщения: 3932
- Зарегистрирован: 26 янв 2009, 15:33
- Двигатель:: 4d56
- Мой автомобиль(и):: Pajero 2
- Откуда: Новомосковск
- Откуда: Новомосковск 71
- Благодарил (а): 30 раз
- Поблагодарили: 116 раз
- Контактная информация:
Re: Замена цепи в раздатке Super Select
Я брал б/у раздатку и переставлял цепь, но можно попасть на такую же растянутую.
П-2 6G72 93г ушел на запчасти
П-2 [V24C ] 91г,бодик 6см, IROK 37/12.5 R15, кондей для подкачки, перед голда, зад тунгстен, понижайка 3:1
На Драйве
П-2 [V24C ] 91г,бодик 6см, IROK 37/12.5 R15, кондей для подкачки, перед голда, зад тунгстен, понижайка 3:1
На Драйве
- Кабельщик
- Сообщения: 192
- Зарегистрирован: 08 дек 2009, 15:15
- Двигатель:: 4D56
- Мой автомобиль(и):: Mitsubishi Pajero Sport
- Откуда: Москва-Талдом-Ермолино
- Откуда: СВАО и за МКАД
Re: Замена цепи в раздатке Super Select
Вот, в том-то и дело!!!Jenek писал(а):Я брал б/у раздатку и переставлял цепь, но можно попасть на такую же растянутую.
МПС 2008, 4D56 116 л.с. Б.Ф, A/T, webasto, Megajet 600 turbo.
Продан ;(( Теперь пузотерка.
Продан ;(( Теперь пузотерка.
Re: Замена цепи в раздатке Super Select
подскажите сколько зубьев на звездочках в раздатке по которым ходит цепь мотор 6g72
- Jenek
- Сообщения: 3932
- Зарегистрирован: 26 янв 2009, 15:33
- Двигатель:: 4d56
- Мой автомобиль(и):: Pajero 2
- Откуда: Новомосковск
- Откуда: Новомосковск 71
- Благодарил (а): 30 раз
- Поблагодарили: 116 раз
- Контактная информация:
Re: Замена цепи в раздатке Super Select
Считай:vile9 писал(а):подскажите сколько зубьев на звездочках в раздатке по которым ходит цепь мотор 6g72
П-2 6G72 93г ушел на запчасти
П-2 [V24C ] 91г,бодик 6см, IROK 37/12.5 R15, кондей для подкачки, перед голда, зад тунгстен, понижайка 3:1
На Драйве
П-2 [V24C ] 91г,бодик 6см, IROK 37/12.5 R15, кондей для подкачки, перед голда, зад тунгстен, понижайка 3:1
На Драйве
-
Кабан секач
- Сообщения: 104
- Зарегистрирован: 11 фев 2010, 10:31
- Двигатель:: 4D56
- Мой автомобиль(и):: P2 91г
- Откуда: Воронеж
Re: Замена цепи в раздатке Super Select
подскажите, вчём дело при резком нажатии на педаль акселератора слышиться треск 1-2 сек тахометр до2х тыщ машина ток тогда начинает ехать, когда плавно то всё нормально, езжу на заднем приводе. Цепь, коробка, или что???
Pajero II, 2.5td 4d56, 91г, super select 4wd, LSD, 5.2 пары, АКПП, Японец, CB 27 Mhz, боди лифт 5 см.
- Jenek
- Сообщения: 3932
- Зарегистрирован: 26 янв 2009, 15:33
- Двигатель:: 4d56
- Мой автомобиль(и):: Pajero 2
- Откуда: Новомосковск
- Откуда: Новомосковск 71
- Благодарил (а): 30 раз
- Поблагодарили: 116 раз
- Контактная информация:
Re: Замена цепи в раздатке Super Select
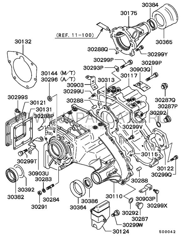
Кто знает кто из них кто? 30382 и 30392, экзист пишет что оба сальники. Просто собирался датчики подключить как надо и сальник штока КПП поменять ну и этот за одно. Там он один или еще кольцо какое, что заказывать?
П-2 6G72 93г ушел на запчасти
П-2 [V24C ] 91г,бодик 6см, IROK 37/12.5 R15, кондей для подкачки, перед голда, зад тунгстен, понижайка 3:1
На Драйве
П-2 [V24C ] 91г,бодик 6см, IROK 37/12.5 R15, кондей для подкачки, перед голда, зад тунгстен, понижайка 3:1
На Драйве
- ruber
- Сообщения: 1903
- Зарегистрирован: 18 июл 2006, 15:33
- Двигатель:: 4D57T (2600сс)
- Мой автомобиль(и):: PII V24W
- Откуда: Ижевск
- Откуда: Ижевск
- Благодарил (а): 1 раз
- Поблагодарили: 12 раз
Re: Замена цепи в раздатке Super Select
30382 -- сальник
30392 -- маслоотражающее кольцо
30392 -- маслоотражающее кольцо
MMC PAJERO II '93 3DR 4D57T (2600сс) A/T (А343) Solid Axle 5.285
2 DiffLock, 2 х ComeUp DS 9.5, Interco TSL 16/38.5-15 на дисках с двусторонним бэдлоком
GPSmap 276C + 2Gb, MegaJet 3031M + Lemm 2001 Turbo, Yaesu VX-6R, Yaesu FT-7900R + OPEK VU-1503
2 DiffLock, 2 х ComeUp DS 9.5, Interco TSL 16/38.5-15 на дисках с двусторонним бэдлоком
GPSmap 276C + 2Gb, MegaJet 3031M + Lemm 2001 Turbo, Yaesu VX-6R, Yaesu FT-7900R + OPEK VU-1503
- Jenek
- Сообщения: 3932
- Зарегистрирован: 26 янв 2009, 15:33
- Двигатель:: 4d56
- Мой автомобиль(и):: Pajero 2
- Откуда: Новомосковск
- Откуда: Новомосковск 71
- Благодарил (а): 30 раз
- Поблагодарили: 116 раз
- Контактная информация:
Re: Замена цепи в раздатке Super Select
менять оба? или кольцо старое можно
П-2 6G72 93г ушел на запчасти
П-2 [V24C ] 91г,бодик 6см, IROK 37/12.5 R15, кондей для подкачки, перед голда, зад тунгстен, понижайка 3:1
На Драйве
П-2 [V24C ] 91г,бодик 6см, IROK 37/12.5 R15, кондей для подкачки, перед голда, зад тунгстен, понижайка 3:1
На Драйве
-
Кабан секач
- Сообщения: 104
- Зарегистрирован: 11 фев 2010, 10:31
- Двигатель:: 4D56
- Мой автомобиль(и):: P2 91г
- Откуда: Воронеж
Re: Замена цепи в раздатке Super Select
ну что, не кто не подскажет?
Pajero II, 2.5td 4d56, 91г, super select 4wd, LSD, 5.2 пары, АКПП, Японец, CB 27 Mhz, боди лифт 5 см.
Re: Замена цепи в раздатке Super Select
тут человек писал про укорачивание цепи я тоже попробовал на одно звено укорачивается элементарно и получается не отличить от родной но ее не натянуть а при укорачивании на пол звена получается перекос и скорее всего ее разорвет так как в месте стыка боковые пластины стоят со смещением как раз на одну пластинку
- ruber
- Сообщения: 1903
- Зарегистрирован: 18 июл 2006, 15:33
- Двигатель:: 4D57T (2600сс)
- Мой автомобиль(и):: PII V24W
- Откуда: Ижевск
- Откуда: Ижевск
- Благодарил (а): 1 раз
- Поблагодарили: 12 раз
Re: Замена цепи в раздатке Super Select
если получится достать сальник не замяв кольца то можно использовать староеJenek писал(а):менять оба? или кольцо старое можно
MMC PAJERO II '93 3DR 4D57T (2600сс) A/T (А343) Solid Axle 5.285
2 DiffLock, 2 х ComeUp DS 9.5, Interco TSL 16/38.5-15 на дисках с двусторонним бэдлоком
GPSmap 276C + 2Gb, MegaJet 3031M + Lemm 2001 Turbo, Yaesu VX-6R, Yaesu FT-7900R + OPEK VU-1503
2 DiffLock, 2 х ComeUp DS 9.5, Interco TSL 16/38.5-15 на дисках с двусторонним бэдлоком
GPSmap 276C + 2Gb, MegaJet 3031M + Lemm 2001 Turbo, Yaesu VX-6R, Yaesu FT-7900R + OPEK VU-1503
