Чуш полная ....именно между свинцовым кольцом которое на тросике и оплеткой ....там где резиновый чехол одевается..Но повторюсь у меня 4М40..SLEPOI писал(а): по мануалу надо выставлять относительно резинового чехла,который на конец оплетки надевается
TRT - Вдоль р.Киржач. Для стандартных 4х4 (08.11.25) Форум Обсуждение FAQ
	TPS зараза
Модераторы: SNOOPER, Nbf, Romik, BAlex, drcham, алексей - Маленький Мук
- Delika379
 - Сообщения: 1579
 - Зарегистрирован: 17 сен 2008, 21:33
 - Двигатель:: D4 2,4TD
 - Мой автомобиль(и):: Volvo xc70
 - Откуда: Москва - Куркино
 - Откуда: Москва-Куркино
 - Благодарил (а): 6 раз
 - Поблагодарили: 45 раз
 - Контактная информация:
 
Re: TPS зараза
PAJERO IV 3.0 2008г.в АРАБ. Продан.
Евгений
			
						Евгений
- SLEPOI
 - Сообщения: 585
 - Зарегистрирован: 29 июл 2009, 18:47
 - Двигатель:: D4BH
 - Мой автомобиль(и):: Starex -01 4x4 акпп
 - Откуда: Хотьково
 - Откуда: М.О. Хотьково
 - Благодарил (а): 2 раза
 - Поблагодарили: 1 раз
 - Контактная информация:
 
Re: TPS зараза
это на дизелях может и чушь,а на зажигалках именно так и естьDelika379 писал(а): Чуш полная ....
Нааароооод!ответьте кто-нибудь,если тросик при регулировке по мануалу немного натягивается-это нормально или нет
Бывший Тойото-Мицубисе-Хюндаевоз )))))))))))        8-903-190-80-58 Борис
MPS 3.0 2004г.в.--> Продан
Pajero II 3 дв, 2.5 1993 г.в. МКПП SS, MJ 600 turbo, EW12000 -->продана
Pajero II 5 дв,3.0 1993 г.в. АКПП,SS, MJ 600 turbo --> продана
			
						MPS 3.0 2004г.в.--> Продан
Pajero II 3 дв, 2.5 1993 г.в. МКПП SS, MJ 600 turbo, EW12000 -->продана
Pajero II 5 дв,3.0 1993 г.в. АКПП,SS, MJ 600 turbo --> продана
- 
				WillForce
 - Сообщения: 14
 - Зарегистрирован: 05 окт 2009, 12:49
 - Двигатель:: 6G72 12 кл.
 - Мой автомобиль(и):: Pajero II, 5 дверей
 - Откуда: Kazakhstan, Almaty
 
Re: TPS зараза
Ну что, так никто и не решил эту траблу?
			
			
									
						Сейчас: П2. 6G72 12 кл. 5 дверей. 1994 г.
Было:
MMC Challenger 3.0
Pajero 2.8 1996 коротыш
			
						Было:
MMC Challenger 3.0
Pajero 2.8 1996 коротыш
- ZILLA
 - Сообщения: 7553
 - Зарегистрирован: 22 май 2007, 16:31
 - Двигатель:: 0,75
 - Мой автомобиль(и):: Hooooondaaaaa
 - Откуда: течет нефть?
 - Откуда: 101 км от Москвы
 - Благодарил (а): 1 раз
 - Поблагодарили: 282 раза
 
Re: TPS зараза
По мануалу торс получается и не провисает но и не натянут. Главное выставить зазор между оплёткой и бобышкой на тросе. Но для разных коробок и моторов это делается по разному. Если трос получается натянут, а бобышка упирается в оплётку - значит тросик уже того. Инспектировать оплётку на предмет повреждений и болтаний в крепежах.
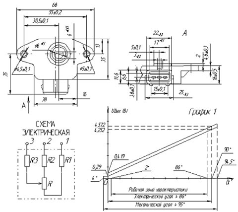
Для чего нужен ДПДЗ. Он нужен только для коробок AW3. Т.к. эбу акпп берёт с него показания и регулировка дпдз влияет на работу акпп ка ки трос. Для AW2 - ДПДЗ нафик не нужен, т.к. коробка гидромеханика и её работа целиком зависит от гидроблока акпп и троса управления.
SLEPOI, не правильно регулируйте трос. Регулируйте зазор между бобышкой и оплёткой, а не пыльником. Если у вас там больше 1 мм - то это перетяжка троса и как следствие - затягивание переключений.
ЗЫ: Пора обновлять фак по акпп на тему ТПС и тросиков.
			
			
									
						Для чего нужен ДПДЗ. Он нужен только для коробок AW3. Т.к. эбу акпп берёт с него показания и регулировка дпдз влияет на работу акпп ка ки трос. Для AW2 - ДПДЗ нафик не нужен, т.к. коробка гидромеханика и её работа целиком зависит от гидроблока акпп и троса управления.
SLEPOI, не правильно регулируйте трос. Регулируйте зазор между бобышкой и оплёткой, а не пыльником. Если у вас там больше 1 мм - то это перетяжка троса и как следствие - затягивание переключений.
ЗЫ: Пора обновлять фак по акпп на тему ТПС и тросиков.
Восстановление неисправных акпп Mitsubishi, Hyundai, Toyota, Mersedes и т.п. Диагностика и обслуживание всех видов акпп, вариаторов и роботов.
+79О3 6З561О5, ватсап +791О 6О8О191
			
						+79О3 6З561О5, ватсап +791О 6О8О191
- 
				marik
 - Сообщения: 121
 - Зарегистрирован: 19 янв 2009, 19:10
 - Откуда: Волгоградская область
 - Поблагодарили: 4 раза
 
Re: TPS зараза
Что зараза так это точно, три года у меня авто и три года я с ней 
 . Делал из переменного резистора получалось нормально, но небыло кикдауна и хватило ее не  на долго. Подвернулась TPS от эфишного движка, ну думаю будет мне теперь счастье, не тут то было. Немного переделал привод, перепаял провода на под родной  разъем, все отрегулировал по инструкции и напряжение и длинну троса. Все переключается, но блокировка ГТ наступает лишь при 75 км/ч, при 65 блокируется если очень осторожно газовать. И заблокированным он остается лишь когда идет набор скорости, если включаешь круизконтроль или просто движешься с постоянной скоростью обороты  двигателя начинают плавать, правда немного обототов на 200-250, и чувствуется, что ГТ разблокируется и блокируерся каждые 5 сек. Прибавляешь газу блокируется и нормально набирает обороты и разгоняется, едешь с постоянной скоростью или катишся в накат   все повторяется опять, причем от скорости это не зависит, хоть  65км/ч хоть 130. Какаие есть мысли по этому поводу?  А может так и должно быть. 
			
			
									
						Чем круче джип, тем дальше за трактором бежать. P2 1996г. 2,8d, 5 дв. европеец.
			
						- 
				marik
 - Сообщения: 121
 - Зарегистрирован: 19 янв 2009, 19:10
 - Откуда: Волгоградская область
 - Поблагодарили: 4 раза
 
Re: TPS зараза
Вчера еще заметил, при подключенном переднем мосте обороты не гуляют, ГТ блокируется и нормально едет разблокируется лишь при движении накатом. Какая связь между накатом и блокировкой ГТ?
			
			
									
						Чем круче джип, тем дальше за трактором бежать. P2 1996г. 2,8d, 5 дв. европеец.
			
						- atas80
 - Сообщения: 2880
 - Зарегистрирован: 21 янв 2009, 19:38
 - Двигатель:: 4M40
 - Мой автомобиль(и):: Pajero 2 46 ATF
 - Откуда: Киров
 - Откуда: Kirov [43]
 - Благодарил (а): 7 раз
 - Поблагодарили: 72 раза
 
Re: TPS зараза
Связь очевидная, когда ты едешь с заблокированным ГТ при скорости выше 65 км/ч у тебя прямое соединение АКПП с двигателем тех оборотов достаточно чтобы эту связь и динамику обеспечить, как только ногу с газа убираешь блокировка опять перестает быть и связь работает уже ДВС - Блок - АКПП, так как оборотов на накате не хватит чтобы ее обеспечивать.
			
			
									
						Mitsubishi PAJERO-II | 1995 | 4M40 | V46W | АКПП | GLS
Я горд за РОССИЙСКУЮ ИМПЕРИЮ - мы можем управлять "белым домом" и сажать своих людей в "овальный кабинет" !!!
			
						Я горд за РОССИЙСКУЮ ИМПЕРИЮ - мы можем управлять "белым домом" и сажать своих людей в "овальный кабинет" !!!
- Joni
 - Сообщения: 321
 - Зарегистрирован: 26 авг 2004, 17:19
 - Откуда: Алматы,Казахстан
 - Благодарил (а): 1 раз
 
Re: TPS зараза
Хочу  вмещаться в разгоавор, вот у меня коробка тоже постоянно затягивает переключение со 2 на 3 что  только не делал ТПС 4 по счету выстовленна по номиналу напряжения трос отрегулирован, комп стоит с другой рабочей машины, а один черт затягивает  
 .Так вот прикол просто я ему до сих пор объяснение найти не могу, масло в движке поменял и все стало работать как часики, а вот эти 6 тыс км которые ездил на таком же масле той-же марки затягивало, почему после смены перестало просто нет вариантов , барабашка какая-то завилать в АКПП , ужо врыв мозгов был несколько раз  , и глаз правый дергается......подскажете что-нить уважаемые гуру , есть мысли какие-нить?
			
			
									
						PAJERO2.1995г.4м40,ТНВДмех.АКПП.LSD
			
						- 
				marik
 - Сообщения: 121
 - Зарегистрирован: 19 янв 2009, 19:10
 - Откуда: Волгоградская область
 - Поблагодарили: 4 раза
 
Re: TPS зараза
Еду я как то пару дней назад, вдруг заморгала тампа АТ полез под капот стал шевелить провода идущие к разъему TPS двигатель при этом не глушил, лампочка то тухла, то загоралась, сопля подумал я и соединил провода напрямую, тупо отрезал и скрутил. Блокировка ГТ стала включаться и не отключаться как до этого. Вчера дома в гараже решил сделать новый разъем снял TPS а из нее один проводок вывылился попытался ее препарировать но неудачно, больной умер от вскрытия. TPS не жалко она и так бала пару раз восстановленная, жалко было денег на новую, по всем каталогам от 6т.р. 
Два часа в интернете по поиску вариантов замены, двадцать минут поход в магазин запчастей ВАЗ, два часа неспешной работы в гараже, 210 руб затрат на запчасти. И вот оно счастье, коробка работает как часы, все переключения как по маслу, блокировка ГТ при 65 км/ч. Машину просто не узнать разгоняется как самолет. Один недостаток кикдаун от резкого нажатия педали газа не работает, до этого реагировал на каждое шевеление педалью вплоть до 100км/час. Но не зря япошки кнопку кикдауна еще и на рычаг АКПП приделали если надо резко ускорится жму на нее.
Вместо дорогущей TPS поставил датчик положения дроссельной заслонки от инжекторных жигулей ДПДЗ 2112-1148200 цена 150 р.и родной разъем к нему 60 р.
Все стало почти как родное.Если кому интересно как делал опишу подробно. В интернете отрыл схемку, если ее добавить к новой TPS то можно добиться и кикдауна.Но я не электронщик и самому ее делать как-то не с руки.
Думаю, что можно смело сказать , что проблема TPS для механических тнвд РЕШЕНА !
			
			
									
						Два часа в интернете по поиску вариантов замены, двадцать минут поход в магазин запчастей ВАЗ, два часа неспешной работы в гараже, 210 руб затрат на запчасти. И вот оно счастье, коробка работает как часы, все переключения как по маслу, блокировка ГТ при 65 км/ч. Машину просто не узнать разгоняется как самолет. Один недостаток кикдаун от резкого нажатия педали газа не работает, до этого реагировал на каждое шевеление педалью вплоть до 100км/час. Но не зря япошки кнопку кикдауна еще и на рычаг АКПП приделали если надо резко ускорится жму на нее.
Вместо дорогущей TPS поставил датчик положения дроссельной заслонки от инжекторных жигулей ДПДЗ 2112-1148200 цена 150 р.и родной разъем к нему 60 р.
Все стало почти как родное.Если кому интересно как делал опишу подробно. В интернете отрыл схемку, если ее добавить к новой TPS то можно добиться и кикдауна.Но я не электронщик и самому ее делать как-то не с руки.
Думаю, что можно смело сказать , что проблема TPS для механических тнвд РЕШЕНА !
Чем круче джип, тем дальше за трактором бежать. P2 1996г. 2,8d, 5 дв. европеец.
			
						Re: TPS зараза
marik 
  конечно напиши как примастрячил, и фотку неплохо бы было ,здесь кто то уже делал но давно .Мне три раза отказ приходил из эмиратов 
 ,
забил на тпс катаюсь без неё
 .
			
			
									
						забил на тпс катаюсь без неё
Pajero 2 4м40 1995 акпп ss японец.V46WG SUPER EXCEED Бодик 4см  Cooper Discoverer LT 33x12,5x15  ,грелка бинар-5 Санкт-Петербург
8 952 281 05 68 охранная система Амстафф и злой сиамский кот
Я на Drive2
			
						8 952 281 05 68 охранная система Амстафф и злой сиамский кот
Я на Drive2
- ZILLA
 - Сообщения: 7553
 - Зарегистрирован: 22 май 2007, 16:31
 - Двигатель:: 0,75
 - Мой автомобиль(и):: Hooooondaaaaa
 - Откуда: течет нефть?
 - Откуда: 101 км от Москвы
 - Благодарил (а): 1 раз
 - Поблагодарили: 282 раза
 
Re: TPS зараза
На бензинку такой дпдз не приладить.
			
			
									
						Восстановление неисправных акпп Mitsubishi, Hyundai, Toyota, Mersedes и т.п. Диагностика и обслуживание всех видов акпп, вариаторов и роботов.
+79О3 6З561О5, ватсап +791О 6О8О191
			
						+79О3 6З561О5, ватсап +791О 6О8О191
- 
				marik
 - Сообщения: 121
 - Зарегистрирован: 19 янв 2009, 19:10
 - Откуда: Волгоградская область
 - Поблагодарили: 4 раза
 
Re: TPS зараза
Что поналобиться для установки ДПДЗ вместо ТПС:
1. ДПДЗ вот такой- 2. Разъем к этому ДПДЗ , продается в автомагазине.
3. Гайка М6 высотой 20мм., видел на строительных рынках.
4.Стандартная кайка М6.
5.Болт М6 длинной 25-30мм.
6.Два винта М4 длинной 10мм. с шайбами диаметром 10 мм.
7. Две металлические или пластиковые втулочки с отверстием 4мм диаметром 7-8мм. высотой 5-6мм.
Как сделать:
1.Снимаем с двигателя интеркуллер, сливаем 1-1,5 литра тосола, отсоединяем провода от датчиков температуры и свечей накала, снимаем верхний резиновый патрубок с радиатора и аллюминиевый с головки (тот, что сдатчиками температуры).
2.Снимаем с ТНВД кронштейн крепления ТПС.Отверстие в кронштейне (куда входит ТПС) обрабатываем напильником так, чтобы ДПДЗ входило в него свободно и не болталось увеличиваем приблизительно на 0,5мм.
3. Осторожно срезаем ножовкой с ДПДЗ ушки крепления и прилив между ними на котором отлиты буквы и чифры, зачищаем напильником.вот так 4. У приготовленного болта М6 обтачиваем головку до такого размера, чтобы она входтра в шлиц ДПДЗ и не болталась. Должна получиться буква Т.
5.Осторожно отвопачиваем кайку крепления рычага регулятора ТНВД и вместо нее прикручиваем приготовленную гайку М6*20.Затягиваем сильно.
6.На обточенный болт наворачиваем гайку М6 примерно до половины и вкручиваем его в высокую гайку, которой прикрутили рычаг управления ТНВД.
Головку болта (ту которая получилась после обточки) располагаем перпендикулярно оси двигателя.Затягиваем контрагайку.
7,Устанавливаем на место кронштейн крепления ТПС.
8.Устанавливаем на место ТПС подготовленный ДПДЗ. ВАЖНО! Направление вращения вазовского ДПДЗ противоположно направлению вращения ТПС, внутри ДПДЗ установлнленна возвратная пружина, при установке ДПДЗ на ТНВД нужно повернув ДПДЗ по часовой стрелке относительно оси регулятора ТНВД ввести его в зацепление с обточенной головкой болта, прижать ДПДЗ к кронштейну крепления ТПС и закрепить ДПДЗ на кронштейне винтами М4 с большими шайбами и втулками проставками. Винты сразу не зажимать (будем регулировать). Возвратная пружина рычага управления ТНВД намного жестче пружины внутри ДПДЗ и вполне компенсирует ее усилие.
9.Теперь перепаиваем разъем с проводами, вот распиновка разъема ДПДЗ
Так как направление вращения обратно родному +и- разъема меняем местами.
10.Ставим на место разъем подключаем к выводу С тестер, включаем зажигание и поворотом ДПДЗ против часовой стрелки выставляем нужное минимальное напряжение я поставил 1,3В. Поворотом рычага управления ТНВД проверяем изменение показаний прибора и легкость возврата РУ. Если где то заедает регулируем высотой болта переходника. Затягиваем винты крепления ДПДЗ. Собираем все на место , доливаем тосол. И в путь.
Фотки того как у меня это выглядит сделаю на выходных и добавлю сюда.
По поводу установки на бензинку не знаю не видел как она там стоит , но если ТПС трехконтактная то сделать можно.Еще может быть туда подойдет ДПДЗ от волги есть даже программируемый вариант т.е напряжение на выходе в зависимости от угла поворота можно запрогамировать компом, надо смотреть по месту.
			
			
									
						1. ДПДЗ вот такой- 2. Разъем к этому ДПДЗ , продается в автомагазине.
3. Гайка М6 высотой 20мм., видел на строительных рынках.
4.Стандартная кайка М6.
5.Болт М6 длинной 25-30мм.
6.Два винта М4 длинной 10мм. с шайбами диаметром 10 мм.
7. Две металлические или пластиковые втулочки с отверстием 4мм диаметром 7-8мм. высотой 5-6мм.
Как сделать:
1.Снимаем с двигателя интеркуллер, сливаем 1-1,5 литра тосола, отсоединяем провода от датчиков температуры и свечей накала, снимаем верхний резиновый патрубок с радиатора и аллюминиевый с головки (тот, что сдатчиками температуры).
2.Снимаем с ТНВД кронштейн крепления ТПС.Отверстие в кронштейне (куда входит ТПС) обрабатываем напильником так, чтобы ДПДЗ входило в него свободно и не болталось увеличиваем приблизительно на 0,5мм.
3. Осторожно срезаем ножовкой с ДПДЗ ушки крепления и прилив между ними на котором отлиты буквы и чифры, зачищаем напильником.вот так 4. У приготовленного болта М6 обтачиваем головку до такого размера, чтобы она входтра в шлиц ДПДЗ и не болталась. Должна получиться буква Т.
5.Осторожно отвопачиваем кайку крепления рычага регулятора ТНВД и вместо нее прикручиваем приготовленную гайку М6*20.Затягиваем сильно.
6.На обточенный болт наворачиваем гайку М6 примерно до половины и вкручиваем его в высокую гайку, которой прикрутили рычаг управления ТНВД.
Головку болта (ту которая получилась после обточки) располагаем перпендикулярно оси двигателя.Затягиваем контрагайку.
7,Устанавливаем на место кронштейн крепления ТПС.
8.Устанавливаем на место ТПС подготовленный ДПДЗ. ВАЖНО! Направление вращения вазовского ДПДЗ противоположно направлению вращения ТПС, внутри ДПДЗ установлнленна возвратная пружина, при установке ДПДЗ на ТНВД нужно повернув ДПДЗ по часовой стрелке относительно оси регулятора ТНВД ввести его в зацепление с обточенной головкой болта, прижать ДПДЗ к кронштейну крепления ТПС и закрепить ДПДЗ на кронштейне винтами М4 с большими шайбами и втулками проставками. Винты сразу не зажимать (будем регулировать). Возвратная пружина рычага управления ТНВД намного жестче пружины внутри ДПДЗ и вполне компенсирует ее усилие.
9.Теперь перепаиваем разъем с проводами, вот распиновка разъема ДПДЗ
Так как направление вращения обратно родному +и- разъема меняем местами.
10.Ставим на место разъем подключаем к выводу С тестер, включаем зажигание и поворотом ДПДЗ против часовой стрелки выставляем нужное минимальное напряжение я поставил 1,3В. Поворотом рычага управления ТНВД проверяем изменение показаний прибора и легкость возврата РУ. Если где то заедает регулируем высотой болта переходника. Затягиваем винты крепления ДПДЗ. Собираем все на место , доливаем тосол. И в путь.
Фотки того как у меня это выглядит сделаю на выходных и добавлю сюда.
По поводу установки на бензинку не знаю не видел как она там стоит , но если ТПС трехконтактная то сделать можно.Еще может быть туда подойдет ДПДЗ от волги есть даже программируемый вариант т.е напряжение на выходе в зависимости от угла поворота можно запрогамировать компом, надо смотреть по месту.
Чем круче джип, тем дальше за трактором бежать. P2 1996г. 2,8d, 5 дв. европеец.
			
						- stasyan_ukg
 - Сообщения: 17
 - Зарегистрирован: 24 дек 2010, 12:35
 - Двигатель:: 4M40
 - Мой автомобиль(и):: Pajero
 - Откуда: Новосибирск
 - Откуда: Новосибирск
 - Контактная информация:
 
Re: TPS зараза
Ну уж название поста таково, то напишу сюда.  У меня были симптомы указываеющие на TPS (пока не отпустишьгаз, не переключается). Для пущей уверенности поехал к товарищу, который занимается тестированием электронных систем автомобиля сканером. Беспристрастный Launch выдал одну единственную ошибку №11 - Датчик (концевой выключатель) положения дросселя.хочу разобрать и починить Тпску, но только одно смущает. Смущает словосочетание "концевой выключатель". Как раз у меня провод от концевого выключателя болтается не подключенный. Может дело в нём? Куда он вообще подрубается? Букварь от Легион -Дата не помагает найти ответ. Для пущей наглядности пойду сфоткаю сейчас концевик.
			
			
									
						- Saylas
 - Сообщения: 328
 - Зарегистрирован: 20 авг 2010, 16:27
 - Двигатель:: 4M40
 - Мой автомобиль(и):: Pajero 2.8 TDI/АКПП-V4AW3/5d/1995/GLS
 - Поблагодарили: 1 раз
 
Re: TPS зараза
у меня симптом такой. просто дёргает на переключении скоростей на АКПП. 
сказали проверить ДПДЗ и трос . Вот думаю как.
Как регулировать датчик ДПДЗ?
			
			
									
						сказали проверить ДПДЗ и трос . Вот думаю как.
Как регулировать датчик ДПДЗ?
- ZILLA
 - Сообщения: 7553
 - Зарегистрирован: 22 май 2007, 16:31
 - Двигатель:: 0,75
 - Мой автомобиль(и):: Hooooondaaaaa
 - Откуда: течет нефть?
 - Откуда: 101 км от Москвы
 - Благодарил (а): 1 раз
 - Поблагодарили: 282 раза
 
Re: TPS зараза
stasyan_ukg, 11 ошибка - Цепь датчика положения рычага управления ТНВД <Дизельный двигатель> Неисправность датчика. Короткое замыкание или обрыв цепи. Все 3 провода должны быть подключенны иначе обеспеченна некорректная работа коробки/мотора. Проверяйте свой ТПС, он скорей всего врётЪ. 
Товарищи жаждущие отрегулировать и проверить тпс - я уже не однократно давал ссылку на мануал по П2 в факе по акпп. Даю ссылку ещё раз -хрясь. Качать всё, или 23-1 - это глава по диагностике коробок.
			
			
									
						Товарищи жаждущие отрегулировать и проверить тпс - я уже не однократно давал ссылку на мануал по П2 в факе по акпп. Даю ссылку ещё раз -хрясь. Качать всё, или 23-1 - это глава по диагностике коробок.
Восстановление неисправных акпп Mitsubishi, Hyundai, Toyota, Mersedes и т.п. Диагностика и обслуживание всех видов акпп, вариаторов и роботов.
+79О3 6З561О5, ватсап +791О 6О8О191
			
						+79О3 6З561О5, ватсап +791О 6О8О191
- atas80
 - Сообщения: 2880
 - Зарегистрирован: 21 янв 2009, 19:38
 - Двигатель:: 4M40
 - Мой автомобиль(и):: Pajero 2 46 ATF
 - Откуда: Киров
 - Откуда: Kirov [43]
 - Благодарил (а): 7 раз
 - Поблагодарили: 72 раза
 
Re: TPS зараза
...и вот у меня уже 3 ТПС помирает. Все были Б/У. Лечил распиливанием, сейчас опять распиливаю. 
Накопившись куча корпусов от этих гадин я решил сделать свою ТПСку, но не тем методом что описыввает marik, а путем внедрения переменного сопративления в корпус уже имеющейся ТПСки, дабы не городить переходники. И так вопрос электрикам - какое сопративление там должно быть ?
			
			
									
						Накопившись куча корпусов от этих гадин я решил сделать свою ТПСку, но не тем методом что описыввает marik, а путем внедрения переменного сопративления в корпус уже имеющейся ТПСки, дабы не городить переходники. И так вопрос электрикам - какое сопративление там должно быть ?
Mitsubishi PAJERO-II | 1995 | 4M40 | V46W | АКПП | GLS
Я горд за РОССИЙСКУЮ ИМПЕРИЮ - мы можем управлять "белым домом" и сажать своих людей в "овальный кабинет" !!!
			
						Я горд за РОССИЙСКУЮ ИМПЕРИЮ - мы можем управлять "белым домом" и сажать своих людей в "овальный кабинет" !!!
- 
				marik
 - Сообщения: 121
 - Зарегистрирован: 19 янв 2009, 19:10
 - Откуда: Волгоградская область
 - Поблагодарили: 4 раза
 
Re: TPS зараза
Пробовал внедрять различные резисторы, к описанному способу пришел помучавшись с ними. Сопротивление ТПС 10-12 КОм. Но самое гавное, ставь хоть 25-30 Ком. Эффект тот же. С ТПС сделанной из жигулевской езжу уже 7 месяцев, работает как часы. Добавляю обещанные давно фотки.
			
							- Вложения
 
Чем круче джип, тем дальше за трактором бежать. P2 1996г. 2,8d, 5 дв. европеец.
			
						Re: TPS зараза
marik спасибо за рацуху
сделал как ты описал
все работает но кикдаун нету
 
пиши как сделаешь кикдаун
			
			
									
						сделал как ты описал
все работает но кикдаун нету
пиши как сделаешь кикдаун
Паджеро II, терминатор 2000г. 6g72 12кл.
			
						Re: TPS зараза
marik спасибо 
 , тоже замутил  только пружинку вытащил.
			
							
			
									
						Pajero 2 4м40 1995 акпп ss японец.V46WG SUPER EXCEED Бодик 4см  Cooper Discoverer LT 33x12,5x15  ,грелка бинар-5 Санкт-Петербург
8 952 281 05 68 охранная система Амстафф и злой сиамский кот
Я на Drive2
			
						8 952 281 05 68 охранная система Амстафф и злой сиамский кот
Я на Drive2
