TRT - Вдоль р.Киржач. Для стандартных 4х4 (08.11.25) Форум Обсуждение FAQ
Отвечу на вопросы по автоэлектрике
Модераторы: SNOOPER, Nbf, Romik, BAlex
-
алексей - Маленький Мук
- Модератор
- Сообщения: 20298
- Зарегистрирован: 11 дек 2008, 16:10
- Откуда: москва м Академическая
- Благодарил (а): 101 раз
- Поблагодарили: 1323 раза
Отвечу на вопросы по автоэлектрике
Идем сюда.viewtopic.php?p=1682865#p1682865 качаем свою схему. там есть все разблюдовки в том числе и с касположением жгутов
Всем добра.......
- dvm99
- Сообщения: 21742
- Зарегистрирован: 21 май 2012, 20:59
- Двигатель:: 6G72, 12клап.,
- Мой автомобиль(и):: Pajero2, Запорожец- Ланос
- Откуда: Свердловская обл.
- Благодарил (а): 706 раз
- Поблагодарили: 1028 раз
Отвечу на вопросы по автоэлектрике
Сегодня выяснил, по крайней мере, сопротивление нойз-фильтра одинаковое- 2,2 кОм.dvm99 писал(а): ↑29 июн 2024, 14:15 Павел Юрьевич, вот специально для тебя https://www.drive2.ru/l/638344016567470699/
Что на арабе, что на европейке/японце.
Номера на корпусе другие (ну, это их кухня...).
Осталось до конца уяснить ёмкость кондёра... на некоторых (видимо) она указана, на некоторых- нет.
Фото моего фильтра: Отчётливо видно, ёмкость 0,5 мкФ (значёк мю пусть не пугает, это то же самое, специфика электрики...)
Стало быть по ссылке, что я выше показал https://www.drive2.ru/l/638344016567470699/
ошибка!
Там она указана 2200 пФ (пико Фарад) = на два порядка меньше.
ХЗ, видимо, чувак что-то не то замерил (ёмкость хреново меряется по сравнению с сопротивлением).
И по всем внешним признакам кондёр больше походит на 0,5 мкФ.
Так что Паша, та ёмкость, что ты мне показывал на фотках, вполне себе та 0,47 мкФ или волговские 0,5.
Дальше надо с проводкой разбираться...
Дмитрий
Боливар2 - П2, 92г., V43, 6G72(12V), V4AW2, RD/L, пруль (чистокровный японский рысак)
Боливар1 - П2, 93г., 6G72(12V), МКПП, V43, RD/L, Европа (славный был конь, но уже донор)
Боливар2 - П2, 92г., V43, 6G72(12V), V4AW2, RD/L, пруль (чистокровный японский рысак)
Боливар1 - П2, 93г., 6G72(12V), МКПП, V43, RD/L, Европа (славный был конь, но уже донор)
-
Вячеслав1973
- Сообщения: 119
- Зарегистрирован: 28 дек 2013, 19:10
- Двигатель:: 4M41 3,2 дизель
- Мой автомобиль(и):: Mitsubishi Pajero IV 3d
- Откуда: Москва
- Благодарил (а): 2 раза
- Поблагодарили: 2 раза
Отвечу на вопросы по автоэлектрике
Добрый день. Посоветуйте электрика в ЮАО. Машина постояла 3 недели, аккумуляторы сели. Подключил бустер, вроде завел, секунд через 10 потускнела приборка, потом погасла и заглохла машина. Сейчас отнес заряжаться один аккумулятор))
-
Вячеслав1973
- Сообщения: 119
- Зарегистрирован: 28 дек 2013, 19:10
- Двигатель:: 4M41 3,2 дизель
- Мой автомобиль(и):: Mitsubishi Pajero IV 3d
- Откуда: Москва
- Благодарил (а): 2 раза
- Поблагодарили: 2 раза
-
алексей - Маленький Мук
- Модератор
- Сообщения: 20298
- Зарегистрирован: 11 дек 2008, 16:10
- Откуда: москва м Академическая
- Благодарил (а): 101 раз
- Поблагодарили: 1323 раза
Отвечу на вопросы по автоэлектрике
Ну по крайней мере на том что отвечает за ЦЗ и освещение салона
Всем добра.......
-
DaftPunk
- Сообщения: 14
- Зарегистрирован: 21 авг 2024, 20:25
- Двигатель:: 6G72
- Мой автомобиль(и):: Montero Sport 2001 АКПП
- Откуда: Нижний Новгород
- Благодарил (а): 4 раза
Отвечу на вопросы по автоэлектрике
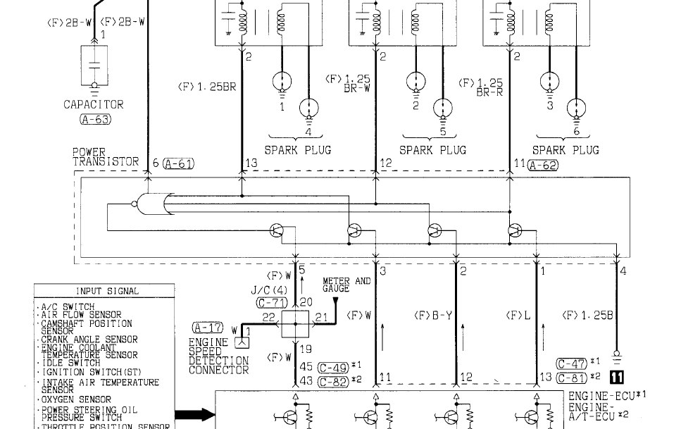
Здравствуйте) Проблема в следующем: с ЭБУ на коммутатор, на канал IB1, при включенном зажигании, приходит 6.3V. А если двигатель заведëн то вообще 12,2V. На остальные два (IB2 и IB3) приходит 1,3V. Сгорел уже второй коммутатор) Откуда они могут там появиться, что не так с самим ЭБУ?
- dvm99
- Сообщения: 21742
- Зарегистрирован: 21 май 2012, 20:59
- Двигатель:: 6G72, 12клап.,
- Мой автомобиль(и):: Pajero2, Запорожец- Ланос
- Откуда: Свердловская обл.
- Благодарил (а): 706 раз
- Поблагодарили: 1028 раз
Отвечу на вопросы по автоэлектрике
Скажи по-русски, где именно смотришь?DaftPunk писал(а): ↑21 авг 2024, 20:47 Здравствуйте) Проблема в следующем: с ЭБУ на коммутатор, на канал IB1, при включенном зажигании, приходит 6.3V. А если двигатель заведëн то вообще 12,2V. На остальные два (IB2 и IB3) приходит 1,3V. Сгорел уже второй коммутатор) Откуда они могут там появиться, что не так с самим ЭБУ?
Дмитрий
Боливар2 - П2, 92г., V43, 6G72(12V), V4AW2, RD/L, пруль (чистокровный японский рысак)
Боливар1 - П2, 93г., 6G72(12V), МКПП, V43, RD/L, Европа (славный был конь, но уже донор)
Боливар2 - П2, 92г., V43, 6G72(12V), V4AW2, RD/L, пруль (чистокровный японский рысак)
Боливар1 - П2, 93г., 6G72(12V), МКПП, V43, RD/L, Европа (славный был конь, но уже донор)
-
DaftPunk
- Сообщения: 14
- Зарегистрирован: 21 авг 2024, 20:25
- Двигатель:: 6G72
- Мой автомобиль(и):: Montero Sport 2001 АКПП
- Откуда: Нижний Новгород
- Благодарил (а): 4 раза
Отвечу на вопросы по автоэлектрике
По схеме, с 11 контакта Engine - ECU на 3й контакт Power Transistor приходит 6V.
- dvm99
- Сообщения: 21742
- Зарегистрирован: 21 май 2012, 20:59
- Двигатель:: 6G72, 12клап.,
- Мой автомобиль(и):: Pajero2, Запорожец- Ланос
- Откуда: Свердловская обл.
- Благодарил (а): 706 раз
- Поблагодарили: 1028 раз
Отвечу на вопросы по автоэлектрике
А если разъём А- 62 откинуть, картина не меняется?
Попробуй.
Эбу вряд ли при делах...
Предположительно, где-то по этому каналу прошивает высокое напряжение и убивает транзистор в коммутаторе.
Попробуй.
Эбу вряд ли при делах...
Предположительно, где-то по этому каналу прошивает высокое напряжение и убивает транзистор в коммутаторе.
Дмитрий
Боливар2 - П2, 92г., V43, 6G72(12V), V4AW2, RD/L, пруль (чистокровный японский рысак)
Боливар1 - П2, 93г., 6G72(12V), МКПП, V43, RD/L, Европа (славный был конь, но уже донор)
Боливар2 - П2, 92г., V43, 6G72(12V), V4AW2, RD/L, пруль (чистокровный японский рысак)
Боливар1 - П2, 93г., 6G72(12V), МКПП, V43, RD/L, Европа (славный был конь, но уже донор)
-
DaftPunk
- Сообщения: 14
- Зарегистрирован: 21 авг 2024, 20:25
- Двигатель:: 6G72
- Мой автомобиль(и):: Montero Sport 2001 АКПП
- Откуда: Нижний Новгород
- Благодарил (а): 4 раза
Отвечу на вопросы по автоэлектрике
В том то и дело что 6v уже есть на фишке которая
идёт от ЭБУ к коммутатору. Искал эти 6v на всех фишках которые подключаются к ЭБУ, именно шесть вольт не нашёл. Измерил напряжение на всех контактах которые подходят к ЭБУ, на фото на против номера контакта ЭБУ, через тире напряжение на нём. Может кто знает на каком из контактов напряжение то, которого не должно быть. Замерял при включённом зажигании.
идёт от ЭБУ к коммутатору. Искал эти 6v на всех фишках которые подключаются к ЭБУ, именно шесть вольт не нашёл. Измерил напряжение на всех контактах которые подходят к ЭБУ, на фото на против номера контакта ЭБУ, через тире напряжение на нём. Может кто знает на каком из контактов напряжение то, которого не должно быть. Замерял при включённом зажигании.
- dvm99
- Сообщения: 21742
- Зарегистрирован: 21 май 2012, 20:59
- Двигатель:: 6G72, 12клап.,
- Мой автомобиль(и):: Pajero2, Запорожец- Ланос
- Откуда: Свердловская обл.
- Благодарил (а): 706 раз
- Поблагодарили: 1028 раз
Отвечу на вопросы по автоэлектрике
Откинь разъём, о котором я писал, и проверь снова.
Стопудово, эти 6В не увидишь... Увидишь меньше...
Транзистор в коммутаторе пробит, поэтому 12В лезет через него, т.к. катушки всегда под напряжением.
Дмитрий
Боливар2 - П2, 92г., V43, 6G72(12V), V4AW2, RD/L, пруль (чистокровный японский рысак)
Боливар1 - П2, 93г., 6G72(12V), МКПП, V43, RD/L, Европа (славный был конь, но уже донор)
Боливар2 - П2, 92г., V43, 6G72(12V), V4AW2, RD/L, пруль (чистокровный японский рысак)
Боливар1 - П2, 93г., 6G72(12V), МКПП, V43, RD/L, Европа (славный был конь, но уже донор)
-
DaftPunk
- Сообщения: 14
- Зарегистрирован: 21 авг 2024, 20:25
- Двигатель:: 6G72
- Мой автомобиль(и):: Montero Sport 2001 АКПП
- Откуда: Нижний Новгород
- Благодарил (а): 4 раза
Отвечу на вопросы по автоэлектрике
В данный момент этого сделать не могу, так как машина в одном месте а коммутаторы в другом) Но дело в том что 6В уже есть ДО коммутатора, даже если его не подключать. Домой приеду, нарисую простенькую схему, может с ней более понятно будет. Получатся транзистор пробивается со стороны ЭБУ, а не со стороны катушек.
- dvm99
- Сообщения: 21742
- Зарегистрирован: 21 май 2012, 20:59
- Двигатель:: 6G72, 12клап.,
- Мой автомобиль(и):: Pajero2, Запорожец- Ланос
- Откуда: Свердловская обл.
- Благодарил (а): 706 раз
- Поблагодарили: 1028 раз
Отвечу на вопросы по автоэлектрике
Всё правильно, эти 6Ви лезут в ЭБУ, а не наоборот.
В ЭБУ больше 5В не бывает.
Смотри, как это всё работает. На схеме я указал, где подано +5В внутри ЭБУ на резисторы.
При включенном зажигании и не работающем моторе, ключи (транзисторы), что находятся в ЭБУ, закрыты (т.е. не проводят на массу). Поэтому +5В через резистор подаёт ток на базу транзистора в коммутаторе (транзисторы вообще-то открываются током, напряжение- вторичный параметр), и он открыт , через катушку идёт ток.
На исправных каналах ты видишь напругу 1,3В . Это нормальное напряжение насыщения открытого транзистора, так примерно и должно быть. Остальное напряжение (3,7В) остаётся на резисторе.
Но раз ты видишь там напругу выше 5В, значит она прилетает не с ЭБУ, а с коммутатора, только там есть напряжение выше.
Пробит- значит неисправен, т.е. проводит/не проводит как захочет...
Исправный должен открываться/закрываться.
С единственным замечанием, по управлению зажиганием там напруга на работающем моторе 3000 об/мин.
Дмитрий
Боливар2 - П2, 92г., V43, 6G72(12V), V4AW2, RD/L, пруль (чистокровный японский рысак)
Боливар1 - П2, 93г., 6G72(12V), МКПП, V43, RD/L, Европа (славный был конь, но уже донор)
Боливар2 - П2, 92г., V43, 6G72(12V), V4AW2, RD/L, пруль (чистокровный японский рысак)
Боливар1 - П2, 93г., 6G72(12V), МКПП, V43, RD/L, Европа (славный был конь, но уже донор)
-
ShengmuFeng
- Сообщения: 2
- Зарегистрирован: 23 авг 2024, 19:51
- Двигатель:: 4M41
- Мой автомобиль(и):: Mitsubishi Pajero 4
- Откуда: Краснодар
- Благодарил (а): 1 раз
Отвечу на вопросы по автоэлектрике
Всех приветствую. Сегодня снимал Teyes. Полностью его отключал от разъёмов и потом опять подключил, но после этого машина заводится и через 1-2 секунды глохнет. Чек не горит, но ошибка есть U1117. Я так понимаю, что это ETACS накрылся или иммо? Как мне правильно диагностировать что именно сломалось?
В одной книге, что лежит у меня на столе, написано, что U1117 истекло время ожидания сигнала от блока управления иммобилайзером. А в графе неисправности пишут - Блок управления двигателем.
В одной книге, что лежит у меня на столе, написано, что U1117 истекло время ожидания сигнала от блока управления иммобилайзером. А в графе неисправности пишут - Блок управления двигателем.
Последний раз редактировалось ShengmuFeng 23 авг 2024, 20:21, всего редактировалось 1 раз.
-
DaftPunk
- Сообщения: 14
- Зарегистрирован: 21 авг 2024, 20:25
- Двигатель:: 6G72
- Мой автомобиль(и):: Montero Sport 2001 АКПП
- Откуда: Нижний Новгород
- Благодарил (а): 4 раза
Отвечу на вопросы по автоэлектрике
dvm99, Спасибо огромное. Завтра попробую поставить новый коммутатор и проверю. Напишу потом что получилось)
- dvm99
- Сообщения: 21742
- Зарегистрирован: 21 май 2012, 20:59
- Двигатель:: 6G72, 12клап.,
- Мой автомобиль(и):: Pajero2, Запорожец- Ланос
- Откуда: Свердловская обл.
- Благодарил (а): 706 раз
- Поблагодарили: 1028 раз
Отвечу на вопросы по автоэлектрике
Я бы заменил ещё и катушку этого канала.
Дмитрий
Боливар2 - П2, 92г., V43, 6G72(12V), V4AW2, RD/L, пруль (чистокровный японский рысак)
Боливар1 - П2, 93г., 6G72(12V), МКПП, V43, RD/L, Европа (славный был конь, но уже донор)
Боливар2 - П2, 92г., V43, 6G72(12V), V4AW2, RD/L, пруль (чистокровный японский рысак)
Боливар1 - П2, 93г., 6G72(12V), МКПП, V43, RD/L, Европа (славный был конь, но уже донор)
- SNOOPER
- Модератор
- Сообщения: 56899
- Зарегистрирован: 11 дек 2004, 19:49
- Двигатель:: 4D56
- Мой автомобиль(и):: NewMPS
- Откуда: 78
- Откуда: Spb
- Благодарил (а): 1007 раз
- Поблагодарили: 4665 раз
Отвечу на вопросы по автоэлектрике
А я понимаю что или что-то не подключили, или что-то включили лишнего. Так же могли замкнуть какую либо цепь или порвать какую либо не штатную соплю. Так же не стоит забывать что есть охраны, которые после снятия питания и подачи его вновь, встают в эту самую охрану.
Ищите.
-
DaftPunk
- Сообщения: 14
- Зарегистрирован: 21 авг 2024, 20:25
- Двигатель:: 6G72
- Мой автомобиль(и):: Montero Sport 2001 АКПП
- Откуда: Нижний Новгород
- Благодарил (а): 4 раза
Отвечу на вопросы по автоэлектрике
После смерти первого коммутатора катушки поменяны местами, второй коммутатор сгорел так же как и первый, горит один и тот же транзистор хотя катушки поменяны местами.
