TRT - Вдоль р.Киржач. Для стандартных 4х4 (08.11.25) Форум Обсуждение FAQ
Замена штатной магнитолы (варианты установок)
Модераторы: SNOOPER, Alex_SH, Nbf, BAlex, drcham, SoundSpeed
Правила форума
Дорогие друзья!
Пожалуйста, при создании и поиске сообщений не забывайте пользоваться гиперссылками на тематические разделы, расположенными на главной странице раздела "Новый Pajero Sport"
Дорогие друзья!
Пожалуйста, при создании и поиске сообщений не забывайте пользоваться гиперссылками на тематические разделы, расположенными на главной странице раздела "Новый Pajero Sport"
-
krandv
- Сообщения: 273
- Зарегистрирован: 01 дек 2015, 14:50
- Двигатель:: 6B31
- Мой автомобиль(и):: Pajero Sport II Intense AT 3.0
- Откуда: Ростов-на-Дону
- Благодарил (а): 28 раз
- Поблагодарили: 6 раз
Re: Замена штатной магнитолы (варианты установок)
Кстати может оставить эту фишку, через N-е количество лет продам машину с мизерным пробегом, скажу, что жена ездила в булочную 
Pajero Sport II 2015 г.в., Intense AT, Дрыгатель 6B31 3.0, Синий
-
Peer
- Сообщения: 12
- Зарегистрирован: 06 фев 2018, 22:30
- Двигатель:: 4d56
- Мой автомобиль(и):: Pajero Sport 2
- Откуда: Обнинск
- Благодарил (а): 1 раз
Re: Замена штатной магнитолы (варианты установок)
.... А как БК связан с магнитолой? Что-то не припомню, чтобы на магнитоле можно было бы показания БК смотреть. Или это для мультимедийной системы? .....
В штатной связке а автомобиле "Аудиосистема" и БК при включении радио или CD, на БК выводятся настройки (громкость, тембр НЧ-ВЧ, диапазоны частот радио, треки CD и ......). Управление производится с "Аудиосистемы".
Можно ли это сделать вне машины, при автономной работе "Аудиосистемы" и БК в гараже?
В штатной связке а автомобиле "Аудиосистема" и БК при включении радио или CD, на БК выводятся настройки (громкость, тембр НЧ-ВЧ, диапазоны частот радио, треки CD и ......). Управление производится с "Аудиосистемы".
Можно ли это сделать вне машины, при автономной работе "Аудиосистемы" и БК в гараже?
-
swao
- Сообщения: 199
- Зарегистрирован: 29 дек 2013, 19:55
- Двигатель:: 4D56
- Мой автомобиль(и):: L200 + NMPS
- Откуда: МСК
- Благодарил (а): 4 раза
- Поблагодарили: 43 раза
Re: Замена штатной магнитолы (варианты установок)
поскольку начиная с MY'2009 в разные модельные годы и даже в разных комплектациях (а еще и для калужской сборки были нюансы) были отличия в проводке и соответственно отличались разъемы, то без этого на Ваши вопросы ответить однозначно трудно, причем ваше фото тоже темное и оставляет желать лучшего...krandv писал(а):Установил сегодня её, но остались вопросы. Стандартная магнитола была подключена с помощью вот таких двух коннекторов
Однако к новой магнитоле подключается только один из этих коннеторов (более широкий), а для второго коннектора даже нет разъемов.Но ведь коннектор не может быть там просто для красоты, зачем-то он нужен?
-
swao
- Сообщения: 199
- Зарегистрирован: 29 дек 2013, 19:55
- Двигатель:: 4D56
- Мой автомобиль(и):: L200 + NMPS
- Откуда: МСК
- Благодарил (а): 4 раза
- Поблагодарили: 43 раза
Re: Замена штатной магнитолы (варианты установок)
у 698-й магнитолы для обмена информацией с БК используется 3-проводный интерфейс, поэтому если Вы уже подали питание на 600-й БК и он светится, то нужно добавить еще три провода:Peer писал(а):у меня остались аудиосистема 34W698 и БК DU600.
С городил я из радио и CD-плеера "музыкальный центр" для гаража, но он без дисплея. Невидны регулировки и настройки.Подскажите как к нему подключить БК DU600 в качестве дисплея.
Какие пины от "музыки" нужно подключить в БК, и к каким его пинам?
Компьютер запитал, он светится, но как вывести на него сигналы из аудиосистемы и с каких ножек 14 пинового разъёма не пойму.
- Вложения
-
- W698+DU600.JPG (8.61 КБ) 3203 просмотра
-
- W698+DU600con.JPG (9.41 КБ) 3203 просмотра
-
swao
- Сообщения: 199
- Зарегистрирован: 29 дек 2013, 19:55
- Двигатель:: 4D56
- Мой автомобиль(и):: L200 + NMPS
- Откуда: МСК
- Благодарил (а): 4 раза
- Поблагодарили: 43 раза
Re: Замена штатной магнитолы (варианты установок)
1) можно не только управлять магнитолой и контролировать это по изображению на БК, но и некоторые настройки магнитолы выполнять на самом БК;krandv писал(а):А как БК связан с магнитолой? Что-то не припомню, чтобы на магнитоле можно было бы показания БК смотреть. Или это для мультимедийной системы?
проблема вылезла. При включении магнитолы отключается спидометр и одометр. В электрических схемах на машину нашел, что один из проводов как раз идет к спидометру. Вопрос а какую роль он выполняет? Что мне на этот провод надо завести от новой магнитолы, или его надо просто отключить или постоянный +12В подать?
2) дайте конкретику, иначе расписывать кучу вариантов нет ни времени, ни желания -- о каком конкретно проводе речь?
-
krandv
- Сообщения: 273
- Зарегистрирован: 01 дек 2015, 14:50
- Двигатель:: 6B31
- Мой автомобиль(и):: Pajero Sport II Intense AT 3.0
- Откуда: Ростов-на-Дону
- Благодарил (а): 28 раз
- Поблагодарили: 6 раз
Re: Замена штатной магнитолы (варианты установок)
Вот на этой схеме видно, что 11й контакт с разъема C-181 идет на speed sensor. Подозреваю, что глючит именно из-за него. Вот распиновка моей магнитолы:
1 - CAN-RX
2 - Reverse
3 - ACC
4 - Illumination
5 - Key2
6 - Key1
7 - RL-
8 - RL+
9 - FL-
10 - FL+
11 - CAN TX
12 - ANT
13 - AMP
14 - Brake
15 - GND
16 - B+
17 - RR-
18 - RR+
19 - FR-
20 - FR+
Магнитола подключается к стандартной фишке через переходник.
Покурил инет. Я так понял, что сигнал с speed sensor используется для автоматического изменения громкости в зависимости от скорости автомобиля. Судя по распиновке магнитолы она такую функцию не поддерживает, поэтому этот провод, наверное, надо просто отключить в переходнике.
Еще, скорее всего, в MMC фишке нет сигналов: CAN-RX, Reverse, CAN-TX, AMP, Brake. Их проверю и отключу, если они подключены в переходнике.
Интересным является подключение CAN-RX и CAN-TX, их наверное можно взять с разъема, идущего к БК? 7 и 11 разъемы в разъеме C-168 из этой схемы Я правильно думаю? Полярность этих контактов имеет значение, не спалю ничего, если перепутаю CAN-TX и CAN-RX местами?
1 - CAN-RX
2 - Reverse
3 - ACC
4 - Illumination
5 - Key2
6 - Key1
7 - RL-
8 - RL+
9 - FL-
10 - FL+
11 - CAN TX
12 - ANT
13 - AMP
14 - Brake
15 - GND
16 - B+
17 - RR-
18 - RR+
19 - FR-
20 - FR+
Магнитола подключается к стандартной фишке через переходник.
Покурил инет. Я так понял, что сигнал с speed sensor используется для автоматического изменения громкости в зависимости от скорости автомобиля. Судя по распиновке магнитолы она такую функцию не поддерживает, поэтому этот провод, наверное, надо просто отключить в переходнике.
Еще, скорее всего, в MMC фишке нет сигналов: CAN-RX, Reverse, CAN-TX, AMP, Brake. Их проверю и отключу, если они подключены в переходнике.
Интересным является подключение CAN-RX и CAN-TX, их наверное можно взять с разъема, идущего к БК? 7 и 11 разъемы в разъеме C-168 из этой схемы Я правильно думаю? Полярность этих контактов имеет значение, не спалю ничего, если перепутаю CAN-TX и CAN-RX местами?
Pajero Sport II 2015 г.в., Intense AT, Дрыгатель 6B31 3.0, Синий
-
swao
- Сообщения: 199
- Зарегистрирован: 29 дек 2013, 19:55
- Двигатель:: 4D56
- Мой автомобиль(и):: L200 + NMPS
- Откуда: МСК
- Благодарил (а): 4 раза
- Поблагодарили: 43 раза
Re: Замена штатной магнитолы (варианты установок)
0) Вы так и не написали дату выпуска и комплектацию вашего авто (все можно определить по ВИН), поэтому оттолкнусь от написанного Вами и вашей подписи;krandv писал(а):Вот на этой схеме видно, что 11й контакт с разъема C-181 идет на speed sensor. Подозреваю, что глючит именно из-за него. Вот распиновка моей магнитолы:
1 - CAN-RX
2 - Reverse
3 - ACC
4 - Illumination
5 - Key2
6 - Key1
7 - RL-
8 - RL+
9 - FL-
10 - FL+
11 - CAN TX
12 - ANT
13 - AMP
14 - Brake
15 - GND
16 - B+
17 - RR-
18 - RR+
19 - FR-
20 - FR+
Магнитола подключается к стандартной фишке через переходник.
Покурил инет. Я так понял, что сигнал с speed sensor используется для автоматического изменения громкости в зависимости от скорости автомобиля. Судя по распиновке магнитолы она такую функцию не поддерживает, поэтому этот провод, наверное, надо просто отключить в переходнике.
Еще, скорее всего, в MMC фишке нет сигналов: CAN-RX, Reverse, CAN-TX, AMP, Brake. Их проверю и отключу, если они подключены в переходнике.
Интересным является подключение CAN-RX и CAN-TX, их наверное можно взять с разъема, идущего к БК? 7 и 11 разъемы в разъеме C-168 из этой схемы
Я правильно думаю? Полярность этих контактов имеет значение, не спалю ничего, если перепутаю CAN-TX и CAN-RX местами?
1) в штатной проводке есть провод с датчика скорости для управления уровнем громкости штатной магнитолы в зависимости от скорости движения -- это так, но судя по приведенной китайской магнитоле для нее этот сигнал не нужен;
2) по приведенным контактам разъема видно, что это контакты китайской магнитолы и этот разъем напрямую не может быть подключен к штатной проводке без переходника. Вы упоминаете переходник -- какой конкретно? китайский или сами сделали и т.п.?;
3) если у Вас максимальная комплектация (штатная магнитола с навигацией) или предмаксимальная (магнитола с одной крутилкой и поддержкой камеры), то помимо двух разъемом по вашему раннему фото должен быть еще и третий, в котором будет сигнал с родной задней камеры и сигнал включения задней передачи. Этот сигнал и нужно подать на 2-й контакт (Reverse) китайской магнитолы. В противном случае этот сигнал нужно брать из другого места штатной проводки;
4) в родной проводке (основной 20-контактный разъем) помимо питающих напряжений и выходных сигналов на динамики есть еще сигналы:
-- подсветка (подавать на 4 - Illumination китайщины);
-- питание антенного усилителя под крышей (подавать на 12 - ANT китайщины);
-- обслуживание рулевых кнопок (подавать на 6 - Key1 или 5 - Key2 китайщины, т.к. в руле всего один канал, а в магнитоле универсально сделали два).
5) если в вашей комплектации есть еще штатный усилитель под передним пассажирским сидением, то нужно дополнительно делать его управление с китайского 13 - AMP скорее всего путем инверсии;
6) если нужно блокировать просмотр видео в движении, то можно на китайский 14 - Brake взять из соответствующего места штатной проводки сигнал ручника;
7) за надписи CAN-RX и CAN-TX китайцам следовало бы кое-что оторвать, т.к. написано вводящим в заблуждение для непосвященных поскольку эти сигналы не являются сигналами КАН-шины автомобиля, а предназначены для подключения китайского КАН-блока к магнитоле. Однако, для П-Спорта2 я пока не встречал таких адаптеров (китайцы лепят их для Аута3). Соответственно, покупать адаптер нет смысла, т.к. работать он не будет и к этим контактам китайщины ничего подключать не нужно
P.S.
если подключите реальную КАН-шину автомобиля к этим контактам китайщины, то засадите всю (единственную) шину автомобиля с соответствующими последствиями, кроме того МЦУ китайской магнитолы имеет 3-вольтовый УАРТ для подключения этих китайских адаптеров, поэтому можете припалить либо только эти порты магнитолы, либо весь МЦУ крякнет полностью и магнитола перестанет включаться!
-
krandv
- Сообщения: 273
- Зарегистрирован: 01 дек 2015, 14:50
- Двигатель:: 6B31
- Мой автомобиль(и):: Pajero Sport II Intense AT 3.0
- Откуда: Ростов-на-Дону
- Благодарил (а): 28 раз
- Поблагодарили: 6 раз
Re: Замена штатной магнитолы (варианты установок)
Хм... может у меня БК какой-то неправильный. Нету у меня там такого. Никакой инфы с магнитолы не показывает. Лишь расход, компас, дату, время, температуру за бортом, высоту и прогноз пробегаPeer писал(а):.... А как БК связан с магнитолой? Что-то не припомню, чтобы на магнитоле можно было бы показания БК смотреть. Или это для мультимедийной системы? .....
В штатной связке а автомобиле "Аудиосистема" и БК при включении радио или CD, на БК выводятся настройки (громкость, тембр НЧ-ВЧ, диапазоны частот радио, треки CD и ......). Управление производится с "Аудиосистемы".
Можно ли это сделать вне машины, при автономной работе "Аудиосистемы" и БК в гараже?
Pajero Sport II 2015 г.в., Intense AT, Дрыгатель 6B31 3.0, Синий
-
krandv
- Сообщения: 273
- Зарегистрирован: 01 дек 2015, 14:50
- Двигатель:: 6B31
- Мой автомобиль(и):: Pajero Sport II Intense AT 3.0
- Откуда: Ростов-на-Дону
- Благодарил (а): 28 раз
- Поблагодарили: 6 раз
Re: Замена штатной магнитолы (варианты установок)
swao писал(а): 0) Вы так и не написали дату выпуска и комплектацию вашего авто (все можно определить по ВИН), поэтому оттолкнусь от написанного Вами и вашей подписи;
1) в штатной проводке есть провод с датчика скорости для управления уровнем громкости штатной магнитолы в зависимости от скорости движения -- это так, но судя по приведенной китайской магнитоле для нее этот сигнал не нужен;
2) по приведенным контактам разъема видно, что это контакты китайской магнитолы и этот разъем напрямую не может быть подключен к штатной проводке без переходника. Вы упоминаете переходник -- какой конкретно? китайский или сами сделали и т.п.?;
3) если у Вас максимальная комплектация (штатная магнитола с навигацией) или предмаксимальная (магнитола с одной крутилкой и поддержкой камеры), то помимо двух разъемом по вашему раннему фото должен быть еще и третий, в котором будет сигнал с родной задней камеры и сигнал включения задней передачи. Этот сигнал и нужно подать на 2-й контакт (Reverse) китайской магнитолы. В противном случае этот сигнал нужно брать из другого места штатной проводки;
4) в родной проводке (основной 20-контактный разъем) помимо питающих напряжений и выходных сигналов на динамики есть еще сигналы:
-- подсветка (подавать на 4 - Illumination китайщины);
-- питание антенного усилителя под крышей (подавать на 12 - ANT китайщины);
-- обслуживание рулевых кнопок (подавать на 6 - Key1 или 5 - Key2 китайщины, т.к. в руле всего один канал, а в магнитоле универсально сделали два).
5) если в вашей комплектации есть еще штатный усилитель под передним пассажирским сидением, то нужно дополнительно делать его управление с китайского 13 - AMP скорее всего путем инверсии;
6) если нужно блокировать просмотр видео в движении, то можно на китайский 14 - Brake взять из соответствующего места штатной проводки сигнал ручника;
7) за надписи CAN-RX и CAN-TX китайцам следовало бы кое-что оторвать, т.к. написано вводящим в заблуждение для непосвященных поскольку эти сигналы не являются сигналами КАН-шины автомобиля, а предназначены для подключения китайского КАН-блока к магнитоле. Однако, для П-Спорта2 я пока не встречал таких адаптеров (китайцы лепят их для Аута3). Соответственно, покупать адаптер нет смысла, т.к. работать он не будет и к этим контактам китайщины ничего подключать не нужно
P.S.
если подключите реальную КАН-шину автомобиля к этим контактам китайщины, то засадите всю (единственную) шину автомобиля с соответствующими последствиями, кроме того МЦУ китайской магнитолы имеет 3-вольтовый УАРТ для подключения этих китайских адаптеров, поэтому можете припалить либо только эти порты магнитолы, либо весь МЦУ крякнет полностью и магнитола перестанет включаться!
0) В подписи все верно. Калужская сборка. БК над магнитолой. Магнитола и БК как на картинке

1) ОК
2) Переходник шел с магнитолой. Магнитола позиционируется как для Outlander, но в отзывах на алиэкспрессе видел упоминания, что работает с Pajero Sport, потому и купил
3) У меня другая магнитола, поэтому сигнал буду брать с плюса фонаря заднего хода, поищу его в проводке
4) Это все работает, видимо в переходнике эта часть сделана правильно
5) Не, усилка нету, потом может в будущем поставлю
6) понятно
7) Да, к этой магнитоле можно было купить адаптер для канбаса Аута3
Спасибо за развернутый ответ. Все понятно.
Pajero Sport II 2015 г.в., Intense AT, Дрыгатель 6B31 3.0, Синий
-
swao
- Сообщения: 199
- Зарегистрирован: 29 дек 2013, 19:55
- Двигатель:: 4D56
- Мой автомобиль(и):: L200 + NMPS
- Откуда: МСК
- Благодарил (а): 4 раза
- Поблагодарили: 43 раза
Re: Замена штатной магнитолы (варианты установок)
у Вас для 2015 года либо MY'2015 либо MY'2016 и установлен 361-й БК (DU-601 на вашем фото салона), а у автора вопроса скорее всего авто 2010-го года MY'2010 со 190-м БК (DU-600). Исходя из этого все верно, т.к. в 601-м БК урезали функционал в части обмена с магнитолой, поскольку конструктивно в салоне БК сразу над магнитолой, которая имеет свой отдельный дисплей, а ранее магнитола была без дисплея внизу (там у вашего авто пустой карман) и выводила свою информацию на БКkrandv писал(а):может у меня БК какой-то неправильный. Нету у меня там такого. Никакой инфы с магнитолы не показывает. Лишь расход, компас, дату, время, температуру за бортом, высоту и прогноз пробега
-
swao
- Сообщения: 199
- Зарегистрирован: 29 дек 2013, 19:55
- Двигатель:: 4D56
- Мой автомобиль(и):: L200 + NMPS
- Откуда: МСК
- Благодарил (а): 4 раза
- Поблагодарили: 43 раза
Re: Замена штатной магнитолы (варианты установок)
брать информационные сигналы с силовых цепей методически неверно, тем более, что поблизости от места установки магнитолы уже есть нужный сигнал заднего хода -- можно взять с приборки, можно с селектора коробки передач, а еще лучше поискать третий разъем магнитол из старших комплектаций с родной камерой, в котором уже сразу есть и видео для камеры и сигнал заднего хода (в тайских комплектациях вся проводка имеет три разъема, а у калужцев могли и сэкономить -- поищите 8-контактный разъем)krandv писал(а):3) У меня другая магнитола, поэтому сигнал буду брать с плюса фонаря заднего хода, поищу его в проводке
-
Peer
- Сообщения: 12
- Зарегистрирован: 06 фев 2018, 22:30
- Двигатель:: 4d56
- Мой автомобиль(и):: Pajero Sport 2
- Откуда: Обнинск
- Благодарил (а): 1 раз
Re: Замена штатной магнитолы (варианты установок)
Спасибо за отклик!swao писал(а): у 698-й магнитолы для обмена информацией с БК используется 3-проводный интерфейс, поэтому если Вы уже подали питание на 600-й БК и он светится, то нужно добавить еще три провода:
В 698 магнитоле стоит 14 пиновый разъём с другой нумерацией от 1 до 14.
У вас и в схеме нумирация С-129 от 21 до 34. Это важно или нет?
Можно уточнить, какой номер пина какому сигналу, у вас соответствует?
Спасибо.
-
swao
- Сообщения: 199
- Зарегистрирован: 29 дек 2013, 19:55
- Двигатель:: 4D56
- Мой автомобиль(и):: L200 + NMPS
- Откуда: МСК
- Благодарил (а): 4 раза
- Поблагодарили: 43 раза
Re: Замена штатной магнитолы (варианты установок)
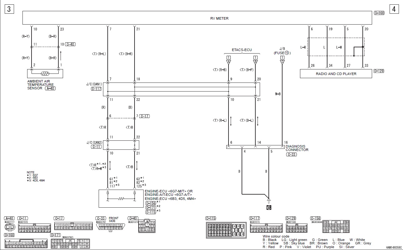
в предыдущем сообщении для Вас http://pajero4x4.ru/bbs/phpBB2/viewtopi ... 1#p2668973 я привел картинку с межсоединениями, к которой могу только добавить названия сигналов шины M-BUS:Peer писал(а): В 698 магнитоле стоит 14 пиновый разъём с другой нумерацией от 1 до 14.
У вас и в схеме нумирация С-129 от 21 до 34. Это важно или нет?
Можно уточнить, какой номер пина какому сигналу, у вас соответствует?
5 = M-BUSY = 27
6 = M-DATA = 26
19 = M-CLOCK = 34
если длина провода будет значительной, то желательно чтобы сигнальные провода были в экране, который в штатной проводке есть
20 = M-SHIELD = 33
Это по сути вопроса. Теперь о разном. Отличие нумерации в том, что я картинки выдергивал из сервисной инструкции на автомобиль (авторства Mitsubishi Motors Corporation), а на вашей картинке кто-то выдернул изображение только разъемов магнитолы из сервисной инструкции только конкретной магнитолы (авторства Mitsubishi Electric). Почему они пронумеровали одни и те же контакты одного и того же разъема магнитолы нужно задавать им, но вряд ли кто-то из них на него ответит... для работоспособности ВАЖНО правильно соединить соответствующие сигналы интерфейсной шины, а нумерацию можете даже свою применить...
-
Peer
- Сообщения: 12
- Зарегистрирован: 06 фев 2018, 22:30
- Двигатель:: 4d56
- Мой автомобиль(и):: Pajero Sport 2
- Откуда: Обнинск
- Благодарил (а): 1 раз
Re: Замена штатной магнитолы (варианты установок)
Сигнал M-SCK на 8 пине моей картинки, соответствует сигналу M-CLOCK на 34 пине (С-129).
Я правильно понимаю?
Я правильно понимаю?
-
krandv
- Сообщения: 273
- Зарегистрирован: 01 дек 2015, 14:50
- Двигатель:: 6B31
- Мой автомобиль(и):: Pajero Sport II Intense AT 3.0
- Откуда: Ростов-на-Дону
- Благодарил (а): 28 раз
- Поблагодарили: 6 раз
Re: Замена штатной магнитолы (варианты установок)
Ну можно и гальваническую развязку сделать через реле, но я поищу разъем магнитолы.swao писал(а):брать информационные сигналы с силовых цепей методически неверно, тем более, что поблизости от места установки магнитолы уже есть нужный сигнал заднего хода -- можно взять с приборки, можно с селектора коробки передач, а еще лучше поискать третий разъем магнитол из старших комплектаций с родной камерой, в котором уже сразу есть и видео для камеры и сигнал заднего хода (в тайских комплектациях вся проводка имеет три разъема, а у калужцев могли и сэкономить -- поищите 8-контактный разъем)krandv писал(а):3) У меня другая магнитола, поэтому сигнал буду брать с плюса фонаря заднего хода, поищу его в проводке
С переходником я разобрался. Они усилитель антенны от майфона запитали на контакт спидометра, перекинул пин в разъеме на нужное место.
Pajero Sport II 2015 г.в., Intense AT, Дрыгатель 6B31 3.0, Синий
-
swao
- Сообщения: 199
- Зарегистрирован: 29 дек 2013, 19:55
- Двигатель:: 4D56
- Мой автомобиль(и):: L200 + NMPS
- Откуда: МСК
- Благодарил (а): 4 раза
- Поблагодарили: 43 раза
Re: Замена штатной магнитолы (варианты установок)
именно так (см. картинку)Peer писал(а):Сигнал M-SCK на 8 пине моей картинки, соответствует сигналу M-CLOCK на 34 пине (С-129).
Я правильно понимаю?
-
swao
- Сообщения: 199
- Зарегистрирован: 29 дек 2013, 19:55
- Двигатель:: 4D56
- Мой автомобиль(и):: L200 + NMPS
- Откуда: МСК
- Благодарил (а): 4 раза
- Поблагодарили: 43 раза
Re: Замена штатной магнитолы (варианты установок)
такие случаи медицине известны (раздолбаи, одним словом, переходники комплектовали к магнитоле)krandv писал(а): С переходником я разобрался. Они усилитель антенны от майфона запитали на контакт спидометра, перекинул пин в разъеме на нужное место.
-
Peer
- Сообщения: 12
- Зарегистрирован: 06 фев 2018, 22:30
- Двигатель:: 4d56
- Мой автомобиль(и):: Pajero Sport 2
- Откуда: Обнинск
- Благодарил (а): 1 раз
Re: Замена штатной магнитолы (варианты установок)
Спасибо! Всё заработало!!!swao писал(а): именно так (см. картинку)
Консультация хорошего спеца на этом форуме, закрыла мои двух недельные поиски!
P.S.
А для любопытсва, подскажите пожалуйста:
1. Что подаётся на 25 пин БК DU600?
2. Что это за сигналы REMO SIG1 и REMO SIG2 идут из магнитолы на пинах 3 и 10?
-
swao
- Сообщения: 199
- Зарегистрирован: 29 дек 2013, 19:55
- Двигатель:: 4D56
- Мой автомобиль(и):: L200 + NMPS
- Откуда: МСК
- Благодарил (а): 4 раза
- Поблагодарили: 43 раза
Re: Замена штатной магнитолы (варианты установок)
1) на 25-й сигнал подсветки чтобы при включенной подсветке БК снизил яркость и не слепил водителя ярким свечением;Peer писал(а): А для любопытсва, подскажите пожалуйста:
1. Что подаётся на 25 пин БК DU600?
2. Что это за сигналы REMO SIG1 и REMO SIG2 идут из магнитолы на пинах 3 и 10?
2) между 3-м и 10-м контактами должны быть резистивные кнопки руля, поэтому можете сделать в гараже дистанционное управление магнитолой
-
Peer
- Сообщения: 12
- Зарегистрирован: 06 фев 2018, 22:30
- Двигатель:: 4d56
- Мой автомобиль(и):: Pajero Sport 2
- Откуда: Обнинск
- Благодарил (а): 1 раз
Re: Замена штатной магнитолы (варианты установок)
Проводное? Если проводное, то думаю - не стоит.swao писал(а): между 3-м и 10-м контактами должны быть резистивные кнопки руля, поэтому можете сделать в гараже дистанционное управление магнитолой
Это что -то похожее?
- Вложения
-
- 3_4 RADIO AND CD PLAYER _VEHICLES WITHOUT AUDIO AMPLIFIER.pdf
- (107 КБ) 53 скачивания
