Нумерация разъёма со стороны проводов.
TRT "107-108" Для стандарта и не только! (4.04.2026) Форум Обсуждение FAQ
Отвечу на вопросы по автоэлектрике
Модераторы: SNOOPER, Nbf, Romik, BAlex
-
bodi
- Сообщения: 865
- Зарегистрирован: 05 апр 2010, 09:05
- Двигатель:: 4m41
- Мой автомобиль(и):: Mitsubishi Pajero 4
- Откуда: Тамбов
- Откуда: г.Тамбов
- Поблагодарили: 7 раз
Отвечу на вопросы по автоэлектрике
добрый день. помогите разобраться. ставил сигналку .
1. поставил работает кан тоже подключал . но на добыло до поключить входа в нее с цз на о налоговый слейв. все сделал
проездил неделю
2. вчера вечером полез до подключил
начал заводить . заводится и через несколько секунд глохнет. если далее заводить не заводится выдает ошибку U1117 если выключить зажигание заводится и потом глохнет.
сигу отключил .
думаю куда лезть похоже имобилайзер вырубает авто
1. поставил работает кан тоже подключал . но на добыло до поключить входа в нее с цз на о налоговый слейв. все сделал
проездил неделю
2. вчера вечером полез до подключил
начал заводить . заводится и через несколько секунд глохнет. если далее заводить не заводится выдает ошибку U1117 если выключить зажигание заводится и потом глохнет.
сигу отключил .
думаю куда лезть похоже имобилайзер вырубает авто
- YuginZ
- Сообщения: 88
- Зарегистрирован: 13 фев 2016, 18:19
- Двигатель:: Дизель
- Мой автомобиль(и):: Pajero 4
- Откуда: Химки М.О.
- Благодарил (а): 4 раза
- Поблагодарили: 7 раз
Отвечу на вопросы по автоэлектрике
Начните с проверки всех предохранителей . Старлайм-панда не умеют реализовывать блокировку двигателя по CAN на этом авто + вы блок отключили .
А U1117 - обычная ошибка на японце , при использовании системы с автозапуском с бесключевым обходом иммо
-
bodi
- Сообщения: 865
- Зарегистрирован: 05 апр 2010, 09:05
- Двигатель:: 4m41
- Мой автомобиль(и):: Mitsubishi Pajero 4
- Откуда: Тамбов
- Откуда: г.Тамбов
- Поблагодарили: 7 раз
Отвечу на вопросы по автоэлектрике
сигу полностью отключил. преды проверил все целы
ищу схему чтоб питание проверить. может провод отвалился какой
ищу схему чтоб питание проверить. может провод отвалился какой
-
bodi
- Сообщения: 865
- Зарегистрирован: 05 апр 2010, 09:05
- Двигатель:: 4m41
- Мой автомобиль(и):: Mitsubishi Pajero 4
- Откуда: Тамбов
- Откуда: г.Тамбов
- Поблагодарили: 7 раз
Отвечу на вопросы по автоэлектрике
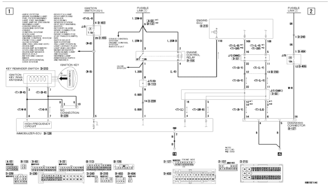
Судя по схеме, с блока комфорта только «+» идёт через предохранитель на иммобилайзер.
-
bodi
- Сообщения: 865
- Зарегистрирован: 05 апр 2010, 09:05
- Двигатель:: 4m41
- Мой автомобиль(и):: Mitsubishi Pajero 4
- Откуда: Тамбов
- Откуда: г.Тамбов
- Поблагодарили: 7 раз
Отвечу на вопросы по автоэлектрике
Всетаки наверно умер имо
Вижу два варианта
1. Отписать имо с ЭБУ.
2. Прменять блок имо но тут недоконца понимаю. Имо нужно пришивать к мозгам. Или достаточно поменять имо и прописать чипы?
Вижу два варианта
1. Отписать имо с ЭБУ.
2. Прменять блок имо но тут недоконца понимаю. Имо нужно пришивать к мозгам. Или достаточно поменять имо и прописать чипы?
- SNOOPER
- Модератор
- Сообщения: 57317
- Зарегистрирован: 11 дек 2004, 19:49
- Двигатель:: 4D56
- Мой автомобиль(и):: NewMPS
- Откуда: 78
- Откуда: Spb
- Благодарил (а): 1020 раз
- Поблагодарили: 4762 раза
Отвечу на вопросы по автоэлектрике
-
Thor-51
- Сообщения: 1
- Зарегистрирован: 27 ноя 2024, 17:26
- Двигатель:: 4D56
- Мой автомобиль(и):: Mitsubishi L200,2014 г.
- Откуда: Мурманск
Отвечу на вопросы по автоэлектрике
Добрый день, не смог найти ответа на форуме. Mitsubishi L200, 2014 г. Заменил задние датчики ABS вместе с проводкой к мосту.Попытался стереть ошибку ABS с помощью перемычки в диагностич.разъеме, замкнув контакты 1 и 4(земля). У модельного ряда 2014 года распиновка диагностического разъема отличается? У меня в разъеме 1 контактная группа отсутствует. Сама ABS работает, но горит индикация неисправности на приборке, из трех сканеров ни один не смог обнулить "неисправность датчика заднего левого колеса".
Mitsubishi L200, 2014,Super Select
-
Kitsune
- Сообщения: 3
- Зарегистрирован: 27 ноя 2024, 20:26
- Двигатель:: Бензин
- Мой автомобиль(и):: Padjero IV
- Откуда: Москва
Отвечу на вопросы по автоэлектрике
Добрый день, не смогла найти ответ на форуме, помогите. Mitsubishi Padjero IV, 2007 г. Загорелся чек , ASC и пьяная дорога - доехали до сервиса, поставили приговор на датчик скорости ( посмотрела лично - он подправленный был и в масле, со слов приемщика расшатанный) . Заказали оригинал( пришел почему то в пакете) - поменяли ( перестал работать спидометр , ошибки те же при разгоне уже появляются) , сделали диагностику - ситуация поменялась в коде ошибки , приговорили датчик выходного вала. Заказали поменяли - ошибок нет, но теперь спидометр врет на 60 км. Может кто-то сталкивался с такой ситуацией? Электрик сервиса "пытается" понять в чем причина, советуют заказать новый датчик скорости, намекают, что прошлый был бракованный. Помогите , сил уже нет 
-
Kitsune
- Сообщения: 3
- Зарегистрирован: 27 ноя 2024, 20:26
- Двигатель:: Бензин
- Мой автомобиль(и):: Padjero IV
- Откуда: Москва
Отвечу на вопросы по автоэлектрике
Датчик скорости только видела подплавленный был с конца, датчик выходного вала не видела, но говорят, что не видели проблемы в нем. Автоэлектрик при мне твердил, что эти датчики меняются одновременно и должны вставляться одновременно. После замены датчика скорости - спидометр не работал. После замены датчика выходного вала говорят работает спидометр , чек не появляется , но погрешность в 60 км
Последний раз редактировалось Kitsune 28 ноя 2024, 09:14, всего редактировалось 1 раз.
- SNOOPER
- Модератор
- Сообщения: 57317
- Зарегистрирован: 11 дек 2004, 19:49
- Двигатель:: 4D56
- Мой автомобиль(и):: NewMPS
- Откуда: 78
- Откуда: Spb
- Благодарил (а): 1020 раз
- Поблагодарили: 4762 раза
-
Kitsune
- Сообщения: 3
- Зарегистрирован: 27 ноя 2024, 20:26
- Двигатель:: Бензин
- Мой автомобиль(и):: Padjero IV
- Откуда: Москва
Отвечу на вопросы по автоэлектрике
Подплавленный, где разъем. Причину называются попадание влаги туда.
- SNOOPER
- Модератор
- Сообщения: 57317
- Зарегистрирован: 11 дек 2004, 19:49
- Двигатель:: 4D56
- Мой автомобиль(и):: NewMPS
- Откуда: 78
- Откуда: Spb
- Благодарил (а): 1020 раз
- Поблагодарили: 4762 раза
Отвечу на вопросы по автоэлектрике
От влаги не плавится. Но не суть.
Просто если есть повреждения датчиков с внутренней стороны, это механическое повреждение раздатки.
Про замены парами, это пурга.
Пусть внимательнее смотрят проводку.
Просто если есть повреждения датчиков с внутренней стороны, это механическое повреждение раздатки.
Про замены парами, это пурга.
Пусть внимательнее смотрят проводку.
-
SpikerQ
- Сообщения: 3
- Зарегистрирован: 17 ноя 2024, 15:07
- Двигатель:: 6G74 3.5, бензин
- Мой автомобиль(и):: Mitsubishi Pajero III 1999-2006
- Откуда: Боровск
- Благодарил (а): 2 раза
Отвечу на вопросы по автоэлектрике
Добрый вечер!
Помогите пожалуйста с вопросом, досталась машина Mitsubishi Pajero III 3.5 V6 GDI с фарами от комплектации eXclusive, для регистрации авто хотел поставить новые фары Depo, а в них нет патрона для габарита. Не могу найти эти патроны, есть взаимозаменяемые патроны для габаритов от других авто ? Что делать в данной ситуации ?
Помогите пожалуйста с вопросом, досталась машина Mitsubishi Pajero III 3.5 V6 GDI с фарами от комплектации eXclusive, для регистрации авто хотел поставить новые фары Depo, а в них нет патрона для габарита. Не могу найти эти патроны, есть взаимозаменяемые патроны для габаритов от других авто ? Что делать в данной ситуации ?
