TRT - Вдоль р.Киржач. Для стандартных 4х4 (08.11.25) Форум Обсуждение FAQ
	Отчет о ремонте ТНВД 4М41 П3
Модераторы: SNOOPER, Nbf, Romik, BAlex, drcham, алексей - Маленький Мук, DenVer, Алекс
- Злыдня
- Сообщения: 1445
- Зарегистрирован: 24 авг 2012, 13:52
- Двигатель:: 4M41
- Мой автомобиль(и):: Паджеро 3, Турбодизель дыр-дыр-дыр
- Откуда: Новополоцк
- Откуда: Беларусь
- Благодарил (а): 6 раз
- Поблагодарили: 205 раз
Отчет о ремонте ТНВД 4М41 П3
1. Если я правильно понимаю эту аццкую сотону ММС-ридер, настройки цикловой подачи и тайминга приемлемые. Сойдёт для сельской местности.
2. Температура антифриза 94°С, а температура топлива всего 38°С ? Так не бывает. Один из датчиков врёт безбожно.
3. Если в крайнем к салону положении позиционера двигатель не уходит в неконтролируемый набор оборотов, то, увы - ротор сильно изношен. Добро пожаловать в клуб.
			
			
									
						2. Температура антифриза 94°С, а температура топлива всего 38°С ? Так не бывает. Один из датчиков врёт безбожно.
3. Если в крайнем к салону положении позиционера двигатель не уходит в неконтролируемый набор оборотов, то, увы - ротор сильно изношен. Добро пожаловать в клуб.
Сижу, никого не трогаю, починяю примус ©.
Починка примусов системы Zexel VRZ в Беларуси.
+375336964010 Watts App, Viber.
			
						Починка примусов системы Zexel VRZ в Беларуси.
+375336964010 Watts App, Viber.
- 
				Александр_Pajer
- Сообщения: 25
- Зарегистрирован: 05 ноя 2016, 22:29
- Двигатель:: 4M41
- Мой автомобиль(и):: Pajero 3 (2003)
- Откуда: Пудож
- Благодарил (а): 17 раз
Отчет о ремонте ТНВД 4М41 П3
В том то и ситуация, что ротор с муфтой сделаны..
С этим разберусь чуть позже, Спасибо за инфу
 тут у меня вот что.. Все интереснее
    тут у меня вот что.. Все интереснееПосле вчерашнего тестового проезда.. вернулся в гараж и увидел пятно соляры под местом где стояла машина во время всех моих экзекуций
Слегка насторожился.. Завел машину и начал ползать везде на предмет утечки
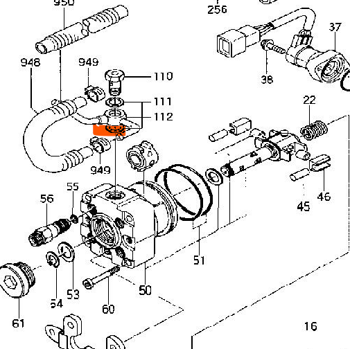
В итоге нашел один косяк.. подтравливает соляра из соединения.. рис 1
По схеме вижу должны стоять 2 прокладки.. У себя верхнюю вижу- нижнюю нет
 , и именно оттуда в сторону блока двигателя травит тонкая струйка - Чтоооо?
 , и именно оттуда в сторону блока двигателя травит тонкая струйка - Чтоооо?  
 Начинаю конечно пытаться открутить это соединиение.. никак. В итоге даже тонкая головка не налезает, упирается в корпус позиционера.. как будто не хватает чуть зазора.. думаю.. ладно, завтра буду пробовать дальше. Попив дома чаю - меня Осенило
 
 ВОЗМОЖНО ли такое что не поставили прокладку.. в итоге болт не докрутился до своего "правильного" посадочного положения, тем самым одна грань болта повернута к позиционеру.. Отсюда не возможность одеть головку, а так же позиционер не могу сдвинуть до самого крайнего положения? Или я ищу суслика там где его нет?

- Злыдня
- Сообщения: 1445
- Зарегистрирован: 24 авг 2012, 13:52
- Двигатель:: 4M41
- Мой автомобиль(и):: Паджеро 3, Турбодизель дыр-дыр-дыр
- Откуда: Новополоцк
- Откуда: Беларусь
- Благодарил (а): 6 раз
- Поблагодарили: 205 раз
Отчет о ремонте ТНВД 4М41 П3
А кем сделаны, интересуюсь спросить?Александр_Pajer писал(а): ↑ В том то и ситуация, что ротор с муфтой сделаны..
Для нижней прокладки в распредголовке отфрезеровано место, чтобы выравнять привалочную плоскость. Это даже на картинке показано. Прокладка частично прячется. Но её всё равно должно быть видно. Прокладка алюминиевая, с обеих сторон к ней приклеены паронитовые шайбы синего цвета.Александр_Pajer писал(а): ↑ По схеме вижу должны стоять 2 прокладки.. У себя верхнюю вижу- нижнюю нет
Поз. 110 называется "основной перепускной клапан". Зажимается исключительно рожковым ключом. Ни накидной, ни головку туда не наложить. В крайнем положении позиционер ни до граней клапана, ни до корпуса его штуцера (поз. 112) своим корпусом не дотягивается.
Чтобы открутить - либо освобождать всё вокруг, либо делать спецключ на 17. Нагреть, согнуть, примерить. А лучше - два, изогнутых под разными углами, чтобы работать ими попеременно.
Сижу, никого не трогаю, починяю примус ©.
Починка примусов системы Zexel VRZ в Беларуси.
+375336964010 Watts App, Viber.
			
						Починка примусов системы Zexel VRZ в Беларуси.
+375336964010 Watts App, Viber.
- 
				Александр_Pajer
- Сообщения: 25
- Зарегистрирован: 05 ноя 2016, 22:29
- Двигатель:: 4M41
- Мой автомобиль(и):: Pajero 3 (2003)
- Откуда: Пудож
- Благодарил (а): 17 раз
Отчет о ремонте ТНВД 4М41 П3
Восстанавливали ребята из Кирова, сейчас контакт не могу найти
В итоге сделал из такого ключа (рис 1) .. просто распилил его на две части, укоротив в два раза, накинулся легко и непринужденно. Но перед этим, пришлось ослабить позиционер и сдвинуть к радиатору.
Открутил перепускной клапан, там была прокладка очень тонкая медная.. заменил на вышуказанную паронитовую с двух сторон а посредине металл. Больше не травит
 
 Позиционер удалось сдвинуть еще чуть.. в итоге вот такие параметры и запускаться стала с пол оборотика. Покатался пол дня пока полет нормальный.. Вроде все хорошо, наверное можно радоваться ))) Но пока еще обкатываю)
Вот что показывает на горячей (рис 2)
- Злыдня
- Сообщения: 1445
- Зарегистрирован: 24 авг 2012, 13:52
- Двигатель:: 4M41
- Мой автомобиль(и):: Паджеро 3, Турбодизель дыр-дыр-дыр
- Откуда: Новополоцк
- Откуда: Беларусь
- Благодарил (а): 6 раз
- Поблагодарили: 205 раз
Отчет о ремонте ТНВД 4М41 П3
Я ж говорил, что один из датчиков врёт. Температура антифриза 120°С? Так это уже паровой двигатель, а не ДВС...
Цикловая подача слишком велика, буквально на грани. С такими показателями холостой ход может подвисать на 1100-1200 об/мин, плохо сбрасывая обороты после отпускания педали акселератора. Лечится принудительным обучением холостому ходу или десятиминутной ездой по светофорам.
			
			
									
						Цикловая подача слишком велика, буквально на грани. С такими показателями холостой ход может подвисать на 1100-1200 об/мин, плохо сбрасывая обороты после отпускания педали акселератора. Лечится принудительным обучением холостому ходу или десятиминутной ездой по светофорам.
Сижу, никого не трогаю, починяю примус ©.
Починка примусов системы Zexel VRZ в Беларуси.
+375336964010 Watts App, Viber.
			
						Починка примусов системы Zexel VRZ в Беларуси.
+375336964010 Watts App, Viber.
- Dizel Man
- Сообщения: 5297
- Зарегистрирован: 16 янв 2005, 13:23
- Двигатель:: 4М41
- Мой автомобиль(и):: Mitsubishi Pajero 3, TLC-60, TLC-78, IFA W50
- Откуда: МО, Мытищи
- Откуда: Мытищи МО
- Благодарил (а): 10 раз
- Поблагодарили: 223 раза
Отчет о ремонте ТНВД 4М41 П3
"Я ж говорил, что один из датчиков врёт. Температура антифриза 120°С?"   Может стоять обманка...
			
			
									
						С уважением, Сергей. Все что мной написано исключительно ИМХО, наработанное годами творческих экспериментов!!!
			
						- 
				Александр_Pajer
- Сообщения: 25
- Зарегистрирован: 05 ноя 2016, 22:29
- Двигатель:: 4M41
- Мой автомобиль(и):: Pajero 3 (2003)
- Откуда: Пудож
- Благодарил (а): 17 раз
Отчет о ремонте ТНВД 4М41 П3
Тоже обратил внимание.. но на приборке стрелка температуры в своем нормальном состоянии (примерно на 9 часов)
Шланги ОЖ тоже все в норме, на ощупь рабочая температура.
Позже залезу проверю датчик ОЖ его сопротивление и что там с ним творится
Это я так понимаю параметр CSP?
Значит еще раз для закрепления, параметры которые должны быть "по паспорту" на прогретой машине
пункты с с привязкой к ММС ридеру
18 позиция - она же Actual TMG - 20,3%.
19 позиция - она же Target TMG - должна в идеале быть аналогичной значению Actual TMG
23 позиция - она же Цикловая подача (CSP) - 25%
Все верно?
Возможно еще что то добавить ?
А какие значения и корреляция должны быть?
- Dizel Man
- Сообщения: 5297
- Зарегистрирован: 16 янв 2005, 13:23
- Двигатель:: 4М41
- Мой автомобиль(и):: Mitsubishi Pajero 3, TLC-60, TLC-78, IFA W50
- Откуда: МО, Мытищи
- Откуда: Мытищи МО
- Благодарил (а): 10 раз
- Поблагодарили: 223 раза
Отчет о ремонте ТНВД 4М41 П3
"а температура топлива всего 38°С ? Так не бывает" - так должно быть. Т воздуха, ОЖ и топлива, утром должна быть +/- идентичной. Если ОЖ=120, значит стоит обманка вместо датчика. На стрелку датчик свой...
			
			
									
						С уважением, Сергей. Все что мной написано исключительно ИМХО, наработанное годами творческих экспериментов!!!
			
						- Злыдня
- Сообщения: 1445
- Зарегистрирован: 24 авг 2012, 13:52
- Двигатель:: 4M41
- Мой автомобиль(и):: Паджеро 3, Турбодизель дыр-дыр-дыр
- Откуда: Новополоцк
- Откуда: Беларусь
- Благодарил (а): 6 раз
- Поблагодарили: 205 раз
Отчет о ремонте ТНВД 4М41 П3
Да. Плюс поз.17 (она же Target CSP). Поз 23 - это Actual CSP. Зависимость такая: при увеличении подачи относительный показатель положения дозмуфты падает и наоборот. Добавляем подачу - проценты падают, снижаем подачу (или прогрессирует износ) - проценты растут.Александр_Pajer писал(а): ↑ 18 позиция - она же Actual TMG - 20,3%.
19 позиция - она же Target TMG - должна в идеале быть аналогичной значению Actual TMG
23 позиция - она же Цикловая подача (CSP) - 25%
Все верно?
По поводу обманки в цепи датчика температуры ОЖ.
Интересная такая обманка получается.
На холодном двигателе температуры нагнетаемого воздуха, ОЖ и топлива считай, совпадают. Потом имеем 36-94-38 и в итоге 53-120-72 соответственно.
Обманки ставят с целью завышения сопротивления в цепи. ЭБУ двигателя интерпретирует такие данные как понижение температуры ОЖ и повышает цикловую подачу.
А в этом случае получается, что сопротивление в цепи падает, причём пропорционально прогреву двигателя.
Я склоняюсь к тому, что установлен неправильный аналог датчика температуры. У меня есть датчик, снятый с двигателя с убитым насосом, показания которого при полностью прогретом двигателе выводятся из ЭБУ на диагностический разъём как -40°С. Внешне - это точная копия "правильного" датчика, только корпус ярко-зелёного цвета. Логично будет предположить, что есть такие же датчики, внешне идентичные оригиналу, но иным образом меняющие своё сопротивление при нагреве.
Вообще, я начинаю беспокоиться, если вижу температуру ОЖ, близкую к 90°С. Да, есть несколько вариантов термостатов с разными порогами срабатывания, но в основном я вижу, что двигатели не набирают больше 84-86°С. Если кто забыл, для процедуры принудительного обучения холостому ходу с нагрузками достаточно уже 78°С, значит, эту температуру уже можно считать "рабочей", всё что выше - кагбэ и необязательно...
И это... 72°С для топлива это тоже как-то многовато. Если это после длительной работы на холостом ходу - ещё ладно. Но в движении, когда поток топлива через полости ТНВД значительно растёт, тем самым охлаждая их, даже в лютую жару на личном а/м я ни разу не видел больше 65°С. Высокая температура топлива говорит о том, что рукожопы могли приложить руки к основному перепускному клапану, забив его шаровую пробку ниже штатных 3-4 мм, либо о засорении сетки вспомогательного перепускного клапана, установленного в верхней тыльной части позиционера.
Сижу, никого не трогаю, починяю примус ©.
Починка примусов системы Zexel VRZ в Беларуси.
+375336964010 Watts App, Viber.
			
						Починка примусов системы Zexel VRZ в Беларуси.
+375336964010 Watts App, Viber.
- Dizel Man
- Сообщения: 5297
- Зарегистрирован: 16 янв 2005, 13:23
- Двигатель:: 4М41
- Мой автомобиль(и):: Mitsubishi Pajero 3, TLC-60, TLC-78, IFA W50
- Откуда: МО, Мытищи
- Откуда: Мытищи МО
- Благодарил (а): 10 раз
- Поблагодарили: 223 раза
Отчет о ремонте ТНВД 4М41 П3
Значит, есть проблема. Нужно тестировать систему охлаждения.На холодном двигателе температуры нагнетаемого воздуха, ОЖ и топлива считай, совпадают. Потом имеем 36-94-38 и в итоге 53-120-72 соответственно.
Вы правы, тут всего многовато. Правда, при исходной Т воздуха "за бортом" и под капотом в 36 градусов говорить о нормах сложно, это критические условия эксплуатации. Растет Т ОЖ, растет Т топлива и воздуха под капотом. Забитый радиатор, подуставшая вискомуфта, "горячий" термостат, все влияет на указанные параметры. При высокой Т топлива, комп должен увеличивать подачу топлива, компенсируя повышенные утечки в ТНВД. А зеленый дачик Т, может быть просто термореле и рвать/коротить цепь при достижении заданной температуры...И это... 72°С для топлива это тоже как-то многовато. Если это после длительной работы на холостом ходу - ещё ладно. Но в движении, когда поток топлива через полости ТНВД значительно растёт, тем самым охлаждая их, даже в лютую жару на личном а/м я ни разу не видел больше 65°С. Высокая температура топлива говорит о том, что рукожопы могли приложить руки к основному перепускному клапану, забив его шаровую пробку ниже штатных 3-4 мм, либо о засорении сетки вспомогательного перепускного клапана, установленного в верхней тыльной части позиционера.
С уважением, Сергей. Все что мной написано исключительно ИМХО, наработанное годами творческих экспериментов!!!
			
						- Злыдня
- Сообщения: 1445
- Зарегистрирован: 24 авг 2012, 13:52
- Двигатель:: 4M41
- Мой автомобиль(и):: Паджеро 3, Турбодизель дыр-дыр-дыр
- Откуда: Новополоцк
- Откуда: Беларусь
- Благодарил (а): 6 раз
- Поблагодарили: 205 раз
Отчет о ремонте ТНВД 4М41 П3
Нет, просто у термопары, которая внутри зелёного датчика, иной рабочий диапазон изменения сопротивления. Датчик когда-то подобрали по резьбе и по штекеру, проверить тестером не удосужились.
Но могли это сделать специально, для того, чтобы увеличить ЦП без видимых вмешательств в цепь датчика.
			
			
									
						Но могли это сделать специально, для того, чтобы увеличить ЦП без видимых вмешательств в цепь датчика.
Сижу, никого не трогаю, починяю примус ©.
Починка примусов системы Zexel VRZ в Беларуси.
+375336964010 Watts App, Viber.
			
						Починка примусов системы Zexel VRZ в Беларуси.
+375336964010 Watts App, Viber.
- Dizel Man
- Сообщения: 5297
- Зарегистрирован: 16 янв 2005, 13:23
- Двигатель:: 4М41
- Мой автомобиль(и):: Mitsubishi Pajero 3, TLC-60, TLC-78, IFA W50
- Откуда: МО, Мытищи
- Откуда: Мытищи МО
- Благодарил (а): 10 раз
- Поблагодарили: 223 раза
Отчет о ремонте ТНВД 4М41 П3
Проще было снять разъем...   
			
			
									
						
С уважением, Сергей. Все что мной написано исключительно ИМХО, наработанное годами творческих экспериментов!!!
			
						- .kkursor
- Сообщения: 1508
- Зарегистрирован: 21 авг 2014, 10:37
- Двигатель:: 4M41 VRZ
- Мой автомобиль(и):: тыр-тыр 16 дыр
- Откуда: Москвачкала
- Благодарил (а): 154 раза
- Поблагодарили: 113 раз
Отчет о ремонте ТНВД 4М41 П3
А давайте на *ты*, а? А то все серьёзные такие, я не могу. Фу такими быть!
			
						- 
				Александр_Pajer
- Сообщения: 25
- Зарегистрирован: 05 ноя 2016, 22:29
- Двигатель:: 4M41
- Мой автомобиль(и):: Pajero 3 (2003)
- Откуда: Пудож
- Благодарил (а): 17 раз
Отчет о ремонте ТНВД 4М41 П3
И так во первых Спасибо за участие, науку и подсказки. Вымыл радиатор и заодно бачок расширительный, залил свежую ОЖ, на обоих датчиках температуры почистил контакты, поменял до кучи один шланг (самый верхний, от радиатора к блоку где датчики) он мне не нравился, местами трещины мелкие, но не сопливил.
В итоге по температуре все выровнялось до приемлемых значений как понимаю, Ура!! Спасибо за наводки 
 
Теперь следующий шаг это все же решить с параметром Цикловой подачи (CSP) ?
Если бы не показания сканера, вообще не подумал что что-то не так, машина отлично заводится и на педаль реагирует сразу, ничего не плавает, и работает ровно и тихо))
Но Сказано же должно быть 25% по CSP - яж спать не смогу )))
Какие мои следующие шаги? Куда копать?
			
							
			
									
						В итоге по температуре все выровнялось до приемлемых значений как понимаю, Ура!! Спасибо за наводки
 
 Теперь следующий шаг это все же решить с параметром Цикловой подачи (CSP) ?
Если бы не показания сканера, вообще не подумал что что-то не так, машина отлично заводится и на педаль реагирует сразу, ничего не плавает, и работает ровно и тихо))
Но Сказано же должно быть 25% по CSP - яж спать не смогу )))
Какие мои следующие шаги? Куда копать?
- Dizel Man
- Сообщения: 5297
- Зарегистрирован: 16 янв 2005, 13:23
- Двигатель:: 4М41
- Мой автомобиль(и):: Mitsubishi Pajero 3, TLC-60, TLC-78, IFA W50
- Откуда: МО, Мытищи
- Откуда: Мытищи МО
- Благодарил (а): 10 раз
- Поблагодарили: 223 раза
Отчет о ремонте ТНВД 4М41 П3
Пойти и счастливо уснуть. Не лезьте туда, что не можете профессионально изменить/настроить.  
			
			
									
						Считайте, что сканер Вас обманул...Если бы не показания сканера, вообще не подумал что что-то не так, машина отлично заводится и на педаль реагирует сразу, ничего не плавает, и работает ровно и тихо))
С уважением, Сергей. Все что мной написано исключительно ИМХО, наработанное годами творческих экспериментов!!!
			
						- Dizel Man
- Сообщения: 5297
- Зарегистрирован: 16 янв 2005, 13:23
- Двигатель:: 4М41
- Мой автомобиль(и):: Mitsubishi Pajero 3, TLC-60, TLC-78, IFA W50
- Откуда: МО, Мытищи
- Откуда: Мытищи МО
- Благодарил (а): 10 раз
- Поблагодарили: 223 раза
Отчет о ремонте ТНВД 4М41 П3
И то, чем Вы пользуетесь, это не сканер, это показометр который параметры измеряет в "попугаях"...
			
			
									
						С уважением, Сергей. Все что мной написано исключительно ИМХО, наработанное годами творческих экспериментов!!!
			
						- 
				охрим
- Сообщения: 13
- Зарегистрирован: 12 авг 2021, 14:54
- Двигатель:: 4м41 дизель
- Мой автомобиль(и):: pajero 3
- Откуда: Днепр
Отчет о ремонте ТНВД 4М41 П3
Добрый день! Может кто-то знает где можно купить новый позицыонер на тнвд 4м41 3.2 в Украине?Или может у когото есь лишний?какая его примерная цена?
			
			
									
						- Злыдня
- Сообщения: 1445
- Зарегистрирован: 24 авг 2012, 13:52
- Двигатель:: 4M41
- Мой автомобиль(и):: Паджеро 3, Турбодизель дыр-дыр-дыр
- Откуда: Новополоцк
- Откуда: Беларусь
- Благодарил (а): 6 раз
- Поблагодарили: 205 раз
Отчет о ремонте ТНВД 4М41 П3
охрим, в любом автомагазине заказать по номеру 149805-0621 ZEXEL или 9 443 613 373 BOSCH. Цена будет зависеть от жадности продавца. На Озоне он новый стоит $305.
			
			
									
						Сижу, никого не трогаю, починяю примус ©.
Починка примусов системы Zexel VRZ в Беларуси.
+375336964010 Watts App, Viber.
			
						Починка примусов системы Zexel VRZ в Беларуси.
+375336964010 Watts App, Viber.
- Злыдня
- Сообщения: 1445
- Зарегистрирован: 24 авг 2012, 13:52
- Двигатель:: 4M41
- Мой автомобиль(и):: Паджеро 3, Турбодизель дыр-дыр-дыр
- Откуда: Новополоцк
- Откуда: Беларусь
- Благодарил (а): 6 раз
- Поблагодарили: 205 раз
Отчет о ремонте ТНВД 4М41 П3
Не лезть в двигатель, не мешать ему работать. Раз система не уводит показатель тайминга от порога в 20,3%, значит, всё её устраивает - и подача, и температуры, и политическая ситуация в Беларуси.Александр_Pajer писал(а): ↑ Какие мои следующие шаги? Куда копать?
Сижу, никого не трогаю, починяю примус ©.
Починка примусов системы Zexel VRZ в Беларуси.
+375336964010 Watts App, Viber.
			
						Починка примусов системы Zexel VRZ в Беларуси.
+375336964010 Watts App, Viber.



