TRT - Вдоль р.Киржач. Для стандартных 4х4 (08.11.25) Форум Обсуждение FAQ
На горячую не заводится совсем.
Модераторы: SNOOPER, Nbf, Romik, BAlex, drcham, алексей - Маленький Мук, DenVer
Re: На горячую не заводится совсем.
Нифига не понимаю ))
Никогда не видел такого девайса на своем движке.
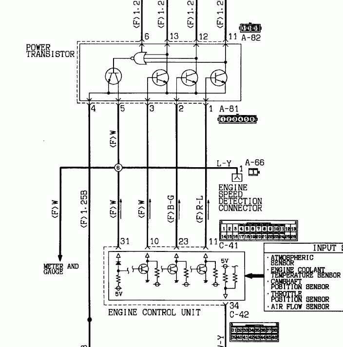
Судя по последней схеме он с трамблером работает.
А может кто-нибудь сфоткать где стоит коробочка, или на схеме 6G74 показать?
P.S. без тахометра уже 6 лет езжу, тахометр менял, паял сейчас точно живой (при подключении к сигналу на катушку показывает 1/3 от правильных показаний), коммутатор менял, проводка от коммутатора к тахометру живая (звонил, и какой-то сигнал приходит).
Никогда не видел такого девайса на своем движке.
Судя по последней схеме он с трамблером работает.
А может кто-нибудь сфоткать где стоит коробочка, или на схеме 6G74 показать?
P.S. без тахометра уже 6 лет езжу, тахометр менял, паял сейчас точно живой (при подключении к сигналу на катушку показывает 1/3 от правильных показаний), коммутатор менял, проводка от коммутатора к тахометру живая (звонил, и какой-то сигнал приходит).
Pajero II, 3.5 (6G74 MPI DOHC), АКПП, 1996 г.в., 5 дв., 4 см. бодик, Monomax+Rancho, BFG 285/75R16, Хоботок
УАЗко 31514 1997 г.в., Fedima Sirocco 285/75R16, Хоботок, Вояки, РИФ
УАЗко 31514 1997 г.в., Fedima Sirocco 285/75R16, Хоботок, Вояки, РИФ
- Lukich111
- Сообщения: 3432
- Зарегистрирован: 16 янв 2011, 18:48
- Двигатель:: Бензин
- Мой автомобиль(и):: H-D Sportster 1200, +-самокатик(был) , 3 моноколеса
- Откуда: С-Петербург
- Откуда: C-Пб-(Мурманск)-
- Благодарил (а): 97 раз
- Поблагодарили: 233 раза
Re: На горячую не заводится совсем.
СогласенSNOOPER писал(а):И не надо, тем болие версия не верна.Lukich111 писал(а): я уж и не знаю, как еще объяснить-то![]()
Речь идёт о фильтре, который рядом с катушкой зажигания.
И вот об этом проводке.
очень злой бывший ОД
диагностика и чип Mitsubishi
диагностика и чип Mitsubishi
- Mr.Maddog
- Сообщения: 1663
- Зарегистрирован: 14 июн 2009, 03:37
- Двигатель:: 6G72 12, 5VZ.
- Мой автомобиль(и):: Pajero 2,был. Prado 120 был.
- Откуда: Якутия
- Благодарил (а): 70 раз
- Поблагодарили: 6 раз
- Контактная информация:
Re: На горячую не заводится совсем.
dvm99 вот фотка того разъёма.в мануале видел про электромагнитный клапан продувки отсобера-у себя его не нашел.....а там как раз фишка похожая на мою.
у меня к отсоберу два шланга,оба сразу на трубки идут без всяких клапанов,и нижний 3 шланчик самый толстый просто висит не к чему не идёт.
у меня к отсоберу два шланга,оба сразу на трубки идут без всяких клапанов,и нижний 3 шланчик самый толстый просто висит не к чему не идёт.
93 год рождения, 3 л ,E-V43W акп-V4AW2.31х10,5х15,кома 9000,пружины сафарёвские,нелинейный бодик+6... Строимся потихой. Продан,но скоро куплю обязательно митсубиси...
- Mr.Maddog
- Сообщения: 1663
- Зарегистрирован: 14 июн 2009, 03:37
- Двигатель:: 6G72 12, 5VZ.
- Мой автомобиль(и):: Pajero 2,был. Prado 120 был.
- Откуда: Якутия
- Благодарил (а): 70 раз
- Поблагодарили: 6 раз
- Контактная информация:
Re: На горячую не заводится совсем.
и к стати про двуходовой клапан,я тут спрашивал может ли он влиять на запуск да и вообще на поведение машины,тут кто то сказал,что никаким боком,а вот наши уазисты инжекторные которые,говорят,что очень даже может,часто причиной плавающих холостых и повышенного расхода топлива,у них была причиной просто лопнувшие шланчики на этом клапане......
93 год рождения, 3 л ,E-V43W акп-V4AW2.31х10,5х15,кома 9000,пружины сафарёвские,нелинейный бодик+6... Строимся потихой. Продан,но скоро куплю обязательно митсубиси...
- John_V6
- Сообщения: 240
- Зарегистрирован: 19 мар 2008, 16:07
- Двигатель:: 6G74/24
- Мой автомобиль(и):: Монтеро-2 5дв. Автомат
- Откуда: Иркутск
- Откуда: Восточная Сибирь
- Благодарил (а): 64 раза
- Поблагодарили: 6 раз
Re: На горячую не заводится совсем.
Mr.Maddog, у Вас судя по году выпуска электромагнитного клапана продувки отсобера не должно быть
Montero-II-94г. V45W (R/D Lock) упорно идёт к стоку 275х70х16
RVR-II-99г.(яп.) N74W Sport Gear 215х70х16 продан
Pajero-II-93г.(яп.) V43W Exceed +6 см пр.Y60 33х12.5х15 BFG-АТ продан
Pajero-II-94г.(яп.) V43W Exceed 275х70х16 продан
RVR-II-99г.(яп.) N74W Sport Gear 215х70х16 продан
Pajero-II-93г.(яп.) V43W Exceed +6 см пр.Y60 33х12.5х15 BFG-АТ продан
Pajero-II-94г.(яп.) V43W Exceed 275х70х16 продан
- Mr.Maddog
- Сообщения: 1663
- Зарегистрирован: 14 июн 2009, 03:37
- Двигатель:: 6G72 12, 5VZ.
- Мой автомобиль(и):: Pajero 2,был. Prado 120 был.
- Откуда: Якутия
- Благодарил (а): 70 раз
- Поблагодарили: 6 раз
- Контактная информация:
Re: На горячую не заводится совсем.
написано в мануале,что с середины 92 года
93 год рождения, 3 л ,E-V43W акп-V4AW2.31х10,5х15,кома 9000,пружины сафарёвские,нелинейный бодик+6... Строимся потихой. Продан,но скоро куплю обязательно митсубиси...
- dvm99
- Сообщения: 21721
- Зарегистрирован: 21 май 2012, 20:59
- Двигатель:: 6G72, 12клап.,
- Мой автомобиль(и):: Pajero2, Запорожец- Ланос
- Откуда: Свердловская обл.
- Благодарил (а): 706 раз
- Поблагодарили: 1026 раз
Re: На горячую не заводится совсем.
На 74-м движке этого девайса нету.wildrabit писал(а):Нифига не понимаю ))
Никогда не видел такого девайса на своем движке.
Судя по последней схеме он с трамблером работает.
А может кто-нибудь сфоткать где стоит коробочка, или на схеме 6G74 показать?
P.S. без тахометра уже 6 лет езжу, тахометр менял, паял сейчас точно живой (при подключении к сигналу на катушку показывает 1/3 от правильных показаний), коммутатор менял, проводка от коммутатора к тахометру живая (звонил, и какой-то сигнал приходит).
У тебя иначе сделано: сигнал на нахометр идёт не с зажигания (как на 72), а с ЭБУ с 31 ножки разъёма С-42, провод белого цвета.
Дмитрий
Боливар2 - П2, 92г., V43, 6G72(12V), V4AW2, RD/L, пруль (чистокровный японский рысак)
Боливар1 - П2, 93г., 6G72(12V), МКПП, V43, RD/L, Европа (славный был конь, но уже донор)
Боливар2 - П2, 92г., V43, 6G72(12V), V4AW2, RD/L, пруль (чистокровный японский рысак)
Боливар1 - П2, 93г., 6G72(12V), МКПП, V43, RD/L, Европа (славный был конь, но уже донор)
- dvm99
- Сообщения: 21721
- Зарегистрирован: 21 май 2012, 20:59
- Двигатель:: 6G72, 12клап.,
- Мой автомобиль(и):: Pajero2, Запорожец- Ланос
- Откуда: Свердловская обл.
- Благодарил (а): 706 раз
- Поблагодарили: 1026 раз
Re: На горячую не заводится совсем.
Блин, хоть бы в профиле указал, что у тебя правый руль!Mr.Maddog писал(а):dvm99 вот фотка того разъёма.в мануале видел про электромагнитный клапан продувки отсобера-у себя его не нашел.....а там как раз фишка похожая на мою.
у меня к отсоберу два шланга,оба сразу на трубки идут без всяких клапанов,и нижний 3 шланчик самый толстый просто висит не к чему не идёт.
Но разьём на самом деле похож на разъём клапана продувки адсорбера. Клапан должен был стоять на перегородке кронштейна АКБ (стрелочкой указал).
Получается, что у тебя адсорбер продувается постоянно. По идее это не хорошо, хотя и не думаю, что очень критично. Советую либо найти и поставить клапан, либо как минимум отцепить шланг от адсорбера, который идёт к дросселю и заткнуть его, чтоб не было подсоса. Штуцер адсорбера оставь открытым.
Дмитрий
Боливар2 - П2, 92г., V43, 6G72(12V), V4AW2, RD/L, пруль (чистокровный японский рысак)
Боливар1 - П2, 93г., 6G72(12V), МКПП, V43, RD/L, Европа (славный был конь, но уже донор)
Боливар2 - П2, 92г., V43, 6G72(12V), V4AW2, RD/L, пруль (чистокровный японский рысак)
Боливар1 - П2, 93г., 6G72(12V), МКПП, V43, RD/L, Европа (славный был конь, но уже донор)
- Max0403
- Сообщения: 957
- Зарегистрирован: 21 фев 2013, 10:45
- Двигатель:: 2.0 всего....
- Мой автомобиль(и):: Honda CR-V "Бешеная табуретка"
- Откуда: Ярославль
- Благодарил (а): 13 раз
- Поблагодарили: 25 раз
Re: На горячую не заводится совсем.
Дим у меня такая же фигня, т.е. нету клапана электро на продувке адсорбера, хотя должен быть. Так вот я сделал как было у меня на БэМэВэ и на .... то ли на древней ВАЗ 2110, то ли на 2109 я уже не помню, так вот я поставил клапан с проходимостью в одну сторону, круглый такой. В любом автомаге наше марок есть. Он туго продувается, т.е. открывается на больших оборотах и забирает из адсорбера все, что нужно )))
Максим
Фрезерные и лазерные станки с ЧПУ
Фрезерные и лазерные станки с ЧПУ
Re: На горячую не заводится совсем.
Странно, у меня провод от коммутатора (точнее сумматора который в одном корпусе с коммутатором) звонится до сигнального контакта тахометра.dvm99 писал(а):сигнал на нахометр идёт не с зажигания (как на 72), а с ЭБУ с 31 ножки разъёма С-42, провод белого цвета
Спасибо за подсказку, попробую в этом направлении покопать.
Pajero II, 3.5 (6G74 MPI DOHC), АКПП, 1996 г.в., 5 дв., 4 см. бодик, Monomax+Rancho, BFG 285/75R16, Хоботок
УАЗко 31514 1997 г.в., Fedima Sirocco 285/75R16, Хоботок, Вояки, РИФ
УАЗко 31514 1997 г.в., Fedima Sirocco 285/75R16, Хоботок, Вояки, РИФ
- dvm99
- Сообщения: 21721
- Зарегистрирован: 21 май 2012, 20:59
- Двигатель:: 6G72, 12клап.,
- Мой автомобиль(и):: Pajero2, Запорожец- Ланос
- Откуда: Свердловская обл.
- Благодарил (а): 706 раз
- Поблагодарили: 1026 раз
Re: На горячую не заводится совсем.
Упс! Маленькое упущение, сори. Что-то сразу не открыл схему зажигания, а сейчас гллянул.wildrabit писал(а):Странно, у меня провод от коммутатора (точнее сумматора который в одном корпусе с коммутатором) звонится до сигнального контакта тахометра.dvm99 писал(а):сигнал на нахометр идёт не с зажигания (как на 72), а с ЭБУ с 31 ножки разъёма С-42, провод белого цвета
Спасибо за подсказку, попробую в этом направлении покопать.
В общем мой предыдущий пост не совсем верный. Нет, сигнал на ЭБУ есть, но он идёт не ОТ него, а НА него с коммутатора и параллельно идёт на панель к тахометру. В ЭБУ по этому месту идёт контроль о пропусках зажигания для формирования ошибки. Таким образом если ЧЕКЭНЖ не светится, то сигнал нормальный, и тахометр должен работать. Видимо он всё- таки где-то теряется...
Дмитрий
Боливар2 - П2, 92г., V43, 6G72(12V), V4AW2, RD/L, пруль (чистокровный японский рысак)
Боливар1 - П2, 93г., 6G72(12V), МКПП, V43, RD/L, Европа (славный был конь, но уже донор)
Боливар2 - П2, 92г., V43, 6G72(12V), V4AW2, RD/L, пруль (чистокровный японский рысак)
Боливар1 - П2, 93г., 6G72(12V), МКПП, V43, RD/L, Европа (славный был конь, но уже донор)
Re: На горячую не заводится совсем.
Последний глупый вопрос по тахометру, чтобы не засорять тему.dvm99 писал(а):
Тахометры у всех PII одинаковые?
Точнее сигнал на них.
Если мне вдруг попался тахометр с 6g72 12 кл. (или вообще с дизеляки), он будет работать на моем 6g74?
Ну и по сабжу темы.
Дело не в бензонасосе.
Вчера для проверки поставил другой бензонасос, ситуация не изменилась.
Pajero II, 3.5 (6G74 MPI DOHC), АКПП, 1996 г.в., 5 дв., 4 см. бодик, Monomax+Rancho, BFG 285/75R16, Хоботок
УАЗко 31514 1997 г.в., Fedima Sirocco 285/75R16, Хоботок, Вояки, РИФ
УАЗко 31514 1997 г.в., Fedima Sirocco 285/75R16, Хоботок, Вояки, РИФ
- Mr.Maddog
- Сообщения: 1663
- Зарегистрирован: 14 июн 2009, 03:37
- Двигатель:: 6G72 12, 5VZ.
- Мой автомобиль(и):: Pajero 2,был. Prado 120 был.
- Откуда: Якутия
- Благодарил (а): 70 раз
- Поблагодарили: 6 раз
- Контактная информация:
Re: На горячую не заводится совсем.
dvm99 спасибо за ответ,попробую поставить клапан.
вроде у меня с запуском наладилось,после замены прводки.
вроде у меня с запуском наладилось,после замены прводки.
93 год рождения, 3 л ,E-V43W акп-V4AW2.31х10,5х15,кома 9000,пружины сафарёвские,нелинейный бодик+6... Строимся потихой. Продан,но скоро куплю обязательно митсубиси...
Re: На горячую не заводится совсем.
А какую проводку менял?Mr.Maddog писал(а):dvm99 спасибо за ответ,попробую поставить клапан.
вроде у меня с запуском наладилось,после замены прводки.
Pajero II, 3.5 (6G74 MPI DOHC), АКПП, 1996 г.в., 5 дв., 4 см. бодик, Monomax+Rancho, BFG 285/75R16, Хоботок
УАЗко 31514 1997 г.в., Fedima Sirocco 285/75R16, Хоботок, Вояки, РИФ
УАЗко 31514 1997 г.в., Fedima Sirocco 285/75R16, Хоботок, Вояки, РИФ
-
Олег....
- Сообщения: 1711
- Зарегистрирован: 21 май 2010, 15:43
- Двигатель:: 6G72
- Мой автомобиль(и):: Montero Sport
- Откуда: Таганрог
- Благодарил (а): 69 раз
- Поблагодарили: 86 раз
- Контактная информация:
Re: На горячую не заводится совсем.
Найди мою тему про починку тахометра. Там много букв, но расписано подробно. В кратце - я заставил работать тахометр от дизеляки на 6g74.wildrabit писал(а):Последний глупый вопрос по тахометру, чтобы не засорять тему.dvm99 писал(а):
Тахометры у всех PII одинаковые?
Точнее сигнал на них.
Если мне вдруг попался тахометр с 6g72 12 кл. (или вообще с дизеляки), он будет работать на моем 6g74?
Montero Sport 2003 6G72. 32е ATэшечки, хобот, радейка. Спальник.
ПРОДАН Montero'94 6G74 АККП Длинный, 31-е мудричи, хобот и крепкий бампер. Рации всякие.
ПРОДАН Montero'94 6G74 АККП Длинный, 31-е мудричи, хобот и крепкий бампер. Рации всякие.
Re: На горячую не заводится совсем.
Чтобы здесь не флудить, я тебе в старой теме вопрос скинул:Олег.... писал(а):Найди мою тему про починку тахометра. Там много букв, но расписано подробно. В кратце - я заставил работать тахометр от дизеляки на 6g74.
http://www.pajero4x4.ru/bbs/phpBB2/view ... 3#p1883543
Pajero II, 3.5 (6G74 MPI DOHC), АКПП, 1996 г.в., 5 дв., 4 см. бодик, Monomax+Rancho, BFG 285/75R16, Хоботок
УАЗко 31514 1997 г.в., Fedima Sirocco 285/75R16, Хоботок, Вояки, РИФ
УАЗко 31514 1997 г.в., Fedima Sirocco 285/75R16, Хоботок, Вояки, РИФ
- Mr.Maddog
- Сообщения: 1663
- Зарегистрирован: 14 июн 2009, 03:37
- Двигатель:: 6G72 12, 5VZ.
- Мой автомобиль(и):: Pajero 2,был. Prado 120 был.
- Откуда: Якутия
- Благодарил (а): 70 раз
- Поблагодарили: 6 раз
- Контактная информация:
Re: На горячую не заводится совсем.
да гавно........проводка не то(((самка собаки неделю проработала без проблем,а теперь опять всё тоже самое........остается слазить в двуходовой клапан.ну и сделать клапан электро на продувке адсорбера-хотя он то точно не причем.
93 год рождения, 3 л ,E-V43W акп-V4AW2.31х10,5х15,кома 9000,пружины сафарёвские,нелинейный бодик+6... Строимся потихой. Продан,но скоро куплю обязательно митсубиси...
Re: На горячую не заводится совсем.
Да я так чую все будет не то, кроме форсунок.Mr.Maddog писал(а):да гавно........проводка не то(((самка собаки неделю проработала без проблем,а теперь опять всё тоже самое........остается слазить в двуходовой клапан.ну и сделать клапан электро на продувке адсорбера-хотя он то точно не причем.
Pajero II, 3.5 (6G74 MPI DOHC), АКПП, 1996 г.в., 5 дв., 4 см. бодик, Monomax+Rancho, BFG 285/75R16, Хоботок
УАЗко 31514 1997 г.в., Fedima Sirocco 285/75R16, Хоботок, Вояки, РИФ
УАЗко 31514 1997 г.в., Fedima Sirocco 285/75R16, Хоботок, Вояки, РИФ
- Mr.Maddog
- Сообщения: 1663
- Зарегистрирован: 14 июн 2009, 03:37
- Двигатель:: 6G72 12, 5VZ.
- Мой автомобиль(и):: Pajero 2,был. Prado 120 был.
- Откуда: Якутия
- Благодарил (а): 70 раз
- Поблагодарили: 6 раз
- Контактная информация:
Re: На горячую не заводится совсем.
нет.писал уже,что двигатель перед снятием именно на эту болячку проверял.
93 год рождения, 3 л ,E-V43W акп-V4AW2.31х10,5х15,кома 9000,пружины сафарёвские,нелинейный бодик+6... Строимся потихой. Продан,но скоро куплю обязательно митсубиси...
Re: На горячую не заводится совсем.
У меня болезнь прогрессирует ((
Теперь и на холодную заводится хреновато.
Но стоит чуть тронуть педаль газа, сразу взлетает.
И на горячую сократилось время, когда начинается затрудненный запуск до 5 минут.
Промерял ДМРВ по книжке, все в норме (только датчик температуры воздуха чуть отличается, но не сильно).
ДПДЗ новый, выставлен по книжке.
В выходные попробую закрутить на минимум/максимум РХХ и отключить питание на него (обмотки звонил, все в норме).
Теперь и на холодную заводится хреновато.
Но стоит чуть тронуть педаль газа, сразу взлетает.
И на горячую сократилось время, когда начинается затрудненный запуск до 5 минут.
Промерял ДМРВ по книжке, все в норме (только датчик температуры воздуха чуть отличается, но не сильно).
ДПДЗ новый, выставлен по книжке.
В выходные попробую закрутить на минимум/максимум РХХ и отключить питание на него (обмотки звонил, все в норме).
Pajero II, 3.5 (6G74 MPI DOHC), АКПП, 1996 г.в., 5 дв., 4 см. бодик, Monomax+Rancho, BFG 285/75R16, Хоботок
УАЗко 31514 1997 г.в., Fedima Sirocco 285/75R16, Хоботок, Вояки, РИФ
УАЗко 31514 1997 г.в., Fedima Sirocco 285/75R16, Хоботок, Вояки, РИФ
