Tanika23 писал(а):
Так, я опять ничо не поняла...а откуда такие выводы? может у меня и в LO греет

...я же написала, что не знаю...
и если это действительно неисправность- то почему не пользоваться? чем это грозит?
пс а термостат как работает, можно для тех кто в танке поподробнее.... у на он точно есть?
в смысле что такое термостат я знаю, а как это в сидухе реализовано?
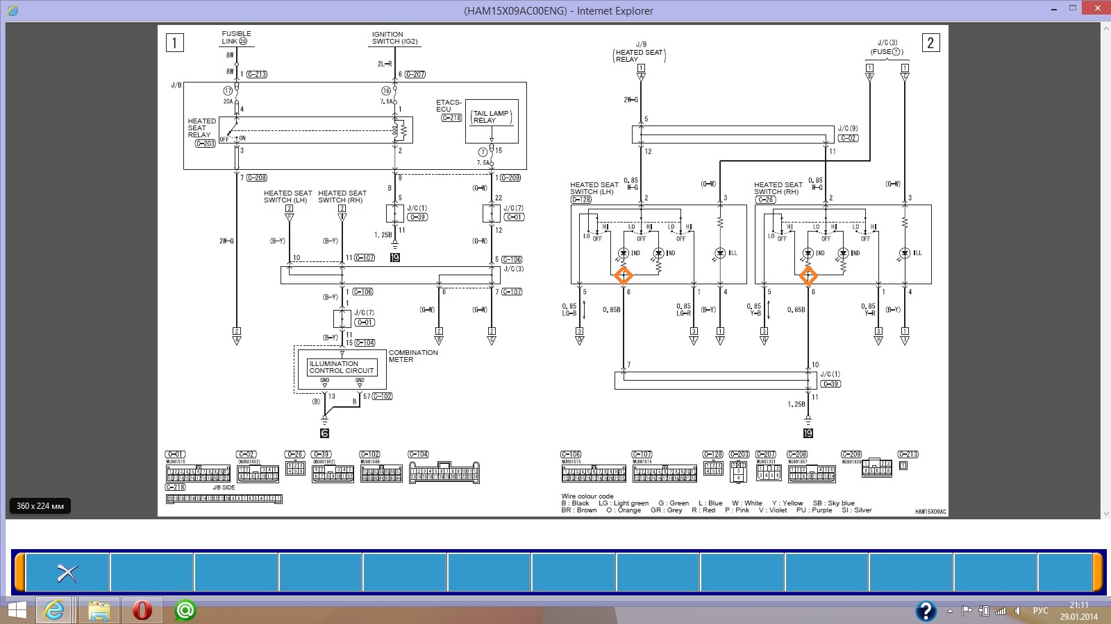
Выводы такие по определению. Потому как в режиме LO все три элемента подключены последовательно как лампочки в гирлянде. Стоит одной перегореть и гирлянда погасла. Так и здесь, перегорел/оборвался провод как на фотке, режима LO не будет. Будет только HI и то за исключением повреждённого элемента.
Тоесть если нет режима LO, а в режиме HI не греет например спинка, то обрыв/прогар в элементе спинки.
Далие в режиме HI элементы перекомутируются так что они работают уже паралельно, и для того чтоб не сгорело седенье и у мужчин не случилось яичницы, стоит термовыключатель (термостат) который отключает подачу напряжения при заданном нагреве.
В режиме LO он не задействован.
Это так на пальцах.
Пока машина на гарантии, можно попробовать прокачать что это гарантийный случай.
Ну и во избежании возгарания и жарки, не пользуйтесь режимом HI, только LO
