На 250тыс.км. сгорела одна лампа. И это при условии, что постоянно ближний свет. Это так, для спавки.Капитан ДИН писал(а): Так же подобное использование, приводит к преждевременному выходу из строя переключателя света,
TRT - Вдоль р.Киржач. Для стандартных 4х4 (08.11.25) Форум Обсуждение FAQ
Куда поставить DRL?
Модераторы: SNOOPER, Alex_SH, Nbf, BAlex, drcham, SoundSpeed
Правила форума
Дорогие друзья!
Пожалуйста, при создании и поиске сообщений не забывайте пользоваться гиперссылками на тематические разделы, расположенными на главной странице раздела "Новый Pajero Sport"
Дорогие друзья!
Пожалуйста, при создании и поиске сообщений не забывайте пользоваться гиперссылками на тематические разделы, расположенными на главной странице раздела "Новый Pajero Sport"
- Mihaprioz
- Сообщения: 580
- Зарегистрирован: 26 июл 2011, 08:48
- Двигатель:: 4Д56
- Мой автомобиль(и):: Pajero Sport New
- Откуда: Надым
- Благодарил (а): 151 раз
- Поблагодарили: 139 раз
Re: Куда поставить DRL?
Зима: Pirelli Winter Ice Zero Friction 265/65 R17 116H XL
Лето: Pirelli Winter Ice Zero Friction 265/65 R17 116H XL
Multitronics RC-700 + 2 парктроника PT-4T, DEFA, Optim 778. ГУ FlyAudio G6000F01
Пружины от Влада 2,5" комфорт. Пороги МШУ.
10.05.2011
Лето: Pirelli Winter Ice Zero Friction 265/65 R17 116H XL
Multitronics RC-700 + 2 парктроника PT-4T, DEFA, Optim 778. ГУ FlyAudio G6000F01
Пружины от Влада 2,5" комфорт. Пороги МШУ.
10.05.2011
- drozd272
- Сообщения: 4813
- Зарегистрирован: 04 апр 2012, 16:03
- Двигатель:: 6В31 бенз 240л.с. 300Н.м прошивка
- Мой автомобиль(и):: МПС 2014
- Откуда: Новосибирск
- Откуда: РФ
- Благодарил (а): 48 раз
- Поблагодарили: 265 раз
Re: Куда поставить DRL?
Керчанин,если это мне адресовано ,то мне этот блок не нужен вообще,я в блоке предохронов под капотом запитаюсь и всё,там есть место,где только при зажигании вкл. появляется +,вот и все решения,ручники,акпп и т.д. не для меня.Я себе купил 10шт. лампочек-диодов за 600 рублей,часть на перед,часть на задний ход пойдёт,вот такие http://ru.aliexpress.com/item/Car-DIY-1 ... wift_null= И не парюсь вообще
,закреплю за сетки их.
Был-ЭЛЬкаёт 2008г.,цветТ-69,Instyle 4AT,M-ASTC TUNING-BOX+168л.с 350Н.м. R18 265/60/18
Был -МПС 2012г ,цвет С-06, Instale S-05 DI-D AT,FGC карта7,литьё R18, ЕТ20 265/60/18
Снова-МПС 2014,цвет С-10,Instyle S-07 AT,бенз 6В31,силовые пороги,прошивка
Был -МПС 2012г ,цвет С-06, Instale S-05 DI-D AT,FGC карта7,литьё R18, ЕТ20 265/60/18
Снова-МПС 2014,цвет С-10,Instyle S-07 AT,бенз 6В31,силовые пороги,прошивка
- Керчанин
- Сообщения: 938
- Зарегистрирован: 02 янв 2011, 11:48
- Двигатель:: Турбодизель 4D56
- Мой автомобиль(и):: MitsubishiL200old-был, MitsubishiL200new-был, MitsubishiPajeroSportII "таец" мод.ряд 14 г
- Откуда: Керчь
- Откуда: Керчь, АР Крым
- Благодарил (а): 413 раз
- Поблагодарили: 63 раза
- Контактная информация:
Re: Куда поставить DRL?
Камрад, как говорится: "Колхоз - дело добровольное!" (это я не по-поводу лампочек) это просто таки поговорка такая!drozd272 писал(а):Керчанин,если это мне адресовано ,то мне этот блок не нужен вообще,я в блоке предохронов под капотом запитаюсь и всё,там есть место,где только при зажигании вкл. появляется +,вот и все решения,ручники,акпп и т.д. не для меня.Я себе купил 10шт. лампочек-диодов за 600 рублей,часть на перед,часть на задний ход пойдёт,вот такие http://ru.aliexpress.com/item/Car-DIY-1 ... wift_null= И не парюсь вообще,закреплю за сетки их.
Живу для тех, кому нужен! Дружу с теми, кто мне верен! Общаюсь с теми, кто приятен! Благодарен тем, кто меня ценит!!!
- drozd272
- Сообщения: 4813
- Зарегистрирован: 04 апр 2012, 16:03
- Двигатель:: 6В31 бенз 240л.с. 300Н.м прошивка
- Мой автомобиль(и):: МПС 2014
- Откуда: Новосибирск
- Откуда: РФ
- Благодарил (а): 48 раз
- Поблагодарили: 265 раз
Re: Куда поставить DRL?
А в чём колхоз...Блок тоже надо к чему то подключать так,что тоже колхоз...кто то блок карячет под капот,я подключаюсь к блоку предохронов,разницы не вижу,кроме финансовой.Да и тема называется Куда поставить DRL? ,уже по себе подразумевает колхоз 
Был-ЭЛЬкаёт 2008г.,цветТ-69,Instyle 4AT,M-ASTC TUNING-BOX+168л.с 350Н.м. R18 265/60/18
Был -МПС 2012г ,цвет С-06, Instale S-05 DI-D AT,FGC карта7,литьё R18, ЕТ20 265/60/18
Снова-МПС 2014,цвет С-10,Instyle S-07 AT,бенз 6В31,силовые пороги,прошивка
Был -МПС 2012г ,цвет С-06, Instale S-05 DI-D AT,FGC карта7,литьё R18, ЕТ20 265/60/18
Снова-МПС 2014,цвет С-10,Instyle S-07 AT,бенз 6В31,силовые пороги,прошивка
- Керчанин
- Сообщения: 938
- Зарегистрирован: 02 янв 2011, 11:48
- Двигатель:: Турбодизель 4D56
- Мой автомобиль(и):: MitsubishiL200old-был, MitsubishiL200new-был, MitsubishiPajeroSportII "таец" мод.ряд 14 г
- Откуда: Керчь
- Откуда: Керчь, АР Крым
- Благодарил (а): 413 раз
- Поблагодарили: 63 раза
- Контактная информация:
Re: Куда поставить DRL?
Ну вот, предупреждал же - это поговорка такая....drozd272 писал(а):А в чём колхоз...Блок тоже надо к чему то подключать так,что тоже колхоз...кто то блок карячет под капот,я подключаюсь к блоку предохронов,разницы не вижу,кроме финансовой.Да и тема называется Куда поставить DRL? ,уже по себе подразумевает колхоз
Живу для тех, кому нужен! Дружу с теми, кто мне верен! Общаюсь с теми, кто приятен! Благодарен тем, кто меня ценит!!!
-
San-Sanich
- Сообщения: 180
- Зарегистрирован: 06 июл 2013, 13:02
- Двигатель:: 4D56
- Мой автомобиль(и):: New MPS 2012
- Откуда: г. Москва
- Благодарил (а): 26 раз
- Поблагодарили: 18 раз
Re: Куда поставить DRL?
Коллеги ! А вот такой вариант - VALEO 044186, никто не рассматривал ? Интересно - подойдет нам по креплению (даже с учетом небольшого колхоза) или нет? Вроде как полный аналог штатных противотуманнок с новых asx.
- drozd272
- Сообщения: 4813
- Зарегистрирован: 04 апр 2012, 16:03
- Двигатель:: 6В31 бенз 240л.с. 300Н.м прошивка
- Мой автомобиль(и):: МПС 2014
- Откуда: Новосибирск
- Откуда: РФ
- Благодарил (а): 48 раз
- Поблагодарили: 265 раз
Re: Куда поставить DRL?
Так ты ссылку скинь...
Был-ЭЛЬкаёт 2008г.,цветТ-69,Instyle 4AT,M-ASTC TUNING-BOX+168л.с 350Н.м. R18 265/60/18
Был -МПС 2012г ,цвет С-06, Instale S-05 DI-D AT,FGC карта7,литьё R18, ЕТ20 265/60/18
Снова-МПС 2014,цвет С-10,Instyle S-07 AT,бенз 6В31,силовые пороги,прошивка
Был -МПС 2012г ,цвет С-06, Instale S-05 DI-D AT,FGC карта7,литьё R18, ЕТ20 265/60/18
Снова-МПС 2014,цвет С-10,Instyle S-07 AT,бенз 6В31,силовые пороги,прошивка
-
San-Sanich
- Сообщения: 180
- Зарегистрирован: 06 июл 2013, 13:02
- Двигатель:: 4D56
- Мой автомобиль(и):: New MPS 2012
- Откуда: г. Москва
- Благодарил (а): 26 раз
- Поблагодарили: 18 раз
Re: Куда поставить DRL?
drozd272 писал(а):Так ты ссылку скинь...
http://www.drive2.ru/l/4653384/
либо вот тут тема про то, что это такое раскрыта
http://mmc-autoelectric.org.ua/outlande ... i-8321a365
- Капитан ДИН
- Сообщения: 4621
- Зарегистрирован: 10 ноя 2014, 01:05
- Двигатель:: 4D56, МКПП, дизель
- Мой автомобиль(и):: Паджеро Спорт 2014
- Откуда: Комсомольск на Амуре.
- Благодарил (а): 173 раза
- Поблагодарили: 399 раз
Re: Куда поставить DRL?
Если ДХО не мощные, то можно и на прямую; плюс взять откуда и собираетесь, а минус ДХО подключить к плюсу лампочки ближнего света, тогда ДХО будет работать, как того требует всё тот же тех регламент, и отключатся при включении ближнего. А лучше подключится к плюсу любой из лампочек габаритов, тогда ДХО будут гаснуть при включении габаритов, ведь всё одно с одними габаритами и ДХО ездить нельзя, а сами ДХО как ночной осветительный прибор, сомнительны... так зачем их гонять ночью. В разрыв питания ДХО полезно воткнуть доп резистор небольшого номинала (пары десятков Ом, подбирать индивидуально) и мощности (обычно 0,5...1Вт), а лучше два, разделив межу ними доп сопративление поровну, и вставить резисторы в местах подключения к полюсам, это несколько ограничит питающий ток светодиодов, тем самым продляя им жизнь, а в случае короткого замыкания цепи, сработают как ограничители тока и предохранители одновременно, напыление с них испарится, и цепь разорвётся. Почему два резистора?, да потому, что цепь ДХО при таком расключении, всегда будет под положительным потенциалом , а ночью с обоих сторон, ведь минус ДХО подключен к плюсу габаритов (ближнего). Если же светодиоды мощные, то лучше развязать их от сети автомобиля релюшкой, спокойнее будет, мы ведь не знаем что за реле там в машине коммутирует нужный нам плюс зажигания, да и лишняя нагрузка любым, даже силовым контактам, здоровья не прибавляет. С этой кстати доп релюшки, с её контактов, в дальнейшем можно будет разбирать сигнал для прочих хотелок, которые должны будут управляться зажиганием.drozd272 писал(а):А в чём колхоз...Блок тоже надо к чему то подключать так,что тоже колхоз...кто то блок карячет под капот,я подключаюсь к блоку предохронов,разницы не вижу,кроме финансовой.Да и тема называется Куда поставить DRL? ,уже по себе подразумевает колхоз
С уважением, Капитан ДИН.
- drozd272
- Сообщения: 4813
- Зарегистрирован: 04 апр 2012, 16:03
- Двигатель:: 6В31 бенз 240л.с. 300Н.м прошивка
- Мой автомобиль(и):: МПС 2014
- Откуда: Новосибирск
- Откуда: РФ
- Благодарил (а): 48 раз
- Поблагодарили: 265 раз
Re: Куда поставить DRL?
Для меня это тёмный лес,реле и т.д.,я когда то ходил в кружок радиолюбителей года 2 в детстве,кое что уже позабыл.Пока временно вот так подключусь,через предохрон,потом реле может поставлю,где то от сигнала валяется.Фото не моё,но будет так.
Был-ЭЛЬкаёт 2008г.,цветТ-69,Instyle 4AT,M-ASTC TUNING-BOX+168л.с 350Н.м. R18 265/60/18
Был -МПС 2012г ,цвет С-06, Instale S-05 DI-D AT,FGC карта7,литьё R18, ЕТ20 265/60/18
Снова-МПС 2014,цвет С-10,Instyle S-07 AT,бенз 6В31,силовые пороги,прошивка
Был -МПС 2012г ,цвет С-06, Instale S-05 DI-D AT,FGC карта7,литьё R18, ЕТ20 265/60/18
Снова-МПС 2014,цвет С-10,Instyle S-07 AT,бенз 6В31,силовые пороги,прошивка
- drozd272
- Сообщения: 4813
- Зарегистрирован: 04 апр 2012, 16:03
- Двигатель:: 6В31 бенз 240л.с. 300Н.м прошивка
- Мой автомобиль(и):: МПС 2014
- Откуда: Новосибирск
- Откуда: РФ
- Благодарил (а): 48 раз
- Поблагодарили: 265 раз
Re: Куда поставить DRL?
Есть и другие варианты с ПТФSan-Sanich писал(а):drozd272 писал(а):Так ты ссылку скинь...![]()
http://www.drive2.ru/l/4653384/
либо вот тут тема про то, что это такое раскрыта
http://mmc-autoelectric.org.ua/outlande ... i-8321a365
Был-ЭЛЬкаёт 2008г.,цветТ-69,Instyle 4AT,M-ASTC TUNING-BOX+168л.с 350Н.м. R18 265/60/18
Был -МПС 2012г ,цвет С-06, Instale S-05 DI-D AT,FGC карта7,литьё R18, ЕТ20 265/60/18
Снова-МПС 2014,цвет С-10,Instyle S-07 AT,бенз 6В31,силовые пороги,прошивка
Был -МПС 2012г ,цвет С-06, Instale S-05 DI-D AT,FGC карта7,литьё R18, ЕТ20 265/60/18
Снова-МПС 2014,цвет С-10,Instyle S-07 AT,бенз 6В31,силовые пороги,прошивка
-
San-Sanich
- Сообщения: 180
- Зарегистрирован: 06 июл 2013, 13:02
- Двигатель:: 4D56
- Мой автомобиль(и):: New MPS 2012
- Откуда: г. Москва
- Благодарил (а): 26 раз
- Поблагодарили: 18 раз
Re: Куда поставить DRL?
за 9 штук (помоему на али) - как то не гуманно. Valeo тоже не гуманно - но у них есть аналог от depo за 1900 за штуку.drozd272 писал(а):Есть и другие варианты с ПТФ
- drozd272
- Сообщения: 4813
- Зарегистрирован: 04 апр 2012, 16:03
- Двигатель:: 6В31 бенз 240л.с. 300Н.м прошивка
- Мой автомобиль(и):: МПС 2014
- Откуда: Новосибирск
- Откуда: РФ
- Благодарил (а): 48 раз
- Поблагодарили: 265 раз
Re: Куда поставить DRL?
Ну,я тебе скажу,есть и дешевле аналог за 500р. с лампочкой внутри,когда то на Эльку ставил в замен разбитой.Только я так и не понял в ссылках,чего они там настраивают-обучают,зачем МУТ им нужен.??
Был-ЭЛЬкаёт 2008г.,цветТ-69,Instyle 4AT,M-ASTC TUNING-BOX+168л.с 350Н.м. R18 265/60/18
Был -МПС 2012г ,цвет С-06, Instale S-05 DI-D AT,FGC карта7,литьё R18, ЕТ20 265/60/18
Снова-МПС 2014,цвет С-10,Instyle S-07 AT,бенз 6В31,силовые пороги,прошивка
Был -МПС 2012г ,цвет С-06, Instale S-05 DI-D AT,FGC карта7,литьё R18, ЕТ20 265/60/18
Снова-МПС 2014,цвет С-10,Instyle S-07 AT,бенз 6В31,силовые пороги,прошивка
-
San-Sanich
- Сообщения: 180
- Зарегистрирован: 06 июл 2013, 13:02
- Двигатель:: 4D56
- Мой автомобиль(и):: New MPS 2012
- Откуда: г. Москва
- Благодарил (а): 26 раз
- Поблагодарили: 18 раз
Re: Куда поставить DRL?
Я так понимаю drl у них завязан через блок ETACS - его и ковыряют.drozd272 писал(а):Только я так и не понял в ссылках,чего они там настраивают-обучают,зачем МУТ им нужен.??
В общем надо понять - наши противотуманки аналогичны туманкам ASX и предпоследнему ауту (3 поколение) - просто ИМХО наиболее правильный будет вариант реализации ДХО ( ну кроме реализации через дальний в пол накала)
- drozd272
- Сообщения: 4813
- Зарегистрирован: 04 апр 2012, 16:03
- Двигатель:: 6В31 бенз 240л.с. 300Н.м прошивка
- Мой автомобиль(и):: МПС 2014
- Откуда: Новосибирск
- Откуда: РФ
- Благодарил (а): 48 раз
- Поблагодарили: 265 раз
Re: Куда поставить DRL?
У нас блок самый простой,в отличии от аута и прочих митс,даже стёкла не поднять через блок,а у них вроде можно.В общем он практически ни чего не может.Можно вот такие наклеить и не парится.
http://www.aliexpress.com/item/2-Pcs-Lo ... 71337.html
Себе наверно вот такие приклею в ПТФ на 84см,наши 90см и не много съедает пластик-крышка,надо будет замерить,а то у меня ещё поверх хром наклеен.
Себе наверно вот такие приклею в ПТФ на 84см,наши 90см и не много съедает пластик-крышка,надо будет замерить,а то у меня ещё поверх хром наклеен.
Был-ЭЛЬкаёт 2008г.,цветТ-69,Instyle 4AT,M-ASTC TUNING-BOX+168л.с 350Н.м. R18 265/60/18
Был -МПС 2012г ,цвет С-06, Instale S-05 DI-D AT,FGC карта7,литьё R18, ЕТ20 265/60/18
Снова-МПС 2014,цвет С-10,Instyle S-07 AT,бенз 6В31,силовые пороги,прошивка
Был -МПС 2012г ,цвет С-06, Instale S-05 DI-D AT,FGC карта7,литьё R18, ЕТ20 265/60/18
Снова-МПС 2014,цвет С-10,Instyle S-07 AT,бенз 6В31,силовые пороги,прошивка
-
San-Sanich
- Сообщения: 180
- Зарегистрирован: 06 июл 2013, 13:02
- Двигатель:: 4D56
- Мой автомобиль(и):: New MPS 2012
- Откуда: г. Москва
- Благодарил (а): 26 раз
- Поблагодарили: 18 раз
Re: Куда поставить DRL?
Да в курсе я про наш вездеход. Дело тут в противотуманной фаре с 2-мя лампами (p13w для ДХО и H8 собственно для туманки ) H8 на стандартные разъемы, а для p13w можно соорудить управление на релюхе (релюхах)drozd272 писал(а):У нас блок самый простой,в отличии от аута и прочих митс,даже стёкла не поднять через блок,а у них вроде можно.В общем он практически ни чего не может.Можно вот такие наклеить и не парится.http://www.aliexpress.com/item/2-Pcs-Lo ... 71337.html
- drozd272
- Сообщения: 4813
- Зарегистрирован: 04 апр 2012, 16:03
- Двигатель:: 6В31 бенз 240л.с. 300Н.м прошивка
- Мой автомобиль(и):: МПС 2014
- Откуда: Новосибирск
- Откуда: РФ
- Благодарил (а): 48 раз
- Поблагодарили: 265 раз
Re: Куда поставить DRL?
Видел я в этой теме кто то ставил подобное,тебе надо просмотреть бегло,там с картинками,вот на их внимание и обращай.Всё уже готовое-заводское по моему Осрам пр-во.
Был-ЭЛЬкаёт 2008г.,цветТ-69,Instyle 4AT,M-ASTC TUNING-BOX+168л.с 350Н.м. R18 265/60/18
Был -МПС 2012г ,цвет С-06, Instale S-05 DI-D AT,FGC карта7,литьё R18, ЕТ20 265/60/18
Снова-МПС 2014,цвет С-10,Instyle S-07 AT,бенз 6В31,силовые пороги,прошивка
Был -МПС 2012г ,цвет С-06, Instale S-05 DI-D AT,FGC карта7,литьё R18, ЕТ20 265/60/18
Снова-МПС 2014,цвет С-10,Instyle S-07 AT,бенз 6В31,силовые пороги,прошивка
-
San-Sanich
- Сообщения: 180
- Зарегистрирован: 06 июл 2013, 13:02
- Двигатель:: 4D56
- Мой автомобиль(и):: New MPS 2012
- Откуда: г. Москва
- Благодарил (а): 26 раз
- Поблагодарили: 18 раз
Re: Куда поставить DRL?
Читал - человек вроде как не в восторге от дхо - да и цена на LEDFOG 101 не радуетdrozd272 писал(а):Видел я в этой теме кто то ставил подобное,тебе надо просмотреть бегло,там с картинками,вот на их внимание и обращай.Всё уже готовое-заводское по моему Осрам пр-во.
- drozd272
- Сообщения: 4813
- Зарегистрирован: 04 апр 2012, 16:03
- Двигатель:: 6В31 бенз 240л.с. 300Н.м прошивка
- Мой автомобиль(и):: МПС 2014
- Откуда: Новосибирск
- Откуда: РФ
- Благодарил (а): 48 раз
- Поблагодарили: 265 раз
Re: Куда поставить DRL?
Ага,вроде про эти я упаминул,тоже цена запомнилась.
Был-ЭЛЬкаёт 2008г.,цветТ-69,Instyle 4AT,M-ASTC TUNING-BOX+168л.с 350Н.м. R18 265/60/18
Был -МПС 2012г ,цвет С-06, Instale S-05 DI-D AT,FGC карта7,литьё R18, ЕТ20 265/60/18
Снова-МПС 2014,цвет С-10,Instyle S-07 AT,бенз 6В31,силовые пороги,прошивка
Был -МПС 2012г ,цвет С-06, Instale S-05 DI-D AT,FGC карта7,литьё R18, ЕТ20 265/60/18
Снова-МПС 2014,цвет С-10,Instyle S-07 AT,бенз 6В31,силовые пороги,прошивка
- OOO1965
- Сообщения: 437
- Зарегистрирован: 25 ноя 2013, 11:20
- Двигатель:: 4D56
- Мой автомобиль(и):: МПС-2 2013
- Откуда: Москва
- Благодарил (а): 84 раза
- Поблагодарили: 40 раз
Re: Куда поставить DRL?
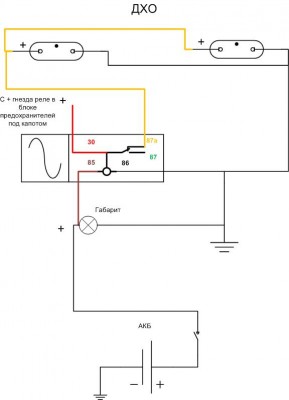
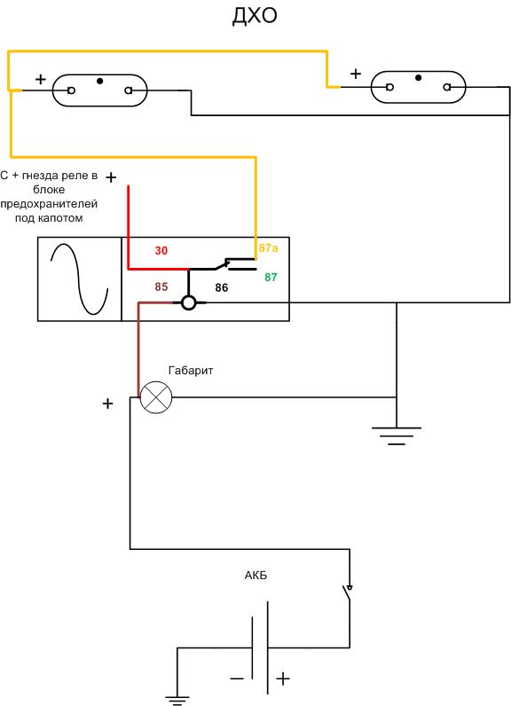
Парни, на всякий случай дополню тему, т.к. полного описания установки ДХО: со схемой, с описанием крепежа на 35 страницах темы я так и не нашел - пришлось обобщать. И делюсь опытом с полным описанием - кому-то, возможно, пригодится... NMPS 2013 г. - тайской сборки. Благодарю форумчан, подсказавших: по использованию 5-контактного реле, про + под капотом в блоке предохранителей - мне это сильно помогло.
Краткое отступление: в очередной раз будучи в прошлом году в Таиланде, зашел опять в Бангкоке в тюнинговый магазин (их там 2, торгующих тюнинговыми прибамбасами для Pajero Sport, а ссылки на сайт на форме неоднократно проскакивали). Среди прочего - хотел купить ДХО из каталога, но, как и в прошлый раз в наличии их не было - знакомый продавец обещал их подогнать через 5 дней, но в Бангкоке я был дня 3, а мотаться спецом потом из Патайи - не хотелось: полдня потратишь. Тогда таец предложил купить мне аналог (такие же изогнутые по краям) - в 3 раза дешевле (на рубли мне обошлись в ... 350 руб. всего). Ну и валялись они дома, руки все не доходили, а в минувшие выходные я их поставил. ДХО самые простейшие - без всяких блоков управления: сами ДХО - из каждого выходит 2 шпильки для крепления на решетку радиатора (из одной шпильки (полой внутри) выходит 2-жильный провод) + 4 гайки и 4 шайбы.
Схему прилагаю: включаются при пуске двигателя, выключаются при включении габаритов. Использовано 5-контактное реле от ВАЗ 2101-2107. К ней же куплена стандартная колодка для удобства монтажа. На схеме указаны номера контактов реле с цветом проводов колодки.
Реле закрепил на один из 2-х саморезов, крепящих сирену сигнализации под капотом. Минусовые провода ДХО и минусовой провод на управляющую обмотку реле прикрепил с (монтажем клеммы на провода) на болт радиатора с левой стороны. Плюс включения ДХО при пуске двигателя взял из блока предохранителей в моторном отсеке (см. на фото), треугольным напильником выпилил в коробе и крышке небольшие выемки, чтобы провод не пережимался крышкой. На фото провод идет куда-то назад, у меня вперед - т.к. реле у меня закреплено впереди - выше левой фары.

Плюс для выключения ДХО при включении габаритов брал с патрона лампы габаритов левой фары: пропустил провод в зажитную трубку 2-х проводов, идущих к лампе, плюсовой провод лампы - зеленый: подпалил зажигалкой на нем изоляцию (действовать аккуратно), скрепил скруткой, заизолировал.
Для крепления самих ДХО по верхним углам нижней решетки радиатора пришлось снимать серебристую декоративную накладку бампера (с налобным фонарем лежа под машиной - снимается длинной крестовой отверткой - 6 саморезов) и откручивать передние и ослаблять задние болты передней части защиты двигателя: чтобы можно было просунуть руку снизу под решетку для закручивания гаек на шпильки ДХО. Важно: у кого стоит сетка за штатной решеткой радиатора - придется раздвигать ячейки сетки под каждую шпильку - для проталкивания шпилек ДХО (если крепление на шпильках, а не клипсах, например). При монтаже использовались: термоусадочные трубки, изолента ПВХ, монтажные провода, клеммы, трубки ПВХ (все плюсовые провода упрятал в них).
Краткое отступление: в очередной раз будучи в прошлом году в Таиланде, зашел опять в Бангкоке в тюнинговый магазин (их там 2, торгующих тюнинговыми прибамбасами для Pajero Sport, а ссылки на сайт на форме неоднократно проскакивали). Среди прочего - хотел купить ДХО из каталога, но, как и в прошлый раз в наличии их не было - знакомый продавец обещал их подогнать через 5 дней, но в Бангкоке я был дня 3, а мотаться спецом потом из Патайи - не хотелось: полдня потратишь. Тогда таец предложил купить мне аналог (такие же изогнутые по краям) - в 3 раза дешевле (на рубли мне обошлись в ... 350 руб. всего). Ну и валялись они дома, руки все не доходили, а в минувшие выходные я их поставил. ДХО самые простейшие - без всяких блоков управления: сами ДХО - из каждого выходит 2 шпильки для крепления на решетку радиатора (из одной шпильки (полой внутри) выходит 2-жильный провод) + 4 гайки и 4 шайбы.
Схему прилагаю: включаются при пуске двигателя, выключаются при включении габаритов. Использовано 5-контактное реле от ВАЗ 2101-2107. К ней же куплена стандартная колодка для удобства монтажа. На схеме указаны номера контактов реле с цветом проводов колодки.
Реле закрепил на один из 2-х саморезов, крепящих сирену сигнализации под капотом. Минусовые провода ДХО и минусовой провод на управляющую обмотку реле прикрепил с (монтажем клеммы на провода) на болт радиатора с левой стороны. Плюс включения ДХО при пуске двигателя взял из блока предохранителей в моторном отсеке (см. на фото), треугольным напильником выпилил в коробе и крышке небольшие выемки, чтобы провод не пережимался крышкой. На фото провод идет куда-то назад, у меня вперед - т.к. реле у меня закреплено впереди - выше левой фары.
Плюс для выключения ДХО при включении габаритов брал с патрона лампы габаритов левой фары: пропустил провод в зажитную трубку 2-х проводов, идущих к лампе, плюсовой провод лампы - зеленый: подпалил зажигалкой на нем изоляцию (действовать аккуратно), скрепил скруткой, заизолировал.
Для крепления самих ДХО по верхним углам нижней решетки радиатора пришлось снимать серебристую декоративную накладку бампера (с налобным фонарем лежа под машиной - снимается длинной крестовой отверткой - 6 саморезов) и откручивать передние и ослаблять задние болты передней части защиты двигателя: чтобы можно было просунуть руку снизу под решетку для закручивания гаек на шпильки ДХО. Важно: у кого стоит сетка за штатной решеткой радиатора - придется раздвигать ячейки сетки под каждую шпильку - для проталкивания шпилек ДХО (если крепление на шпильках, а не клипсах, например). При монтаже использовались: термоусадочные трубки, изолента ПВХ, монтажные провода, клеммы, трубки ПВХ (все плюсовые провода упрятал в них).
