TRT - Вдоль р.Киржач. Для стандартных 4х4 (08.11.25) Форум Обсуждение FAQ
	Насос усилителя тормозов
Модераторы: SNOOPER, Nbf, Romik, BAlex, drcham, DenVer
- 
				Андрей Волгоград
 - Сообщения: 71
 - Зарегистрирован: 09 мар 2017, 10:30
 - Двигатель:: 6G75 Бензин
 - Мой автомобиль(и):: Mitsubishi Montero 3 250 л.с V 3.8
 - Откуда: Волгоград
 - Благодарил (а): 1 раз
 - Поблагодарили: 2 раза
 
Re: Насос усилителя тормозов
У меня тоже была проблема с моторчиком. Сделал переходную шайбу на моторчик от газелевской печки и купил сам моторчик. Но так и не воспользовался им так как отремонтировал свой старый. Теперь так и лежит без дела если кому нужен обращайтесь.
			
			
									
						- 
				евгенийК
 - Сообщения: 20
 - Зарегистрирован: 27 дек 2018, 07:30
 - Двигатель:: 4М41
 - Мой автомобиль(и):: митсубиси паджеро 4 2007 гв 3.2 дизель
 - Откуда: уфа
 
Re: Насос усилителя тормозов
доброго дня всем. Проблема в следующем. Летом после поездки в Крым обнаружился сначала пищащий (как кошка мяукает) звук из под капота, звук еще появился когда обратно ехали, затем этот звук перешел в скрежет одновременно постукивало в педаль тормоза как будто АБС срабатывало, когда выжимаешь полностью тормоз. По приезду сперва заменил все колодки по кругу (задние по нулям 1-2 мм), смазали направляющие. Далее, поискав на форумах обнаружил , что виной всему оказалась ГРуша (гидроаккумулятор ГТЦ). Купил новую и заменил ее. Сейчас звука нет, прошло уже три месяца. Но....
Моторчик ГТЦ постоянно включается сам по себе с интервалом 10 секунд, не зависимо от того нажимаешь на тормоз или нет, едет машина или стоит, все равно включается.
Сделал прокачку тормозной системы строго по мануалу по контурам и с помощью сканера. Помогло ненадолго, на несколько километров пробега.
Теперь та же картина с включением моторчика ГТЦ.
Прошу помощи, может кто сталкивался и что делать?
			
			
									
						Моторчик ГТЦ постоянно включается сам по себе с интервалом 10 секунд, не зависимо от того нажимаешь на тормоз или нет, едет машина или стоит, все равно включается.
Сделал прокачку тормозной системы строго по мануалу по контурам и с помощью сканера. Помогло ненадолго, на несколько километров пробега.
Теперь та же картина с включением моторчика ГТЦ.
Прошу помощи, может кто сталкивался и что делать?
- hc2hunter
 - Сообщения: 7150
 - Зарегистрирован: 03 фев 2013, 14:29
 - Двигатель:: 6G74 MPI
 - Мой автомобиль(и):: Montero 3 Limited, 2001
 - Откуда: Смоленск
 - Благодарил (а): 436 раз
 - Поблагодарили: 450 раз
 
Re: Насос усилителя тормозов
Раз насос периодически качает, этому есть 2 причины:
1. Груша не держит давление.
2. Датчик давления сообщает насосу, что давление низкое.
Если насос качает каждый раз довольно продолжительно, то скорее всего 2 можно исключить.
			
			
									
						1. Груша не держит давление.
2. Датчик давления сообщает насосу, что давление низкое.
Если насос качает каждый раз довольно продолжительно, то скорее всего 2 можно исключить.
Montero 3 LTD 2001, 3.5 6G74 MPI, АКПП v5a51
- Как показала практика — для начала неплохо было бы ознакомиться с теорией (с)
			
						- Как показала практика — для начала неплохо было бы ознакомиться с теорией (с)
- 
				евгенийК
 - Сообщения: 20
 - Зарегистрирован: 27 дек 2018, 07:30
 - Двигатель:: 4М41
 - Мой автомобиль(и):: митсубиси паджеро 4 2007 гв 3.2 дизель
 - Откуда: уфа
 
Re: Насос усилителя тормозов
спасибо за ответ. Груша новая.  Насос качает непродолжительно где то секунд 5, затем 10 секунд интервал и снова включается.
			
			
									
						- 
				евгенийК
 - Сообщения: 20
 - Зарегистрирован: 27 дек 2018, 07:30
 - Двигатель:: 4М41
 - Мой автомобиль(и):: митсубиси паджеро 4 2007 гв 3.2 дизель
 - Откуда: уфа
 
Re: Насос усилителя тормозов
а датчик можно как то проверить? Может он неисправен. Датчик этот можно заменить или он с блоком идет?
			
			
									
						- hc2hunter
 - Сообщения: 7150
 - Зарегистрирован: 03 фев 2013, 14:29
 - Двигатель:: 6G74 MPI
 - Мой автомобиль(и):: Montero 3 Limited, 2001
 - Откуда: Смоленск
 - Благодарил (а): 436 раз
 - Поблагодарили: 450 раз
 
Re: Насос усилителя тормозов
секунд 5 - это прилично. это его нормальное время работы, когда давляк из груши спущен.
датчик вряд ли удастся проверить, он где-то внутри блока ABS.
предполагаю, что груша ваша не очень...
Либо попробуйте ее снова снять-поставить по всем правилам (заодно изучив все ли в порядке с пружинкой под ней). Может и проблема станет сразу видна (мембрана должна прижаться к выходному отверстию фрукта).
Либо, чтобы не платить 15000 за новую, я бы попробовал купить дешманскую с Японии, которая едет месяц, или с разборки в Приморье за сущие копейки. Либо это решит проблему, либо занедорого станет понятно, что проблема не в груше.
Ну... или сразу координально - поменять целиком блок ABS (опять же с японской разборки), но стоить это будет тыщ 20.
			
			
									
						датчик вряд ли удастся проверить, он где-то внутри блока ABS.
предполагаю, что груша ваша не очень...
Либо попробуйте ее снова снять-поставить по всем правилам (заодно изучив все ли в порядке с пружинкой под ней). Может и проблема станет сразу видна (мембрана должна прижаться к выходному отверстию фрукта).
Либо, чтобы не платить 15000 за новую, я бы попробовал купить дешманскую с Японии, которая едет месяц, или с разборки в Приморье за сущие копейки. Либо это решит проблему, либо занедорого станет понятно, что проблема не в груше.
Ну... или сразу координально - поменять целиком блок ABS (опять же с японской разборки), но стоить это будет тыщ 20.
Montero 3 LTD 2001, 3.5 6G74 MPI, АКПП v5a51
- Как показала практика — для начала неплохо было бы ознакомиться с теорией (с)
			
						- Как показала практика — для начала неплохо было бы ознакомиться с теорией (с)
- HiTEX
 - Сообщения: 7005
 - Зарегистрирован: 29 мар 2009, 20:13
 - Двигатель:: 6G72 24V
 - Мой автомобиль(и):: Pajero III коротыш
 - Откуда: Алма-Ата
 - Благодарил (а): 72 раза
 - Поблагодарили: 323 раза
 
Re: Насос усилителя тормозов
Ещё есть вариант - выкинуть эту хренотень и поставить вакуумник  
			
			
									
						Дед Василь
			
						- 
				Simply Man
 - Сообщения: 291
 - Зарегистрирован: 07 апр 2016, 08:04
 - Двигатель:: 6G74
 - Мой автомобиль(и):: Montero 3 Limited 2000
 - Откуда: Пермь
 - Благодарил (а): 12 раз
 - Поблагодарили: 34 раза
 
Насос усилителя тормозов
Это скорее всего гидроблок фигней страдает - не держит какой-то из клапанов и стравливает давление, заставляя запуститься насос.
			
			
									
						- 
				евгенийК
 - Сообщения: 20
 - Зарегистрирован: 27 дек 2018, 07:30
 - Двигатель:: 4М41
 - Мой автомобиль(и):: митсубиси паджеро 4 2007 гв 3.2 дизель
 - Откуда: уфа
 
Насос усилителя тормозов
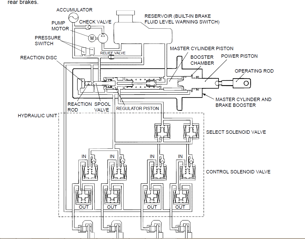
ГТЦ состоит из след частей: гидроаккумулятор (груша), электронасос (гидравлический насос), расширительный бак, корпус цилиндра вместе с поршнями, блок АБС. Вроде я ничего не забыл. Что я менял: груша новая, поршни поменял поставил новые и фиксатор, прокачивал дважды со сканером с заменой жидкости. Ответьте мне пожалуйста под словом гидроблок вы что имеете в виду? Что это и где он находится?
			
			
									
						- 
				евгенийК
 - Сообщения: 20
 - Зарегистрирован: 27 дек 2018, 07:30
 - Двигатель:: 4М41
 - Мой автомобиль(и):: митсубиси паджеро 4 2007 гв 3.2 дизель
 - Откуда: уфа
 
Насос усилителя тормозов
не прячется ли этот гидроблок под каталожным номером MN102843 ? (гидравлический насос). Эти клапана где находятся, не в нем ?
			
			
									
						- 
				Simply Man
 - Сообщения: 291
 - Зарегистрирован: 07 апр 2016, 08:04
 - Двигатель:: 6G74
 - Мой автомобиль(и):: Montero 3 Limited 2000
 - Откуда: Пермь
 - Благодарил (а): 12 раз
 - Поблагодарили: 34 раза
 
Насос усилителя тормозов
Может травить предохранительный клапан, либо тормозной цилиндр. Блок АБС вряд ли - он стоит последним в цепочке, чтобы там травило - надо чтобы ГТЦ травил, да и подтормаживание непроизвольное было бы.
			
			
									
						- Лександрыч
 - Сообщения: 5
 - Зарегистрирован: 07 окт 2018, 09:35
 - Двигатель:: 6G74
 - Мой автомобиль(и):: Montero III
 - Откуда: Электросталь
 - Поблагодарили: 2 раза
 
Насос усилителя тормозов
Начал работать моторчик от молотка.Нашёл на "Юле" товарища,который занимается восстановлением моторчиков.Восстановленный в обмен на неисправный.Цена вопроса 7000р.Привозит в сервис где всё это дело меняют за 3700 вместе с прокачкой.Через полтора часа уезжаешь и радуешься.



Отправлено с моего Redmi Note 5 через Tapatalk
			
			
									
						



Отправлено с моего Redmi Note 5 через Tapatalk
- 
				евгенийК
 - Сообщения: 20
 - Зарегистрирован: 27 дек 2018, 07:30
 - Двигатель:: 4М41
 - Мой автомобиль(и):: митсубиси паджеро 4 2007 гв 3.2 дизель
 - Откуда: уфа
 
Насос усилителя тормозов
так ведь и суть то в том, чтобы моторчик сохранить нужно исключить частые его включения. А вот почему он часто включается ? Что теперь заменить осталось? контрактный ГТЦ покупать это то же палка о двух концах, может через месяц он навернется тоже. А вот если насос с моторчиком может кто менял при такой проблеме? Новый моторчик вместе с насосом в сборе идут.
			
			
									
						- 
				евгенийК
 - Сообщения: 20
 - Зарегистрирован: 27 дек 2018, 07:30
 - Двигатель:: 4М41
 - Мой автомобиль(и):: митсубиси паджеро 4 2007 гв 3.2 дизель
 - Откуда: уфа
 
Насос усилителя тормозов
И еще есть такой интересный признак. На "холодной" машине утром сел нажимаю на педаль тормоза  - она тугая, несколько раз нажал на педаль. Затем завожу машину и наблюдаю, что моторчик ГТЦ молчит и даже не думает включаться. Снова зажусь на руль, нажимаю на тормоз, выхожу смотрю и слушаю - моторчик включается снова и снова и снова и тд.
			
			
									
						- игорьнижневартовск
 - Сообщения: 666
 - Зарегистрирован: 18 сен 2010, 14:07
 - Двигатель:: 6G74 GDI
 - Мой автомобиль(и):: Pajero 3 коротыш
 - Откуда: Нижневартовск
 - Благодарил (а): 8 раз
 - Поблагодарили: 25 раз
 
Насос усилителя тормозов
Вот по этому поводу вопрос. У человека из Твери (есть сайт с запчастями и услугой по ремонту якоря) я узнавал за запчасти к якорю.
Есть 2 вида коллекторов с внутр. диам. 8 и 10мм. Как он говорит, материал у них твердый и хрупкий, сверлом не берется, тока проходным тонким резцом, чтоб
усадить его на вал. Реально рассверлить сверлом, если да то каким? типа твердосплавным?
Ну или использовать 10мм с уплотняющей хренью?
PAJERO III 2006г DAKAR коротыш черный
			
						- игорьнижневартовск
 - Сообщения: 666
 - Зарегистрирован: 18 сен 2010, 14:07
 - Двигатель:: 6G74 GDI
 - Мой автомобиль(и):: Pajero 3 коротыш
 - Откуда: Нижневартовск
 - Благодарил (а): 8 раз
 - Поблагодарили: 25 раз
 
Насос усилителя тормозов
Я нашел такаго в Твери, тока ремонт с отправкой к нему 4000, или запчасти если делать самомуЛександрыч писал(а): ↑12 апр 2019, 08:28 Нашёл на "Юле" товарища,который занимается восстановлением моторчиков.Восстановленный в обмен на неисправный.Цена вопроса 7000р.
PAJERO III 2006г DAKAR коротыш черный
			
						- SmoAG
 - Сообщения: 7842
 - Зарегистрирован: 16 янв 2015, 13:11
 - Двигатель:: 4m41
 - Мой автомобиль(и):: Pajero 3, 2005 АКПП
 - Откуда: Воронеж
 - Откуда: Воронеж
 - Благодарил (а): 99 раз
 - Поблагодарили: 541 раз
 
Насос усилителя тормозов
материал там самый обычный, похож на асбест влагостойкий, легко расверлить, но это не самое страшное, страшнее соосность соблюсти, в противном случае вибрация будет как с галезевским моторчиком.игорьнижневартовск писал(а): ↑15 апр 2019, 11:39 Реально рассверлить сверлом, если да то каким? типа твердосплавным?
Ну или использовать 10мм с уплотняющей хренью?
а так за 4 я бы поменял свой запасной на нерабочий)))
Здесь должна была быть какая-нибудь цитата из вк или другого ресурса, но вот что то не нашёл ни чего что могло бы выразить моё миропонимание сейчас;)
			
						- SmoAG
 - Сообщения: 7842
 - Зарегистрирован: 16 янв 2015, 13:11
 - Двигатель:: 4m41
 - Мой автомобиль(и):: Pajero 3, 2005 АКПП
 - Откуда: Воронеж
 - Откуда: Воронеж
 - Благодарил (а): 99 раз
 - Поблагодарили: 541 раз
 
Насос усилителя тормозов
Ну и как бы соблюсти соосность проще из меньшего делая больший диаметр, а вот ровно установить колектор с отверстием большего диаметра и залить его компаундом будет куда сложнее.
			
			
									
						Здесь должна была быть какая-нибудь цитата из вк или другого ресурса, но вот что то не нашёл ни чего что могло бы выразить моё миропонимание сейчас;)
			
						- игорьнижневартовск
 - Сообщения: 666
 - Зарегистрирован: 18 сен 2010, 14:07
 - Двигатель:: 6G74 GDI
 - Мой автомобиль(и):: Pajero 3 коротыш
 - Откуда: Нижневартовск
 - Благодарил (а): 8 раз
 - Поблагодарили: 25 раз
 
Насос усилителя тормозов
Из твоего поста выше, у тебя получилось соблюсти соосность?
Для 9,5мм вала надо рассверлить до 9,3-9,4мм коллектор?
			
			
									
						Для 9,5мм вала надо рассверлить до 9,3-9,4мм коллектор?
PAJERO III 2006г DAKAR коротыш черный
			
						- игорьнижневартовск
 - Сообщения: 666
 - Зарегистрирован: 18 сен 2010, 14:07
 - Двигатель:: 6G74 GDI
 - Мой автомобиль(и):: Pajero 3 коротыш
 - Откуда: Нижневартовск
 - Благодарил (а): 8 раз
 - Поблагодарили: 25 раз
 
Насос усилителя тормозов
Отремонтировал мотор заменой коллектора и щеток и подшипников, 2500.
Пока выходил на мастера, заказал в Хабаровске грушу в сборе с мотором, без блока цилиндров и бачка.
Пришла, стал монтировать, не подошла, из за наклона кронштейна крепления к блоку гтц, и расположения этого кронштейна на моторе.
Груша встает криво, упирается в бачек, выступающий кронштейн упирается в корпус гтц.
Я сделал фото, где груша прямо- мой, ну и их отличия в паре.
От чего насос купленный?
Я им фото скинул, будем разбираться.
			
							
			
									
						Пока выходил на мастера, заказал в Хабаровске грушу в сборе с мотором, без блока цилиндров и бачка.
Пришла, стал монтировать, не подошла, из за наклона кронштейна крепления к блоку гтц, и расположения этого кронштейна на моторе.
Груша встает криво, упирается в бачек, выступающий кронштейн упирается в корпус гтц.
Я сделал фото, где груша прямо- мой, ну и их отличия в паре.
От чего насос купленный?
Я им фото скинул, будем разбираться.
PAJERO III 2006г DAKAR коротыш черный
			
						