TRT - Вдоль р.Киржач. Для стандартных 4х4 (08.11.25) Форум Обсуждение FAQ
Насос ручной подкачки топлива на 4D56 (лягушка)
Модераторы: SNOOPER, Nbf, Romik, BAlex, drcham, алексей - Маленький Мук, DenVer, Алекс
- Jenek
- Сообщения: 3932
- Зарегистрирован: 26 янв 2009, 15:33
- Двигатель:: 4d56
- Мой автомобиль(и):: Pajero 2
- Откуда: Новомосковск
- Откуда: Новомосковск 71
- Благодарил (а): 30 раз
- Поблагодарили: 116 раз
- Контактная информация:
Re: Насос ручной подкачки топлива на 4D56 (лягушка)
как раз посередине про этот датчик, нада проверить на морозе, а то я теплый тыкал 
П-2 6G72 93г ушел на запчасти
П-2 [V24C ] 91г,бодик 6см, IROK 37/12.5 R15, кондей для подкачки, перед голда, зад тунгстен, понижайка 3:1
На Драйве
П-2 [V24C ] 91г,бодик 6см, IROK 37/12.5 R15, кондей для подкачки, перед голда, зад тунгстен, понижайка 3:1
На Драйве
- SNOOPER
- Модератор
- Сообщения: 56894
- Зарегистрирован: 11 дек 2004, 19:49
- Двигатель:: 4D56
- Мой автомобиль(и):: NewMPS
- Откуда: 78
- Откуда: Spb
- Благодарил (а): 1007 раз
- Поблагодарили: 4665 раз
Re: Насос ручной подкачки топлива на 4D56 (лягушка)
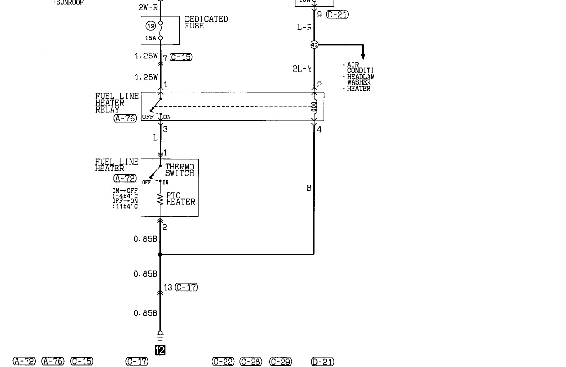
Если только два провода, это обогрев фильтра.
Если четыре ещё и магистрали
Если четыре ещё и магистрали
- Dimon 71
- Сообщения: 1609
- Зарегистрирован: 09 сен 2013, 21:45
- Двигатель:: 4D56
- Мой автомобиль(и):: Pajero Sport
- Откуда: Суворов- Ст. Купавна
- Благодарил (а): 80 раз
- Поблагодарили: 114 раз
Re: Насос ручной подкачки топлива на 4D56 (лягушка)
Мой пытливый ум требует разъяснений....а фильтр постоянно подогревается( и зимой и летом, имеется ввиду) и " Ури , где у него кнопка..", если по температуре..(по температуре чего ? )SNOOPER писал(а):Если только два провода, это обогрев фильтра.
Если четыре ещё и магистрали
PAJERO SPORT 2007 2,5 TD, Вебасто , задние пружины от П2 (коротыш), Лифт 2,5 см, Лето- мудричи 265/75 R16 Зима- Хакка SUV 7 265/70 R16, Головной - БИксенон , фаркоп на 3,5 т Дмитрий 91055828ноль7
- Jenek
- Сообщения: 3932
- Зарегистрирован: 26 янв 2009, 15:33
- Двигатель:: 4d56
- Мой автомобиль(и):: Pajero 2
- Откуда: Новомосковск
- Откуда: Новомосковск 71
- Благодарил (а): 30 раз
- Поблагодарили: 116 раз
- Контактная информация:
Re: Насос ручной подкачки топлива на 4D56 (лягушка)
Еще раз: если в верхней части два провода - это датчик температуры СОЛЯРЫ, при -4 и ниже он замыкает цепь обогрева... а вот чего именно не могу сказать у меня нету штатных обогревов, но на электросхемах видел что есть подогревы топливопровода
П-2 6G72 93г ушел на запчасти
П-2 [V24C ] 91г,бодик 6см, IROK 37/12.5 R15, кондей для подкачки, перед голда, зад тунгстен, понижайка 3:1
На Драйве
П-2 [V24C ] 91г,бодик 6см, IROK 37/12.5 R15, кондей для подкачки, перед голда, зад тунгстен, понижайка 3:1
На Драйве
- SNOOPER
- Модератор
- Сообщения: 56894
- Зарегистрирован: 11 дек 2004, 19:49
- Двигатель:: 4D56
- Мой автомобиль(и):: NewMPS
- Откуда: 78
- Откуда: Spb
- Благодарил (а): 1007 раз
- Поблагодарили: 4665 раз
Re: Насос ручной подкачки топлива на 4D56 (лягушка)
Так понятней будет?DimonDimon писал(а):Мой пытливый ум требует разъяснений....а фильтр постоянно подогревается( и зимой и летом, имеется ввиду) и " Ури , где у него кнопка..", если по температуре..(по температуре чего ? )SNOOPER писал(а):Если только два провода, это обогрев фильтра.
Если четыре ещё и магистрали
- dr.motor
- Сообщения: 4544
- Зарегистрирован: 24 июн 2009, 07:34
- Двигатель:: 4D56
- Мой автомобиль(и):: MMC L200
- Откуда: москва
- Откуда: Москва СТРОГИНО
- Благодарил (а): 138 раз
- Поблагодарили: 151 раз
- Контактная информация:
Re: Насос ручной подкачки топлива на 4D56 (лягушка)
5+SNOOPER писал(а): Мой пытливый ум требует разъяснений....
8-985-761-84-37
Мастерская по ремонту клубных авто
: https://yandex.ru/maps/-/CZcfQF0Z
ближайший адрес ; Химки молодежная 40а далее ГСК20
Мастерская по ремонту клубных авто
: https://yandex.ru/maps/-/CZcfQF0Z
ближайший адрес ; Химки молодежная 40а далее ГСК20
- Dimon 71
- Сообщения: 1609
- Зарегистрирован: 09 сен 2013, 21:45
- Двигатель:: 4D56
- Мой автомобиль(и):: Pajero Sport
- Откуда: Суворов- Ст. Купавна
- Благодарил (а): 80 раз
- Поблагодарили: 114 раз
Re: Насос ручной подкачки топлива на 4D56 (лягушка)
Я таки понимаю, там стоит и подогрев и реле " в одном флаконе"SNOOPER писал(а):Так понятней будет?DimonDimon писал(а):Мой пытливый ум требует разъяснений....а фильтр постоянно подогревается( и зимой и летом, имеется ввиду) и " Ури , где у него кнопка..", если по температуре..(по температуре чего ? )SNOOPER писал(а):Если только два провода, это обогрев фильтра.
Если четыре ещё и магистрали
PAJERO SPORT 2007 2,5 TD, Вебасто , задние пружины от П2 (коротыш), Лифт 2,5 см, Лето- мудричи 265/75 R16 Зима- Хакка SUV 7 265/70 R16, Головной - БИксенон , фаркоп на 3,5 т Дмитрий 91055828ноль7
- SNOOPER
- Модератор
- Сообщения: 56894
- Зарегистрирован: 11 дек 2004, 19:49
- Двигатель:: 4D56
- Мой автомобиль(и):: NewMPS
- Откуда: 78
- Откуда: Spb
- Благодарил (а): 1007 раз
- Поблагодарили: 4665 раз
Re: Насос ручной подкачки топлива на 4D56 (лягушка)
Да, подогрев и термовыключатель.DimonDimon писал(а): Я таки понимаю, там стоит и подогрев и реле " в одном флаконе"
На П3 вообще включается по разряжению.
- Fox414
- Сообщения: 811
- Зарегистрирован: 21 июн 2013, 22:40
- Двигатель:: 4д56 т 116л.с.
- Мой автомобиль(и):: MPS дизель
- Откуда: Ярославль
- Благодарил (а): 76 раз
- Поблагодарили: 109 раз
Re: Насос ручной подкачки топлива на 4D56 (лягушка)
История моя такая: МПС1 2008 пробег 220ткм.
Началось всё прошлой осенью при замене топливного фильтра обнаружил ,что лягушка не прокачивает ,
а гоняет туды-сюды топливо без прокачки. Заменил фильтр, ТНВД сам прокачался..
В это лето появились симптомы дергания , отупения двигателя на скорости выше 60 км/ч.
замена фильтра и поиски подсоса воздуха проблему не решили. Дошло до полной остановки двигателя на трассе.
Заметил лягушка втянута, через минуту-две её отпускает и можно ехать дальше.
Мысли такие = засорилась сетка на топливозаборнике и временная мера дунуть компрессором в шланг подачи топлива .
от лягушки в бак чтобы от сетки мусор стряхнуть. Дунуть то дунул, а прокачать никак лягух не качает-же.
Решился снять и промыть бак . искал яму эстакаду.. потом думаю на даче куча кирпичей. выложил в две полосы, заехал , сел на тубаретку под авто и снял бак . 20 минут делов-то...
Удивлен был сильно-сильно. в баке чисто воды нет, мусора нет. на сетке немного есть, но не так как пишут ,что прям кокон из грязи и слизи. Смотрю на сетку .
Уууу какие предусмотрительные японцы - аварийный клапан сделали
для прокачки запарафиненного топлива к подогревашке в лягухе, толи для прокачки если грязью заткнёт сетку.
ковырнул клапанок , ба.. вся грязь там внутри сетки причем с блёстками . это потом я понял, что внутри бак обработан
покрытием похожим на псевдо хром или цинк и на дне оно точечно облупается...
Сетку выкидываю вообще. бак на место . кирпичи тоже в кучу..
Контрольный выезд - авто резвое, лягух не прокачивает сама, но и не втягивает уже.
Лягух меняю на временно подменную со складского погрузчика Коматцу ( фильтры один в один).
Поиски новой. хочу такую же с подогревом .. в Экзистах и Автодоках цена как жигули новые..
Нахожу ссылку Александра Снупера. халява 1300 р в Питере. звоню хрентам . контейнер с з/ч идёт , а есть ли там лягушки эти не знаем.. и так 2 месяца...
Ну вот собственно дошли руки до трепанации, препарации и реинкарнации лягухи МПС 1 своими руками:
Выше, в начале темы почитал + на Микробе фото нашёл. решил сделать лягухе разборную бошку,чтоб *омно выгребать.
развальцовываем крышку ,снимаем мембрану видим немного грязи. далее откусываем красный провод от пина разъёма , выколупываем заглушку резинку провода, откручиваем 3 болта, круглогубцами носы вставляем в отверстия и раскачивая достаём блок клапанов с подогревом внутри.
Ооо- знакомая слизь с блёстками.. из бака! отмываем продуваем.
всё бы ничего ,да блок подогрева тяжко дуется !!!
Сверлом на 3 мм высверливаем 2 заклёпки , блок половинится , видим лабиринт и элементы подогрева,
а грязища то вся Здесь!!!
Подогрев представлен двумя керамическими дисками размером с 1 копейку.
Сомневаюсь в эффективности подогрева...
Мою ,продуваю. собираю . новые клёпки из алюминиевого провода. новое резин.кольцо 18/14 мм
диски тестером прозвонил- сопротивление есть, соединены параллельно. один был сколот . осколок не обнаружен.
на провод красный не звонится подогрев. т.к. в выступе куда входит провод стоит термо включатель.
прозвоню позже , положу в холодильник.
лепестки клапанов нежные, чистить очень аккуратно. верхний клапан на алюмин. крышке седло чуть шлифанул шкуркой м600 и полирнул войлок + ГОИ.
Крышку завальцевать не реально. иду к токарю показываю фото№1 с Микроба . слушаю мат , что нет оснастки для нарезки глухой мелкой резьбы внутри крышки.
но есть решение точим кольцо , режем резьбу. убираем завальцовку с жестянки крышки привариваем к кольцу п/автоматом. болгарим, полируем.
Ещё немного мата и токарь отцентровав корпус лягухи в патроне станка нарезает резбу в башке шаг1.
мембрана , на неё шайба, далее крышка. затягиваем. Качает. воздух не травит, клапаночки держат.
в крышке на кольце делаю 3 отверстия на Ф 3 мм 2мм глубиной. подбираю ключ без дела лежащий годами.
Финиш.
В итоге имеем
Сетка в баке Зло. толку мало, проблемы неожиданно, чистить трудоемко. выкидываем смело не жалея!
Лягух многоразовый, разборной башкой. и даже если привезут в Питер новую не разборную за 1300 ры
обязательно ставим на шланг от бака перед лягухой (врезаем) одноразовый сменный прозрачный фильтр.
Ячейка сетки в нём такая же как у того что стоял в баке. а менять проще и в любую погоду без ям, подъемников и кирпичей.
Началось всё прошлой осенью при замене топливного фильтра обнаружил ,что лягушка не прокачивает ,
а гоняет туды-сюды топливо без прокачки. Заменил фильтр, ТНВД сам прокачался..
В это лето появились симптомы дергания , отупения двигателя на скорости выше 60 км/ч.
замена фильтра и поиски подсоса воздуха проблему не решили. Дошло до полной остановки двигателя на трассе.
Заметил лягушка втянута, через минуту-две её отпускает и можно ехать дальше.
Мысли такие = засорилась сетка на топливозаборнике и временная мера дунуть компрессором в шланг подачи топлива .
от лягушки в бак чтобы от сетки мусор стряхнуть. Дунуть то дунул, а прокачать никак лягух не качает-же.
Решился снять и промыть бак . искал яму эстакаду.. потом думаю на даче куча кирпичей. выложил в две полосы, заехал , сел на тубаретку под авто и снял бак . 20 минут делов-то...
Удивлен был сильно-сильно. в баке чисто воды нет, мусора нет. на сетке немного есть, но не так как пишут ,что прям кокон из грязи и слизи. Смотрю на сетку .
Уууу какие предусмотрительные японцы - аварийный клапан сделали
для прокачки запарафиненного топлива к подогревашке в лягухе, толи для прокачки если грязью заткнёт сетку.
ковырнул клапанок , ба.. вся грязь там внутри сетки причем с блёстками . это потом я понял, что внутри бак обработан
покрытием похожим на псевдо хром или цинк и на дне оно точечно облупается...
Сетку выкидываю вообще. бак на место . кирпичи тоже в кучу..
Контрольный выезд - авто резвое, лягух не прокачивает сама, но и не втягивает уже.
Лягух меняю на временно подменную со складского погрузчика Коматцу ( фильтры один в один).
Поиски новой. хочу такую же с подогревом .. в Экзистах и Автодоках цена как жигули новые..
Нахожу ссылку Александра Снупера. халява 1300 р в Питере. звоню хрентам . контейнер с з/ч идёт , а есть ли там лягушки эти не знаем.. и так 2 месяца...
Ну вот собственно дошли руки до трепанации, препарации и реинкарнации лягухи МПС 1 своими руками:
Выше, в начале темы почитал + на Микробе фото нашёл. решил сделать лягухе разборную бошку,чтоб *омно выгребать.
развальцовываем крышку ,снимаем мембрану видим немного грязи. далее откусываем красный провод от пина разъёма , выколупываем заглушку резинку провода, откручиваем 3 болта, круглогубцами носы вставляем в отверстия и раскачивая достаём блок клапанов с подогревом внутри.
Ооо- знакомая слизь с блёстками.. из бака! отмываем продуваем.
всё бы ничего ,да блок подогрева тяжко дуется !!!
Сверлом на 3 мм высверливаем 2 заклёпки , блок половинится , видим лабиринт и элементы подогрева,
а грязища то вся Здесь!!!
Подогрев представлен двумя керамическими дисками размером с 1 копейку.
Сомневаюсь в эффективности подогрева...
Мою ,продуваю. собираю . новые клёпки из алюминиевого провода. новое резин.кольцо 18/14 мм
диски тестером прозвонил- сопротивление есть, соединены параллельно. один был сколот . осколок не обнаружен.
на провод красный не звонится подогрев. т.к. в выступе куда входит провод стоит термо включатель.
прозвоню позже , положу в холодильник.
лепестки клапанов нежные, чистить очень аккуратно. верхний клапан на алюмин. крышке седло чуть шлифанул шкуркой м600 и полирнул войлок + ГОИ.
Крышку завальцевать не реально. иду к токарю показываю фото№1 с Микроба . слушаю мат , что нет оснастки для нарезки глухой мелкой резьбы внутри крышки.
но есть решение точим кольцо , режем резьбу. убираем завальцовку с жестянки крышки привариваем к кольцу п/автоматом. болгарим, полируем.
Ещё немного мата и токарь отцентровав корпус лягухи в патроне станка нарезает резбу в башке шаг1.
мембрана , на неё шайба, далее крышка. затягиваем. Качает. воздух не травит, клапаночки держат.
в крышке на кольце делаю 3 отверстия на Ф 3 мм 2мм глубиной. подбираю ключ без дела лежащий годами.
Финиш.
В итоге имеем
Сетка в баке Зло. толку мало, проблемы неожиданно, чистить трудоемко. выкидываем смело не жалея!
Лягух многоразовый, разборной башкой. и даже если привезут в Питер новую не разборную за 1300 ры
обязательно ставим на шланг от бака перед лягухой (врезаем) одноразовый сменный прозрачный фильтр.
Ячейка сетки в нём такая же как у того что стоял в баке. а менять проще и в любую погоду без ям, подъемников и кирпичей.
MPS 2008,4D56 EFI , железо зодчего МШУ, + 4 см., рычаги LK-trak ,Comeup DV9.0i пружины Патрол 5дв , перед аммо.токико , зад. Монро патруль , кеды Вранглер дуратрак 285/75/16, валенки Centara Winter RX 858 285/75/R16
-
tixon
- Сообщения: 176
- Зарегистрирован: 14 май 2016, 21:06
- Двигатель:: 4d56
- Мой автомобиль(и):: delika
- Откуда: kostroma
- Благодарил (а): 8 раз
- Поблагодарили: 18 раз
Re: Насос ручной подкачки топлива на 4D56 (лягушка)
ребята,обнаружился серьезный косяк японских инженеров.
но у меня делика ,может у вас его нет.
как работает нормальный ,правильный фильтр . -топливо сначала через клапана лягухи поступает к низу фильтра,там оно немного отстаивается ,отделяется от воды и крупной грязи,потом проходя через бумагу фильтруется и пошло в мотор. правильно ?
у меня и в мыслях не было шо может быть иначе , но проскочила инфа на деликовском форуме ,и я проверил у себя
и обнаружил фигвам ,все с точностью до наоборот ,- топливо сначала идет через бумагу ,а мотом в отстойник.
мало того проверил аналог ,лягуху от корейского портера - та же фигня
проблему решил лягухой и фильтром от тойоты ранера. там все правильно.
почему так ,и дураки ли японцы,меня не спрашивайте ,я не знаю .
но думаю ,что замерзшая вода в бумаге может быть причиной забитых сеток в тнвд этой самой бумагой.
но у меня делика ,может у вас его нет.
как работает нормальный ,правильный фильтр . -топливо сначала через клапана лягухи поступает к низу фильтра,там оно немного отстаивается ,отделяется от воды и крупной грязи,потом проходя через бумагу фильтруется и пошло в мотор. правильно ?
у меня и в мыслях не было шо может быть иначе , но проскочила инфа на деликовском форуме ,и я проверил у себя
и обнаружил фигвам ,все с точностью до наоборот ,- топливо сначала идет через бумагу ,а мотом в отстойник.
мало того проверил аналог ,лягуху от корейского портера - та же фигня
проблему решил лягухой и фильтром от тойоты ранера. там все правильно.
почему так ,и дураки ли японцы,меня не спрашивайте ,я не знаю .
но думаю ,что замерзшая вода в бумаге может быть причиной забитых сеток в тнвд этой самой бумагой.
- Fox414
- Сообщения: 811
- Зарегистрирован: 21 июн 2013, 22:40
- Двигатель:: 4д56 т 116л.с.
- Мой автомобиль(и):: MPS дизель
- Откуда: Ярославль
- Благодарил (а): 76 раз
- Поблагодарили: 109 раз
Re: Насос ручной подкачки топлива на 4D56 (лягушка)
Топливо идет через клапана лягухи в центральное отверстие фильтра. Вода если есть подает вниз топливо вверх и в стороны через бумагу на внешние дыры фильтра и в шланг на тнвд. По другому не бывает .А на деликах лягух не стоит с завода там только фильтр. Жипер говорил.
MPS 2008,4D56 EFI , железо зодчего МШУ, + 4 см., рычаги LK-trak ,Comeup DV9.0i пружины Патрол 5дв , перед аммо.токико , зад. Монро патруль , кеды Вранглер дуратрак 285/75/16, валенки Centara Winter RX 858 285/75/R16
- SNOOPER
- Модератор
- Сообщения: 56894
- Зарегистрирован: 11 дек 2004, 19:49
- Двигатель:: 4D56
- Мой автомобиль(и):: NewMPS
- Откуда: 78
- Откуда: Spb
- Благодарил (а): 1007 раз
- Поблагодарили: 4665 раз
Re: Насос ручной подкачки топлива на 4D56 (лягушка)
Не на всех.Fox414 писал(а):Топливо идет через клапана лягухи в центральное отверстие фильтра. Вода если есть подает вниз топливо вверх и в стороны через бумагу на внешние дыры фильтра и в шланг на тнвд. По другому не бывает .А на деликах лягух не стоит с завода там только фильтр. Жипер говорил.

- Fox414
- Сообщения: 811
- Зарегистрирован: 21 июн 2013, 22:40
- Двигатель:: 4д56 т 116л.с.
- Мой автомобиль(и):: MPS дизель
- Откуда: Ярославль
- Благодарил (а): 76 раз
- Поблагодарили: 109 раз
Re: Насос ручной подкачки топлива на 4D56 (лягушка)
Вот это да не знал

MPS 2008,4D56 EFI , железо зодчего МШУ, + 4 см., рычаги LK-trak ,Comeup DV9.0i пружины Патрол 5дв , перед аммо.токико , зад. Монро патруль , кеды Вранглер дуратрак 285/75/16, валенки Centara Winter RX 858 285/75/R16
-
tixon
- Сообщения: 176
- Зарегистрирован: 14 май 2016, 21:06
- Двигатель:: 4d56
- Мой автомобиль(и):: delika
- Откуда: kostroma
- Благодарил (а): 8 раз
- Поблагодарили: 18 раз
Re: Насос ручной подкачки топлива на 4D56 (лягушка)
на тех ,которые с нашими 56ми стоит на всех.(во всяком случае ,тех что я видел)
-
дедушка
- Сообщения: 434
- Зарегистрирован: 27 дек 2009, 10:40
- Двигатель:: 4D56 и 4G63, 160л.с.
- Мой автомобиль(и):: MMC Delica 95г. кирпич иММС RVR Sport Gear 95г.
- Откуда: с. Парабель
- Откуда: Томские севера , Парабель, томская область.
- Благодарил (а): 113 раз
- Поблагодарили: 13 раз
Re: Насос ручной подкачки топлива на 4D56 (лягушка)
Вообще-то я об этом давно тут писал. Тоже поставил тойотовский 158 фильтр несколько лет назад. А то все удивлялся - как так, сливаешь отстой - а там все чисто, никакой грязи...
Delica кирпич 95г, P35W, 4D56t
-
алексей - Маленький Мук
- Модератор
- Сообщения: 20295
- Зарегистрирован: 11 дек 2008, 16:10
- Откуда: москва м Академическая
- Благодарил (а): 101 раз
- Поблагодарили: 1322 раза
Re: Насос ручной подкачки топлива на 4D56 (лягушка)
Вчерась забрел в корейский магазин, лягуха с подогревом от портера 4р 
Всем добра.......
- dr.motor
- Сообщения: 4544
- Зарегистрирован: 24 июн 2009, 07:34
- Двигатель:: 4D56
- Мой автомобиль(и):: MMC L200
- Откуда: москва
- Откуда: Москва СТРОГИНО
- Благодарил (а): 138 раз
- Поблагодарили: 151 раз
- Контактная информация:
Re: Насос ручной подкачки топлива на 4D56 (лягушка)
PMC
PDA010 504р
1 день
НАСОС РУЧНОЙ ПОДКАЧКИ ТОПЛИВА (ДИЗЕЛЬ)
без подогрева
PDA010 504р
1 день
НАСОС РУЧНОЙ ПОДКАЧКИ ТОПЛИВА (ДИЗЕЛЬ)
без подогрева
8-985-761-84-37
Мастерская по ремонту клубных авто
: https://yandex.ru/maps/-/CZcfQF0Z
ближайший адрес ; Химки молодежная 40а далее ГСК20
Мастерская по ремонту клубных авто
: https://yandex.ru/maps/-/CZcfQF0Z
ближайший адрес ; Химки молодежная 40а далее ГСК20
- Fox414
- Сообщения: 811
- Зарегистрирован: 21 июн 2013, 22:40
- Двигатель:: 4д56 т 116л.с.
- Мой автомобиль(и):: MPS дизель
- Откуда: Ярославль
- Благодарил (а): 76 раз
- Поблагодарили: 109 раз
Re: Насос ручной подкачки топлива на 4D56 (лягушка)
Ребята есть у кого возможность измерить сопротивление нагревательных элементов лягушки ?
то есть между красным и черным проводом в разъеме. при температуре ниже -5.
я свою после трепанации тестил
плюсовая . разрыв сопротивление 0 термо= выключатель разомкнут
-10 замкнут сопротивление 850 ом!
посчитал мощность , около 0.20-0,23 Вт вообще ни о чём !
для сравнения подогрев зеркала 10-12 ом ! и мощность около 20 Вт.
так что , эффективность штатного подогрева большой вопрос!
то есть между красным и черным проводом в разъеме. при температуре ниже -5.
я свою после трепанации тестил
плюсовая . разрыв сопротивление 0 термо= выключатель разомкнут
-10 замкнут сопротивление 850 ом!
посчитал мощность , около 0.20-0,23 Вт вообще ни о чём !
для сравнения подогрев зеркала 10-12 ом ! и мощность около 20 Вт.
так что , эффективность штатного подогрева большой вопрос!
MPS 2008,4D56 EFI , железо зодчего МШУ, + 4 см., рычаги LK-trak ,Comeup DV9.0i пружины Патрол 5дв , перед аммо.токико , зад. Монро патруль , кеды Вранглер дуратрак 285/75/16, валенки Centara Winter RX 858 285/75/R16
-
Урал
- Сообщения: 1414
- Зарегистрирован: 07 дек 2010, 21:04
- Двигатель:: 4D56 эфи 116л.с.
- Мой автомобиль(и):: МПС-2008
- Откуда: уфа
- Откуда: урал
- Благодарил (а): 258 раз
- Поблагодарили: 72 раза
Re: Насос ручной подкачки топлива на 4D56 (лягушка)
лет 7 уже не пользуюсь этой самой подкачкой(чем чаще пользуешься,тем чаще выходит из строя-пользовал разных производителей)-намного проще дунуть в обратку компрессором.Да и подогрев ни о чём
мпс 2008г. 2.5тд 116л.с. эфи
-
Aleksej2000
- Сообщения: 1839
- Зарегистрирован: 15 окт 2021, 19:50
- Двигатель:: Дизель 2.5 4D56
- Мой автомобиль(и):: Митсубиси Паджеро Спорт 2007
- Откуда: Visaginas
- Откуда: Литва
- Благодарил (а): 1089 раз
- Поблагодарили: 68 раз
Насос ручной подкачки топлива на 4D56 (лягушка)
Подскажите, пожалуйста, номер этого насоса, если заказывать новый?
