TRT - Вдоль р.Киржач. Для стандартных 4х4 (08.11.25) Форум Обсуждение FAQ
Расскажите про работу климата
Модераторы: SNOOPER, Nbf, Romik, BAlex, drcham, DenVer, SoundSpeed
- Саня Спартак
- Сообщения: 121
- Зарегистрирован: 09 авг 2012, 18:35
- Двигатель:: 4D41
- Мой автомобиль(и):: Раjero 4 3,2 DID
- Откуда: Москва
- Благодарил (а): 19 раз
Re: Расскажите про работу климата
Утром завожу машину на климате стоит +23, и через минуту...две уже чувствуется идет теплый воздух в ноги, я так понимаю, что это и есть работа электродогревателя т.к. стрелка температуры двигателя даже не поднялась (у меня дизель).
3,2 DID 2012 г.в.
-
Gamaun
- Сообщения: 160
- Зарегистрирован: 28 ноя 2011, 13:32
- Двигатель:: Дизель 4М41
- Мой автомобиль(и):: Pajero 4
- Откуда: г. Тула
- Благодарил (а): 12 раз
- Поблагодарили: 4 раза
Re: Расскажите про работу климата
Читал про электроподогрев и на украинском форуме и на нашем, всё пытался его запустить, используя кнопку обдува лобового стекла, но никакого эффекта это не давало. Наконец наткнулся на этот пост:adjustor писал(а):Я при прогреве ставлю поток на окна кнопкой, вырубаю автоматически включившийся кондиционер кнопкой на правой крутилке, ставлю температуру на максимум левой крутилкой, выключаю подачу забортного воздуха и включаю поток на посильнее. Врубается электрический подогрев и размораживает окна, пока двигатель еще холодный. Если сильный поток не выставить, из дефлекторов еще долго холодный воздух идти будет, а если забортный воздух не отрубить - вообще ничего не почувствуешь.
Как движок прогрелся, скидываю крутилкой температуру на 28, вырубаю рециркуляцию - и вуаля, готово. Езжу очень часто с потоком на лобовуху, 28 градусов, минимальный обдув, выключенный кондей.
Запотевают стекла если поставить на лобовуху + под ноги и поток минимальный - бывает. Стоит поток увеличить, стекла очищаются. Если охота в этом режиме - жмешь на значок обдува лобового, он сам переключает плюс увеличиваешь обдув до 2-3х полосок. И усе. А вот если со стекол поток совсем убрать - запотевают моментально.
Электроподогрев - вещь! Гораздо быстрее теперь со стоянки укатываюсь.
http://www.pajero4-club.ru/forum/viewto ... B&start=20
Сделал настройки климата согласно описания, приведённого "дотошным паджероводом" и подогреватель заработал, погнав тепло в ноги.
Большой respect "дотошному паджероводу", пытавшему официалов и докапавшемуся до истины! А господа из Рольфа могли бы об этой полезной опции написать и в руководстве по эксплуатации автомобиля ибо это ещё один дополнительный плюс конструкции паджерика.
P.S. Описание, приведённое "дотошным паджероводом" относится к дизельной версии автомобиля, а вот про то, как определить опцию исполнения печки я так и не разобрался. Но главное то, что электроподогрев есть и он работает!
- Саня Спартак
- Сообщения: 121
- Зарегистрирован: 09 авг 2012, 18:35
- Двигатель:: 4D41
- Мой автомобиль(и):: Раjero 4 3,2 DID
- Откуда: Москва
- Благодарил (а): 19 раз
Re: Расскажите про работу климата
Тоже почитал, но там так же говорят, что ставятся тэны опционально...по ВИНу не узнать никак, стоят тэны или нет 
3,2 DID 2012 г.в.
- Teddybearr
- Сообщения: 5109
- Зарегистрирован: 27 апр 2008, 16:42
- Двигатель:: 4m41 ТрубоДъзль
- Мой автомобиль(и):: Pajero
- Откуда: Ленинград
- Благодарил (а): 13 раз
- Поблагодарили: 86 раз
Re: Расскажите про работу климата
C утра включи обдув на ноги и все поймеш.Саня Спартак писал(а):Тоже почитал, но там так же говорят, что ставятся тэны опционально...по ВИНу не узнать никак, стоят тэны или нет
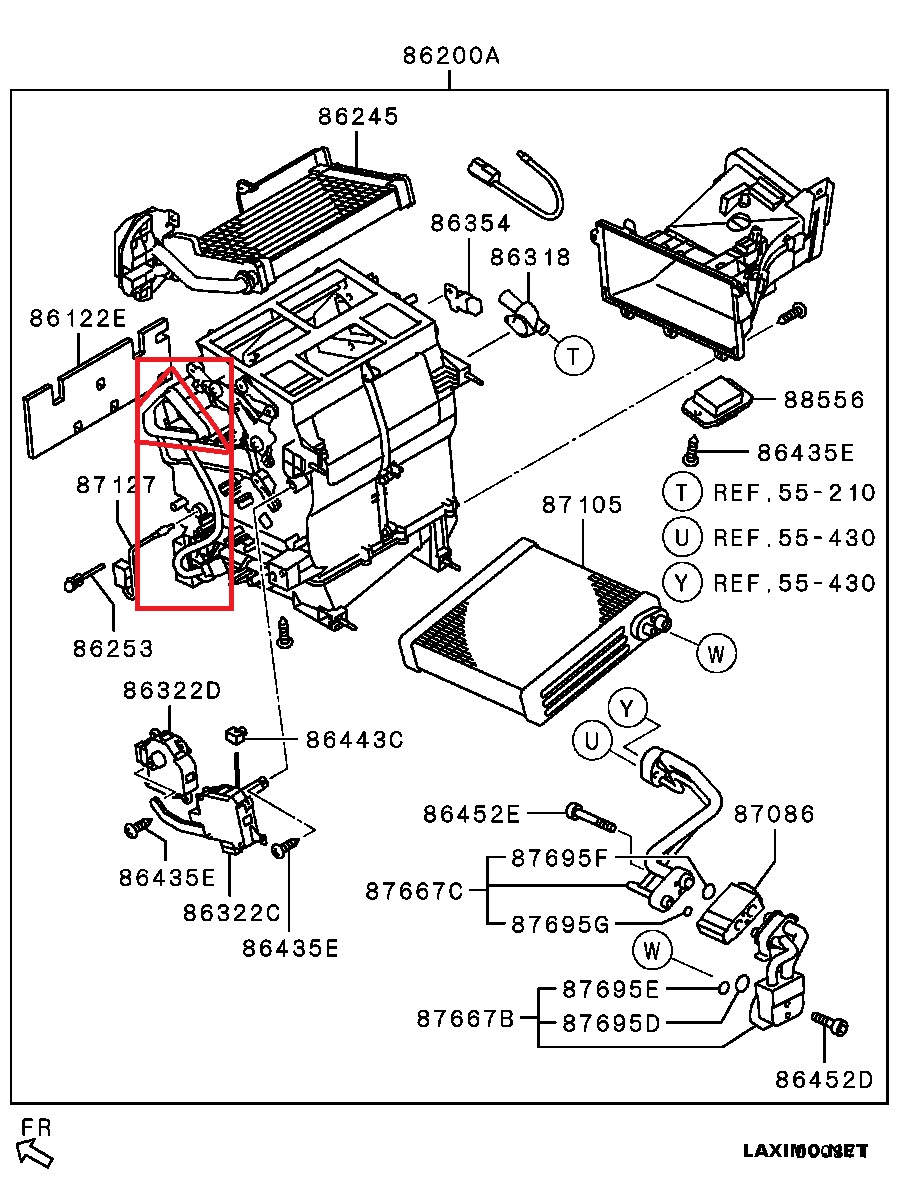
Собственно вот они на схеме и судя по всему стоят они должны у всех.Ибо идут в состав печки. Ну а поскольку они идут на выходах которые подают воздух в ноги, логично что они и будут работать когда включен обогрев в ноги.Физика ;
ПэСэ хотя конечно есть два вида печки, ода для "cold zone" но даже на схеме для арабов ТЭН присутствуют.
ПэПэСэ и должен наверное на них быть и предохранитель.Тока где?
Есть вопросы по Четверке? Идите в F.A.Q.!
-
Gamaun
- Сообщения: 160
- Зарегистрирован: 28 ноя 2011, 13:32
- Двигатель:: Дизель 4М41
- Мой автомобиль(и):: Pajero 4
- Откуда: г. Тула
- Благодарил (а): 12 раз
- Поблагодарили: 4 раза
Re: Расскажите про работу климата
Так попробуйте это узнать методом научного тыка. Ведь "дотошный паджеровод" всё очень доходчиво написал:Саня Спартак писал(а):Тоже почитал, но там так же говорят, что ставятся тэны опционально...по ВИНу не узнать никак, стоят тэны или нет
1. Заводим автомобиль.
2. Регулировочным колёсиком выставляем температуру на мамсимум. При этом вне зависимости от того, какой режим направления потока воздуха был выбран на климат-контроле до этого, АВТОМАТИЧЕСКИ включается направление потока воздуха в направлении "в ноги" и вентилятор климат-контроля АВТОМАТИЧЕСКИ начинает постепенно набирать обороты.
3. Нажимаем на панеле климат-контроля кнопку обогрева заднего стекла, зоны дворников и наружных зеркал заднего вида.
4. Примерно через минуту В НОГИ начинает поступать тёплый воздух.
P.S.
Данный алгоритм относится к паджерикам с дизельными двигателями (но не исключает того, что и на автомобилях с бензиновыми двигателями также может сработать).
Сам допедрил до того, что комплектация печки с таким алгоритмом включения электроподогрева воздуха, поступающего в салон автомобиля не является комплектацией XO5, поскольку в такой комплектации в автомобиле справа от рулевого колеса (в районе правой коленки водителя) ставится кнопка Heat, нажатием на которую собственно и запускается работа электроподогревателей воздуха.
А у нас там только ASC OFF.
- Саня Спартак
- Сообщения: 121
- Зарегистрирован: 09 авг 2012, 18:35
- Двигатель:: 4D41
- Мой автомобиль(и):: Раjero 4 3,2 DID
- Откуда: Москва
- Благодарил (а): 19 раз
Re: Расскажите про работу климата
Сегодня пробовал, дует конечно , но слегка теплым, мне кажется даже и при обычном авто режиме (у меня стоит +22) так же, только еще и и на стекла дует...и вопрос по п.3., зачем включать обогрев зеркал
P.S. почему нельзя было вместо тэнов фены сделать как на МБ дизельных
P.S. почему нельзя было вместо тэнов фены сделать как на МБ дизельных
3,2 DID 2012 г.в.
-
Gamaun
- Сообщения: 160
- Зарегистрирован: 28 ноя 2011, 13:32
- Двигатель:: Дизель 4М41
- Мой автомобиль(и):: Pajero 4
- Откуда: г. Тула
- Благодарил (а): 12 раз
- Поблагодарили: 4 раза
Re: Расскажите про работу климата
Саня, Вы последнее сообщение по той ссылке, которую я указал прочитали или нет?Саня Спартак писал(а):Сегодня пробовал, дует конечно , но слегка теплым, мне кажется даже и при обычном авто режиме (у меня стоит +22) так же, только еще и и на стекла дует...и вопрос по п.3., зачем включать обогрев зеркал
Если нет, то вот полное изложение поста "дотошного паджеровода":
"У меня официальный дизель.
Пробовал я включать согласно приведенной инструкции и ничего у меня не получалось
Оказывается оно включается чуть не так!!! И дует не на лобовое стекло, как писали, а в ноги!!! По крайней мере у меня так!
Видел и щупал лично эти керамические тены, которые установлены на выходе из воздуховодов под ноги.
Их можно увидеть если снять пластиковые панели под ногами (под рулевой колонкой). Открывается доступ сбоку к печке и там все видно!
Включается очень просто:
1. Температуру на максимум - 29* (при этом обдув лобового выключается и включается поток воздуха в ноги);
2. Включаем подогрев стекол и зеркал (кнопка ниже обдува стекла). А я все время включал обдув стекол, как здесь многие писали и ничего не получалось.
После этого тены уже через 5 секунд просто горячие и греют проточный воздух в ноги!
Дело в том, что я очень хотел разобраться в этом вопросе но у меня никак не получалось включить данную функцию. Поехал к оф дилеру и начал мучать их вопросами. ПОЧЕМУ, КАК, ГДЕ...? Как оказалось, они о такой полезной штуке ничего не знали. Я им показал все картинки с этого сайта по данному вопросу. Начали смотреть изучать печки на разных моделях авто (только Паджеро 4). У них в электронном каталоге эти кармические тены не отображается нигде и никак! Это так сказать "опция" и почему то в каталоге запчастей ничего нету по этому вопросу. От куда тогда схема, что на этом сайте, где отображены тены, они представить не могут.
Значит, к какому выводу пришел лично я, что не на всех оф. дизелях ставят эти (они бывают разной конфигурации) подогревы! Это зависит от года производства, региона,... Грубо говоря, это те загадочные "опционы" (E73, E74, E75... и т.п.), которые как говорят продавцы "ничего не значит", а на самом деле они, я думаю, имеют значение. Кстати, какие "опционы" завозить решает и корректирует импортер в нашей стране, как я выяснил.
И так, к чему мы пришли в изучении печек разных конфигураций, что меня и просветило. Оказывается, что голова бывает одна (код детали), а ее спецификации разные, что отображается в отдельной графе, под названием опция.
Есть три разные спецификации/опции головы управления печки:
- R38 (DUAL A/C);
- S2H7 (DUAL A/C + C/Z);
- X05 (COLD ZONE - C/Z).
Так вот, у моей машины голова печки (по памяти) ...342XA с опцией R38 . Могу предположить, что те дизеля где есть быстрый подогрев лобового стекла, укомплектованы печкой с опцией S2H7.
На этом я не остановился! Решил посмотреть на то место печки лично где нарисованы эти тены. И что я обнаружил! На выходе из воздуховодов в печке есть эти тены и начинают они греть только тогда, как я описАл чуть выше. Тены хоть и становятся очень горячими через 5 сек, но более-менее теплый воздух в ноги начинает дуть минуты через две, видимо тены разогреваются. А на лобовое теплым воздухом не дует даже через 5 минут.
Из этого следует, что не все дизеля, даже официальные, оборудованы тем подогревом, что в топике этой темы.
Чтоб увидеть и пощупать, то под рулевой колонкой нужно снять все пластиковые панели. Потом, нужно смотреть на печку (сбоку) в самом верху. Воздуховод из печки будет треугольного вида с белого пластика. Вот непосредственно в этот воздуховод и встроены тены. Без фонарика не обойтись, там темно.
П.С. Чтоб снять панели под рулевой колонкой, нужно сперва снять маленькую декоративную накладку слева от руля (из "дерева" и "метала"). Она на защелках, подцепить и потянуть, только аккуратно, чтоб не поцарапать. Дальше все практически на клипсах, ну и есть еще пару саморезов.
Да, еще, снимая панели под рулем, нужно будет отсоединить штекеры к кнопкам на этой панели, а так же, снять тросики от капота и крышки бака с ручек".
То есть без включения кнопки обогрева заднего стекла (применительно к конкретной опции исполнения печки дизельного автомобиля) электроподогрев просто не включается.
Вот честное слово - понятия не имею!Саня Спартак писал(а): P.S. почему нельзя было вместо тэнов фены сделать как на МБ дизельных
- Саня Спартак
- Сообщения: 121
- Зарегистрирован: 09 авг 2012, 18:35
- Двигатель:: 4D41
- Мой автомобиль(и):: Раjero 4 3,2 DID
- Откуда: Москва
- Благодарил (а): 19 раз
Re: Расскажите про работу климата
Что побудило производителей сделать именно такой алгоритм действий для вкючения тэнов....не понимаю связи включения догревателя с обогревом заднего стекла
....попробую сегодня проделать, только теперь с включением обогрева стекла
3,2 DID 2012 г.в.
- Саня Спартак
- Сообщения: 121
- Зарегистрирован: 09 авг 2012, 18:35
- Двигатель:: 4D41
- Мой автомобиль(и):: Раjero 4 3,2 DID
- Откуда: Москва
- Благодарил (а): 19 раз
Re: Расскажите про работу климата
Сегодня проверил, сделал как советовал опытный паджеровод, но если честно ожидал другого, да воздух подул еле тепленький, мотор вентилятора убрал до трех делений...горячее стало только после того как поехал...
3,2 DID 2012 г.в.
- Серёга_777
- Сообщения: 13
- Зарегистрирован: 20 окт 2008, 10:45
- Откуда: Казахстан, Астана
Re: Расскажите про работу климата
Доброго времени суток. Нужна помощь, кто знает где стоят реле этих подогревов? Если верить схеме то на каждый подогрев стоит своё реле.
P-4 3,2 DI-I Intense A/T
- Teddybearr
- Сообщения: 5109
- Зарегистрирован: 27 апр 2008, 16:42
- Двигатель:: 4m41 ТрубоДъзль
- Мой автомобиль(и):: Pajero
- Откуда: Ленинград
- Благодарил (а): 13 раз
- Поблагодарили: 86 раз
Re: Расскажите про работу климата
У кого удалось включить PTC, обороты двигателя каким либо образом меняются?
Есть вопросы по Четверке? Идите в F.A.Q.!
- megranny
- Сообщения: 6152
- Зарегистрирован: 18 июл 2011, 01:22
- Двигатель:: дизель 4M41
- Мой автомобиль(и):: Subaru Forester III(S12),MP IV-3,2 Di-D Ultimate
- Откуда: ЦФО,76
- Благодарил (а): 16 раз
- Поблагодарили: 79 раз
Re: Расскажите про работу климата
Сегодня по вышеприведенной схеме пытался завести PTC,но эффекта действие не возымело.Даже озадачился как-то,а есть ли они тэны-то у мне?Как бы русский ультимат предполагает их наличие,но...надо лезти смотреть наличие 
I made in Japan
- Teddybearr
- Сообщения: 5109
- Зарегистрирован: 27 апр 2008, 16:42
- Двигатель:: 4m41 ТрубоДъзль
- Мой автомобиль(и):: Pajero
- Откуда: Ленинград
- Благодарил (а): 13 раз
- Поблагодарили: 86 раз
Re: Расскажите про работу климата
Во во, интересно даже.megranny писал(а):Сегодня по вышеприведенной схеме пытался завести PTC,но эффекта действие не возымело.Даже озадачился как-то,а есть ли они тэны-то у мне?Как бы русский ультимат предполагает их наличие,но...надо лезти смотреть наличие
Есть вопросы по Четверке? Идите в F.A.Q.!
- Саня Спартак
- Сообщения: 121
- Зарегистрирован: 09 авг 2012, 18:35
- Двигатель:: 4D41
- Мой автомобиль(и):: Раjero 4 3,2 DID
- Откуда: Москва
- Благодарил (а): 19 раз
- megranny
- Сообщения: 6152
- Зарегистрирован: 18 июл 2011, 01:22
- Двигатель:: дизель 4M41
- Мой автомобиль(и):: Subaru Forester III(S12),MP IV-3,2 Di-D Ultimate
- Откуда: ЦФО,76
- Благодарил (а): 16 раз
- Поблагодарили: 79 раз
Re: Расскажите про работу климата
Дык тыж про них целую повесть уже написалСаня Спартак писал(а):извините за серость...что такое РТС
Звиняюсь,Gamaun написал.
I made in Japan
- Саня Спартак
- Сообщения: 121
- Зарегистрирован: 09 авг 2012, 18:35
- Двигатель:: 4D41
- Мой автомобиль(и):: Раjero 4 3,2 DID
- Откуда: Москва
- Благодарил (а): 19 раз
Re: Расскажите про работу климата
megranny писал(а):Дык тыж про них целую повесть уже написалСаня Спартак писал(а):извините за серость...что такое РТС
Звиняюсь,Gamaun написал.
3,2 DID 2012 г.в.
- megranny
- Сообщения: 6152
- Зарегистрирован: 18 июл 2011, 01:22
- Двигатель:: дизель 4M41
- Мой автомобиль(и):: Subaru Forester III(S12),MP IV-3,2 Di-D Ultimate
- Откуда: ЦФО,76
- Благодарил (а): 16 раз
- Поблагодарили: 79 раз
Re: Расскажите про работу климата
Дык это и е нагреватели.Саня Спартак писал(а):не понимаюююююю о чем речь
I made in Japan
- Teddybearr
- Сообщения: 5109
- Зарегистрирован: 27 апр 2008, 16:42
- Двигатель:: 4m41 ТрубоДъзль
- Мой автомобиль(и):: Pajero
- Откуда: Ленинград
- Благодарил (а): 13 раз
- Поблагодарили: 86 раз
Re: Расскажите про работу климата
Электрический ТЭН, встроенный в печку.
Который греет воздух, до момента достижения 70с ОЖ.
Который греет воздух, до момента достижения 70с ОЖ.
Есть вопросы по Четверке? Идите в F.A.Q.!
- Саня Спартак
- Сообщения: 121
- Зарегистрирован: 09 авг 2012, 18:35
- Двигатель:: 4D41
- Мой автомобиль(и):: Раjero 4 3,2 DID
- Откуда: Москва
- Благодарил (а): 19 раз
Re: Расскажите про работу климата
Машина 2012 года, куплена у ОД....пока не разобраля есть они у меня или нет, советы опытного паджеровода не помогли....может пальцем куда залезть потрогать греются они или нет, не разбирая пол машины...
3,2 DID 2012 г.в.
- megranny
- Сообщения: 6152
- Зарегистрирован: 18 июл 2011, 01:22
- Двигатель:: дизель 4M41
- Мой автомобиль(и):: Subaru Forester III(S12),MP IV-3,2 Di-D Ultimate
- Откуда: ЦФО,76
- Благодарил (а): 16 раз
- Поблагодарили: 79 раз
Re: Расскажите про работу климата
Вот нашел по траблам PTC
When the PTC heater does not work under the following conditions, the PTC heater circuit system may be defective.
PTC heater operating conditions
Air outlet: FOOT/DEF, FOOT, FACE/FOOT
Temperature control dial: 29°C (MAX HOT)
Coolant temperature: 80 degrees Celsius or les
note
When the coolant temperature becomes above 80 degrees Celsius and PTC heater stops the operation, the PTC heater does not operate until coolant temperature becomes below 75 degrees Celsius.
Ну типа работае,только по ОЖ не буде 80°C,затем выключается и включается уже при 75°C
А вот сама процедура по-ходу несколько иначе выполняется.
Да 29°C ,но про режим Auto не сказано,а я делал именно в авто.Надо в ручном режиме попробовать.
When the PTC heater does not work under the following conditions, the PTC heater circuit system may be defective.
PTC heater operating conditions
Air outlet: FOOT/DEF, FOOT, FACE/FOOT
Temperature control dial: 29°C (MAX HOT)
Coolant temperature: 80 degrees Celsius or les
note
When the coolant temperature becomes above 80 degrees Celsius and PTC heater stops the operation, the PTC heater does not operate until coolant temperature becomes below 75 degrees Celsius.
Ну типа работае,только по ОЖ не буде 80°C,затем выключается и включается уже при 75°C
А вот сама процедура по-ходу несколько иначе выполняется.
Да 29°C ,но про режим Auto не сказано,а я делал именно в авто.Надо в ручном режиме попробовать.
I made in Japan
