TRT "107-108" Для стандарта и не только! (4.04.2026) Форум Обсуждение FAQ
Замена штатной магнитолы (варианты установок)
Модераторы: SNOOPER, Alex_SH, Nbf, BAlex, drcham, SoundSpeed
Правила форума
Дорогие друзья!
Пожалуйста, при создании и поиске сообщений не забывайте пользоваться гиперссылками на тематические разделы, расположенными на главной странице раздела "Новый Pajero Sport"
Дорогие друзья!
Пожалуйста, при создании и поиске сообщений не забывайте пользоваться гиперссылками на тематические разделы, расположенными на главной странице раздела "Новый Pajero Sport"
-
uralhi
- Сообщения: 138
- Зарегистрирован: 24 янв 2011, 18:53
- Двигатель:: 4D56
- Мой автомобиль(и):: New Pajero Sport
- Благодарил (а): 5 раз
- Поблагодарили: 3 раза
Re: Замена штатной магнитолы (варианты установок)
Фигня какая-то с этими магнитолами. функциональные мультимедиа устройства стоят от 20 т.р., когда начинаешь изучать их ТТХ - понимаешь что за те же деньги можно купить планшетку, которая и по экрану и по функциональности намного современней. смотришь планшетку и думаешь - может приколхозить на какой-нибудь съемный держатель с выводом звука на AUX-канал. Но снимать ее каждый раз как-то не вдохновляет.
в общем так и езжу со штатной музыкой - все бы ничего, да на CD-R мало музыки влазит. присобачу-ка я, наверное, свой древний КПК HP HX4700, который у меня валяется уже года 3 как без дела, к штатному AUX входу. Вот бы еще к нему пульт подключить какой-нибудь?!
никто не сталкивался с компактными пультами на bluetooth, который можно на панель или руль повесить?
в общем так и езжу со штатной музыкой - все бы ничего, да на CD-R мало музыки влазит. присобачу-ка я, наверное, свой древний КПК HP HX4700, который у меня валяется уже года 3 как без дела, к штатному AUX входу. Вот бы еще к нему пульт подключить какой-нибудь?!
никто не сталкивался с компактными пультами на bluetooth, который можно на панель или руль повесить?
Дмитрий
New Pajero Sport 2.5 АКПП
New Pajero Sport 2.5 АКПП
- SKS
- Сообщения: 4194
- Зарегистрирован: 20 апр 2008, 18:58
- Двигатель:: 4N15
- Мой автомобиль(и):: PAJERO SPORT 2.4 Ultimate, 2017 г., белый
- Откуда: Тюмень
- Откуда: Тюмень
- Благодарил (а): 700 раз
- Поблагодарили: 471 раз
Re: Замена штатной магнитолы (варианты установок)
У нас дилер начал продавать устройство MyDean, то что описано здесь выше. Ценник скотский: 45 тыр. без установки, без камеры, без антенны для ТВ.
А на сайте MyDean этой штуковины для Спорта уже в каталоге нет. Видимо договорились с Рольфом об эксклюзиве, как в свое время Фантом продавал свои ГУ для штатной установки в Ауты тоже только через Рольф.
А на сайте MyDean этой штуковины для Спорта уже в каталоге нет. Видимо договорились с Рольфом об эксклюзиве, как в свое время Фантом продавал свои ГУ для штатной установки в Ауты тоже только через Рольф.
- Mihaprioz
- Сообщения: 580
- Зарегистрирован: 26 июл 2011, 08:48
- Двигатель:: 4Д56
- Мой автомобиль(и):: Pajero Sport New
- Откуда: Надым
- Благодарил (а): 151 раз
- Поблагодарили: 139 раз
Re: Замена штатной магнитолы (варианты установок)
Странно, как это нет. Только сейчас смотрел. Все есть. Только цена выросла. http://mydean-shop.ru/index.php?route=p ... ath=51_176
Зима: Pirelli Winter Ice Zero Friction 265/65 R17 116H XL
Лето: Pirelli Winter Ice Zero Friction 265/65 R17 116H XL
Multitronics RC-700 + 2 парктроника PT-4T, DEFA, Optim 778. ГУ FlyAudio G6000F01
Пружины от Влада 2,5" комфорт. Пороги МШУ.
10.05.2011
Лето: Pirelli Winter Ice Zero Friction 265/65 R17 116H XL
Multitronics RC-700 + 2 парктроника PT-4T, DEFA, Optim 778. ГУ FlyAudio G6000F01
Пружины от Влада 2,5" комфорт. Пороги МШУ.
10.05.2011
- SKS
- Сообщения: 4194
- Зарегистрирован: 20 апр 2008, 18:58
- Двигатель:: 4N15
- Мой автомобиль(и):: PAJERO SPORT 2.4 Ultimate, 2017 г., белый
- Откуда: Тюмень
- Откуда: Тюмень
- Благодарил (а): 700 раз
- Поблагодарили: 471 раз
Re: Замена штатной магнитолы (варианты установок)
Я на другом сайте смотрел, вроде тоже их сайт.Mihaprioz писал(а):Странно, как это нет. Только сейчас смотрел. Все есть. Только цена выросла. http://mydean-shop.ru/index.php?route=p ... ath=51_176
Ну да ладно, цена тоже не маленькая получается в целом.
Хотя устройство заинтересовало, буду думать.
-
wips
- Сообщения: 6
- Зарегистрирован: 25 фев 2012, 23:26
- Двигатель:: 4M51
- Мой автомобиль(и):: Mitsubishi Pajero Sport 3.2D MT 2008
- Благодарил (а): 2 раза
- Контактная информация:
Re: Хорошая новость по установке 2DIN
Сегодня с отцом самостоятельно устанавливали это устройство. Столкнулись с серьезной проблемой. На машине стоит такой борт. компьютер:Doki писал(а):Докладываю по существу. Купил этот девайс в Московском представительстве PMS. стоило это мне с учетом установки (хотя при ближайшем ознакомлении самому поставить как два пальца об асфальт)
.И соответсвенно штекеры под него, а устройство рассчитано на штекеры более нового борт. компьютера:
.Соответсвенно теперь не показывает расход, давление\высоту и скорость. Также не работает управления с руля и управление яркостью подстветки нижнего блока.
Может быть есть какие-то переходники со старого на новый штекер. Подскажите если кто видел.
- atservice
- Сообщения: 798
- Зарегистрирован: 16 янв 2011, 09:24
- Двигатель:: 4D56
- Мой автомобиль(и):: Mitsubishi Pajero Sport 2010
- Откуда: Новокузнецк
- Благодарил (а): 2 раза
- Поблагодарили: 182 раза
- Контактная информация:
Re: Хорошая новость по установке 2DIN
На компьютере старого типа сзади стоит CAN адаптер. Такая маленькая чёрная коробочка. На новом компьютере его нет. Вам нужно найти CAN шину на разъёме адаптера и подключить соответсвенно к разъёму на вашей новой магнитоле. Это что касается показаний давления, скорости и расхода. Сама же магнитола, что на старом БК, что на новом, такая же. Кнопки управления расположенные на руле подключены к самой магнитоле, и соответственно должны работать.wips писал(а): Сегодня с отцом самостоятельно устанавливали это устройство. Столкнулись с серьезной проблемой. На машине стоит такой борт. компьютер:
И соответсвенно штекеры под него, а устройство рассчитано на штекеры более нового борт. компьютера:
Соответсвенно теперь не показывает расход, давление\высоту и скорость. Также не работает управления с руля и управление яркостью подстветки нижнего блока.
Может быть есть какие-то переходники со старого на новый штекер. Подскажите если кто видел.
НМПС белый 5А/Т, 2,5. зима Hankook RW11, лето - сток.
-
wips
- Сообщения: 6
- Зарегистрирован: 25 фев 2012, 23:26
- Двигатель:: 4M51
- Мой автомобиль(и):: Mitsubishi Pajero Sport 3.2D MT 2008
- Благодарил (а): 2 раза
- Контактная информация:
Re: Хорошая новость по установке 2DIN
Да CAN адаптер есть, но в магнитолу его разьем не подходит по габаритам. Я правильно понимаю, что вы предлагаете распиновать штекер который сейчас включается в адаптер и подключить к соответствующим пинам магнитолы (у нее сверху стоит блок, в инструкции написано, что это БК как раз)? Можно ли где-то найти схему, где какой провод в штекере, который включен в адаптер?atservice писал(а):На компьютере старого типа сзади стоит CAN адаптер. Такая маленькая чёрная коробочка. На новом компьютере его нет. Вам нужно найти CAN шину на разъёме адаптера и подключить соответсвенно к разъёму на вашей новой магнитоле.
Наверное что-то пропустили. Будем пересматривать.atservice писал(а):Кнопки управления расположенные на руле подключены к самой магнитоле, и соответственно должны работать.
- sn1
- Сообщения: 7637
- Зарегистрирован: 23 авг 2010, 11:28
- Двигатель:: 4D56+
- Мой автомобиль(и):: Pajero Sport II
- Откуда: Византийская Империя
- Благодарил (а): 309 раз
- Поблагодарили: 673 раза
Re: Хорошая новость по установке 2DIN
Сфотографируйте пожалуйста что показывает эта магнитола в качестве компьютера.
Говори правду, и тогда не придется ничего запоминать!
- atservice
- Сообщения: 798
- Зарегистрирован: 16 янв 2011, 09:24
- Двигатель:: 4D56
- Мой автомобиль(и):: Mitsubishi Pajero Sport 2010
- Откуда: Новокузнецк
- Благодарил (а): 2 раза
- Поблагодарили: 182 раза
- Контактная информация:
Re: Хорошая новость по установке 2DIN
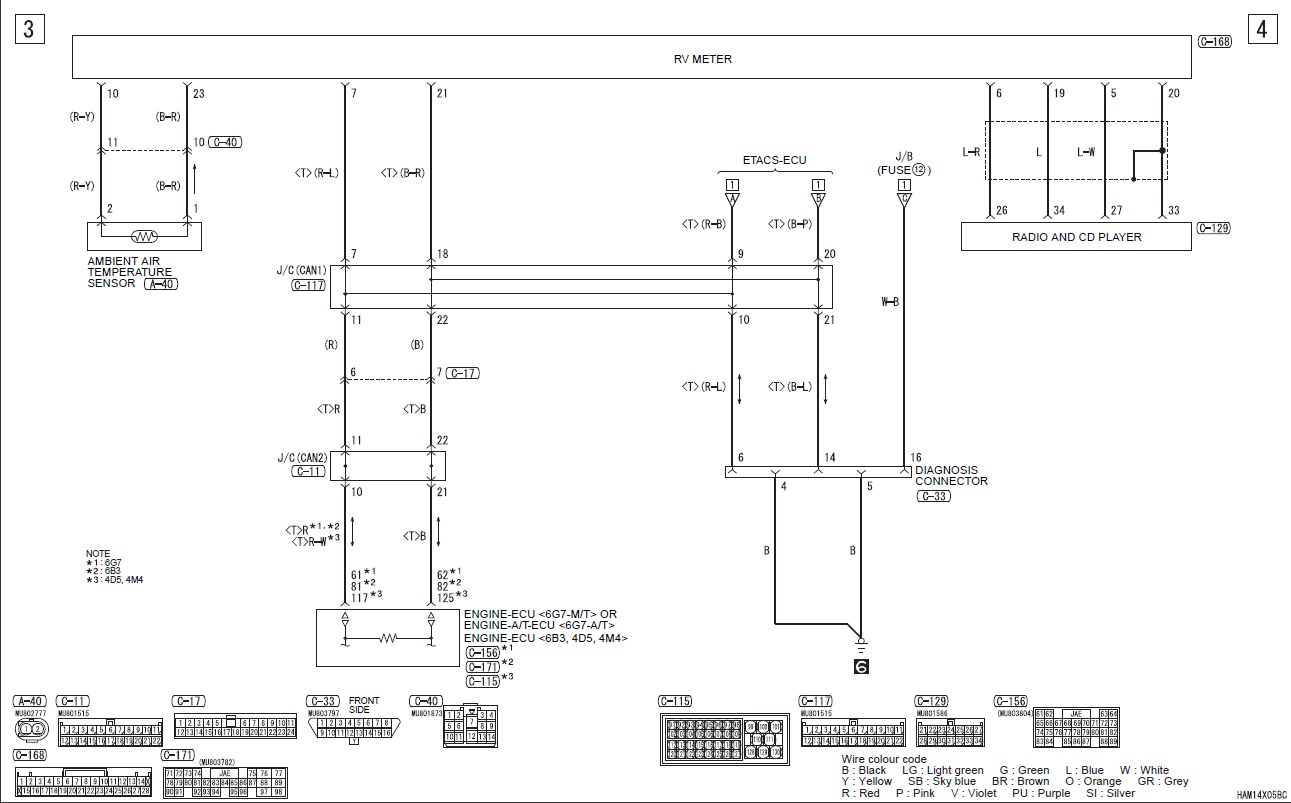
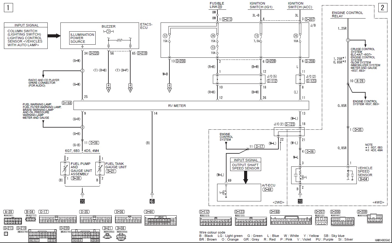
Вот схема подключения нового БК. Соответственно, такая же схема и у вашего нового аппарата. Надо привести вашу проводку в соответствие с этой схемой. Схемы подключения старого БК с адаптером у меня нет - думаю что форумчане помогут вам её найти. Кстати CAN шина - это 7я и 21я ноги на разъёме.wips писал(а): Да CAN адаптер есть, но в магнитолу его разьем не подходит по габаритам. Я правильно понимаю, что вы предлагаете распиновать штекер который сейчас включается в адаптер и подключить к соответствующим пинам магнитолы (у нее сверху стоит блок, в инструкции написано, что это БК как раз)? Можно ли где-то найти схему, где какой провод в штекере, который включен в адаптер?
Наверное что-то пропустили. Будем пересматривать.
НМПС белый 5А/Т, 2,5. зима Hankook RW11, лето - сток.
- bumek
- Сообщения: 275
- Зарегистрирован: 20 янв 2012, 13:04
- Двигатель:: 2.5DID
- Мой автомобиль(и):: Pajero Sport New
- Благодарил (а): 9 раз
- Поблагодарили: 37 раз
Re: Замена штатной магнитолы (варианты установок)
предлагается то же устройство на пикап клубе, только под другим брендом red power, так вот, цена его у продавца 23 т.р., вот ссылка на тему: http://pickupclub.ru/forum/showpost.php ... tcount=822
Щастье есть... Но нет к нему путя....
NMPS 2.5TD АКПП FGC box
285/65 R17 Yokohama Geolandar I/T G072 ET+38
275/65 R17 Yokohama Geolander AT/S G012 ET+20
NMPS 2.5TD АКПП FGC box
285/65 R17 Yokohama Geolandar I/T G072 ET+38
275/65 R17 Yokohama Geolander AT/S G012 ET+20
- Napic
- Сообщения: 5982
- Зарегистрирован: 29 июл 2010, 06:51
- Двигатель:: дизель 4d56
- Мой автомобиль(и):: НМПСпорт 2010
- Откуда: Сибирь
- Благодарил (а): 423 раза
- Поблагодарили: 1021 раз
Re: Хорошая новость по установке 2DIN
Вот схема rv_meter на спорта 2009 4m41atservice писал(а):Схемы подключения старого БК с адаптером у меня нет - думаю что форумчане помогут вам её найти.
НМПСпорт 2010 4d56 2500 дизель S05 5AT
лето BridgeStone HT 265/65R17, зима Hakka 5 SUV 265/65R17
Eberspacher Hydronic 5 кВт, доп. вентилятор кондиционера
Egr off + дроссель On (нержавейка + программное отключение)
лето BridgeStone HT 265/65R17, зима Hakka 5 SUV 265/65R17
Eberspacher Hydronic 5 кВт, доп. вентилятор кондиционера
Egr off + дроссель On (нержавейка + программное отключение)
-
wips
- Сообщения: 6
- Зарегистрирован: 25 фев 2012, 23:26
- Двигатель:: 4M51
- Мой автомобиль(и):: Mitsubishi Pajero Sport 3.2D MT 2008
- Благодарил (а): 2 раза
- Контактная информация:
Re: Хорошая новость по установке 2DIN
sn1 писал(а):Сфотографируйте пожалуйста что показывает эта магнитола в качестве компьютера.

У нас выглядит точно так-же, только вместо цифр возле значков стоят прочерки: "--".
-
wips
- Сообщения: 6
- Зарегистрирован: 25 фев 2012, 23:26
- Двигатель:: 4M51
- Мой автомобиль(и):: Mitsubishi Pajero Sport 3.2D MT 2008
- Благодарил (а): 2 раза
- Контактная информация:
Re: Хорошая новость по установке 2DIN
Перепинуем - посмотрим.SNOOPER писал(а):Как не жаль, но пропуски и останутся
- SNOOPER
- Модератор
- Сообщения: 57320
- Зарегистрирован: 11 дек 2004, 19:49
- Двигатель:: 4D56
- Мой автомобиль(и):: NewMPS
- Откуда: 78
- Откуда: Spb
- Благодарил (а): 1020 раз
- Поблагодарили: 4763 раза
Re: Хорошая новость по установке 2DIN
Думаешь если бы было так просто то в максималке штатный DVD не подключили бы БК?wips писал(а):Перепинуем - посмотрим.SNOOPER писал(а):Как не жаль, но пропуски и останутся
Е тракторов другие протоколы, и другая шина.
Хотя попробуй. чем черт не шутит............ но сомнения очень большие
-
wips
- Сообщения: 6
- Зарегистрирован: 25 фев 2012, 23:26
- Двигатель:: 4M51
- Мой автомобиль(и):: Mitsubishi Pajero Sport 3.2D MT 2008
- Благодарил (а): 2 раза
- Контактная информация:
Re: Хорошая новость по установке 2DIN
atservice, Napic, спасибо за схемы.
Практически полностью разобрались. Единственное, что не понятно это откуда взять сигнал Ignition Switch IG1 для 26-го пина коннектора 168 (новый БК). На схеме старого БК нарисовано что он подключается в ECU, но номеров ножек нет. Может у вас есть и схема ECU? Или скажите где вы их (схемы) берете, если не секрет.
Практически полностью разобрались. Единственное, что не понятно это откуда взять сигнал Ignition Switch IG1 для 26-го пина коннектора 168 (новый БК). На схеме старого БК нарисовано что он подключается в ECU, но номеров ножек нет. Может у вас есть и схема ECU? Или скажите где вы их (схемы) берете, если не секрет.
- Shagron
- Сообщения: 412
- Зарегистрирован: 09 авг 2010, 17:31
- Двигатель:: Бензин, V6, 3.0, MIVEC 220 Лошадок.
- Мой автомобиль(и):: New MPS.
- Откуда: Питер - Москва
- Благодарил (а): 7 раз
- Поблагодарили: 14 раз
Re: Хорошая новость по установке 2DIN
SNOOPER
В спорте на штатной MMCS нету информации бк потому, что просто нету салонной кан шины. MMCS считывает данные с салонной кан шины через свой внешний canbox. На паджеро 4 до прошлого года ситуация была такая же. Теперь в новых машинах есть салонная can шина и canbox.
Штатный бк спорта получает информацию с другой шины. Синий бк получал информацию через canbox, цветной понимает информацию с шины без canbox. Если китайская голова умеет получать информацию бк с шины спорта то при правильном подключнии пинов все должно работать.
Что касается mmcs то никто так и не попробовал подключить canbox mmcs к шине спорта, чтобы узнать будет работать или нет. Этот canbox стоит довольно дорого. Вероятно, что скорости и представление данных в шине спорта и шины которую понимает mmcs разные.
В спорте на штатной MMCS нету информации бк потому, что просто нету салонной кан шины. MMCS считывает данные с салонной кан шины через свой внешний canbox. На паджеро 4 до прошлого года ситуация была такая же. Теперь в новых машинах есть салонная can шина и canbox.
Штатный бк спорта получает информацию с другой шины. Синий бк получал информацию через canbox, цветной понимает информацию с шины без canbox. Если китайская голова умеет получать информацию бк с шины спорта то при правильном подключнии пинов все должно работать.
Что касается mmcs то никто так и не попробовал подключить canbox mmcs к шине спорта, чтобы узнать будет работать или нет. Этот canbox стоит довольно дорого. Вероятно, что скорости и представление данных в шине спорта и шины которую понимает mmcs разные.
- Napic
- Сообщения: 5982
- Зарегистрирован: 29 июл 2010, 06:51
- Двигатель:: дизель 4d56
- Мой автомобиль(и):: НМПСпорт 2010
- Откуда: Сибирь
- Благодарил (а): 423 раза
- Поблагодарили: 1021 раз
Re: Хорошая новость по установке 2DIN
Конечно тут http://www.pajero4x4.ru/bbs/phpBB2/view ... 81&t=61827 но и интернете есть более полные и свежие версииwips писал(а):Практически полностью разобрались. Единственное, что не понятно это откуда взять сигнал Ignition Switch IG1 для 26-го пина коннектора 168 (новый БК). На схеме старого БК нарисовано что он подключается в ECU, но номеров ножек нет. Может у вас есть и схема ECU? Или скажите где вы их (схемы) берете, если не секрет.
А вообще вопрос про IG1 странный
Тебе какая схема ECU нужна, новая или старая? Я тебе могу скинуть в личку, чтобы тебе не искать...
НМПСпорт 2010 4d56 2500 дизель S05 5AT
лето BridgeStone HT 265/65R17, зима Hakka 5 SUV 265/65R17
Eberspacher Hydronic 5 кВт, доп. вентилятор кондиционера
Egr off + дроссель On (нержавейка + программное отключение)
лето BridgeStone HT 265/65R17, зима Hakka 5 SUV 265/65R17
Eberspacher Hydronic 5 кВт, доп. вентилятор кондиционера
Egr off + дроссель On (нержавейка + программное отключение)
- sn1
- Сообщения: 7637
- Зарегистрирован: 23 авг 2010, 11:28
- Двигатель:: 4D56+
- Мой автомобиль(и):: Pajero Sport II
- Откуда: Византийская Империя
- Благодарил (а): 309 раз
- Поблагодарили: 673 раза
Re: Хорошая новость по установке 2DIN
Когда подключите и слегка разберетесь что она может, сфотографируйте реальный экран пожалуйста.wips писал(а): У нас выглядит точно так-же, только вместо цифр возле значков стоят прочерки: "--".
Говори правду, и тогда не придется ничего запоминать!
