TRT - Вдоль р.Киржач. Для стандартных 4х4 (08.11.25) Форум Обсуждение FAQ
	блокировка заднего дифференциала
Модераторы: SNOOPER, Alex_SH, Nbf, BAlex, drcham, SoundSpeed
					Правила форума
Дорогие друзья!
Пожалуйста, при создании и поиске сообщений не забывайте пользоваться гиперссылками на тематические разделы, расположенными на главной странице раздела "Новый Pajero Sport"
	Дорогие друзья!
Пожалуйста, при создании и поиске сообщений не забывайте пользоваться гиперссылками на тематические разделы, расположенными на главной странице раздела "Новый Pajero Sport"
- ColdRain
 - Сообщения: 807
 - Зарегистрирован: 05 янв 2010, 22:51
 - Двигатель:: 3.2 DI-D 4M41
 - Мой автомобиль(и):: Pajero Sport New 2008 АТ
 - Откуда: Нижневартовск
 - Откуда: Нижневартовск
 - Благодарил (а): 287 раз
 - Поблагодарили: 200 раз
 
Re: блокировка заднего дифференциала
Да он там не от веток рвется, поставил топливный -3 месяца в нескольких местах. Родная длина оптимальная сделал чуть длинее порывы были в месте избыточной петельки
			
			
									
						Pajero Sport NEW 3.2 АТ, FGC, Лето BFG AT 285/75/16, ОМЕ, Беркут стац., инв. 500Вт, MegaJet 600 Turbo. Корзина напрямую к крыше, Бодик 4, Железный зад :) 
Я на DRIVE2
			
						Я на DRIVE2
- Dimmm
 - Сообщения: 9587
 - Зарегистрирован: 14 янв 2008, 10:44
 - Двигатель:: 4D56
 - Мой автомобиль(и):: ослик unlimited :)
 - Откуда: Питер
 - Откуда: СПб Ржевка-Купчино
 - Благодарил (а): 14 раз
 - Поблагодарили: 60 раз
 - Контактная информация:
 
Re: блокировка заднего дифференциала
вот тоже блокировка отказывается включаться.. 
надо шланги посмотреть
			
			
									
						надо шланги посмотреть
НМПС :)
ослик... Был :)
MМS LTD "грязный" 6G74 был.
Прочистка канализации. Оборудование http://zasorovnet.ru/
			
						ослик... Был :)
MМS LTD "грязный" 6G74 был.
Прочистка канализации. Оборудование http://zasorovnet.ru/
- Napic
 - Сообщения: 5982
 - Зарегистрирован: 29 июл 2010, 06:51
 - Двигатель:: дизель 4d56
 - Мой автомобиль(и):: НМПСпорт 2010
 - Откуда: Сибирь
 - Благодарил (а): 423 раза
 - Поблагодарили: 1021 раз
 
Re: блокировка заднего дифференциала
стоял такой шланг
http://www.aurora-online.ru/catalog/welding/4087/
Дерьмо полное. Весь растрескался, резина задубела, фотать не стал - труха!!!
Единственное плюс - мягкий. И на морозе в том числе.
			
			
									
						http://www.aurora-online.ru/catalog/welding/4087/
Дерьмо полное. Весь растрескался, резина задубела, фотать не стал - труха!!!
Единственное плюс - мягкий. И на морозе в том числе.
НМПСпорт 2010 4d56 2500 дизель S05 5AT
лето BridgeStone HT 265/65R17, зима Hakka 5 SUV 265/65R17
Eberspacher Hydronic 5 кВт, доп. вентилятор кондиционера
Egr off + дроссель On (нержавейка + программное отключение)
			
						лето BridgeStone HT 265/65R17, зима Hakka 5 SUV 265/65R17
Eberspacher Hydronic 5 кВт, доп. вентилятор кондиционера
Egr off + дроссель On (нержавейка + программное отключение)
- Dimmm
 - Сообщения: 9587
 - Зарегистрирован: 14 янв 2008, 10:44
 - Двигатель:: 4D56
 - Мой автомобиль(и):: ослик unlimited :)
 - Откуда: Питер
 - Откуда: СПб Ржевка-Купчино
 - Благодарил (а): 14 раз
 - Поблагодарили: 60 раз
 - Контактная информация:
 
Re: блокировка заднего дифференциала
у мне шланги целы. оторван провод один конец к редуктору, второй видимо к компрессору
пока не делал
			
			
									
						пока не делал
НМПС :)
ослик... Был :)
MМS LTD "грязный" 6G74 был.
Прочистка канализации. Оборудование http://zasorovnet.ru/
			
						ослик... Был :)
MМS LTD "грязный" 6G74 был.
Прочистка канализации. Оборудование http://zasorovnet.ru/
- Napic
 - Сообщения: 5982
 - Зарегистрирован: 29 июл 2010, 06:51
 - Двигатель:: дизель 4d56
 - Мой автомобиль(и):: НМПСпорт 2010
 - Откуда: Сибирь
 - Благодарил (а): 423 раза
 - Поблагодарили: 1021 раз
 
Re: блокировка заднего дифференциала
Странно, наверное машина еще новаяDimmm писал(а):у мне шланги целы. оторван провод один конец к редуктору, второй видимо к компрессору
пока не делал
Всем, история со шлангами возможно подходит к своему логическому завершению...
В тесте участвовали
1. Штатный, оригинальный шланг БЗД 2010 года выпуска
2. Кислородный шланг черного цвета МОРОЗОСТОЙКИЙ, как у olegro
3. Кислородный шланг синего цвета (фото на сообщении выше) фирмы aurora Россия.
4. Топливный шланг обратки карбюраторной десятки 2110. В магазине стоит 75 рублей, продается одним куском ~1.1 метра. Штатная деталь российского АВТОВАЗа.
Все испытуемые образцы были помещены в холодильник на сутки и была выставлена температура -29 градусов.
После извлечения из морозильной камеры, все образцы шлангов были согнуты под углом 90 градусов.
Итак итоги:
1. Штатный оригинальный шланг сломался как сухая ветка.
2. Кислородный шланг черный МОРОЗОСТОЙКИЙ как у olegro встал КОЛОМ и потребовалось достаточно сильное усилие чтобы его согнуть на 90 градусов.
3. Синий кислородный шланг был довольно мягок, но тоже поддубел.
4. Шланг обратки от десятки выглядел таким, как будто его никуда и не засовывали. Был мягок и поддатлив, просто шланг был ледяной на ощупь, а по мягкости как летом!
В итоге первое место занял шланг от отечественной машины!
Черный шланг как у olegro вырвет нахрен все металлические трубопроводы по зиме, а возможно что и уже вырвал, только хозяин молчит
Синий шланг несмотря на мягкость не прожил и полугода - рассыпался и пошел трещинами
Так что АВТОВАЗ еще себя проявит в будущем
Но пока внушает доверие
Штатный оригинальный шланг после морозильника и сгибания на 90 градусов А вот и победитель нашего теста, встречайте
НМПСпорт 2010 4d56 2500 дизель S05 5AT
лето BridgeStone HT 265/65R17, зима Hakka 5 SUV 265/65R17
Eberspacher Hydronic 5 кВт, доп. вентилятор кондиционера
Egr off + дроссель On (нержавейка + программное отключение)
			
						лето BridgeStone HT 265/65R17, зима Hakka 5 SUV 265/65R17
Eberspacher Hydronic 5 кВт, доп. вентилятор кондиционера
Egr off + дроссель On (нержавейка + программное отключение)
- 
				Ию_65
 - Сообщения: 73
 - Зарегистрирован: 22 авг 2012, 16:02
 - Двигатель:: 4D56
 - Мой автомобиль(и):: Pagero Sport New МКПП
 - Откуда: Донецк
 - Благодарил (а): 14 раз
 - Поблагодарили: 2 раза
 
Re: блокировка заднего дифференциала
Napic, там один шланг нужно менять, или их на БЗД больше (я не заглядывал)?
			
			
									
						- Napic
 - Сообщения: 5982
 - Зарегистрирован: 29 июл 2010, 06:51
 - Двигатель:: дизель 4d56
 - Мой автомобиль(и):: НМПСпорт 2010
 - Откуда: Сибирь
 - Благодарил (а): 423 раза
 - Поблагодарили: 1021 раз
 
Re: блокировка заднего дифференциала
Шлангов довольно много, но менять только два которые "ходят", остальные шланги в неподвижности.Ию_65 писал(а):Napic, там один шланг нужно менять, или их на БЗД больше (я не заглядывал)?
Мост играет на неровностях относительно кузова и шланги постоянно в движении изгиба. На самом мосту всего два шланга - один шланг для подачи воздуха компрессора, а другой - для сапуна этого моста.
В принципе можно поменять только один от компрессора и БЗД будет работать, но лучше менять оба шланга...
Лучше новые шланги сделать немного длиннее штатных шлангов, но без фанатизма, чтобы шальные ветки в "крючки" не играли...
Да и повторю - исправная БЗД включается мгновенно! То есть нажали кнопку, сразу заработал компрессор и отключился секунды через три-четыре. Если не загорелась при этом лампочка БЗД - то буквально на миллиметр продергиваем машину вперед либо назад и БЗД должна загореться. Если все работает не так как я описал - то есть проблема и она скорее всего в шлангах... не выдерживают наших морозов и лопаются.
При этом (шланге с трещинами) у меня БЗД все-таки включалась, но очень долго - ждать примерно минуту и не факт что не отключится самопроизвольно....
Сейчас же все нормально, ТТТ.
НМПСпорт 2010 4d56 2500 дизель S05 5AT
лето BridgeStone HT 265/65R17, зима Hakka 5 SUV 265/65R17
Eberspacher Hydronic 5 кВт, доп. вентилятор кондиционера
Egr off + дроссель On (нержавейка + программное отключение)
			
						лето BridgeStone HT 265/65R17, зима Hakka 5 SUV 265/65R17
Eberspacher Hydronic 5 кВт, доп. вентилятор кондиционера
Egr off + дроссель On (нержавейка + программное отключение)
- SKS
 - Сообщения: 4194
 - Зарегистрирован: 20 апр 2008, 18:58
 - Двигатель:: 4N15
 - Мой автомобиль(и):: PAJERO SPORT 2.4 Ultimate, 2017 г., белый
 - Откуда: Тюмень
 - Откуда: Тюмень
 - Благодарил (а): 700 раз
 - Поблагодарили: 471 раз
 
Re: блокировка заднего дифференциала
Мне шланг на ТО поменяли. Интересно работает сейчас блокировка или нет, нужно проверить. А вообще, судя по информации от Napica думаю придется принудительно самому еще раз поменять. А то весной сидел в плотном снегу, блокировку включал, но видимо она уже тогда не работала, т.к. ожидаемого эффекта в помощи для самоизволения не получил.
			
			
									
						- olegro
 - Сообщения: 2445
 - Зарегистрирован: 15 фев 2011, 06:15
 - Двигатель:: 4М41 200лс
 - Мой автомобиль(и):: Pajero IV
 - Откуда: Красноярск
 - Откуда: Красноярск
 - Благодарил (а): 158 раз
 - Поблагодарили: 290 раз
 
Re: блокировка заднего дифференциала
Судя по результатам теста - возможно и вырвет, но у меня все в порядке, о чем молчать не будуNapic писал(а):Черный шланг как у olegro вырвет нахрен все металлические трубопроводы по зиме, а возможно что и уже вырвал, только хозяин молчит![]()
Буквально неделю назад, перед выездом на рыбалку, лазил под машину, продувал шланги и сапуны
Видимо надо будет все же воспользоваться качественными вазовскими изделиями
Pajero Sport 3.2 4AT Webasto OME - был
Pajero IV 3.2 5AT Webasto, ОМЕ+EFS
			
						Pajero IV 3.2 5AT Webasto, ОМЕ+EFS
- 
				Ию_65
 - Сообщения: 73
 - Зарегистрирован: 22 авг 2012, 16:02
 - Двигатель:: 4D56
 - Мой автомобиль(и):: Pagero Sport New МКПП
 - Откуда: Донецк
 - Благодарил (а): 14 раз
 - Поблагодарили: 2 раза
 
Re: блокировка заднего дифференциала
Здесь описаны случаи самопроизвольного включения БЗД во время езды в сильный ливень. Так может имеет смысл приколхозить какой-нибудь выключатель питания на компрессор БЗД?
			
			
									
						- Napic
 - Сообщения: 5982
 - Зарегистрирован: 29 июл 2010, 06:51
 - Двигатель:: дизель 4d56
 - Мой автомобиль(и):: НМПСпорт 2010
 - Откуда: Сибирь
 - Благодарил (а): 423 раза
 - Поблагодарили: 1021 раз
 
Re: блокировка заднего дифференциала
На компрессоре и нет никакого питания. На компрессоре висит минус. Блок управления блокировкой (плюс +12 Вольт) находится за бардачком. Чтобы его залило водой и замкнуло нужно чтобы сам бардачек и салон был в водеИю_65 писал(а):Здесь описаны случаи самопроизвольного включения БЗД во время езды в сильный ливень. Так может имеет смысл приколхозить какой-нибудь выключатель питания на компрессор БЗД?
НМПСпорт 2010 4d56 2500 дизель S05 5AT
лето BridgeStone HT 265/65R17, зима Hakka 5 SUV 265/65R17
Eberspacher Hydronic 5 кВт, доп. вентилятор кондиционера
Egr off + дроссель On (нержавейка + программное отключение)
			
						лето BridgeStone HT 265/65R17, зима Hakka 5 SUV 265/65R17
Eberspacher Hydronic 5 кВт, доп. вентилятор кондиционера
Egr off + дроссель On (нержавейка + программное отключение)
- 
				Ию_65
 - Сообщения: 73
 - Зарегистрирован: 22 авг 2012, 16:02
 - Двигатель:: 4D56
 - Мой автомобиль(и):: Pagero Sport New МКПП
 - Откуда: Донецк
 - Благодарил (а): 14 раз
 - Поблагодарили: 2 раза
 
Re: блокировка заднего дифференциала
Napic, тем не менее факт имеет место быть. Тут уже не один человек уже описывали случаи, когда при езде по мокрой дороге блокировалась БЗД. То-есть, вода заливала не блок управления, а контакты где-то внизу. Наверное, где-то в какую-то цепь можно вставить выключатель именно на тот случай, когда придется ехать "по-колено" в воде, ведь внезапная блокировка БЗД даже на не очень большой скорости - не очень приятная перспектива.Napic писал(а):На компрессоре и нет никакого питания. На компрессоре висит минус. Блок управления блокировкой (плюс +12 Вольт) находится за бардачком. Чтобы его залило водой и замкнуло нужно чтобы сам бардачек и салон был в водеИю_65 писал(а):Здесь описаны случаи самопроизвольного включения БЗД во время езды в сильный ливень. Так может имеет смысл приколхозить какой-нибудь выключатель питания на компрессор БЗД?
- 
				DenisR
 - Сообщения: 3006
 - Зарегистрирован: 12 окт 2009, 16:46
 - Двигатель:: 4M41
 - Мой автомобиль(и):: Pajero Sport New
 - Откуда: Москва. Сев.Тушино
 - Откуда: Москва. Сев.Тушино
 - Благодарил (а): 15 раз
 - Поблагодарили: 185 раз
 
Re: блокировка заднего дифференциала
у меня такая хрень происходит в сильный дождь, в среднем пару раз в год, при этом после бродов все ок. Видимо на скорости как-то по хитрому задувает влагу в контакты.
			
			
									
						3.2 АКПП, лето  Maxxis razr at 285\75\R16, зима nokian lt2 285\75\R16.  Силовые пороги. T-MAX11000 . MJ 600 Turbo+Lemm TURBO 2001
			
						- 
				Ию_65
 - Сообщения: 73
 - Зарегистрирован: 22 авг 2012, 16:02
 - Двигатель:: 4D56
 - Мой автомобиль(и):: Pagero Sport New МКПП
 - Откуда: Донецк
 - Благодарил (а): 14 раз
 - Поблагодарили: 2 раза
 
Re: блокировка заднего дифференциала
В общем так. Я сейчас созвонился с электриком (очень грамотный человек) и он мне все объяснил. Оказывается, БЗД может блокироваться только из-за засорения сапуна. А горящая в дождь на панели индикация блокировки БЗД - это только индикация (замыкание), БЗД при этом реально не блокируется.
			
			
									
						- MAVR64
 - Сообщения: 2881
 - Зарегистрирован: 28 авг 2010, 20:51
 - Двигатель:: Дизель
 - Мой автомобиль(и):: Pajero
 - Откуда: Саратов
 - Благодарил (а): 134 раза
 - Поблагодарили: 146 раз
 
Re: блокировка заднего дифференциала
Очень может быть. При засорении сапуна возможно самовключение БЗД от перепада давления. Включение индикации БЗД возможно при замыкании проводки к датчику, например, через мокрую грязь.Ию_65 писал(а):В общем так. Я сейчас созвонился с электриком (очень грамотный человек) и он мне все объяснил. Оказывается, БЗД может блокироваться только из-за засорения сапуна. А горящая в дождь на панели индикация блокировки БЗД - это только индикация (замыкание), БЗД при этом реально не блокируется.
PAJERO SHOGUN 2014my 3200 200hp A/T БК, регистратор, антирадар, Защита=композит+алюминий
Yokohama Geolandar A/T G012 size 265/60 R18
			
						Yokohama Geolandar A/T G012 size 265/60 R18
- Napic
 - Сообщения: 5982
 - Зарегистрирован: 29 июл 2010, 06:51
 - Двигатель:: дизель 4d56
 - Мой автомобиль(и):: НМПСпорт 2010
 - Откуда: Сибирь
 - Благодарил (а): 423 раза
 - Поблагодарили: 1021 раз
 
Re: блокировка заднего дифференциала
Самый правильный ответ!MAVR64 писал(а):Очень может быть. При засорении сапуна возможно самовключение БЗД от перепада давления. Включение индикации БЗД возможно при замыкании проводки к датчику, например, через мокрую грязь.Ию_65 писал(а):В общем так. Я сейчас созвонился с электриком (очень грамотный человек) и он мне все объяснил. Оказывается, БЗД может блокироваться только из-за засорения сапуна. А горящая в дождь на панели индикация блокировки БЗД - это только индикация (замыкание), БЗД при этом реально не блокируется.
Компрессор обесточен и попадание влаги в него ничего не меняет.
А вот датчик блокировки вполне возможно под напругой...
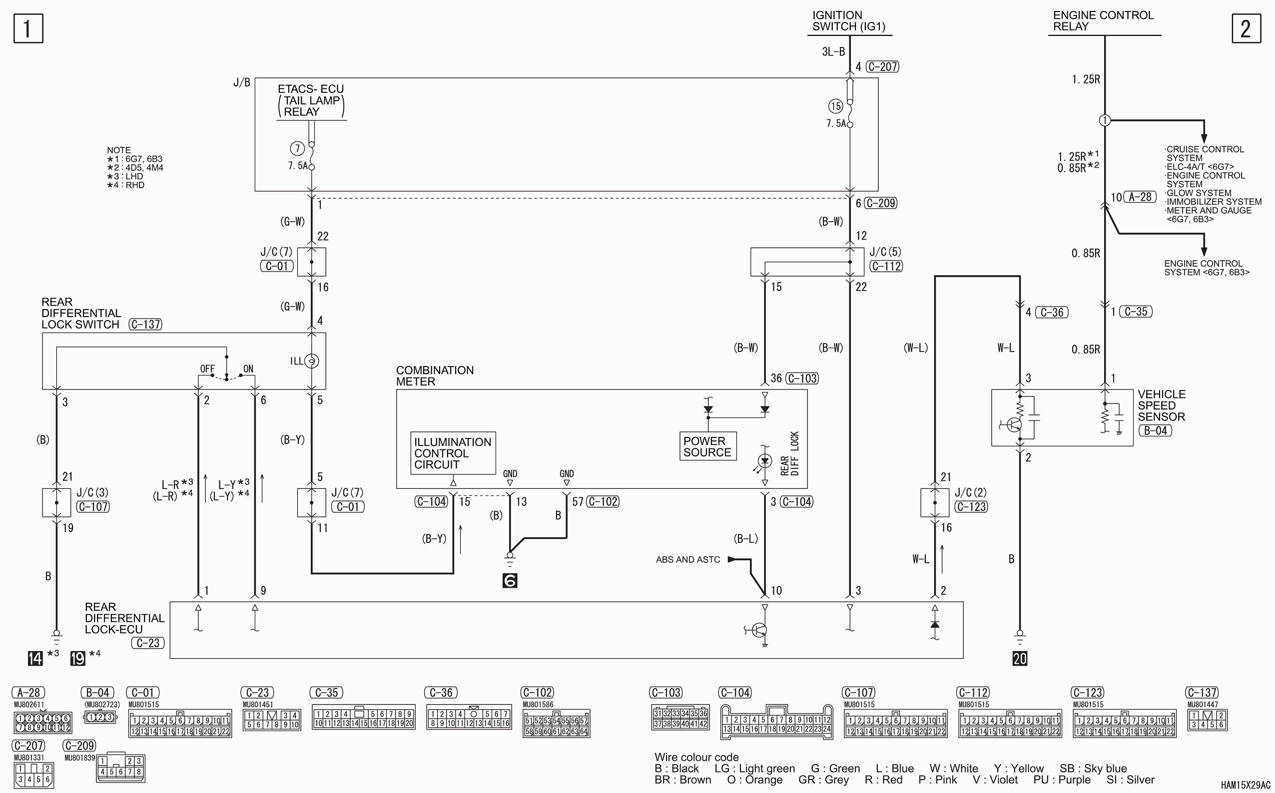
Нас интересует колодка D17,D22 (возле компрессора ) и разъем С-36,С-35 у левой ноги водителя.
НМПСпорт 2010 4d56 2500 дизель S05 5AT
лето BridgeStone HT 265/65R17, зима Hakka 5 SUV 265/65R17
Eberspacher Hydronic 5 кВт, доп. вентилятор кондиционера
Egr off + дроссель On (нержавейка + программное отключение)
			
						лето BridgeStone HT 265/65R17, зима Hakka 5 SUV 265/65R17
Eberspacher Hydronic 5 кВт, доп. вентилятор кондиционера
Egr off + дроссель On (нержавейка + программное отключение)
- 
				DenisR
 - Сообщения: 3006
 - Зарегистрирован: 12 окт 2009, 16:46
 - Двигатель:: 4M41
 - Мой автомобиль(и):: Pajero Sport New
 - Откуда: Москва. Сев.Тушино
 - Откуда: Москва. Сев.Тушино
 - Благодарил (а): 15 раз
 - Поблагодарили: 185 раз
 
Re: блокировка заднего дифференциала
я проверял разъем датчика включения задней блокировки +  поливал его wd-40 чтоб убрать влагу, эффект 0, видимо где-то дальше перебит кабель или еще какие разъемы, в салоне в районе левой ноги у меня все сухо.
			
			
									
						3.2 АКПП, лето  Maxxis razr at 285\75\R16, зима nokian lt2 285\75\R16.  Силовые пороги. T-MAX11000 . MJ 600 Turbo+Lemm TURBO 2001
			
						- 
				vladimir48
 - Сообщения: 8
 - Зарегистрирован: 01 сен 2013, 11:18
 - Двигатель:: 4D56
 - Мой автомобиль(и):: Pajero Sport New
 - Откуда: Липецкая область
 
Re: блокировка заднего дифференциала
Вот и тема нужная мне всплыла, спасибо форумчанам, буду в свободное время изучать. В ветке о поломках описывал свой случай, так у меня диф как раз заблокировался, до дома ехал одной стороной по обочине чтоб мост не нагружать. Думаю тоже что включился от резкого перепада давления т.к. где то 70 км по трассе ехал со скоростью 110-120 как обычно и сходу в стену дождя влетел. Сегодня ездил в Воронеж попал под такой же ливень - без приключений обошлось.Ию_65 писал(а):В общем так. Я сейчас созвонился с электриком (очень грамотный человек) и он мне все объяснил. Оказывается, БЗД может блокироваться только из-за засорения сапуна. А горящая в дождь на панели индикация блокировки БЗД - это только индикация (замыкание), БЗД при этом реально не блокируется.
- Napic
 - Сообщения: 5982
 - Зарегистрирован: 29 июл 2010, 06:51
 - Двигатель:: дизель 4d56
 - Мой автомобиль(и):: НМПСпорт 2010
 - Откуда: Сибирь
 - Благодарил (а): 423 раза
 - Поблагодарили: 1021 раз
 
Re: блокировка заднего дифференциала
Блин, только сейчас вспомнил. Как-то давно был у ОД, который мне укорачивал сломанный воздушный шланг БЗД.vladimir48 писал(а): Вот и тема нужная мне всплыла, спасибо форумчанам, буду в свободное время изучать. В ветке о поломках описывал свой случай, так у меня диф как раз заблокировался, до дома ехал одной стороной по обочине чтоб мост не нагружать. Думаю тоже что включился от резкого перепада давления т.к. где то 70 км по трассе ехал со скоростью 110-120 как обычно и сходу в стену дождя влетел. Сегодня ездил в Воронеж попал под такой же ливень - без приключений обошлось.
Это было года три назад. Так вот, у ОД есть информационное письмо-бюллетень, секретный наверное, но я его видел краешком глаза, что есть проблема самопроизвольной включения блокировки заднего дифференциала.
Так что, кто у нас работает у ОД?, пусть пошукают этот документ
В любом случае, тебе надо озвучить эту проблему у ОД при очередном посещении. Мастер приемщик пусть запишет в компьютер твою жалобу что БЗД сама включилась на скорости при попадании в стену дождя.
Возможно, что ОД утаивает этот документ. Там в этом документе есть перечень определенных действий, которые следует предпринять, чтобы данная проблема не повторялась.
Если ты эту проблему не озвучил, то и проблемы у ОД нет, а только у тебя...
НМПСпорт 2010 4d56 2500 дизель S05 5AT
лето BridgeStone HT 265/65R17, зима Hakka 5 SUV 265/65R17
Eberspacher Hydronic 5 кВт, доп. вентилятор кондиционера
Egr off + дроссель On (нержавейка + программное отключение)
			
						лето BridgeStone HT 265/65R17, зима Hakka 5 SUV 265/65R17
Eberspacher Hydronic 5 кВт, доп. вентилятор кондиционера
Egr off + дроссель On (нержавейка + программное отключение)
- 
				vladimir48
 - Сообщения: 8
 - Зарегистрирован: 01 сен 2013, 11:18
 - Двигатель:: 4D56
 - Мой автомобиль(и):: Pajero Sport New
 - Откуда: Липецкая область
 
Re: блокировка заднего дифференциала
В понедельник у ОД был, сапуны почистили клеммы проверили, всё нормально работает сейчас.
			
			
									
						