TRT - Вдоль р.Киржач. Для стандартных 4х4 (08.11.25) Форум Обсуждение FAQ
фаркоп на паджеро 4
Модераторы: SNOOPER, Nbf, Romik, BAlex, drcham, DenVer, SoundSpeed
- Svetliy
- Сообщения: 1433
- Зарегистрирован: 03 июл 2011, 22:58
- Двигатель:: 3.0 бензин
- Мой автомобиль(и):: Pajero 4
- Откуда: Москва
- Откуда: Москва
- Благодарил (а): 126 раз
- Поблагодарили: 67 раз
Re: фаркоп на паджеро 4
Паджерошоповский модный фаркоп с защитой (выше писал что поставил) благополучно облез весь напрочь, и представляет собой вид ржавого куска ..... В общем красить они совершенно не умеют, хоть и денег берут не кисло. Имейте ввиду. Зато сам конструктив шикарен и очень нравится. Потому затарился модными балончиками с разными составами и шкуркой. На днях займусь доделкой за криворукими.
«Те, кто ест суп из фугу,— глупые люди. Но и те, кто не ест суп из фугу,— тоже глупые люди»
- Старик Ромуальдыч
- Сообщения: 128
- Зарегистрирован: 09 окт 2013, 17:48
- Двигатель:: 6G72
- Мой автомобиль(и):: П4 3л GLS ОАЭ 21 г.в. и П4 3л ULT (ROLF) 12 г.в., ранее МПС 2,5ТД 05 г.в.
- Откуда: Москва, Марьино
- Благодарил (а): 7 раз
- Поблагодарили: 11 раз
Re: фаркоп на паджеро 4
Вот правильный подход: http://www.pajero4x4.ru/bbs/phpBB2/view ... 5#p1867995Svetliy писал(а):Потому затарился модными балончиками с разными составами и шкуркой. На днях займусь доделкой за криворукими.
У самого была мысль взять в Паджеро-шопе их фаркоп не окрашенный,
и на поклон к Alex Sam-у, тем более от моего Марьина до Домодедово рукой подать....
Можно конечно покрасить каким-нибудь хаммеррайтом, но через некоторое время надо будет обязательно снимать фаркоп и подкрашиватьAlex Sam писал(а): оцинковать можно у меня (Домодедово), но конструкция должна быть сделана под оцинкование (не иметь закрытых полостей, должны быть технологические отверстия для выхода воздуха при погружении и для слива цинка при подъеме из ванны)
-
Alex Sam
- Сообщения: 611
- Зарегистрирован: 23 янв 2008, 19:03
- Двигатель:: 6G72
- Мой автомобиль(и):: Pajero IV 3.0, VW Tiguan 2.0
- Откуда: Видное
- Благодарил (а): 8 раз
- Поблагодарили: 36 раз
Re: фаркоп на паджеро 4
Паджерошоповский надо усиливать - вваривать жесткости от горизонтальной трубы на пластину защиты бампера. Если цепанешь нормально задницей, то эти лепестки благополучно загибаются - у меня сейчас на оцинковку такой привезли, вмято было неплохо (вместе с бампером).Svetliy писал(а):Паджерошоповский модный фаркоп с защитой (выше писал что поставил) благополучно облез весь напрочь, и представляет собой вид ржавого куска ..... В общем красить они совершенно не умеют, хоть и денег берут не кисло. Имейте ввиду. Зато сам конструктив шикарен и очень нравится.
П4 3.0 Ult 2018, VW Tiguan S&S 2.0TSI(170) 2011
- forest-alex
- Сообщения: 1592
- Зарегистрирован: 13 фев 2008, 13:59
- Двигатель:: 6G72
- Мой автомобиль(и):: Паджеро 4
- Откуда: Москва-Черноголовка, [150]
- Благодарил (а): 4 раза
- Поблагодарили: 27 раз
- Контактная информация:
Re: фаркоп на паджеро 4
Alex Sam писал(а):Паджерошоповский надо усиливать - вваривать жесткости от горизонтальной трубы на пластину защиты бампера. Если цепанешь нормально задницей, то эти лепестки благополучно загибаются - у меня сейчас на оцинковку такой привезли, вмято было неплохо (вместе с бампером).
Так альтернативы шоповскому похоже нету - все остальное сильно портит геометрию...
Тлкп150 2.8д, 2021, 32ат Гудрмч, ОМЕ, П4, 3.0 АКПП, 2013 - Купер АТ3 265/70/17, подвеска ОМЕ, защита, фаркоп, МJ555+Lemm1000.
MPS 3,0 АКПП 2007, - продан
http://www.orf.ru
MPS 3,0 АКПП 2007, - продан
http://www.orf.ru
- Svetliy
- Сообщения: 1433
- Зарегистрирован: 03 июл 2011, 22:58
- Двигатель:: 3.0 бензин
- Мой автомобиль(и):: Pajero 4
- Откуда: Москва
- Откуда: Москва
- Благодарил (а): 126 раз
- Поблагодарили: 67 раз
Re: фаркоп на паджеро 4
Вот точно, брать не крашеным и везти нормальным людям красить или еще чем покрывать. Но снимать теперь лень великая, буду сверху подкрашивать сам а там посмотрим.
«Те, кто ест суп из фугу,— глупые люди. Но и те, кто не ест суп из фугу,— тоже глупые люди»
- BabyHummer A-328
- Сообщения: 6030
- Зарегистрирован: 27 июн 2012, 12:30
- Двигатель:: Бензин 3.8
- Мой автомобиль(и):: Mitsubishi Pajero IV
- Откуда: Москва, Бабушкинская
- Откуда: Москва
- Благодарил (а): 166 раз
- Поблагодарили: 211 раз
Re: фаркоп на паджеро 4
Думаю, можно и порошком покрасить, с последующей прожаркой в печке. Довольно долговечное покрытие получается, типа эмали.Svetliy писал(а):Вот точно, брать не крашеным и везти нормальным людям красить или еще чем покрывать. Но снимать теперь лень великая, буду сверху подкрашивать сам а там посмотрим.
Как в Паджерошопе можно купить именно неокрашенный?
С уважением, Андрей
Псакой буду, если вру! :-)
Псакой буду, если вру! :-)
- Svetliy
- Сообщения: 1433
- Зарегистрирован: 03 июл 2011, 22:58
- Двигатель:: 3.0 бензин
- Мой автомобиль(и):: Pajero 4
- Откуда: Москва
- Откуда: Москва
- Благодарил (а): 126 раз
- Поблагодарили: 67 раз
Re: фаркоп на паджеро 4
Да я хз, но не думаю что это проблема, отобрать его у них, до того как они с дешманского балончика обпшикали и всего делов ))))
«Те, кто ест суп из фугу,— глупые люди. Но и те, кто не ест суп из фугу,— тоже глупые люди»
- CHUCK
- Сообщения: 175
- Зарегистрирован: 14 фев 2013, 08:56
- Двигатель:: 6G72
- Мой автомобиль(и):: Pajero IV 3.0
- Откуда: Санкт-Путинбург
- Благодарил (а): 2 раза
- Поблагодарили: 8 раз
Re: фаркоп на паджеро 4
По центрам отверстий 73х125 ммAlpinist писал(а):Замерь плз расстояние между болтами котороми он к поперечине крепится. поз.№5
Пересел с Эльки на Прожеру.
Pajero IV 3.0 Ultimate S86
лето - Marshal MT KL71 33/12.5 R18 (305/60-18), зима - Купер 255/70-18
спереди и сзади пружины Айронмены В, аморты Billstein B6 Offroad
Третий ряд воткнул сам.
https://vk.com/springvar
Pajero IV 3.0 Ultimate S86
лето - Marshal MT KL71 33/12.5 R18 (305/60-18), зима - Купер 255/70-18
спереди и сзади пружины Айронмены В, аморты Billstein B6 Offroad
Третий ряд воткнул сам.
https://vk.com/springvar
- CHUCK
- Сообщения: 175
- Зарегистрирован: 14 фев 2013, 08:56
- Двигатель:: 6G72
- Мой автомобиль(и):: Pajero IV 3.0
- Откуда: Санкт-Путинбург
- Благодарил (а): 2 раза
- Поблагодарили: 8 раз
Re: фаркоп на паджеро 4
Итак, сегодня на 90% сделали фаркоп-силовик
Родную балку с проушинами предварительно отпескоструил и было принято решение ее не срезать, а сделать из уголков 50х50 вокруг нее трубу прямоугольную...
Спасибо моему знакомому-другу-сварщику Стасу!!!
Родную балку с проушинами предварительно отпескоструил и было принято решение ее не срезать, а сделать из уголков 50х50 вокруг нее трубу прямоугольную...
Спасибо моему знакомому-другу-сварщику Стасу!!!
- Вложения
Пересел с Эльки на Прожеру.
Pajero IV 3.0 Ultimate S86
лето - Marshal MT KL71 33/12.5 R18 (305/60-18), зима - Купер 255/70-18
спереди и сзади пружины Айронмены В, аморты Billstein B6 Offroad
Третий ряд воткнул сам.
https://vk.com/springvar
Pajero IV 3.0 Ultimate S86
лето - Marshal MT KL71 33/12.5 R18 (305/60-18), зима - Купер 255/70-18
спереди и сзади пружины Айронмены В, аморты Billstein B6 Offroad
Третий ряд воткнул сам.
https://vk.com/springvar
- Lebed
- Сообщения: 10748
- Зарегистрирован: 25 июл 2010, 11:23
- Двигатель:: ******
- Мой автомобиль(и):: ******
- Откуда: ***
- Откуда: ***
- Благодарил (а): 236 раз
- Поблагодарили: 431 раз
Re: фаркоп на паджеро 4
Сравните по точкам крепления со штатным ТСУ.
"Если театр начинается с вешалки, то за такие пьесы нужно вешать." (с)
P.S. Для упырей- "Мы с тобой Гималаи; остальные — ничтожества." (с)
P.S. Для упырей- "Мы с тобой Гималаи; остальные — ничтожества." (с)
- Lebed
- Сообщения: 10748
- Зарегистрирован: 25 июл 2010, 11:23
- Двигатель:: ******
- Мой автомобиль(и):: ******
- Откуда: ***
- Откуда: ***
- Благодарил (а): 236 раз
- Поблагодарили: 431 раз
Re: фаркоп на паджеро 4
Можно и не ехать к Алексею))) http://galvan.ru/?q=node/65Старик Ромуальдыч писал(а):....У самого была мысль взять в Паджеро-шопе их фаркоп не окрашенный,
и на поклон к Alex Sam-у, тем более от моего Марьина до Домодедово рукой подать....
"Если театр начинается с вешалки, то за такие пьесы нужно вешать." (с)
P.S. Для упырей- "Мы с тобой Гималаи; остальные — ничтожества." (с)
P.S. Для упырей- "Мы с тобой Гималаи; остальные — ничтожества." (с)
- BabyHummer A-328
- Сообщения: 6030
- Зарегистрирован: 27 июн 2012, 12:30
- Двигатель:: Бензин 3.8
- Мой автомобиль(и):: Mitsubishi Pajero IV
- Откуда: Москва, Бабушкинская
- Откуда: Москва
- Благодарил (а): 166 раз
- Поблагодарили: 211 раз
Re: фаркоп на паджеро 4
Если хорошо зачищенный и протравленный фаркоп залить снаружи антигравием(а внутрь - любой НЕ сохнущий антикор), то ему тоже ничего не будет долгие годы. И без всякой гальваники.Lebed писал(а): Можно и не ехать к Алексею))) http://galvan.ru/?q=node/65
С уважением, Андрей
Псакой буду, если вру! :-)
Псакой буду, если вру! :-)
-
Mityai
- Сообщения: 19
- Зарегистрирован: 27 июл 2010, 09:04
- Двигатель:: 4G63, 6G72
- Мой автомобиль(и):: Lancer IX 2.0 StW, P-IV 3.0
- Откуда: Москва
Re: фаркоп на паджеро 4
alexsis писал(а):Прилетел в таком виде:alexsis писал(а):Если кому Питерцам интересен - Настоящий американский фаркоп REESE, могу поделиться алгоритмом- откуда и как он приехал ко мне из штатов. Цена 310 долларов + поездка в любой (какой сами себе пожелаете посетить) город Финляндии.
Временной интервал - 7 дней
респект
alexsis,
Это какой артикул у REESE'а? В каталоге у них вроде на 3-шку, с раздвижной балкой. Можно фото установленного посмотреть?
-
Alex Sam
- Сообщения: 611
- Зарегистрирован: 23 янв 2008, 19:03
- Двигатель:: 6G72
- Мой автомобиль(и):: Pajero IV 3.0, VW Tiguan 2.0
- Откуда: Видное
- Благодарил (а): 8 раз
- Поблагодарили: 36 раз
Re: фаркоп на паджеро 4
Кто-нибудь заморачивался ответным разъемом на штатный разъем фаркопа, который на правом заднем крыле под обшивкой?
Подключусь, конечно, и к проводам напрямую, но душа просит эстетики и фэншуя
Подключусь, конечно, и к проводам напрямую, но душа просит эстетики и фэншуя
П4 3.0 Ult 2018, VW Tiguan S&S 2.0TSI(170) 2011
- Delika379
- Сообщения: 1579
- Зарегистрирован: 17 сен 2008, 21:33
- Двигатель:: D4 2,4TD
- Мой автомобиль(и):: Volvo xc70
- Откуда: Москва - Куркино
- Откуда: Москва-Куркино
- Благодарил (а): 6 раз
- Поблагодарили: 45 раз
- Контактная информация:
Re: фаркоп на паджеро 4
13 страница этой темы, все расписано
PAJERO IV 3.0 2008г.в АРАБ. Продан.
Евгений
Евгений
- Lebed
- Сообщения: 10748
- Зарегистрирован: 25 июл 2010, 11:23
- Двигатель:: ******
- Мой автомобиль(и):: ******
- Откуда: ***
- Откуда: ***
- Благодарил (а): 236 раз
- Поблагодарили: 431 раз
Re: фаркоп на паджеро 4
Добавлю по подключению, Евгений.
Зелено- красных провода на штатную колодку приходит два. Один из кот. не поворотник. Если не ошибся по цвету)))
С колодкой, Алексей, не заморачивался.
Зелено- красных провода на штатную колодку приходит два. Один из кот. не поворотник. Если не ошибся по цвету)))
С колодкой, Алексей, не заморачивался.
"Если театр начинается с вешалки, то за такие пьесы нужно вешать." (с)
P.S. Для упырей- "Мы с тобой Гималаи; остальные — ничтожества." (с)
P.S. Для упырей- "Мы с тобой Гималаи; остальные — ничтожества." (с)
-
Alex Sam
- Сообщения: 611
- Зарегистрирован: 23 янв 2008, 19:03
- Двигатель:: 6G72
- Мой автомобиль(и):: Pajero IV 3.0, VW Tiguan 2.0
- Откуда: Видное
- Благодарил (а): 8 раз
- Поблагодарили: 36 раз
Re: фаркоп на паджеро 4
Жень, все схемы есть, какие провода куда прекрасно знаю. Причем на 13 странице ошибка - 5). Задний ход- не красный с синей полосой, а красный с ЗЕЛЕНОЙ полосой вдоль провода (7 пин колодки).Delika379 писал(а):13 страница этой темы, все расписано
Вопрос был про сам корпус разъема, где-бы раздобыть ответную фишку, чтобы колхозить поменьше
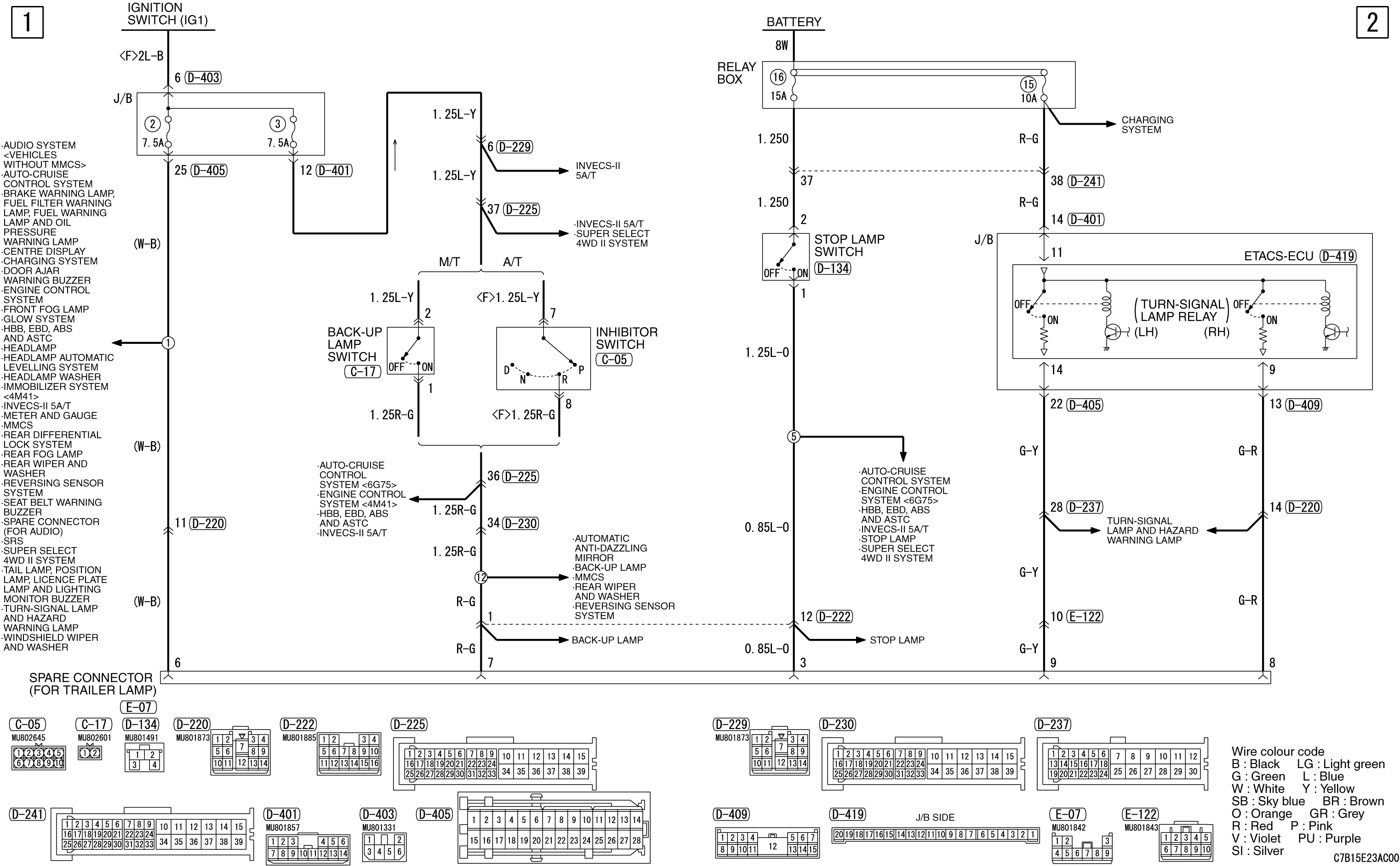
На всякий случай, схема разъема фаркопа (колодка Е-07):
П4 3.0 Ult 2018, VW Tiguan S&S 2.0TSI(170) 2011
- Delika379
- Сообщения: 1579
- Зарегистрирован: 17 сен 2008, 21:33
- Двигатель:: D4 2,4TD
- Мой автомобиль(и):: Volvo xc70
- Откуда: Москва - Куркино
- Откуда: Москва-Куркино
- Благодарил (а): 6 раз
- Поблагодарили: 45 раз
- Контактная информация:
Re: фаркоп на паджеро 4
У меня на арабе именно так. Никаких ошибок.
Если заморачиваться с колодкой, то думаю лучше взять тогда отдельно родную электро-проводку. Там кстати не только на этот разъем колодка, так же в разрыв идет на правую фару переходник, и один проводок на левую фару. Стоит не дорого и по феншую как раз будет. ИМХО.
Если заморачиваться с колодкой, то думаю лучше взять тогда отдельно родную электро-проводку. Там кстати не только на этот разъем колодка, так же в разрыв идет на правую фару переходник, и один проводок на левую фару. Стоит не дорого и по феншую как раз будет. ИМХО.
PAJERO IV 3.0 2008г.в АРАБ. Продан.
Евгений
Евгений
-
Alex Sam
- Сообщения: 611
- Зарегистрирован: 23 янв 2008, 19:03
- Двигатель:: 6G72
- Мой автомобиль(и):: Pajero IV 3.0, VW Tiguan 2.0
- Откуда: Видное
- Благодарил (а): 8 раз
- Поблагодарили: 36 раз
Re: фаркоп на паджеро 4
У меня на араба нет схемок, приведенная выше на официала. И по факту на официале 12 года смотрел - красный с зеленой. Наверное, араб отличается по цвету этого проводка (что на Мицу не похоже). На днях на своем арабе посмотрю, отпишусь.Delika379 писал(а):У меня на арабе именно так. Никаких ошибок.
Если заморачиваться с колодкой, то думаю лучше взять тогда отдельно родную электро-проводку. Там кстати не только на этот разъем колодка, так же в разрыв идет на правую фару переходник, и один проводок на левую фару. Стоит не дорого и по феншую как раз будет. ИМХО.
Вот колодка на официале: А родная проводка - есть номерок?
И что они берут с левой и правой фары, если все есть на основном разъеме?
П4 3.0 Ult 2018, VW Tiguan S&S 2.0TSI(170) 2011
-
Alex Sam
- Сообщения: 611
- Зарегистрирован: 23 янв 2008, 19:03
- Двигатель:: 6G72
- Мой автомобиль(и):: Pajero IV 3.0, VW Tiguan 2.0
- Откуда: Видное
- Благодарил (а): 8 раз
- Поблагодарили: 36 раз
Re: фаркоп на паджеро 4
Посмотрел на арабе 2007 - также как и на официале 2012 - задний ход красный с зеленой полосой
П4 3.0 Ult 2018, VW Tiguan S&S 2.0TSI(170) 2011
