Онли...................<Вавил> писал(а):Не надо меня под белые рученьки выводить... Чего то не найду по мануалу где он, и как с кем соединяется...SNOOPER писал(а): А КИПовцу окончательно на отдых. Сам не уйдёшь, помогу![]()
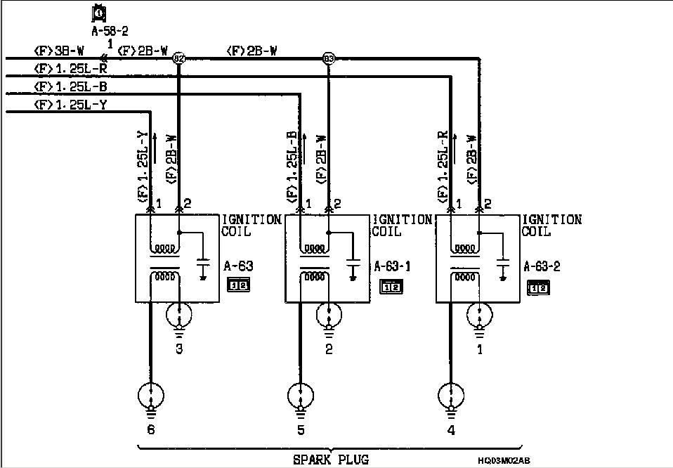
Нормальный такой, трёхканальный коммутатор
TRT - Вдоль р.Киржач. Для стандартных 4х4 (08.11.25) Форум Обсуждение FAQ
Детонация 6g72 24v
Модераторы: SNOOPER, Nbf, Romik, BAlex, drcham, алексей - Маленький Мук, DenVer
- SNOOPER
- Модератор
- Сообщения: 56884
- Зарегистрирован: 11 дек 2004, 19:49
- Двигатель:: 4D56
- Мой автомобиль(и):: NewMPS
- Откуда: 78
- Откуда: Spb
- Благодарил (а): 1005 раз
- Поблагодарили: 4663 раза
Re: Детонация 6g72 24v
-
- Сообщения: 67
- Зарегистрирован: 08 ноя 2012, 23:14
- Двигатель:: 6G72
- Мой автомобиль(и):: Montero Sport
- Откуда: г.Актау
- Благодарил (а): 5 раз
Re: Детонация 6g72 24v
Да,именно вот этот коммутатор.Уже ради интереса на выходных с рабочего спорта перекину себе катушки и коммутатор,посмотрим,что это нам даст,хочется конечно чуда....))))Если уже все датчики по переменял и детонация не прошла(((На выходных вздерну все фишки,на датчиках, побрызгаю очистителем,посмотрю,мало ли,где-нибудь да проводок оторвало или еще что-нибудь.Если все проделанные операции не дадут никаких результатов,буду раскоксовывать двигатель ЛАВРОМ,может и действительно,там нагара накопилось,вот и делает он нам такую подставу...
Montero Sport 1998 г.в ,6G72. Покоритель степей.
- Slavutich
- Сообщения: 597
- Зарегистрирован: 29 июл 2012, 13:40
- Двигатель:: 6g72
- Мой автомобиль(и):: pajero МПС-1
- Откуда: Мск
- Благодарил (а): 6 раз
- Поблагодарили: 3 раза
Re: Детонация 6g72 24v
<Вавил> писал(а):Slavutich - как твои дела? Что с детонацией? В горку, с нагрузками пробовал? Кстати - что тебе насчёт катушек говорили? проверяли или тоже не трогали?
Пока полет нормальный! Детонации я не слышу и не чую

Катушки в норме
- vova3
- Сообщения: 280
- Зарегистрирован: 27 дек 2010, 18:21
- Двигатель:: дизель 2,0 tdci
- Мой автомобиль(и):: МС был. форд куга есть
- Откуда: CПб
- Откуда: СПб
- Поблагодарили: 10 раз
Re: Детонация 6g72 24v
Кто Вас назначил самым умным?SNOOPER писал(а): Откуда дровишки?
Вы опять за своё. Здесь Вам не класс по обучению....................
Сей бред никоим образом не относится к системе управления конкретного двигателя.
Не мешайте обсуждать. И постарайтесь выбирать выражения...
Ваше отношение к обучению и его уровень вполне понятен, не грузите свой мозг - не читайте....
- <Вавил>
- Сообщения: 4190
- Зарегистрирован: 06 июн 2010, 08:40
- Двигатель:: 6G72
- Мой автомобиль(и):: Mitsubishi Montero Sport
- Откуда: Волгоград
- Откуда: Волгоград
- Благодарил (а): 13 раз
- Поблагодарили: 90 раз
Re: Детонация 6g72 24v
А есть ещё один, наверное глупый, вопрос. В закрытой теме про детонацию я спрашивал что должно быть вкручено в отверстие перед датчиком давления, никто не сказал - а там должен быть провод массы - т.е. соединение с кузовом. Вот я теперь и задумался, посмотрел - у меня всего один провод массы виден на движок... Подскажите сколько точек массы на двигателе и где они? по картинкам вроде нашёл две - и все они на впуском коллекторе. Но по хорошему же, наверное и другие детали должны быть соеденены с массой? Ведь впуской со всем остальным через прокладки соединён? Сам движок на резиновых подушках... Короче подскажите пж. сколько и где?
maxxis 265\75\R16mt762, пружины ТЛК80, переставлены торсионы, чистый ЕГР, ШЕРИФ 4 листа, доп. радиатор и вентилятор АКПП и масла движки, выкинут катализатор и ВСЕ стабилизаторы, шнорк
Все на D2 https://www.drive2.ru/r/mitsubishi/576735/
Все на D2 https://www.drive2.ru/r/mitsubishi/576735/
- vova3
- Сообщения: 280
- Зарегистрирован: 27 дек 2010, 18:21
- Двигатель:: дизель 2,0 tdci
- Мой автомобиль(и):: МС был. форд куга есть
- Откуда: CПб
- Откуда: СПб
- Поблагодарили: 10 раз
Re: Детонация 6g72 24v
Впускной сидит на прокладках, контакт с блоком идет через его крепеж.
На двигателе основная масса через стартерный толстый земляной провод. Он приходит на минус аккума.
В любой сложной системе земли это головная боль. Зачастую их расположение подбирают опытным путем.
В процессе эксплуатации лучше ничего не менять, просто следить за чистотой контактов.
На двигателе основная масса через стартерный толстый земляной провод. Он приходит на минус аккума.
В любой сложной системе земли это головная боль. Зачастую их расположение подбирают опытным путем.
В процессе эксплуатации лучше ничего не менять, просто следить за чистотой контактов.
- <Вавил>
- Сообщения: 4190
- Зарегистрирован: 06 июн 2010, 08:40
- Двигатель:: 6G72
- Мой автомобиль(и):: Mitsubishi Montero Sport
- Откуда: Волгоград
- Откуда: Волгоград
- Благодарил (а): 13 раз
- Поблагодарили: 90 раз
Re: Детонация 6g72 24v
Добавил сегодня все массы по мануалу и поменял датчик температуры. Первое время ехал нормально, думал победил. Ант нет... Минут через сорок езды опять стала появляться, но тише и реже. Какие есть идеи, как это может быть связано с температурой? Или скорее всего с продолжительностью движения? Ведь не сорок же минут греется движок в +5? Может это поможет выдвинуть на первый план возможные причины?
maxxis 265\75\R16mt762, пружины ТЛК80, переставлены торсионы, чистый ЕГР, ШЕРИФ 4 листа, доп. радиатор и вентилятор АКПП и масла движки, выкинут катализатор и ВСЕ стабилизаторы, шнорк
Все на D2 https://www.drive2.ru/r/mitsubishi/576735/
Все на D2 https://www.drive2.ru/r/mitsubishi/576735/
- Slavutich
- Сообщения: 597
- Зарегистрирован: 29 июл 2012, 13:40
- Двигатель:: 6g72
- Мой автомобиль(и):: pajero МПС-1
- Откуда: Мск
- Благодарил (а): 6 раз
- Поблагодарили: 3 раза
Re: Детонация 6g72 24v
на 92м бензине полет нормальный особой разницы пока нет. Продолжаем эксперимент.
- kyzya11
- Сообщения: 9185
- Зарегистрирован: 07 июл 2009, 14:13
- Двигатель:: 6G74
- Мой автомобиль(и):: был Montero Shprot 3.5 AWD
- Откуда: 77
- Благодарил (а): 414 раз
- Поблагодарили: 232 раза
Re: Детонация 6g72 24v
даже в мороз наши двиги при исправной системе охлаждения выходят на рабочий режим минут через 10 езды, не более<Вавил> писал(а):Добавил сегодня все массы по мануалу и поменял датчик температуры. Первое время ехал нормально, думал победил. Ант нет... Минут через сорок езды опять стала появляться, но тише и реже. Какие есть идеи, как это может быть связано с температурой? Или скорее всего с продолжительностью движения? Ведь не сорок же минут греется движок в +5? Может это поможет выдвинуть на первый план возможные причины?
был MMS XLS '02, AWD, 6G74, МТ32, Т-Max 6500
Славик.
Славик.
- <Вавил>
- Сообщения: 4190
- Зарегистрирован: 06 июн 2010, 08:40
- Двигатель:: 6G72
- Мой автомобиль(и):: Mitsubishi Montero Sport
- Откуда: Волгоград
- Откуда: Волгоград
- Благодарил (а): 13 раз
- Поблагодарили: 90 раз
Re: Детонация 6g72 24v
Вот и я об том же. Может ключевое здесь время работы? Может правда что то перегревается, катушки например... Slavutich в чём всё таки была причина? Гуру! Как считаете?
maxxis 265\75\R16mt762, пружины ТЛК80, переставлены торсионы, чистый ЕГР, ШЕРИФ 4 листа, доп. радиатор и вентилятор АКПП и масла движки, выкинут катализатор и ВСЕ стабилизаторы, шнорк
Все на D2 https://www.drive2.ru/r/mitsubishi/576735/
Все на D2 https://www.drive2.ru/r/mitsubishi/576735/
- vova3
- Сообщения: 280
- Зарегистрирован: 27 дек 2010, 18:21
- Двигатель:: дизель 2,0 tdci
- Мой автомобиль(и):: МС был. форд куга есть
- Откуда: CПб
- Откуда: СПб
- Поблагодарили: 10 раз
Re: Детонация 6g72 24v
Я хоть и не гуру, но вот заметь одну особенность - это что-то у тебя перегревается только на хх. На хорошем драйве вроде все ок. На какие мысли это наводит?<Вавил> писал(а):Вот и я об том же. Может ключевое здесь время работы? Может правда что то перегревается, катушки например... Slavutich в чём всё таки была причина? Гуру! Как считаете?
- Lukich111
- Сообщения: 3432
- Зарегистрирован: 16 янв 2011, 18:48
- Двигатель:: Бензин
- Мой автомобиль(и):: H-D Sportster 1200, +-самокатик(был) , 3 моноколеса
- Откуда: С-Петербург
- Откуда: C-Пб-(Мурманск)-
- Благодарил (а): 97 раз
- Поблагодарили: 233 раза
Re: Детонация 6g72 24v
я замечу еще одну особенность - начавший откручиваться болт шкива коленвала может также вызывать детонацию.
опаньки! а это уже было
опаньки! а это уже было

очень злой бывший ОД
диагностика и чип Mitsubishi
диагностика и чип Mitsubishi
- <Вавил>
- Сообщения: 4190
- Зарегистрирован: 06 июн 2010, 08:40
- Двигатель:: 6G72
- Мой автомобиль(и):: Mitsubishi Montero Sport
- Откуда: Волгоград
- Откуда: Волгоград
- Благодарил (а): 13 раз
- Поблагодарили: 90 раз
Re: Детонация 6g72 24v
Да нет привязки к холостым как таковой, всё равно так или иначе появляется через минут 30 езды.vova3 писал(а):Я хоть и не гуру, но вот заметь одну особенность - это что-то у тебя перегревается только на хх. На хорошем драйве вроде все ок. На какие мысли это наводит?<Вавил> писал(а):Вот и я об том же. Может ключевое здесь время работы? Может правда что то перегревается, катушки например... Slavutich в чём всё таки была причина? Гуру! Как считаете?
Значица покатался ещё с компом. С новыми лямдами, новым датчиком т-ры. Интересовала коррекция. Опять по левой голове до -7...10% доходит. В то время как по правой +3...4 не более. Это не есть хорошо как я понимаю. И наводит на мысли о льющей форсунке - несмотря что мне их снимали и на стенде что то делали. Может вообще наврали. Я же так понимаю, что при минусовой коррекции комп беднит всю голову?
Я предлагаю как то приходить уже к общему знаменателю всем у кого это проблема. Есть возможность у Вас тоже посмотреть на коррекции подачи топлива? Если тоже будет что то похожее то наверное есть смысл думать в сторону форсунок.
maxxis 265\75\R16mt762, пружины ТЛК80, переставлены торсионы, чистый ЕГР, ШЕРИФ 4 листа, доп. радиатор и вентилятор АКПП и масла движки, выкинут катализатор и ВСЕ стабилизаторы, шнорк
Все на D2 https://www.drive2.ru/r/mitsubishi/576735/
Все на D2 https://www.drive2.ru/r/mitsubishi/576735/
- <Вавил>
- Сообщения: 4190
- Зарегистрирован: 06 июн 2010, 08:40
- Двигатель:: 6G72
- Мой автомобиль(и):: Mitsubishi Montero Sport
- Откуда: Волгоград
- Откуда: Волгоград
- Благодарил (а): 13 раз
- Поблагодарили: 90 раз
Re: Детонация 6g72 24v
Кстати!!! Вспомнился пост, не помню чей, что у человека пропала детонация как только перевёл автомобиль на газ. Тоже толкает в сторону косяков с форсунками.
maxxis 265\75\R16mt762, пружины ТЛК80, переставлены торсионы, чистый ЕГР, ШЕРИФ 4 листа, доп. радиатор и вентилятор АКПП и масла движки, выкинут катализатор и ВСЕ стабилизаторы, шнорк
Все на D2 https://www.drive2.ru/r/mitsubishi/576735/
Все на D2 https://www.drive2.ru/r/mitsubishi/576735/
- Владимир Михайлович
- Сообщения: 6286
- Зарегистрирован: 22 фев 2008, 20:51
- Двигатель:: 6G74
- Мой автомобиль(и):: Монтеро 94 г.в.
- Откуда: Питер
- Откуда: Санкт-Петербург
- Благодарил (а): 69 раз
- Поблагодарили: 178 раз
Re: Детонация 6g72 24v
Или косяков с углом зажигания<Вавил> писал(а):Кстати!!! Вспомнился пост, не помню чей, что у человека пропала детонация как только перевёл автомобиль на газ. Тоже толкает в сторону косяков с форсунками.
Монтеро 5 дв. 6G74.АКПП. 94 г.в.
- Studebeker
- Сообщения: 1411
- Зарегистрирован: 22 апр 2010, 18:22
- Двигатель:: 6G72
- Мой автомобиль(и):: Pajero Sport
- Откуда: Москва-город Герой
- Благодарил (а): 11 раз
- Поблагодарили: 75 раз
Re: Детонация 6g72 24v
Ну так на газу он детонировать не будет при таких режимах, на которых при бензине мотор в клочья уже мог бы разлететься.Вспомнился пост, не помню чей, что у человека пропала детонация как только перевёл автомобиль на газ
МПС 3.0л 07г.в.АКПП, Мультитроникс-500RIF, ГБО BRC,вариатор Феникс 611,фаркоп Bosal,Бодик 4см+Suplex ,запаска в багажнике как у Черроки.
Колесами, печально, в небо смотрит Круизер... ("Мумитроль" Владивосток-2000)
Колесами, печально, в небо смотрит Круизер... ("Мумитроль" Владивосток-2000)
- <Вавил>
- Сообщения: 4190
- Зарегистрирован: 06 июн 2010, 08:40
- Двигатель:: 6G72
- Мой автомобиль(и):: Mitsubishi Montero Sport
- Откуда: Волгоград
- Откуда: Волгоград
- Благодарил (а): 13 раз
- Поблагодарили: 90 раз
Re: Детонация 6g72 24v
Насколько я понимаю газ, бензин ли... Если косяк с зажиганием, то он есть и там и там, а вот форсунки только на бензе. Slavutich давай конкретику до каждой запятой! Какие датчики снимали, какое было их состояние, что было стой форсункой, с которй как ты говорил больше возились? Переливала ли, забита ли была?
maxxis 265\75\R16mt762, пружины ТЛК80, переставлены торсионы, чистый ЕГР, ШЕРИФ 4 листа, доп. радиатор и вентилятор АКПП и масла движки, выкинут катализатор и ВСЕ стабилизаторы, шнорк
Все на D2 https://www.drive2.ru/r/mitsubishi/576735/
Все на D2 https://www.drive2.ru/r/mitsubishi/576735/
- SNOOPER
- Модератор
- Сообщения: 56884
- Зарегистрирован: 11 дек 2004, 19:49
- Двигатель:: 4D56
- Мой автомобиль(и):: NewMPS
- Откуда: 78
- Откуда: Spb
- Благодарил (а): 1005 раз
- Поблагодарили: 4663 раза
Re: Детонация 6g72 24v
Октановое число газа 103-105
Разницу улавливаете. Можете назвать бензин с такими характеристиками?
Разницу улавливаете. Можете назвать бензин с такими характеристиками?
- <Вавил>
- Сообщения: 4190
- Зарегистрирован: 06 июн 2010, 08:40
- Двигатель:: 6G72
- Мой автомобиль(и):: Mitsubishi Montero Sport
- Откуда: Волгоград
- Откуда: Волгоград
- Благодарил (а): 13 раз
- Поблагодарили: 90 раз
Re: Детонация 6g72 24v
Получается он требует более раннего угла опережения? А как комп тогда узнаёт, что работает на газу и принимать соответствующие меры?
maxxis 265\75\R16mt762, пружины ТЛК80, переставлены торсионы, чистый ЕГР, ШЕРИФ 4 листа, доп. радиатор и вентилятор АКПП и масла движки, выкинут катализатор и ВСЕ стабилизаторы, шнорк
Все на D2 https://www.drive2.ru/r/mitsubishi/576735/
Все на D2 https://www.drive2.ru/r/mitsubishi/576735/
- Владимир Михайлович
- Сообщения: 6286
- Зарегистрирован: 22 фев 2008, 20:51
- Двигатель:: 6G74
- Мой автомобиль(и):: Монтеро 94 г.в.
- Откуда: Питер
- Откуда: Санкт-Петербург
- Благодарил (а): 69 раз
- Поблагодарили: 178 раз
Re: Детонация 6g72 24v
Комп не понимает газ или бензин и выдаёт одинаковый угол опережения.(( Может какой супернавароченный газовый и сообщает о работе на газу, но обычно нет).Просто раннее зажигание бензин детонирует, тогда как при таком же раннем газ не детонирует по своей природе.
Монтеро 5 дв. 6G74.АКПП. 94 г.в.