Обогрев салона на дизельном Паджеро 4
Модераторы: SNOOPER, Nbf, Romik, BAlex, drcham, DenVer, SoundSpeed
-
Алексей В-д.
- Сообщения: 302
- Зарегистрирован: 20 апр 2008, 21:37
- Откуда: Волгоград
- Благодарил (а): 1 раз
Re: Обогрев салона на дизельном Паджеро 4
Какой вариант есть? Я других не знаю, посоветуйте.
Mitsubishi Pajero Sport, АКПП, 2005 год. Уехал к Новому владельцу.
Mitsubishi Pajero IV, АКПП, дизель 3,2 2015 год.
Mitsubishi Pajero IV, АКПП, дизель 3,2 2015 год.
- oasys
- Сообщения: 4839
- Зарегистрирован: 26 фев 2015, 20:50
- Двигатель:: 4M41
- Мой автомобиль(и):: Pajero 4
- Откуда: Москва
- Благодарил (а): 64 раза
- Поблагодарили: 319 раз
Re: Обогрев салона на дизельном Паджеро 4
http://autostudio.ru/catalog14.html
Я там сигналку ставил, качество работы очень понравилось, тем более, есть с чем сравнивать. Полагаю, с таким подходом к работе у них и с шумкой проблем не должно быть.
Я там сигналку ставил, качество работы очень понравилось, тем более, есть с чем сравнивать. Полагаю, с таким подходом к работе у них и с шумкой проблем не должно быть.
Бывает защита от дурака, но никто еще не придумал защиту от идиота.
-
Алексей В-д.
- Сообщения: 302
- Зарегистрирован: 20 апр 2008, 21:37
- Откуда: Волгоград
- Благодарил (а): 1 раз
Re: Обогрев салона на дизельном Паджеро 4
Спасибо, но Я уже договорился - это раз, а еще всетаки надо сравнивать не отношение, а результат. Если кто отозвался бы и сказал как было и как стало, тогда можно было разговаривать.
Mitsubishi Pajero Sport, АКПП, 2005 год. Уехал к Новому владельцу.
Mitsubishi Pajero IV, АКПП, дизель 3,2 2015 год.
Mitsubishi Pajero IV, АКПП, дизель 3,2 2015 год.
-
Алексей В-д.
- Сообщения: 302
- Зарегистрирован: 20 апр 2008, 21:37
- Откуда: Волгоград
- Благодарил (а): 1 раз
Re: Обогрев салона на дизельном Паджеро 4
ВЕБАСТО поставил, осадок остался. Завтра отпишусь в чем причина. Проверю в начале.
Шумку и чиповку не стал делать - срочно надо было в Волгоград возвращаться.
Шумку и чиповку не стал делать - срочно надо было в Волгоград возвращаться.
Mitsubishi Pajero Sport, АКПП, 2005 год. Уехал к Новому владельцу.
Mitsubishi Pajero IV, АКПП, дизель 3,2 2015 год.
Mitsubishi Pajero IV, АКПП, дизель 3,2 2015 год.
-
Алексей В-д.
- Сообщения: 302
- Зарегистрирован: 20 апр 2008, 21:37
- Откуда: Волгоград
- Благодарил (а): 1 раз
Re: Обогрев салона на дизельном Паджеро 4
Вообщем выяснилось уже на СТО в Волгограде. Что запуск с кнопки не работал, так как при установки панели просто оторвали провод. Сделали! При получении авто, если честно забыл эту функцию проверить. С телефона работает, вот и успокоился.
Mitsubishi Pajero Sport, АКПП, 2005 год. Уехал к Новому владельцу.
Mitsubishi Pajero IV, АКПП, дизель 3,2 2015 год.
Mitsubishi Pajero IV, АКПП, дизель 3,2 2015 год.
- Shved1979
- Сообщения: 337
- Зарегистрирован: 23 янв 2011, 17:15
- Двигатель:: тарахтелка
- Мой автомобиль(и):: Паджеро 4
- Откуда: Новосибирск
- Откуда: Новосибирск
- Благодарил (а): 3 раза
- Поблагодарили: 7 раз
Re: Обогрев салона на дизельном Паджеро 4
подниму тему про тэны в печке, короче опять червяк в голове засел. Вроде гидроник работает и в машине тепло, но когда его не включать, то по ощущениям тэны не греют, все положения регуляторов попробовал тепло не идёт, как их обнаружить? может по вин номеру? может предохранитель есть? релюхи вроде между правой фарой и корпусом фильтра присутствуют, но как проверить их работу не знаю, в электрике не силён совсем. Просто люблю когда всё работает, да и машинка вроде проблем не доставляет, а поковырять чего-нибудь руки чешутся...
Pajero 4 (трактор)
продан ММS 2001 LS, 6G72, 3л, АКПП.
продан ММS 2001 LS, 6G72, 3л, АКПП.
- СанычНСК
- Сообщения: 236
- Зарегистрирован: 06 июл 2014, 16:38
- Двигатель:: 4D56
- Мой автомобиль(и):: PAJERO SPORT Instyle 5AT 2.5DI-D
- Откуда: Новосибирск
- Откуда: Новосибирск
- Благодарил (а): 15 раз
- Поблагодарили: 4 раза
Re: Обогрев салона на дизельном Паджеро 4
На самом деле проверить очень легко.
Надо на прогретой машине выставить температуру больше 25*С.
Поставить поток воздуха только на лобовое стекло.
И добавить обороты вентилятору.
И проследить, что бы не включился кондиционер !!!
Если при всем выше перечисленном возросла нагрузка на генератор и автомобиль сам добавил оборотов, больше 1000, то с вероятностью 99.99999% у Вас стоят ТЭНЫ и с вероятностью 93% они оба работают.
Все это можно проделать и на холодном авто, но тут надо следить за оттаиванием лобового стекла. Обычно, через 3-4 минуты, стекло оттаивает снизу почти на 1/3.
Ну конечно если за бортом не минус 40*С. Да и не стоит так рисковать, стекло менять дорого.
Надо на прогретой машине выставить температуру больше 25*С.
Поставить поток воздуха только на лобовое стекло.
И добавить обороты вентилятору.
Если при всем выше перечисленном возросла нагрузка на генератор и автомобиль сам добавил оборотов, больше 1000, то с вероятностью 99.99999% у Вас стоят ТЭНЫ и с вероятностью 93% они оба работают.
Все это можно проделать и на холодном авто, но тут надо следить за оттаиванием лобового стекла. Обычно, через 3-4 минуты, стекло оттаивает снизу почти на 1/3.
Ну конечно если за бортом не минус 40*С. Да и не стоит так рисковать, стекло менять дорого.
- Shved1979
- Сообщения: 337
- Зарегистрирован: 23 янв 2011, 17:15
- Двигатель:: тарахтелка
- Мой автомобиль(и):: Паджеро 4
- Откуда: Новосибирск
- Откуда: Новосибирск
- Благодарил (а): 3 раза
- Поблагодарили: 7 раз
Re: Обогрев салона на дизельном Паджеро 4
Прошерстил в exist схемы практически всех комплектаций и этих тэнов не нашёл, где-то попадалось на форуме, что их два установлено в воздуховодах, где-то один прямо в отопитель встроен, а все эти манипуляции с регуляторами я проверял, тепла нет. Короче загадка, ну не разбирать же полмашины для этого и почему на схемах их нигде нет, ну либо слепой...
Pajero 4 (трактор)
продан ММS 2001 LS, 6G72, 3л, АКПП.
продан ММS 2001 LS, 6G72, 3л, АКПП.
- d_mus
- Сообщения: 189
- Зарегистрирован: 16 фев 2012, 11:25
- Двигатель:: 4M41
- Мой автомобиль(и):: Pajero 4
- Откуда: Ярославль
- Поблагодарили: 27 раз
Re: Обогрев салона на дизельном Паджеро 4
Не надо разбирать пол машины !Слева в районе педалей посмотрите повнимательней у отопителя,два провода( не маленьких по сечению) - красный и черный,у воздуховода .Хотите проверить работу можно подключить контрольную лампу или вольтметр .Не найдете ,могу сделать фото в помощь 
- oasys
- Сообщения: 4839
- Зарегистрирован: 26 фев 2015, 20:50
- Двигатель:: 4M41
- Мой автомобиль(и):: Pajero 4
- Откуда: Москва
- Благодарил (а): 64 раза
- Поблагодарили: 319 раз
Re: Обогрев салона на дизельном Паджеро 4
Как все сложно. У меня обороты добавляются при переводе потока в ноги, даже если установлено 17С. Хотя, вероятно, это еще от внешней температуры зависит.СанычНСК писал(а):На самом деле проверить очень легко.
Надо на прогретой машине выставить температуру больше 25*С.
Поставить поток воздуха только на лобовое стекло.
И добавить обороты вентилятору.
И проследить, что бы не включился кондиционер !!!
![]()
Если при всем выше перечисленном возросла нагрузка на генератор и автомобиль сам добавил оборотов, больше 1000, то с вероятностью 99.99999% у Вас стоят ТЭНЫ и с вероятностью 93% они оба работают.
Бывает защита от дурака, но никто еще не придумал защиту от идиота.
- Shved1979
- Сообщения: 337
- Зарегистрирован: 23 янв 2011, 17:15
- Двигатель:: тарахтелка
- Мой автомобиль(и):: Паджеро 4
- Откуда: Новосибирск
- Откуда: Новосибирск
- Благодарил (а): 3 раза
- Поблагодарили: 7 раз
Re: Обогрев салона на дизельном Паджеро 4
если можно фотку, буду благодарен...d_mus писал(а):Не надо разбирать пол машины !Слева в районе педалей посмотрите повнимательней у отопителя,два провода( не маленьких по сечению) - красный и черный,у воздуховода .Хотите проверить работу можно подключить контрольную лампу или вольтметр .Не найдете ,могу сделать фото в помощь
Pajero 4 (трактор)
продан ММS 2001 LS, 6G72, 3л, АКПП.
продан ММS 2001 LS, 6G72, 3л, АКПП.
- СанычНСК
- Сообщения: 236
- Зарегистрирован: 06 июл 2014, 16:38
- Двигатель:: 4D56
- Мой автомобиль(и):: PAJERO SPORT Instyle 5AT 2.5DI-D
- Откуда: Новосибирск
- Откуда: Новосибирск
- Благодарил (а): 15 раз
- Поблагодарили: 4 раза
Re: Обогрев салона на дизельном Паджеро 4
Точно зависит от окружающей темпиратуры, выставленных оборотов и температуры.oasys писал(а): вероятно, это еще от внешней температуры зависит.
А что касается Вашего случая, это скорей всего подключается кондиционер. У меня такое тоже бывает, даже когда меняешь направление потоков воздуха - включается кондюк.
По этому я и написал, что надо выставить в положение на лобовое стекло и следить за лампочкой кондиционера.
- oasys
- Сообщения: 4839
- Зарегистрирован: 26 фев 2015, 20:50
- Двигатель:: 4M41
- Мой автомобиль(и):: Pajero 4
- Откуда: Москва
- Благодарил (а): 64 раза
- Поблагодарили: 319 раз
Re: Обогрев салона на дизельном Паджеро 4
Нет, кондей выключен.
Бывает защита от дурака, но никто еще не придумал защиту от идиота.
- d_mus
- Сообщения: 189
- Зарегистрирован: 16 фев 2012, 11:25
- Двигатель:: 4M41
- Мой автомобиль(и):: Pajero 4
- Откуда: Ярославль
- Поблагодарили: 27 раз
Re: Обогрев салона на дизельном Паджеро 4
Прошу прощения выше цвета проводов не верно указалShved1979 писал(а):если можно фотку, буду благодарен...d_mus писал(а):Не надо разбирать пол машины !Слева в районе педалей посмотрите повнимательней у отопителя,два провода( не маленьких по сечению) - красный и черный,у воздуховода .Хотите проверить работу можно подключить контрольную лампу или вольтметр .Не найдете ,могу сделать фото в помощь
- Shved1979
- Сообщения: 337
- Зарегистрирован: 23 янв 2011, 17:15
- Двигатель:: тарахтелка
- Мой автомобиль(и):: Паджеро 4
- Откуда: Новосибирск
- Откуда: Новосибирск
- Благодарил (а): 3 раза
- Поблагодарили: 7 раз
Re: Обогрев салона на дизельном Паджеро 4
провода есть, но ничего не работает, буду электрика искать...
Pajero 4 (трактор)
продан ММS 2001 LS, 6G72, 3л, АКПП.
продан ММS 2001 LS, 6G72, 3л, АКПП.
- Shved1979
- Сообщения: 337
- Зарегистрирован: 23 янв 2011, 17:15
- Двигатель:: тарахтелка
- Мой автомобиль(и):: Паджеро 4
- Откуда: Новосибирск
- Откуда: Новосибирск
- Благодарил (а): 3 раза
- Поблагодарили: 7 раз
Re: Обогрев салона на дизельном Паджеро 4
провёл испытания. пишу как делал: заехал в тёплый бокс на ледяной машине, минут 5 на разговоры, затем скинул фишку проводов которые идут на тэны, проверил цэшкой, тэн рабочий (цэшка пищит), потом стал мереть при каких режимах туда подаётся напряжение, итак:как и писали на форуме при 29 градусах питание есть при любых оборотах вентилятора и при любых направлениях обдува и включении задней печки . При 28,5 градусах питание с задержкой в секунд 5 отключилось. Потом ещё минут 5 разговоров. Затем опять замеры: в диапазоне 15,5-29 градусов питание есть всегда, при 15 градусах питания нет (напоминаю бокс тёплый) и потом сколько бы не проверял, выключается только на 15 градусах режим авто или не авто не имеет значения, двигатель глушил и заводил несколько раз итог тот же! Питание идёт с 15,5 до 29 градусов! Видимо их включение ещё зависит от показаний датчиков в салоне и за бортом! После этого машина на улице опять остыла и попробовал включить и, как тут же на форуме писали, идёт сразу тёплый воздух, так у меня он идёт холодный чего бы я не делал. Либо они маломощные, либо что-то всё равно не работает. Если так и должно быть, тогда возникает вопрос нафига было их вообще ставить, ибо эффекта ноль! Если вдруг ещё кто-то заморочится на эту тему отпишитесь пож...
Pajero 4 (трактор)
продан ММS 2001 LS, 6G72, 3л, АКПП.
продан ММS 2001 LS, 6G72, 3л, АКПП.
- olegro
- Сообщения: 2445
- Зарегистрирован: 15 фев 2011, 06:15
- Двигатель:: 4М41 200лс
- Мой автомобиль(и):: Pajero IV
- Откуда: Красноярск
- Откуда: Красноярск
- Благодарил (а): 158 раз
- Поблагодарили: 290 раз
Re: Обогрев салона на дизельном Паджеро 4
Два по 120Вт.Shved1979 писал(а):Либо они маломощные, либо что-то всё равно не работает. Если так и должно быть, тогда возникает вопрос нафига было их вообще ставить, ибо эффекта ноль! Если вдруг ещё кто-то заморочится на эту тему отпишитесь пож...
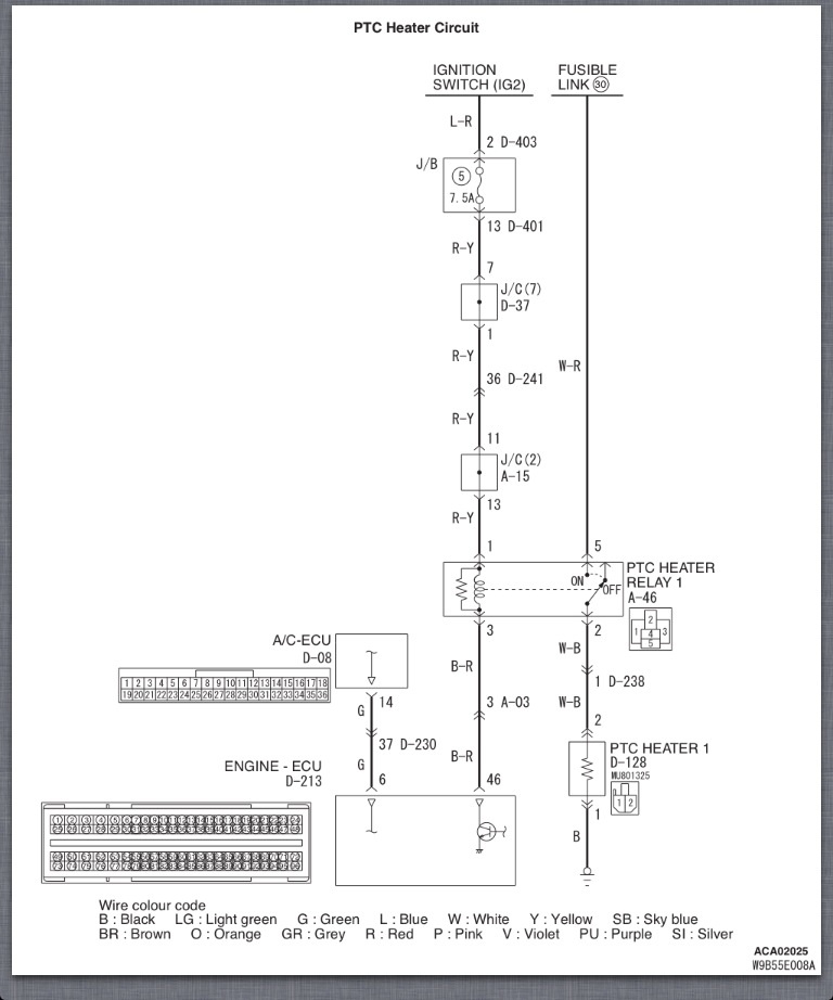
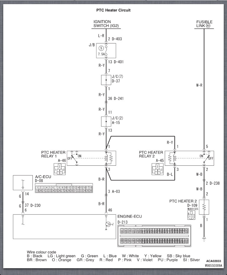
Вот схема первого, с водительской стороны Вот схема второго, с пассажирской стороны Может электрик какой-нибудь разберется.
Если для примера, взять обычную лампу накаливания соответствующей мощности и засунуть ее в воздуховод печки, будет какой то эффект? Ну разве что для галочки.
Pajero Sport 3.2 4AT Webasto OME - был
Pajero IV 3.2 5AT Webasto, ОМЕ+EFS
Pajero IV 3.2 5AT Webasto, ОМЕ+EFS
- Viktorkuz20
- Сообщения: 153
- Зарегистрирован: 21 авг 2017, 06:29
- Двигатель:: 4M41, 2UZ-FE
- Мой автомобиль(и):: Mitsubishi Pajero 3, Lexus LX470
- Откуда: Чита
- Откуда: Чита
- Благодарил (а): 14 раз
- Поблагодарили: 9 раз
Re: Обогрев салона на дизельном Паджеро 4
У меня ТЭНы работают. Я обычно машину выгоняю из гаража, включаю кнопку HEAT, она работает и повышает обороты дрыгателя только с работающей печкой. Соответственно вместе с кнопкой включаются ТЭНы! Иду закрываю ворота, замыкаю гараж и домой. Жду супругу. Через 5-8 минут, садимся в машину и в ней тепло (ну в смысле не жара конечно, но намного теплее чем на улице). Едем, кнопка остается включенной и коробка перекидывает передачи намного позже, чем при выключенной кнопке. Такое ощущение, что коробка затупила, ну или можно сравнить со Спорт режимом на других авто (работа аналогичная). Причем повышенные обороты при включенной кнопке держатся повышенными только в положении N или P. При переводе в режимы движения, обороты нормализуются и наоборот. С кнопкой HEAT, движка прогревается очень быстро.
В общем хорошая функция осенью или весной. Вот как сегодня например (ночью и утром -18 было, а днем и вечером -8). Зимой, особенно декабрь - январь и пол февраля, когда температура калеблится от -40 до -52, эта волшебная кнопка не помогает.
В общем хорошая функция осенью или весной. Вот как сегодня например (ночью и утром -18 было, а днем и вечером -8). Зимой, особенно декабрь - январь и пол февраля, когда температура калеблится от -40 до -52, эта волшебная кнопка не помогает.
Не с кем не делись задуманным, готовь дела в тайне и начинай их внезапно. Напролом идут лишь сильные, однако и они часто разбивают головы.
- SmoAG
- Сообщения: 7842
- Зарегистрирован: 16 янв 2015, 13:11
- Двигатель:: 4m41
- Мой автомобиль(и):: Pajero 3, 2005 АКПП
- Откуда: Воронеж
- Откуда: Воронеж
- Благодарил (а): 99 раз
- Поблагодарили: 541 раз
Re: Обогрев салона на дизельном Паджеро 4
Не дочитал;(
Здесь должна была быть какая-нибудь цитата из вк или другого ресурса, но вот что то не нашёл ни чего что могло бы выразить моё миропонимание сейчас;)
- Denya
- Сообщения: 1025
- Зарегистрирован: 18 дек 2011, 02:13
- Двигатель:: Дизель
- Мой автомобиль(и):: паджеро4
- Откуда: Красноярск
- Благодарил (а): 5 раз
- Поблагодарили: 46 раз
Re: Обогрев салона на дизельном Паджеро 4
на что еще хотелось бы обратить ваше внимание в дизельной четверке!
если на зиму снимать салонный фильтр(не зависимо от того чистый и новый он или уже старый и забитый пылью)
родная печка греет в разы лучше и стекла затягивает меньше.
Минус в том, что салон быстрее как бы запыливается, пачкается что ли, но зимой пыли с дорог меньше зато ездить в наших дизелечках на порядок комфортнее
Видимо не предусмотрел завод изготовитель этот момент, но салонный фильтр явно не справляется в зиму
если на зиму снимать салонный фильтр(не зависимо от того чистый и новый он или уже старый и забитый пылью)
родная печка греет в разы лучше и стекла затягивает меньше.
Минус в том, что салон быстрее как бы запыливается, пачкается что ли, но зимой пыли с дорог меньше зато ездить в наших дизелечках на порядок комфортнее
Видимо не предусмотрел завод изготовитель этот момент, но салонный фильтр явно не справляется в зиму
