http://www.mitsubishisucks.com/cars/rec ... 00610.html
Summary:
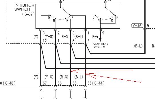
ON CERTAIN VEHICLES EQUIPPED WITH AUTOMATIC TRANSMISSIONS, THE KEY LOCK CABLE WAS IMPROPERLY MANUFACTURED AND MAY NOT ALLOW THE CABLE END TO LOCK INTO THE FLOOR SHIFTER MECHANISM. THIS CAN RESULT IN THE INTERLOCK SYSTEM TO BECOME INOPERATIVE AND ALLOW THE IGNITION KEY TO BE REMOVED WITHOUT THE GEARSHIFT MECHANISM BEING PLACED IN THE PARK POSITION.
Consequence:
IF THE DRIVER DOES NOT SHIFT TO PARK BEFORE REMOVING THE KEY AND FAILS TO ENGAGE THE PARKING BRAKE, THE VEHICLE COULD ROLL AND A CRASH COULD OCCUR.
Remedy:
DEALERS WILL INSPECT THE IGNITION INTERLOCK CABLE AND REPLACE IT IF NECESSARY. THE RECALL BEGAN ON NOVEMBER 20, 2006. OWNERS MAY CONTACT MITSUBISHI AT 1-888-648-7820.
Tajozhnik писал(а):CoolBDW,
+100
Не понята суть вопроса.ВИЙ писал(а):че тут гадать, гыгыtu177 писал(а):для чего эти хитрые япошки не стали ставить блокировку остается догодываться
это не фича и не конструкторский прощет
это сделано специально, штоб можно было авто в раскачку из ямы выдергивать
мне реально помогло на Ль200, там так же сделано
Поробуй раскачать авто с блокировкой АКПП!!!
только вопрос был о безопасности эксплуатации машинки с такой особенностью(цитируя CoolBDW: -Разговор именно о том, что в положении "D" можно вынуть ключ и уйти, оставив машину незафиксированной - на D машина прекрасно движется под горку при выключенном двигателе), интересно, а об этом что-то прописано в тех регламенте? Есть смысл писать об этом официалам
