TRT - Вдоль р.Киржач. Для стандартных 4х4 (08.11.25) Форум Обсуждение FAQ
Двойная панель консоли магнитолы!
Модераторы: SNOOPER, Alex_SH, Nbf, BAlex, drcham, SoundSpeed
Правила форума
Дорогие друзья!
Пожалуйста, при создании и поиске сообщений не забывайте пользоваться гиперссылками на тематические разделы, расположенными на главной странице раздела "Новый Pajero Sport"
Дорогие друзья!
Пожалуйста, при создании и поиске сообщений не забывайте пользоваться гиперссылками на тематические разделы, расположенными на главной странице раздела "Новый Pajero Sport"
- SNOOPER
- Модератор
- Сообщения: 56894
- Зарегистрирован: 11 дек 2004, 19:49
- Двигатель:: 4D56
- Мой автомобиль(и):: NewMPS
- Откуда: 78
- Откуда: Spb
- Благодарил (а): 1007 раз
- Поблагодарили: 4665 раз
Re: Двойная панель консоли магнитолы!
Негодник = хозяин редповера.konstvas писал(а):Сорри, не очень понял Ваш ответ. Я как говорил, недавний владелец МПС и здесь, на форуме не так давно. Соответственно всех терминов и жаргонов не знаю.SNOOPER писал(а):konstvas писал(а):Спасибо. написал в ТУ тему. Буду ждать ответ. Пообщался по телефону с инженером Редпауер - что то ответ не обнадежил меня.![]()
Вы думаете Негодник Вам даст рут доступ........ Потому и такой ответ.
Что такое рут доступ?
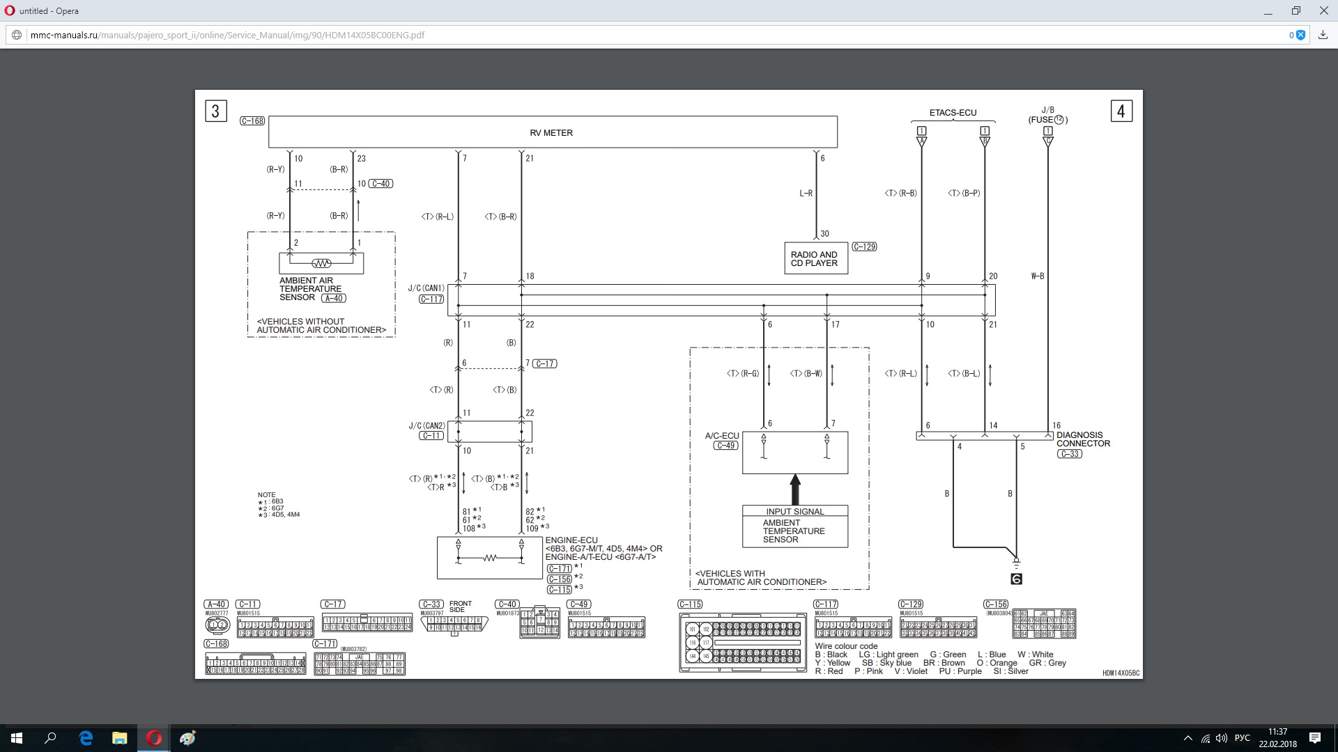
Инженер сказал, что в диагностическом разъеме моей машины нет информации по температуре забортного воздуха и получить его не получится. И более сказал, что учитывая комплектацию моей машины, без пляски с бубном поставить их головы ко мне не получится.
Рут, Вам сказали.
Про подключение я выше писал. Резать не дожидаясь перитонита. (с)
- Maximka.mozg
- Сообщения: 254
- Зарегистрирован: 05 янв 2009, 17:00
- Двигатель:: 4D56
- Мой автомобиль(и):: Теперь L200
- Откуда: Москва
- Откуда: Москва
- Поблагодарили: 1 раз
- Контактная информация:
Re: Двойная панель консоли магнитолы!
Как вариант через Tork или как то так называется, ну и сканер нужен в диагностический разъем.
Pajero Sport 2.5 TD МЕХАНИКА - был, украли
-
konstvas
- Сообщения: 17
- Зарегистрирован: 14 фев 2018, 23:17
- Двигатель:: 4м41
- Мой автомобиль(и):: Тойота
- Откуда: СПб
Re: Двойная панель консоли магнитолы!
Купил сегодня obd2 и поставил tork. Куча функций есть а температуру забортную не показывает. Пишет нет данных.
Что предпринять?
Что предпринять?
-
konstvas
- Сообщения: 17
- Зарегистрирован: 14 фев 2018, 23:17
- Двигатель:: 4м41
- Мой автомобиль(и):: Тойота
- Откуда: СПб
Re: Двойная панель консоли магнитолы!
Еще раз утром сегодня смотрел данные через OBD2. Нет наружной температуры там.
- SNOOPER
- Модератор
- Сообщения: 56894
- Зарегистрирован: 11 дек 2004, 19:49
- Двигатель:: 4D56
- Мой автомобиль(и):: NewMPS
- Откуда: 78
- Откуда: Spb
- Благодарил (а): 1007 раз
- Поблагодарили: 4665 раз
Re: Двойная панель консоли магнитолы!
Её, температуру, искать нужно не здесь, а в другой теме.konstvas писал(а):Еще раз утром сегодня смотрел данные через OBD2. Нет наружной температуры там.
Путём создания очередного пида, или как там.
Штатный БК температуру берёт с кана, при климат-контроле, и напрямую с датчика при его отсутствии.
-
konstvas
- Сообщения: 17
- Зарегистрирован: 14 фев 2018, 23:17
- Двигатель:: 4м41
- Мой автомобиль(и):: Тойота
- Откуда: СПб
Re: Двойная панель консоли магнитолы!
Спасибо Александр,SNOOPER писал(а):Её, температуру, искать нужно не здесь, а в другой теме.konstvas писал(а):Еще раз утром сегодня смотрел данные через OBD2. Нет наружной температуры там.
Путём создания очередного пида, или как там.
Штатный БК температуру берёт с кана, при климат-контроле, и напрямую с датчика при его отсутствии.
но без Вас я не справлюсь. Возьметесь помочь?
- SNOOPER
- Модератор
- Сообщения: 56894
- Зарегистрирован: 11 дек 2004, 19:49
- Двигатель:: 4D56
- Мой автомобиль(и):: NewMPS
- Откуда: 78
- Откуда: Spb
- Благодарил (а): 1007 раз
- Поблагодарили: 4665 раз
Re: Двойная панель консоли магнитолы!
Что возьмётесь?
Балалайку подцепить? Нет проблем у самого была такая комплектация.
А вот с торком, я пас )))
Балалайку подцепить? Нет проблем у самого была такая комплектация.
А вот с торком, я пас )))
-
konstvas
- Сообщения: 17
- Зарегистрирован: 14 фев 2018, 23:17
- Двигатель:: 4м41
- Мой автомобиль(и):: Тойота
- Откуда: СПб
Re: Двойная панель консоли магнитолы!
Да, ее самую. Но хотелось бы, что бы на ней и температура высвечивалась...SNOOPER писал(а):Что возьмётесь?
Балалайку подцепить? Нет проблем у самого была такая комплектация.
А вот с торком, я пас )))
А какую, кстати, порекомендуете ? Я еще не выбрал.
- Лентяй
- Сообщения: 85
- Зарегистрирован: 07 июл 2017, 09:35
- Двигатель:: 4D56HP
- Мой автомобиль(и):: Pajero Sport 2010 Ultimate
- Откуда: Волжский
- Благодарил (а): 2 раза
- Поблагодарили: 5 раз
Re: Двойная панель консоли магнитолы!
Кстати, вопросик.SNOOPER писал(а):Её, температуру, искать нужно не здесь, а в другой теме.konstvas писал(а):Еще раз утром сегодня смотрел данные через OBD2. Нет наружной температуры там.
Путём создания очередного пида, или как там.
Штатный БК температуру берёт с кана, при климат-контроле, и напрямую с датчика при его отсутствии.
У всех температура на компе появляется только при включении зажигания, когда климат включается?
Или, если есть доп. термодатчик к компу, то и в положении АСС тоже будет температура? А то как-то странно. Обозначение градусов светится, а самой температуры нет. Не порядок.
- Gorgutz
- Сообщения: 77
- Зарегистрирован: 12 фев 2012, 12:15
- Двигатель:: Дизель, 4D56
- Мой автомобиль(и):: NewMPS
- Откуда: СПб, м. Проспект Славы
- Откуда: Санкт-Петербург
- Поблагодарили: 1 раз
- Контактная информация:
Двойная панель консоли магнитолы!
Здравствуйте, наконец-то после 2 лет поисков нашел б/у БК нового образца по приемлемой цене. Кинулся ставить к уже установленной магнитоле Редповер 31239, но возникла трудность. Никак не получается сделать аккуратно. Магнитола немного выпирает из 2-этажной рамки и сама рамка немного до кнопок БК не доходит
Подскажите пожалуйста, как правильно (на каком уровне и расстоянии) крепить кронштейны 8701A557-558 к машине?? Если что, делаю без предустановленных креплений от ультимейта.
Машина - Паджеро Спорт 2 дорестайл комплектация Инстайл (БК сверху, 1дин сд-магнитола снизу).
Может есть кто опытный в Санкт-Петербурге?))) Подъеду
Машина - Паджеро Спорт 2 дорестайл комплектация Инстайл (БК сверху, 1дин сд-магнитола снизу).
Может есть кто опытный в Санкт-Петербурге?))) Подъеду
NewMPS, instyle-дорестайл, 2.5 дизель, АКПП
- Gorgutz
- Сообщения: 77
- Зарегистрирован: 12 фев 2012, 12:15
- Двигатель:: Дизель, 4D56
- Мой автомобиль(и):: NewMPS
- Откуда: СПб, м. Проспект Славы
- Откуда: Санкт-Петербург
- Поблагодарили: 1 раз
- Контактная информация:
Двойная панель консоли магнитолы!
Вообщем получилось самостоятельно установить "на глаз". Прикрутил кронштейны БК и ГУ саморезами к пластику торпедо.
NewMPS, instyle-дорестайл, 2.5 дизель, АКПП
-
dimych1977
- Сообщения: 43
- Зарегистрирован: 08 ноя 2017, 14:32
- Двигатель:: 4D56
- Мой автомобиль(и):: Mitsubishi Padjero Sport 2
- Откуда: Сургут
- Благодарил (а): 2 раза
Двойная панель консоли магнитолы!
Здравствуйте, Давно читаю эту ветку, т.к. сам хотел установить двухэтажную рамку. Приобрел рамку, компьютер и магнитолу. Часть уже установил (не установлена только камера). Но вопрос в другом, почему все заморачиваются с креплениями?
Я взял обычные уголки 20Х20 мм, отпилил нужной мне длине (измерял по месту), верх уголка отпилил одну сторону (чтобы осталась пластина), затем загнул ее, отметил отверстия, просверлил и установил в штатные отверстия. С одной стороны загнул не правильно, перегибать не стал, подставил гайку между сделанным креплением и креплением БК. Все стало как и положено, никаких зазоров нет!
Я взял обычные уголки 20Х20 мм, отпилил нужной мне длине (измерял по месту), верх уголка отпилил одну сторону (чтобы осталась пластина), затем загнул ее, отметил отверстия, просверлил и установил в штатные отверстия. С одной стороны загнул не правильно, перегибать не стал, подставил гайку между сделанным креплением и креплением БК. Все стало как и положено, никаких зазоров нет!
-
mall
- Сообщения: 998
- Зарегистрирован: 29 окт 2017, 22:14
- Двигатель:: нету
- Мой автомобиль(и):: нетушки
- Откуда: SPB
- Благодарил (а): 33 раза
- Поблагодарили: 81 раз
- SKS
- Сообщения: 4194
- Зарегистрирован: 20 апр 2008, 18:58
- Двигатель:: 4N15
- Мой автомобиль(и):: PAJERO SPORT 2.4 Ultimate, 2017 г., белый
- Откуда: Тюмень
- Откуда: Тюмень
- Благодарил (а): 700 раз
- Поблагодарили: 471 раз
Двойная панель консоли магнитолы!
Ну вниз штатный БК не особо-то и подходит. Там же место под 1DIN. Логичнее тогда туда либо Мультитроникс, либо рацию.
Я себе в свое время, когда магнитолу поменял на 2DIN, так и сделал: вниз поставил Мультитроникс. А штатный БК хотел в такую же двухэтажную консоль перенести, но так и не нашел ее по вменяемой цене.
Я себе в свое время, когда магнитолу поменял на 2DIN, так и сделал: вниз поставил Мультитроникс. А штатный БК хотел в такую же двухэтажную консоль перенести, но так и не нашел ее по вменяемой цене.
-
molvinets
- Сообщения: 1173
- Зарегистрирован: 02 апр 2014, 21:32
- Двигатель:: Дизель 2,5
- Мой автомобиль(и):: Pajero Sport 2011 комплектация S05
- Откуда: Москва
- Благодарил (а): 31 раз
- Поблагодарили: 90 раз
Двойная панель консоли магнитолы!
Нормально ему там в такой вот рамке
https://a.aliexpress.com/_eKV7E3
После установки нормальной балалайки с торком на нем в принципе нужна только температура да часы. Какая эргономика?
)
Рация мало кому нужна, а мониторить параметры неудобно. Двойная рамка вверху для мультитроникса была б актуальна. Teyes например в комплекте идет с очень достойной рамкой.
https://a.aliexpress.com/_eKV7E3
После установки нормальной балалайки с торком на нем в принципе нужна только температура да часы. Какая эргономика?
Рация мало кому нужна, а мониторить параметры неудобно. Двойная рамка вверху для мультитроникса была б актуальна. Teyes например в комплекте идет с очень достойной рамкой.
- SKS
- Сообщения: 4194
- Зарегистрирован: 20 апр 2008, 18:58
- Двигатель:: 4N15
- Мой автомобиль(и):: PAJERO SPORT 2.4 Ultimate, 2017 г., белый
- Откуда: Тюмень
- Откуда: Тюмень
- Благодарил (а): 700 раз
- Поблагодарили: 471 раз
Двойная панель консоли магнитолы!
Когда мне надо было, ничего этого не было. Поэтому сделал вот так:
Лучшего фото к сожалению нет.
-
mall
- Сообщения: 998
- Зарегистрирован: 29 окт 2017, 22:14
- Двигатель:: нету
- Мой автомобиль(и):: нетушки
- Откуда: SPB
- Благодарил (а): 33 раза
- Поблагодарили: 81 раз
Двойная панель консоли магнитолы!
был како-то фильм там у мужика специфические вкусы были...
китайская .уета есть китайска .уета.
да банально увидеть включен ли подогрев сидений.
-
molvinets
- Сообщения: 1173
- Зарегистрирован: 02 апр 2014, 21:32
- Двигатель:: Дизель 2,5
- Мой автомобиль(и):: Pajero Sport 2011 комплектация S05
- Откуда: Москва
- Благодарил (а): 31 раз
- Поблагодарили: 90 раз
Двойная панель консоли магнитолы!
С этим проблем нет.
Ну так то можно конечно продолжать на сд музыку записывать... Ну или тыщ за 20 прикрутить,. usb:)) будет вполне аутентично
