TRT - Вдоль р.Киржач. Для стандартных 4х4 (08.11.25) Форум Обсуждение FAQ

Помогите информацией новичку! "вопрос-ответ"-III

Новый Pajero Sport (New Mitsubishi Pajero Sport - NMPS)
Кроме обсуждения двигателей, колес, электрики, тюнинга.

Модераторы: SNOOPER, Alex_SH, Nbf, BAlex, drcham, SoundSpeed

Правила форума
Дорогие друзья!
Пожалуйста, при создании и поиске сообщений не забывайте пользоваться гиперссылками на тематические разделы, расположенными на главной странице раздела "Новый Pajero Sport"
Аватара пользователя
Nbf
Дикий Админ
Сообщения: 27340
Зарегистрирован: 30 авг 2006, 17:58
Двигатель:: 4D56t,
Мой автомобиль(и):: L200'Беззубик Citroen'Мария
Откуда: из тех ворот, что и весь народ
Откуда: Ст.Купавна, Балашиха-1
Благодарил (а): 1080 раз
Поблагодарили: 1421 раз
Контактная информация:

Помогите информацией новичку! "вопрос-ответ"-III

Сообщение Nbf »

юрий юрикович писал(а): Nbf Вы поменяли лицо? (малопохоже на прежнее, но лучше! )
Нет, я с этим лицом всю жизнь.
Прежнему фото больше двадцати лет, нынешнее не может быть лучше, ибо энтропия и все такое...)))
Павел.
Терпение и труд - мне не идут!
______________
L-200, '08, SS, АКПП, 4D56t, MT 285/75/16, EW-12000.

тел. (Ч95)6Ч2ЗО92
Юридические услуги http://www.expertcity.ru

Группа Паджеро в ТГ: https://t.me/pajeroclubru
Группа Паджеро в VK: https://vk.com/pajerorussia
Аватара пользователя
SNOOPER
Модератор
Сообщения: 56898
Зарегистрирован: 11 дек 2004, 19:49
Двигатель:: 4D56
Мой автомобиль(и):: NewMPS
Откуда: 78
Откуда: Spb
Благодарил (а): 1007 раз
Поблагодарили: 4665 раз

Помогите информацией новичку! "вопрос-ответ"-III

Сообщение SNOOPER »

mall писал(а): Я не завелся, снимаю левый АКБ (машина тухнет, закрываю на ключ вручную) несу заряжать, зарядил - ставлю обратно, завелся (все происходит зимой)
Она и должна заглохнуть если ты отсоединил аккум, особенно после старта пока свечи работают. Чуть ниже сам и отвечаешь почему заводится.
mall писал(а): подтыкаю отвертку снизу под плюсовую клемму левого АКБ дабы прижать отсоединенную клемму с правого АКБ - завожусь.
Просто пока ставишь аккум замыкаешь клемму, резинки же дубоые.
mall писал(а): к плюсовой клемме (на левом АКБ) подходят два жирных провода (видно на фотках) один с краю на большой пред и один снизу(тот который был разомкнут),
С краю на большой пред подходит провод с гены, зарядка.
Который был отсоединен это на стартер
mall писал(а): соединяю плюса обоих АКБ внешним проводом - завожусь
Ну так ток пошел по проводу на правый аккму, и на стартер.
Никакого противоречия.
Можно это всё подтвердить схемами.
Так что просто прими как есть))
mall
Сообщения: 998
Зарегистрирован: 29 окт 2017, 22:14
Двигатель:: нету
Мой автомобиль(и):: нетушки
Откуда: SPB
Благодарил (а): 33 раза
Поблагодарили: 81 раз

Помогите информацией новичку! "вопрос-ответ"-III

Сообщение mall »

SNOOPER писал(а): Она и должна заглохнуть если ты отсоединил аккум, особенно после старта пока свечи работают. Чуть ниже сам и отвечаешь почему заводится.
не так мое сообщение толкуете: я не отсоединяю АКБ левый во время работы машины, я отсоединяю когда машина не завелась(крехчу охаю иду за ключами и откручиваю для зарядки левый АКБ), при этом в машине остается правый и та клемма, что идет от него через стартер к клемме левого отсоединена - результатом становится то что вся бортовая сеть авто обесточена!!! лампочки не горят, ничего не работает, закрыть можно только механически через ручки и личинку замка водительской двери. приношу после зарядки левый АКБ - ставлю (клемма от правого идущая через стартер не подсоединена) завожусь без проблем. можно ничего не делать(не отсоединять и не носить на зарядку) а просто соединить плюсовые клеммы АКБ левого и правого по средствам внешнего провода или пресловутой отсоединенной клеммы идущей через стартер при подтыкании отвертки...вот как это происходило? ведь по логике я не заряжаю правый, и не питаю стартер от левого.
SNOOPER писал(а): Просто пока ставишь аккум замыкаешь клемму, резинки же дубоые.
ничего я не замыкаю во время установки, давнишне отсоединенная клемма уже сползла к боковой стенке АКБ (и я пока не разобрался откуда она и не прикручивал ее, а пока не разобрался и не видел ее изза красного кожуха на плюсовой клемме левого АКБ..контакта не было точно(были бы следы на отсоединенной клемме от оплавления или подгорания при стартовом токе, даже если бы мои руки тряслись так что это передалось бы на на отсоединенную клемму и ее прижало бы к + клемме левого АКБ).
Последний раз редактировалось mall 14 янв 2021, 15:50, всего редактировалось 4 раза.
юрий юрикович
Сообщения: 4287
Зарегистрирован: 07 дек 2014, 17:25
Двигатель:: дизель 2,5
Мой автомобиль(и):: s04 5мт Паджеро спорт декабрь 2014,
Откуда: Гомель Беларусь
Благодарил (а): 101 раз
Поблагодарили: 155 раз

Помогите информацией новичку! "вопрос-ответ"-III

Сообщение юрий юрикович »

[
SNOOPER писал(а): Он такой же электрик как я балерина....
Боже! впервые переписываюсь с человеком из Мариинки! ::-D:


Так вот этот "Данила" и показал отсутствие нормального контакта одного из плюсовых проводов на плюсовой клемме левого акку. ( что вызывало подобную как у нашего товарища проблему.) Правда прибегнув к весьма сложному алгоритму с использованием не у всех имеющихся приборов. Вот я о чем, а не о квалификации "Данилы", который мне случайно попался на ютубе и ссыль на которого нашел для нашего товарища в "истории поиска" браузера.
самодельн. к/к, пенал-органайзер в багажник, компрессор БЗД в багажник, возвратная пружина привода вкл./выкл. сцепления, доп. вентилятор радиатора кондея, доп.свет заднего хода
Аватара пользователя
Nbf
Дикий Админ
Сообщения: 27340
Зарегистрирован: 30 авг 2006, 17:58
Двигатель:: 4D56t,
Мой автомобиль(и):: L200'Беззубик Citroen'Мария
Откуда: из тех ворот, что и весь народ
Откуда: Ст.Купавна, Балашиха-1
Благодарил (а): 1080 раз
Поблагодарили: 1421 раз
Контактная информация:

Помогите информацией новичку! "вопрос-ответ"-III

Сообщение Nbf »

mall писал(а): от как это происходило?
Наука о контактах. Нет его - я же свой пример выше приводил - точно такой же.
Павел.
Терпение и труд - мне не идут!
______________
L-200, '08, SS, АКПП, 4D56t, MT 285/75/16, EW-12000.

тел. (Ч95)6Ч2ЗО92
Юридические услуги http://www.expertcity.ru

Группа Паджеро в ТГ: https://t.me/pajeroclubru
Группа Паджеро в VK: https://vk.com/pajerorussia
mall
Сообщения: 998
Зарегистрирован: 29 окт 2017, 22:14
Двигатель:: нету
Мой автомобиль(и):: нетушки
Откуда: SPB
Благодарил (а): 33 раза
Поблагодарили: 81 раз

Помогите информацией новичку! "вопрос-ответ"-III

Сообщение mall »

Nbf писал(а): Наука о контактах. Нет его - я же свой пример выше приводил - точно такой же.
я знаю что его нет, мне случай непонятен. разжевываю еще раз, как я мог заводить машину если я по логике не могу этого делать так как я заряжаю левый АКБ, но от него нет провода + к стартеру, и я не заряжаю правый, но от него есть провод + к стартеру, но нет провода + к бортовой сети авто???
Отвечу сам - левый питает бортовую сеть, правый заводит.
идем далее, на морозе садятся оба АКБ=не заводится, коммутирую их вместе=заводится(возрастание суммарной емкости)
заряжаю только левый=заводится(правый отдохнул на морозе денек другой?)
Последний раз редактировалось mall 14 янв 2021, 16:11, всего редактировалось 1 раз.
Аватара пользователя
Nbf
Дикий Админ
Сообщения: 27340
Зарегистрирован: 30 авг 2006, 17:58
Двигатель:: 4D56t,
Мой автомобиль(и):: L200'Беззубик Citroen'Мария
Откуда: из тех ворот, что и весь народ
Откуда: Ст.Купавна, Балашиха-1
Благодарил (а): 1080 раз
Поблагодарили: 1421 раз
Контактная информация:

Помогите информацией новичку! "вопрос-ответ"-III

Сообщение Nbf »

mall, Так ты же вроде соединял плюс оставшегося АКБ с клеммой снятого, или я не так понял? Через этот провод контакт и вернулся КМК.
Павел.
Терпение и труд - мне не идут!
______________
L-200, '08, SS, АКПП, 4D56t, MT 285/75/16, EW-12000.

тел. (Ч95)6Ч2ЗО92
Юридические услуги http://www.expertcity.ru

Группа Паджеро в ТГ: https://t.me/pajeroclubru
Группа Паджеро в VK: https://vk.com/pajerorussia
юрий юрикович
Сообщения: 4287
Зарегистрирован: 07 дек 2014, 17:25
Двигатель:: дизель 2,5
Мой автомобиль(и):: s04 5мт Паджеро спорт декабрь 2014,
Откуда: Гомель Беларусь
Благодарил (а): 101 раз
Поблагодарили: 155 раз

Помогите информацией новичку! "вопрос-ответ"-III

Сообщение юрий юрикович »

а если так: ставите левый заряженный, но одевая на него "сложную" плюсовую клемму в которую входят два толстых провода, Вы подаете + на правый акку- на его плюсовую клемму , минуя прямое присоединение левого на стартер. И с с левого по другому толстому проводу направляем + на электросхему авто. а + с левого получает плюсовая клемма правого. у правого есть соединение со стартером (по плюсу). Получается, что свежезаряженный левый питает и электросеть авто и через правый - стартер. Правда, в этом случае ваш заряженный левый быстро будет разряжаться потому, что левый будет вынужден заряжать правый даже без включения ( я так думаю) зажигания. естесно, что каждый акку должен быть подкючен к массе ( минус)
самодельн. к/к, пенал-органайзер в багажник, компрессор БЗД в багажник, возвратная пружина привода вкл./выкл. сцепления, доп. вентилятор радиатора кондея, доп.свет заднего хода
mall
Сообщения: 998
Зарегистрирован: 29 окт 2017, 22:14
Двигатель:: нету
Мой автомобиль(и):: нетушки
Откуда: SPB
Благодарил (а): 33 раза
Поблагодарили: 81 раз

Помогите информацией новичку! "вопрос-ответ"-III

Сообщение mall »

Nbf писал(а): Так ты же вроде соединял плюс оставшегося АКБ с клеммой снятого, или я не так понял?
в рассматриваемом случае он разомкнут все время.
mall
Сообщения: 998
Зарегистрирован: 29 окт 2017, 22:14
Двигатель:: нету
Мой автомобиль(и):: нетушки
Откуда: SPB
Благодарил (а): 33 раза
Поблагодарили: 81 раз

Помогите информацией новичку! "вопрос-ответ"-III

Сообщение mall »

юрий юрикович писал(а): в которую входят два толстых провода
второй отсоединен перманентно (тот который снизу клеммы левого АКБ и идет на стартер и в этой точке коммутируется с проводом + от правого АКБ.
юрий юрикович писал(а): минуя прямое присоединение левого на стартер
так можно только постпредствам внешнего провода
Аватара пользователя
SNOOPER
Модератор
Сообщения: 56898
Зарегистрирован: 11 дек 2004, 19:49
Двигатель:: 4D56
Мой автомобиль(и):: NewMPS
Откуда: 78
Откуда: Spb
Благодарил (а): 1007 раз
Поблагодарили: 4665 раз

Помогите информацией новичку! "вопрос-ответ"-III

Сообщение SNOOPER »

mall,
Так на сколько забиваемся?
mall
Сообщения: 998
Зарегистрирован: 29 окт 2017, 22:14
Двигатель:: нету
Мой автомобиль(и):: нетушки
Откуда: SPB
Благодарил (а): 33 раза
Поблагодарили: 81 раз

Помогите информацией новичку! "вопрос-ответ"-III

Сообщение mall »

SNOOPER писал(а): Так на сколько забиваемся?
я не азартный человек, я развожу флуд ::-D:
Вложения
схема
схема
Аватара пользователя
SNOOPER
Модератор
Сообщения: 56898
Зарегистрирован: 11 дек 2004, 19:49
Двигатель:: 4D56
Мой автомобиль(и):: NewMPS
Откуда: 78
Откуда: Spb
Благодарил (а): 1007 раз
Поблагодарили: 4665 раз

Помогите информацией новичку! "вопрос-ответ"-III

Сообщение SNOOPER »

mall писал(а): я не азартный человек, я развожу флуд
И где у тебя соединение на левом акб, транзитом мимо стартера?
Аватара пользователя
lesnik5000
Сообщения: 6419
Зарегистрирован: 16 дек 2012, 00:56
Двигатель:: 4D56U
Мой автомобиль(и):: PAJERO SPORT обр. 2010г.
Откуда: Архангельск
Благодарил (а): 435 раз
Поблагодарили: 411 раз

Помогите информацией новичку! "вопрос-ответ"-III

Сообщение lesnik5000 »

Ничего не понял. А как же я заводил машину и ездил, когда снимал батарейки по очереди, не переставляя их? Просто освободившийся + (что левый, что правый) изолировал 2 надетыми перчатками.
mall
Сообщения: 998
Зарегистрирован: 29 окт 2017, 22:14
Двигатель:: нету
Мой автомобиль(и):: нетушки
Откуда: SPB
Благодарил (а): 33 раза
Поблагодарили: 81 раз

Помогите информацией новичку! "вопрос-ответ"-III

Сообщение mall »

lesnik5000 писал(а): Ничего не понял. А как же я заводил машину и ездил, когда снимал батарейки по очереди, не переставляя их? Просто освободившийся + (что левый, что правый) изолировал 2 надетыми перчатками.
не надо пытаться разбираться, мы рассматриваем нештатные схемы и проблемы с контактами. в штатной схеме и без проблем с контактами батареи стоят в параллели и извлечение любой из них возможно.
SNOOPER писал(а): И где у тебя соединение на левом акб, транзитом мимо стартера?
если про схему то там жирной точкой показано соединение, если имеется ввиду какая то не показанная цепь штатной проводки то ее нет насколько я понял.
Вложения
схема
схема
случай с внешним кабелем подключенным на + клеммы
случай с внешним кабелем подключенным на + клеммы
случай с разомкнутой цепью
случай с разомкнутой цепью
Аватара пользователя
SNOOPER
Модератор
Сообщения: 56898
Зарегистрирован: 11 дек 2004, 19:49
Двигатель:: 4D56
Мой автомобиль(и):: NewMPS
Откуда: 78
Откуда: Spb
Благодарил (а): 1007 раз
Поблагодарили: 4665 раз

Помогите информацией новичку! "вопрос-ответ"-III

Сообщение SNOOPER »

mall писал(а): если про схему то там жирной точкой показано соединение, если имеется ввиду какая то не показанная цепь штатной проводки то ее нет насколько я понял.
Что юлим?
В показаниях путаемся.....
mall писал(а): по плюсовой трассе они соединяются на плюсовой клемме водительского АКБ,
Плюсы с двух акб соединяются на СТАРТЕРЕ

Ну и посмотрим не твои шедевры, а схемы производителя.

Напомню:
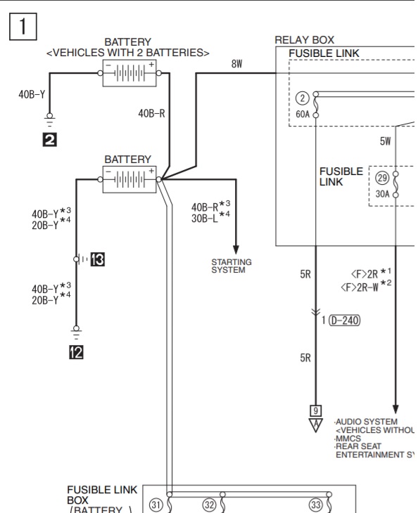
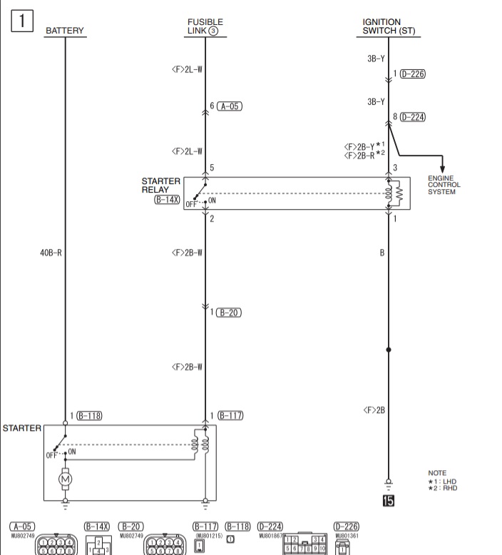
На Спорте соединение АКБ на стартере.
На Паджеро 4 на левом АКБ.
Что даже в схемах отразил производитель.
Начнём.)
Спорт система запуска, стартер
СпортСТ.jpg
Паджеро 4 Система запуска, стартер
П4Ст.jpg
Спорт подсоединение питания
СпортПов.jpg

Паджеро 4 подсоединение питания
П4Пов.jpg
Как говорится, найдите различия.
И не нужно ничего придумывать. )
mall
Сообщения: 998
Зарегистрирован: 29 окт 2017, 22:14
Двигатель:: нету
Мой автомобиль(и):: нетушки
Откуда: SPB
Благодарил (а): 33 раза
Поблагодарили: 81 раз

Помогите информацией новичку! "вопрос-ответ"-III

Сообщение mall »

SNOOPER писал(а): Ну и посмотрим не твои шедевры, а схемы производителя.
моя мозня в паинте соответствует схемам производителя, я допираю к концу спора даже если по началу что-то не то говорил...но реакция оппонентов по инерции запаздывает)))
Аватара пользователя
SNOOPER
Модератор
Сообщения: 56898
Зарегистрирован: 11 дек 2004, 19:49
Двигатель:: 4D56
Мой автомобиль(и):: NewMPS
Откуда: 78
Откуда: Spb
Благодарил (а): 1007 раз
Поблагодарили: 4665 раз

Помогите информацией новичку! "вопрос-ответ"-III

Сообщение SNOOPER »

mall писал(а):
SNOOPER писал(а): Ну и посмотрим не твои шедевры, а схемы производителя.
моя мозня в паинте соответствует схемам производителя, я допираю к концу спора даже если по началу что-то не то говорил...но реакция оппонентов по инерции запаздывает)))
:;D:
vladimirr
Сообщения: 199
Зарегистрирован: 27 янв 2010, 16:51
Двигатель:: 4D56
Мой автомобиль(и):: Мицубиси Паджеро Спорт 2
Откуда: моск.обл.
Поблагодарили: 3 раза

Помогите информацией новичку! "вопрос-ответ"-III

Сообщение vladimirr »

SNOOPER писал(а): vladimirr писал(а): ↑
такая фигня.купил свечу накала NGK CZ251 подсоединил к зарядному устройству.она грелась до красна сек 20.это нормально
Зарядное какой ток может давать?
амперметра нет на з.у.вольтаж мерил 15.6 в.
Аватара пользователя
SNOOPER
Модератор
Сообщения: 56898
Зарегистрирован: 11 дек 2004, 19:49
Двигатель:: 4D56
Мой автомобиль(и):: NewMPS
Откуда: 78
Откуда: Spb
Благодарил (а): 1007 раз
Поблагодарили: 4665 раз

Помогите информацией новичку! "вопрос-ответ"-III

Сообщение SNOOPER »

vladimirr писал(а): амперметра нет на з.у.вольтаж мерил 15.6 в.
15,6 это когда?
На ХХ или когда свеча подключена?
Ответить

Вернуться в «Pajero Sport 2008-2016»