Домино Трофи 2026 - 25 Апреля - Обсудить и спросить тут.
Центральный замок
Модераторы: SNOOPER, Nbf, Romik, BAlex, drcham, Glukc
- СПИРТовоз
- Сообщения: 66
- Зарегистрирован: 22 янв 2010, 11:24
- Двигатель:: 4а30
- Мой автомобиль(и):: Pajero Mini
- Откуда: Якутск
- Благодарил (а): 1 раз
- Поблагодарили: 3 раза
Re: Центральный замок
надо снять бардочек и под ним справа на торпеде закреплен
Mini Pajero, H56A, АКПП, без турбины 97года
-
yura3d
- Сообщения: 32
- Зарегистрирован: 08 авг 2011, 10:06
- Двигатель:: 4A30 бензин
- Мой автомобиль(и):: mitsubishi pajero mini 1999 DUKE
Re: Центральный замок
Кто разбирал водительскую дверь, подскажите переключатель закрытия-открытия двери запитан на минус или ещё и на плюс. Не могу снять переключатель, чтобы посмотреть.
-
slavdan
- Сообщения: 22
- Зарегистрирован: 15 июн 2010, 03:44
- Двигатель:: 4A31
- Мой автомобиль(и):: Pajero JR
Re: Центральный замок
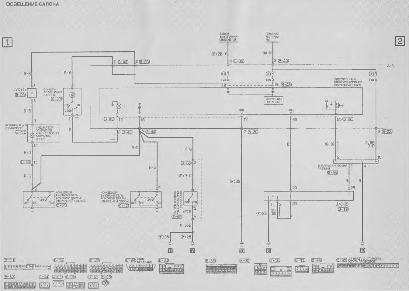
Смотри на схему, по проводу через лампочку освещения идет плюс, а выключатель замыкает его на корпус. Здесь же на схеме разъем блока ETAS (центральный замок).
-
yura3d
- Сообщения: 32
- Зарегистрирован: 08 авг 2011, 10:06
- Двигатель:: 4A30 бензин
- Мой автомобиль(и):: mitsubishi pajero mini 1999 DUKE
Re: Центральный замок
Я имел ввиду переключатель открывания-закрывания замков, который на ручке открывания двери.
И схемы в книге для машин до 1998г. А у меня 1999.
И схемы в книге для машин до 1998г. А у меня 1999.

