Добрый день! Подскажите пожалуйста, В прошлом году снял у себя абсорбер и лишние детали влияющие на экологию... В том числе и ЕГР заглушил и т.п. Теперь решил ЕГР обратно восстановить, и не могу найти красный гриб (на фото указан синей стрелкой...)
Вопрос 1: Что за гриб такой и для чего нужен?
Вопрос 2: Датчик обведен синим, для чего он и почему его у меня нет? и даже разъема этого пустого нет...
TRT - Вдоль р.Киржач. Для стандартных 4х4 (08.11.25) Форум Обсуждение FAQ
подскажите по датчикам на двигателе...
Модераторы: SNOOPER, Nbf, Romik, BAlex, drcham, алексей - Маленький Мук, DenVer
- Barmalei
- Сообщения: 1444
- Зарегистрирован: 13 окт 2011, 18:55
- Двигатель:: 6G72
- Мой автомобиль(и):: МПС 2006 GLS 3,0 АКПП V4A515DB
- Откуда: Вологодская область
- Откуда: 35 регион
- Благодарил (а): 166 раз
- Поблагодарили: 56 раз
подскажите по датчикам на двигателе...
МПС 2006 GLS 3,0 АКПП. Удалены: перед. и зад. стаб., абсорбер и задний катализатор. Бодик 5 см, аморт. Tokico E3560 и E2800,зад. пруж. Kayaba RD5962, 285/75R16 DunlopGrandtrek MT2, ComeUp 9 DV
- Barmalei
- Сообщения: 1444
- Зарегистрирован: 13 окт 2011, 18:55
- Двигатель:: 6G72
- Мой автомобиль(и):: МПС 2006 GLS 3,0 АКПП V4A515DB
- Откуда: Вологодская область
- Откуда: 35 регион
- Благодарил (а): 166 раз
- Поблагодарили: 56 раз
Re: подскажите по датчикам на двигателе...
Я еще вспомнить не могу, а был ли у меня красный гриб? Я его даже в каталоге найти не могу...
МПС 2006 GLS 3,0 АКПП. Удалены: перед. и зад. стаб., абсорбер и задний катализатор. Бодик 5 см, аморт. Tokico E3560 и E2800,зад. пруж. Kayaba RD5962, 285/75R16 DunlopGrandtrek MT2, ComeUp 9 DV
- трёхсотый
- Сообщения: 1110
- Зарегистрирован: 17 фев 2012, 14:23
- Двигатель:: 6G74 SOHC
- Мой автомобиль(и):: Montero Sport 2002
- Откуда: Москва
- Благодарил (а): 73 раза
- Поблагодарили: 45 раз
Re: подскажите по датчикам на двигателе...
Этот "грибок" и датчик разряжения во впускном коллекторе присутствуют только на моделях для Северной Америки.
Так-что, если авто - европеец, то их и не было 
А грибок этот - "клапан управления разряжением", как говорит мануал. На сколько я понимаю, при сильном разряжении заставляет сильнее открываться клапан рециркуляции ОГ
А грибок этот - "клапан управления разряжением", как говорит мануал. На сколько я понимаю, при сильном разряжении заставляет сильнее открываться клапан рециркуляции ОГ
Montero Sport, 2002, 3.5л + ГБО, СБ, 33". Илья
- Barmalei
- Сообщения: 1444
- Зарегистрирован: 13 окт 2011, 18:55
- Двигатель:: 6G72
- Мой автомобиль(и):: МПС 2006 GLS 3,0 АКПП V4A515DB
- Откуда: Вологодская область
- Откуда: 35 регион
- Благодарил (а): 166 раз
- Поблагодарили: 56 раз
Re: подскажите по датчикам на двигателе...
Понял, спасибо огромное!!!
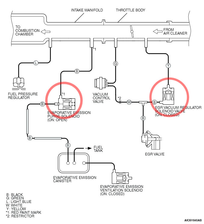
Можно еще вопрос? Два клапана за дросселем: красный и черный, на фото видно Я так понимаю черный это клапан абсорбера? А красный клапан ЕГР ?
Можно еще вопрос? Два клапана за дросселем: красный и черный, на фото видно Я так понимаю черный это клапан абсорбера? А красный клапан ЕГР ?
МПС 2006 GLS 3,0 АКПП. Удалены: перед. и зад. стаб., абсорбер и задний катализатор. Бодик 5 см, аморт. Tokico E3560 и E2800,зад. пруж. Kayaba RD5962, 285/75R16 DunlopGrandtrek MT2, ComeUp 9 DV
- <Вавил>
- Сообщения: 4190
- Зарегистрирован: 06 июн 2010, 08:40
- Двигатель:: 6G72
- Мой автомобиль(и):: Mitsubishi Montero Sport
- Откуда: Волгоград
- Откуда: Волгоград
- Благодарил (а): 13 раз
- Поблагодарили: 90 раз
Re: подскажите по датчикам на двигателе...
Правильно понимаешь. Гриб и датчик давления - эт у меня! У тебя такого нет!
maxxis 265\75\R16mt762, пружины ТЛК80, переставлены торсионы, чистый ЕГР, ШЕРИФ 4 листа, доп. радиатор и вентилятор АКПП и масла движки, выкинут катализатор и ВСЕ стабилизаторы, шнорк
Все на D2 https://www.drive2.ru/r/mitsubishi/576735/
Все на D2 https://www.drive2.ru/r/mitsubishi/576735/
- трёхсотый
- Сообщения: 1110
- Зарегистрирован: 17 фев 2012, 14:23
- Двигатель:: 6G74 SOHC
- Мой автомобиль(и):: Montero Sport 2002
- Откуда: Москва
- Благодарил (а): 73 раза
- Поблагодарили: 45 раз
Re: подскажите по датчикам на двигателе...
Незачто! Да, они и есть - клапан вакуума ЕГР (красный) и клапан адсорбера (чёрный) - вот он щёлкает ещё бывает.Barmalei8202 писал(а):Понял, спасибо огромное!!!
Можно еще вопрос? Два клапана за дросселем: красный и черный, на фото видно Я так понимаю черный это клапан абсорбера? А красный клапан ЕГР ?
Montero Sport, 2002, 3.5л + ГБО, СБ, 33". Илья
