TRT - Вдоль р.Киржач. Для стандартных 4х4 (08.11.25) Форум Обсуждение FAQ
Не работает тахометр
Модераторы: SNOOPER, Nbf, Romik, BAlex, drcham, алексей - Маленький Мук
- hunter72
- Сообщения: 152
- Зарегистрирован: 28 янв 2009, 07:56
- Откуда: Омск [55]
- Благодарил (а): 2 раза
Не работает тахометр
В поиске ни чего путнего не нашел. В документации тоже. Поэтому спрошу здесь
Не работает тахометр - стрелка на нуле. Пока никуда не лазил, анализирую места куда лесть и что проверять.
1. То что снимать панель и пропаивать это понятно. Правда не понятно что именно. Думаю сниму там разберусь
2. Если панель в порядке, где искать датчик которые считывает оболоты с коленвала. В моем движке как я понял по документации нет ДПКВ и ДПРВ. Но тогда откуда тахометр берет информацию об оборотах и где этот датчик?
Авто: Pajero 2, 1993, 3 литра, 12 клапанов.
Заранее спасибо за советы.
Не работает тахометр - стрелка на нуле. Пока никуда не лазил, анализирую места куда лесть и что проверять.
1. То что снимать панель и пропаивать это понятно. Правда не понятно что именно. Думаю сниму там разберусь
2. Если панель в порядке, где искать датчик которые считывает оболоты с коленвала. В моем движке как я понял по документации нет ДПКВ и ДПРВ. Но тогда откуда тахометр берет информацию об оборотах и где этот датчик?
Авто: Pajero 2, 1993, 3 литра, 12 клапанов.
Заранее спасибо за советы.
Montero 2, V43W, 6G72 (12 кл.), 1993 г., газ 2 поколения, v4aw2
http://www.4x4omsk.ru
http://www.4x4omsk.ru
- ZILLA
- Сообщения: 7553
- Зарегистрирован: 22 май 2007, 16:31
- Двигатель:: 0,75
- Мой автомобиль(и):: Hooooondaaaaa
- Откуда: течет нефть?
- Откуда: 101 км от Москвы
- Благодарил (а): 1 раз
- Поблагодарили: 282 раза
Re: Не работает тахометр
Пропаивать всю плату тахо. Ибо с завода пайка хреновата и на наших кочках умират. На 12кл тахо идёт с хрени, которая болтается на катушке зажигания (ежели не ошибаюсь).
Восстановление неисправных акпп Mitsubishi, Hyundai, Toyota, Mersedes и т.п. Диагностика и обслуживание всех видов акпп, вариаторов и роботов.
+79О3 6З561О5, ватсап +791О 6О8О191
+79О3 6З561О5, ватсап +791О 6О8О191
- Ариф
- Сообщения: 164
- Зарегистрирован: 15 ноя 2008, 19:00
- Двигатель:: 6G74 3.5л. 208л/с
- Мой автомобиль(и):: MONTERO(MMNA) (V43,45W) 3500/LONG WAGON Комплектация [GRXML7M ] S
- Откуда: Казань
- Благодарил (а): 1 раз
- Поблагодарили: 2 раза
Re: Не работает тахометр
прочитай тутhunter72 писал(а):В поиске ни чего путнего не нашел. В документации тоже. Поэтому спрошу здесь
Не работает тахометр - стрелка на нуле. Пока никуда не лазил, анализирую места куда лесть и что проверять.
1. То что снимать панель и пропаивать это понятно. Правда не понятно что именно. Думаю сниму там разберусь
2. Если панель в порядке, где искать датчик которые считывает оболоты с коленвала. В моем движке как я понял по документации нет ДПКВ и ДПРВ. Но тогда откуда тахометр берет информацию об оборотах и где этот датчик?
Авто: Pajero 2, 1993, 3 литра, 12 клапанов.
Заранее спасибо за советы.
http://pajero4x4.ru/bbs/phpBB2/viewtopi ... 30&t=32865
С уваженим Ариф.
Модель [30E] MONTERO(MMNA) (V43,45W)
Модификация [V45W ] 3500/LONG WAGON
Комплектация [GRXML7M ] SR(WIDE),4FA/T CAL
Период выпуска 10/1991 - 12/1999
Дата выпуска 03/1995
Регион США
Модель [30E] MONTERO(MMNA) (V43,45W)
Модификация [V45W ] 3500/LONG WAGON
Комплектация [GRXML7M ] SR(WIDE),4FA/T CAL
Период выпуска 10/1991 - 12/1999
Дата выпуска 03/1995
Регион США
- alkorh
- Сообщения: 609
- Зарегистрирован: 13 дек 2009, 21:28
- Двигатель:: 6G74
- Мой автомобиль(и):: Mitsubishi Pajero II 5D, Mitsubishi Pajero II 3D
- Откуда: Иваново
- Откуда: Иваново
- Благодарил (а): 3 раза
- Поблагодарили: 27 раз
Re: Не работает тахометр
По ссылке можно много чего долго читать, но на 6G72 12 кл
99% - причина в отвалившемся проводе от фильтра, который висит рядом с катушкой зажигания.
По крайней мере на 4 машинах с 6G72 12 кл, где не работал тахометр, причина была именно в нем.
В электрической схеме он кстати есть.
99% - причина в отвалившемся проводе от фильтра, который висит рядом с катушкой зажигания.
По крайней мере на 4 машинах с 6G72 12 кл, где не работал тахометр, причина была именно в нем.
В электрической схеме он кстати есть.
PII 5D,93,4D56,АКПП,ComeUp12,5,GT Radial MT 33",путешествия
PII 3D,92,6G74,АКПП,WARN 8274,Silverstone eXtreme MT-117 33",спорт
MII 5D,93,6G74,АКПП,Yokohama AT 31",работа
PII 5D,96,6G74,АКПП,Yokohama AT 31",остальное
PIV 5D,08,4M41,АКПП,Yokohama AT 31",у жены
PII 3D,92,6G74,АКПП,WARN 8274,Silverstone eXtreme MT-117 33",спорт
MII 5D,93,6G74,АКПП,Yokohama AT 31",работа
PII 5D,96,6G74,АКПП,Yokohama AT 31",остальное
PIV 5D,08,4M41,АКПП,Yokohama AT 31",у жены
-
segyn2007
- Сообщения: 78
- Зарегистрирован: 22 ноя 2012, 11:13
- Двигатель:: 4D56T
- Мой автомобиль(и):: Mitsubishi Pajero
- Откуда: Хабаровск
- Благодарил (а): 8 раз
- Поблагодарили: 1 раз
Re: Не работает тахометр
у меня стрелка тахометра дергается,а не стоит на нуле.плату пропаял датчик поменял да провода прозвонил вроде все нормально должно быть! а она все равно прыгает. что еще может быть?
или нужно менять сам прибор?
или нужно менять сам прибор?
- Ариф
- Сообщения: 164
- Зарегистрирован: 15 ноя 2008, 19:00
- Двигатель:: 6G74 3.5л. 208л/с
- Мой автомобиль(и):: MONTERO(MMNA) (V43,45W) 3500/LONG WAGON Комплектация [GRXML7M ] S
- Откуда: Казань
- Благодарил (а): 1 раз
- Поблагодарили: 2 раза
Re: Не работает тахометр
Я тоже все пропаял, но стрелка дергалась, причиной оказался сильно прижатая стрелька, чуть-чуть на мм вытащил стрельку и все заработал как надо, при сильно прижатом виде задевала стрелька об чего то и дергалась.segyn2007 писал(а):у меня стрелка тахометра дергается,а не стоит на нуле.плату пропаял датчик поменял да провода прозвонил вроде все нормально должно быть! а она все равно прыгает. что еще может быть?
или нужно менять сам прибор?
С уваженим Ариф.
Модель [30E] MONTERO(MMNA) (V43,45W)
Модификация [V45W ] 3500/LONG WAGON
Комплектация [GRXML7M ] SR(WIDE),4FA/T CAL
Период выпуска 10/1991 - 12/1999
Дата выпуска 03/1995
Регион США
Модель [30E] MONTERO(MMNA) (V43,45W)
Модификация [V45W ] 3500/LONG WAGON
Комплектация [GRXML7M ] SR(WIDE),4FA/T CAL
Период выпуска 10/1991 - 12/1999
Дата выпуска 03/1995
Регион США
- Карбафос
- Сообщения: 8391
- Зарегистрирован: 10 дек 2008, 16:16
- Двигатель:: 6G72 12V
- Мой автомобиль(и):: Пыжикк
- Откуда: УУууууу...
- Откуда: Улан-Удэ
- Благодарил (а): 14 раз
- Поблагодарили: 48 раз
- Контактная информация:
Re: Не работает тахометр
пропаял пропаялу рознь!!!! Пропайка должна быть с флюсом!!!segyn2007 писал(а):у меня стрелка тахометра дергается,а не стоит на нуле.плату пропаял датчик поменял да провода прозвонил вроде все нормально должно быть! а она все равно прыгает. что еще может быть?
или нужно менять сам прибор?
И не тупите, впоиск, там все расписано по мульёну раз!!!
П2:1995 г.,LT285*75*16, 6G72 12V, МКПП, Принудительная блокировка сзади, 4 см, силовые бампера, CоmeUР9500, 3 дв, Араб, счасливый обладатель АСЛ 1985 года выпуска заточена как бритва! Вопрос: Джип должен быть вровень с грязью или выпирать??!!
-
segyn2007
- Сообщения: 78
- Зарегистрирован: 22 ноя 2012, 11:13
- Двигатель:: 4D56T
- Мой автомобиль(и):: Mitsubishi Pajero
- Откуда: Хабаровск
- Благодарил (а): 8 раз
- Поблагодарили: 1 раз
Re: Не работает тахометр
опыт пайки имеется! я работаю в лаборатории по ремонту авиационного радиоэлектронного оборудования. что конкретно нужно паять? может там внутри есть что паять!? ее нужно разбирать?
- Ариф
- Сообщения: 164
- Зарегистрирован: 15 ноя 2008, 19:00
- Двигатель:: 6G74 3.5л. 208л/с
- Мой автомобиль(и):: MONTERO(MMNA) (V43,45W) 3500/LONG WAGON Комплектация [GRXML7M ] S
- Откуда: Казань
- Благодарил (а): 1 раз
- Поблагодарили: 2 раза
Re: Не работает тахометр
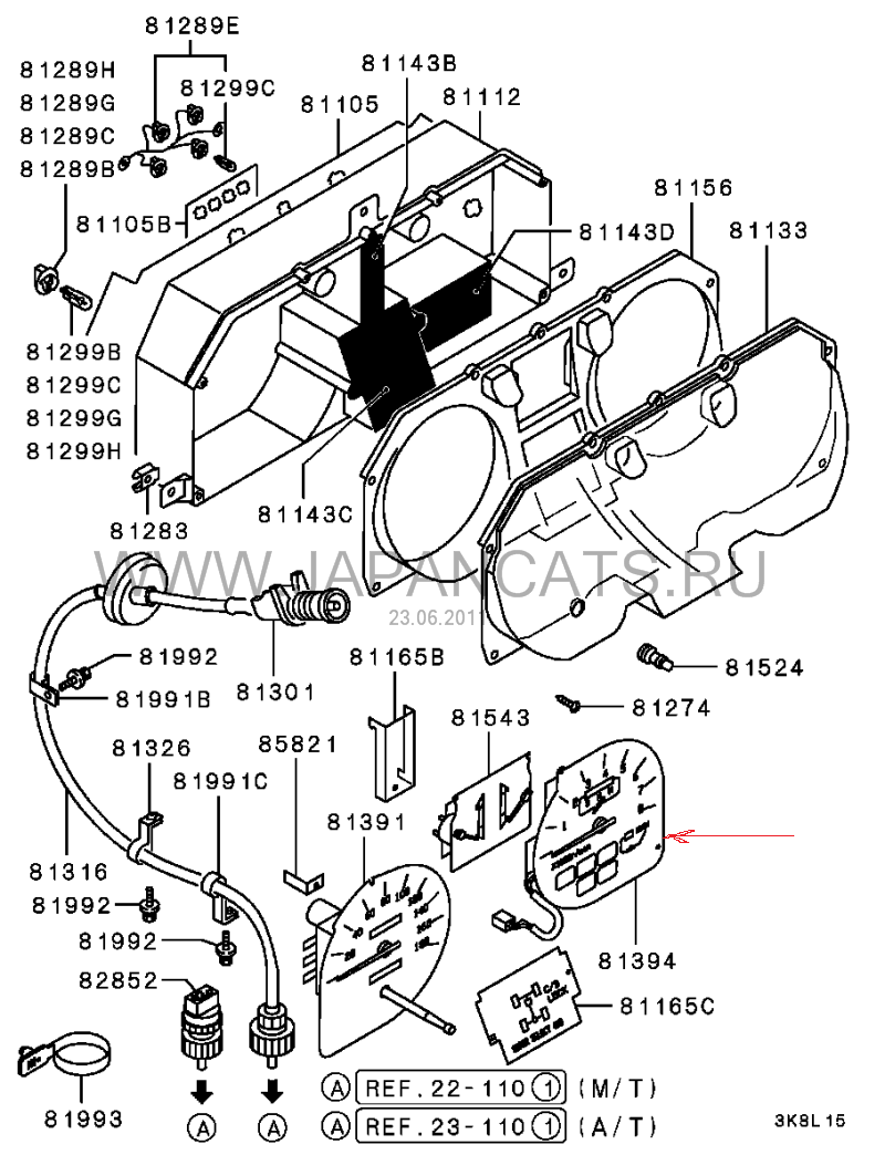
Берешь приборку, разбираешь, ниже стрелкой показан - аккуратно разбираешь его, вытаскиваешь плату, по наклоном 45-градусов смотришь на все припайки и подозрительные места, лучше аккуратно не прогревая плату пропаиваешь все подряд на всякий случай, что бы второй раз не разбирать.segyn2007 писал(а):опыт пайки имеется! я работаю в лаборатории по ремонту авиационного радиоэлектронного оборудования. что конкретно нужно паять? может там внутри есть что паять!? ее нужно разбирать?
С уваженим Ариф.
Модель [30E] MONTERO(MMNA) (V43,45W)
Модификация [V45W ] 3500/LONG WAGON
Комплектация [GRXML7M ] SR(WIDE),4FA/T CAL
Период выпуска 10/1991 - 12/1999
Дата выпуска 03/1995
Регион США
Модель [30E] MONTERO(MMNA) (V43,45W)
Модификация [V45W ] 3500/LONG WAGON
Комплектация [GRXML7M ] SR(WIDE),4FA/T CAL
Период выпуска 10/1991 - 12/1999
Дата выпуска 03/1995
Регион США
-
segyn2007
- Сообщения: 78
- Зарегистрирован: 22 ноя 2012, 11:13
- Двигатель:: 4D56T
- Мой автомобиль(и):: Mitsubishi Pajero
- Откуда: Хабаровск
- Благодарил (а): 8 раз
- Поблагодарили: 1 раз
Re: Не работает тахометр
все понял я паял только заднюю плату похожею на пленку.сейчас разберу дальше и пропаяю.
спасибо!
спасибо!
-
дворник
- Сообщения: 52
- Зарегистрирован: 09 ноя 2010, 15:52
- Двигатель:: 6G72 24кл. бензин был. Сейчас 6G7424кл
- Мой автомобиль(и):: митсубиси паджеро 2
- Поблагодарили: 1 раз
Re: Не работает тахометр
Снова разбирать, внимательно смотреть( возможно с лупой) и паять. У меня получилось со второго раза.segyn2007 писал(а):у меня стрелка тахометра дергается,а не стоит на нуле.плату пропаял датчик поменял да провода прозвонил вроде все нормально должно быть! а она все равно прыгает. что еще может быть?
или нужно менять сам прибор?
не познав крайностей не узнаешь где середина.
- ёмаё
- Сообщения: 93
- Зарегистрирован: 22 авг 2013, 21:43
- Двигатель:: 4d56
- Мой автомобиль(и):: PajeroII 92г.в. 2.5 TDIC
- Откуда: Ивановская область, г Иваново
- Поблагодарили: 5 раз
Re: Не работает тахометр
я победил тахометр 1)пропайкой платы паяльной станцией практически всех контактов так как внешне никаких повреждений не было 2) осмотром и прозвоном проводов (нашел обрыв - провода хрупкие как бумага - в разьеме на ТНВД) 3) переделкой массы (2 из 3х провода с косы разьема ТНВД были обломаты - хз мож когда разьем чинил - все х хрупкое уже.., а мож изначально повреждено было
это для 4д56 дизельного...у которого датчик оборотов в тнвд.. ну и сам датчик прозванивал по мануалу - показания сошлись т.е. жив курилка
это для 4д56 дизельного...у которого датчик оборотов в тнвд.. ну и сам датчик прозванивал по мануалу - показания сошлись т.е. жив курилка
