TRT - Вдоль р.Киржач. Для стандартных 4х4 (08.11.25) Форум Обсуждение FAQ
Вопрос по взаимозаменяемости проводок!
Модераторы: SNOOPER, Nbf, Romik, BAlex, drcham, алексей - Маленький Мук
- Антон2010
- Сообщения: 393
- Зарегистрирован: 20 май 2010, 15:27
- Двигатель:: 6G72
- Мой автомобиль(и):: Pajero 2
- Откуда: Оттуда
- Благодарил (а): 1 раз
- Поблагодарили: 14 раз
Вопрос по взаимозаменяемости проводок!
Доброго времени суток, господа Паджероводы!
Начну с вводных данных, значит имеется:
Паджеро 2, 1994г.в., 5 дверей, японец, мотор - 6G72 12 клапанов, трансмиссия - АКПП+СуперСелект, ABS.
Оснащение салона:
электро зеркала с подогревом и складыванием, две печки, два кондиционера, электролюк, электросиденье водительское, подогревы сидений, зеркал, лобового и заднего стекол, в общем есть все, что ставилось на эти машины!
Вот фото подкапотной таблички: Теперь суть вопроса - хочу заказать всю проводку полностью, как салонную, так и моторного отсека. Моя за столько лет наколхожена просто жуть!: Хотел заказать пуля в пулю, но это наверно нереально и ждать придется очень долго! Так вот и возник вопрос, а не унифицирована ли проводка?
Мои рассуждения свелись к тому, что салонная может и подойдет от других комплектаций, а вот моторная часть никак, ведь различия существенны по электрике дизеля и бензина, или я не прав?
Начну с вводных данных, значит имеется:
Паджеро 2, 1994г.в., 5 дверей, японец, мотор - 6G72 12 клапанов, трансмиссия - АКПП+СуперСелект, ABS.
Оснащение салона:
электро зеркала с подогревом и складыванием, две печки, два кондиционера, электролюк, электросиденье водительское, подогревы сидений, зеркал, лобового и заднего стекол, в общем есть все, что ставилось на эти машины!
Вот фото подкапотной таблички: Теперь суть вопроса - хочу заказать всю проводку полностью, как салонную, так и моторного отсека. Моя за столько лет наколхожена просто жуть!: Хотел заказать пуля в пулю, но это наверно нереально и ждать придется очень долго! Так вот и возник вопрос, а не унифицирована ли проводка?
Мои рассуждения свелись к тому, что салонная может и подойдет от других комплектаций, а вот моторная часть никак, ведь различия существенны по электрике дизеля и бензина, или я не прав?
Последний раз редактировалось Антон2010 01 фев 2014, 16:03, всего редактировалось 1 раз.
MMC Pajero 2, 6G72, бодик 6см,пружины от Сафаря, Cooper Discoverer STT 33-12,5-15!
-
Джеки
- Сообщения: 988
- Зарегистрирован: 16 янв 2009, 17:06
- Двигатель:: 4М40 дизель
- Мой автомобиль(и):: pajero -V-26
- Откуда: Краснодарский край
- Откуда: Абинск
- Благодарил (а): 3 раза
- Поблагодарили: 32 раза
Re: Вопрос по взаимозаменяемости проводок!
Проще во Владике поискать с распила именно с вашей машины.
pajero 2.8 япониц коротыш
- Антон2010
- Сообщения: 393
- Зарегистрирован: 20 май 2010, 15:27
- Двигатель:: 6G72
- Мой автомобиль(и):: Pajero 2
- Откуда: Оттуда
- Благодарил (а): 1 раз
- Поблагодарили: 14 раз
Re: Вопрос по взаимозаменяемости проводок!
Да понятно что с распила, не новую же!
Просто именно 43 кузова привозят старые 92,93 г.в., раз уж менять всю, то хотелось что то поновее!
Просто именно 43 кузова привозят старые 92,93 г.в., раз уж менять всю, то хотелось что то поновее!
MMC Pajero 2, 6G72, бодик 6см,пружины от Сафаря, Cooper Discoverer STT 33-12,5-15!
- Дроныч
- Организатор ПТФ-2012 Белые Ночи
- Сообщения: 3481
- Зарегистрирован: 02 апр 2011, 17:19
- Двигатель:: 4D56T, Дизель
- Мой автомобиль(и):: Pajero sport
- Откуда: Питер
- Благодарил (а): 19 раз
- Поблагодарили: 151 раз
Re: Вопрос по взаимозаменяемости проводок!
Проводка должна быть с авто с таким же движком и коробкой (это как минимум).
С распила вряд ли целая проводка приедет, стоит копейки, а вытаскивать аккуратно гемора много!!!!
А вообще - что должно быть с проводкой, что бы появилось желание её всю поменять??? (это не просто)
С распила вряд ли целая проводка приедет, стоит копейки, а вытаскивать аккуратно гемора много!!!!
А вообще - что должно быть с проводкой, что бы появилось желание её всю поменять??? (это не просто)
МПС, 4D56T (116 л.с.),2002 г, МКПП, бодик 6 см, Купер СТТ 285/75R16, Warn 9000, хобот, пневмоблок от П2, пружины от Патруля, хай джек, лопата, топор, бензопила
- de
- Сообщения: 3993
- Зарегистрирован: 28 мар 2008, 06:00
- Откуда: Йошкар-Ола [12]
- Благодарил (а): 14 раз
- Поблагодарили: 67 раз
Re: Вопрос по взаимозаменяемости проводок!
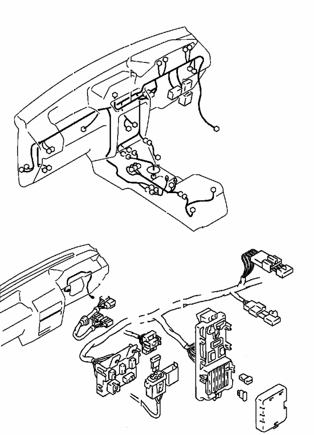
Ищи свой год. 1993 и ниже тебе не подойдут, там много чего работать не будет, например подогрев зеркал, и наверняка еще много чего. 1995 год тоже просто так не подойдет, посмотри схемы: http://pdf.pajero4x4.ru/2008/Pajero-Mon ... WIRING.pdf
Там не все схемы, а только узлы, где есть изменения по сравнению с предыдущим годом. И изменений там очень много, заколебешься разбираться и доводить до ума.
Там не все схемы, а только узлы, где есть изменения по сравнению с предыдущим годом. И изменений там очень много, заколебешься разбираться и доводить до ума.
MMC P2 1993 6G72 12кл МКПП 7мест
-
toliksib
- Сообщения: 448
- Зарегистрирован: 02 фев 2013, 16:15
- Двигатель:: 6G72
- Мой автомобиль(и):: Mitsubishi Pajero II
- Откуда: Новосибирск
- Благодарил (а): 2 раза
- Поблагодарили: 17 раз
Re: Вопрос по взаимозаменяемости проводок!
Проще всё-таки свою привести в порядок. Снимешь торпеду, уберёшь весь колхозинг(старые сигнализации, пикалки, пукалки и т.п.), скрутишь разрывы, заизолируешь. А менять всю проводку - это почти не реально. Но даже если заменишь, потом вылезет проблем возможно больше чем имеешь сейчас (например: вообще не заведёшь мотор).
Машине 20 лет - не надо "дедушку" нервировать.
Машине 20 лет - не надо "дедушку" нервировать.
- Антон2010
- Сообщения: 393
- Зарегистрирован: 20 май 2010, 15:27
- Двигатель:: 6G72
- Мой автомобиль(и):: Pajero 2
- Откуда: Оттуда
- Благодарил (а): 1 раз
- Поблагодарили: 14 раз
Re: Вопрос по взаимозаменяемости проводок!
Спасибо всем откликнувшимся!
Еще раз пересмотрел все досконально и вот что получилось:
у меня машина выпуска 02/1994, если верить электронным каталогам мне должны подходить от 07/1993 до 06/1994 и естественно только 1994г.в.!
Я все же попробую поискать, но если не получится буду свою исправлять!
А как быть со сломанными фишками, не отдельно же провода оставлять?
Еще раз пересмотрел все досконально и вот что получилось:
у меня машина выпуска 02/1994, если верить электронным каталогам мне должны подходить от 07/1993 до 06/1994 и естественно только 1994г.в.!
Я все же попробую поискать, но если не получится буду свою исправлять!
А как быть со сломанными фишками, не отдельно же провода оставлять?
MMC Pajero 2, 6G72, бодик 6см,пружины от Сафаря, Cooper Discoverer STT 33-12,5-15!
-
toliksib
- Сообщения: 448
- Зарегистрирован: 02 фев 2013, 16:15
- Двигатель:: 6G72
- Мой автомобиль(и):: Mitsubishi Pajero II
- Откуда: Новосибирск
- Благодарил (а): 2 раза
- Поблагодарили: 17 раз
Re: Вопрос по взаимозаменяемости проводок!
На авто разборе поищи.
Мне в прошлом году нужна была парочка фишек, приехал на авторазбор, и вот мне за 1т.руб., продали проводку почти со всей машины. сунули в мешке. Правда, дали от механики. Так там кроме фишек, ещё и пара релюшек пригодилась. Кстати фишки у механики и автомата - одинаковые (только количество проводов задействованных и цвет могут быть разные).
Мне в прошлом году нужна была парочка фишек, приехал на авторазбор, и вот мне за 1т.руб., продали проводку почти со всей машины. сунули в мешке. Правда, дали от механики. Так там кроме фишек, ещё и пара релюшек пригодилась. Кстати фишки у механики и автомата - одинаковые (только количество проводов задействованных и цвет могут быть разные).
- Антон2010
- Сообщения: 393
- Зарегистрирован: 20 май 2010, 15:27
- Двигатель:: 6G72
- Мой автомобиль(и):: Pajero 2
- Откуда: Оттуда
- Благодарил (а): 1 раз
- Поблагодарили: 14 раз
Re: Вопрос по взаимозаменяемости проводок!
Ну это просто повезло!
Мне предлагают по цене от 5000р до 10000р причем нет попадания даже по году выпуска!
Мне предлагают по цене от 5000р до 10000р причем нет попадания даже по году выпуска!
MMC Pajero 2, 6G72, бодик 6см,пружины от Сафаря, Cooper Discoverer STT 33-12,5-15!
- Антон2010
- Сообщения: 393
- Зарегистрирован: 20 май 2010, 15:27
- Двигатель:: 6G72
- Мой автомобиль(и):: Pajero 2
- Откуда: Оттуда
- Благодарил (а): 1 раз
- Поблагодарили: 14 раз
Re: Вопрос по взаимозаменяемости проводок!
Вот сижу и голову ломаю - ну совпадения по комплектации это понятно, но если я ВСЮ проводку буду менять, почему надо подбирать прямо точь в точь не пойму?
То есть я демонтирую свою и прокладываю новую, пускай и от 1993г.в. но ведь все что есть у меня, есть и у донора, так где все же собака зарыта?
Если конкретно то предложили мне электрику с Пыжа 05/1993 V43-4011475 ( мне по Экзисту надо 07/1993-06/1994), но у него по салону все есть как и у меня!
Опять же в Экзисте номера кос не совпадают!
То есть я демонтирую свою и прокладываю новую, пускай и от 1993г.в. но ведь все что есть у меня, есть и у донора, так где все же собака зарыта?
Если конкретно то предложили мне электрику с Пыжа 05/1993 V43-4011475 ( мне по Экзисту надо 07/1993-06/1994), но у него по салону все есть как и у меня!
Опять же в Экзисте номера кос не совпадают!
MMC Pajero 2, 6G72, бодик 6см,пружины от Сафаря, Cooper Discoverer STT 33-12,5-15!
-
toliksib
- Сообщения: 448
- Зарегистрирован: 02 фев 2013, 16:15
- Двигатель:: 6G72
- Мой автомобиль(и):: Mitsubishi Pajero II
- Откуда: Новосибирск
- Благодарил (а): 2 раза
- Поблагодарили: 17 раз
Re: Вопрос по взаимозаменяемости проводок!
Собака зарылась в ЭБУ. Они же идут под конкретную комплектацию (двигатель, датчики, ещё что-то) и конечно изменения в проводке есть (разный цвет проводов, может быть даже). Опять же АКПП поймёт ли твою новую проводку ?Антон2010 писал(а):Вот сижу и голову ломаю - ну совпадения по комплектации это понятно, но если я ВСЮ проводку буду менять, почему надо подбирать прямо точь в точь не пойму?
То есть я демонтирую свою и прокладываю новую, пускай и от 1993г.в. но ведь все что есть у меня, есть и у донора, так где все же собака зарыта?
Если конкретно то предложили мне электрику с Пыжа 05/1993 V43-4011475 ( мне по Экзисту надо 07/1993-06/1994), но у него по салону все есть как и у меня!
Опять же в Экзисте номера кос не совпадают!
Но похоже тебе очень хочется экстрима. Вперёд - эксперементируй.
Поаккуратнее снимай старую проводку, вдруг её придётся возвращать на место.
- Daddy
- Сообщения: 8412
- Зарегистрирован: 05 окт 2011, 08:51
- Двигатель:: 4G64
- Мой автомобиль(и):: Pajero II ака [Hulk]
- Откуда: Челябинская область
- Откуда: Форштадт-Верхнеуральск-Магнитогорск
- Благодарил (а): 46 раз
- Поблагодарили: 64 раза
- Контактная информация:
Re: Вопрос по взаимозаменяемости проводок!
Тоже вот интересно. У меня голый машин из подписи, а у донора эл. люк, эл. зеркала, 2 печки и т.п. Оставлять свою проводку - значит не будут работать допы с донора.. А хочецца и люк и 2 печки...
- Жипер
- Сообщения: 22073
- Зарегистрирован: 02 дек 2005, 06:06
- Двигатель:: 4d56, 4m40, 5vz
- Мой автомобиль(и):: П2 - 3 штуки
- Откуда: Приморье
- Откуда: Владивосток
- Благодарил (а): 39 раз
- Поблагодарили: 498 раз
Re: Вопрос по взаимозаменяемости проводок!
Ну зачем писать ерунду, не вникнув в вопрос?toliksib писал(а): Собака зарылась в ЭБУ. Они же идут под конкретную комплектацию (двигатель, датчики, ещё что-то) и конечно изменения в проводке есть (разный цвет проводов, может быть даже). Опять же АКПП поймёт ли твою новую проводку ?
Но похоже тебе очень хочется экстрима. Вперёд - эксперементируй.
Поаккуратнее снимай старую проводку, вдруг её придётся возвращать на место.
Там одно ЭБУ с 91-го по 96-й - MD 162164, как и датчики.
А как там интетесно АКПП будет понимать проводку, если
автомат вообще гидромеханический - на нем проводка только на датчики и селектор,
которые опять же везде одинаковы?
Вот по салоны могут быть затыки в полный рост и из-за разных климат-контролей и люк-не люк, гитары, подушки, АБС и т.п.
Джипер , это утонченная творческая личность , а уж потом небритая пьяная сволочь.
ftsyuri1@mail.ru
8-908-44-69761. При звонке учитывайте разницу во времени. +7 часов к Москве
По запчастям стучитесь в воцап или телегу.
ftsyuri1@mail.ru
8-908-44-69761. При звонке учитывайте разницу во времени. +7 часов к Москве
По запчастям стучитесь в воцап или телегу.
- Антон2010
- Сообщения: 393
- Зарегистрирован: 20 май 2010, 15:27
- Двигатель:: 6G72
- Мой автомобиль(и):: Pajero 2
- Откуда: Оттуда
- Благодарил (а): 1 раз
- Поблагодарили: 14 раз
Re: Вопрос по взаимозаменяемости проводок!
Все, теперь уже точно разобрался!
Нужна проводка строго по году выпуска и для меня она повторюсь с 07/1993 до 06/1994!
Остальные если и подойдут то, по салону фиг разберешься, Юра прав!
Поэтому буду искать!
Нужна проводка строго по году выпуска и для меня она повторюсь с 07/1993 до 06/1994!
Остальные если и подойдут то, по салону фиг разберешься, Юра прав!
Поэтому буду искать!
MMC Pajero 2, 6G72, бодик 6см,пружины от Сафаря, Cooper Discoverer STT 33-12,5-15!
-
toliksib
- Сообщения: 448
- Зарегистрирован: 02 фев 2013, 16:15
- Двигатель:: 6G72
- Мой автомобиль(и):: Mitsubishi Pajero II
- Откуда: Новосибирск
- Благодарил (а): 2 раза
- Поблагодарили: 17 раз
Re: Вопрос по взаимозаменяемости проводок!
Смысл такой: проводка должна соответствовать комплектации. Иначе либо фишек не хватит либо лишние болтаться будут. А моторчик, хрен заведётся, например. Или передачи будут высвечиваться не те что надо. Уже было такое.Жипер писал(а): ... Ну зачем писать ерунду, не вникнув в вопрос?
Там одно ЭБУ с 91-го по 96-й - MD 162164, как и датчики.
А как там интетесно АКПП будет понимать проводку ...
Или может думаете, что опять написал ерунду ?
- Жипер
- Сообщения: 22073
- Зарегистрирован: 02 дек 2005, 06:06
- Двигатель:: 4d56, 4m40, 5vz
- Мой автомобиль(и):: П2 - 3 штуки
- Откуда: Приморье
- Откуда: Владивосток
- Благодарил (а): 39 раз
- Поблагодарили: 498 раз
Re: Вопрос по взаимозаменяемости проводок!
Да, как и в соседней теме.toliksib писал(а):Смысл такой: проводка должна соответствовать комплектации. Иначе либо фишек не хватит либо лишние болтаться будут. А моторчик, хрен заведётся, например. Или передачи будут высвечиваться не те что надо. Уже было такое.Жипер писал(а): ... Ну зачем писать ерунду, не вникнув в вопрос?
Там одно ЭБУ с 91-го по 96-й - MD 162164, как и датчики.
А как там интетесно АКПП будет понимать проводку ...
Или может думаете, что опять написал ерунду ?
Моторчик заведется и автомат будет работать и высвечиваться.
Разницу я выше написал.
Джипер , это утонченная творческая личность , а уж потом небритая пьяная сволочь.
ftsyuri1@mail.ru
8-908-44-69761. При звонке учитывайте разницу во времени. +7 часов к Москве
По запчастям стучитесь в воцап или телегу.
ftsyuri1@mail.ru
8-908-44-69761. При звонке учитывайте разницу во времени. +7 часов к Москве
По запчастям стучитесь в воцап или телегу.
-
toliksib
- Сообщения: 448
- Зарегистрирован: 02 фев 2013, 16:15
- Двигатель:: 6G72
- Мой автомобиль(и):: Mitsubishi Pajero II
- Откуда: Новосибирск
- Благодарил (а): 2 раза
- Поблагодарили: 17 раз
Re: Вопрос по взаимозаменяемости проводок!
[/quote]
Да, как и в соседней теме.
Моторчик заведется и автомат будет работать и высвечиваться.
Разницу я выше написал.[/quote]
Спасибо за разъяснения. Значит берём проводку от любого "утюга", втыкаем на машинку и моторчик заведётся.
Браво!
Да, как и в соседней теме.
Моторчик заведется и автомат будет работать и высвечиваться.
Разницу я выше написал.[/quote]
Спасибо за разъяснения. Значит берём проводку от любого "утюга", втыкаем на машинку и моторчик заведётся.
Браво!
- Жипер
- Сообщения: 22073
- Зарегистрирован: 02 дек 2005, 06:06
- Двигатель:: 4d56, 4m40, 5vz
- Мой автомобиль(и):: П2 - 3 штуки
- Откуда: Приморье
- Откуда: Владивосток
- Благодарил (а): 39 раз
- Поблагодарили: 498 раз
Re: Вопрос по взаимозаменяемости проводок!
Да, как и в соседней теме.toliksib писал(а):
Моторчик заведется и автомат будет работать и высвечиваться.
Разницу я выше написал.[/quote]
Спасибо за разъяснения. Значит берём проводку от любого "утюга", втыкаем на машинку и моторчик заведётся.
Браво![/quote]
Ну естественно - как только в 56-м моторе начала 90-х появится ЭБУ, сразу можешь брать проводку от утюга, и
твой моторчик заведется, я в тебя верю.
Джипер , это утонченная творческая личность , а уж потом небритая пьяная сволочь.
ftsyuri1@mail.ru
8-908-44-69761. При звонке учитывайте разницу во времени. +7 часов к Москве
По запчастям стучитесь в воцап или телегу.
ftsyuri1@mail.ru
8-908-44-69761. При звонке учитывайте разницу во времени. +7 часов к Москве
По запчастям стучитесь в воцап или телегу.
-
toliksib
- Сообщения: 448
- Зарегистрирован: 02 фев 2013, 16:15
- Двигатель:: 6G72
- Мой автомобиль(и):: Mitsubishi Pajero II
- Откуда: Новосибирск
- Благодарил (а): 2 раза
- Поблагодарили: 17 раз
Re: Вопрос по взаимозаменяемости проводок!
Что-то мне подсказывает, что у автора темы мотор 6G72, 1994 года выпуска. А не 56-ой, начала 90-х. 
- Жипер
- Сообщения: 22073
- Зарегистрирован: 02 дек 2005, 06:06
- Двигатель:: 4d56, 4m40, 5vz
- Мой автомобиль(и):: П2 - 3 штуки
- Откуда: Приморье
- Откуда: Владивосток
- Благодарил (а): 39 раз
- Поблагодарили: 498 раз
Re: Вопрос по взаимозаменяемости проводок!
Да ни можить этого быть?toliksib писал(а):Что-то мне подсказывает, что у автора темы мотор 6G72, 1994 года выпуска. А не 56-ой, начала 90-х.
И про MD162164 я видимо написал именно в привязке к 4д56.
Тема поднималась пользователем Антон2010 05 фев 2014, 17:20.
Джипер , это утонченная творческая личность , а уж потом небритая пьяная сволочь.
ftsyuri1@mail.ru
8-908-44-69761. При звонке учитывайте разницу во времени. +7 часов к Москве
По запчастям стучитесь в воцап или телегу.
ftsyuri1@mail.ru
8-908-44-69761. При звонке учитывайте разницу во времени. +7 часов к Москве
По запчастям стучитесь в воцап или телегу.

