Добрый день, друзья. Помогите разобраться- не работают оба задних стеклоподъёмника. При нажатии любой из клавиш - в ответ тишина. Передние в порядке. По книжке все сидят на одном предохранителе. Какие еще возможны причины ?
С благодарностью,
Александр
Не работают задние стеклоподъёмники на МПС-1
Модераторы: SNOOPER, Nbf, Romik, BAlex
-
Plotnik
- Сообщения: 44
- Зарегистрирован: 19 фев 2008, 15:54
- Откуда: Москва, СВАО
- Благодарил (а): 16 раз
- Поблагодарили: 1 раз
Не работают задние стеклоподъёмники на МПС-1
МПС 2,5 дизель 116л.с. 2008г. Геоландер G 012 245x75 R16
- melkiiserega
- Сообщения: 1302
- Зарегистрирован: 16 май 2009, 18:09
- Двигатель:: 4D56, 4М40
- Мой автомобиль(и):: PII MPS
- Откуда: Калуга
- Откуда: Калуга
- Благодарил (а): 33 раза
- Поблагодарили: 19 раз
- Контактная информация:
Re: Не работают задние стеклоподъёмники на МПС-1
Есть кнопочка блокировки оных. Не нажата случаем?? На вод двери.
MPS, 2001 г.в., серый, 4D56, на палке, Suplex 52+B4 перед+KYB зад, GLS, Hankook RT03 32"
П2, коротыш, 4D56, механика, 33" Максис 762, бодик 80-10,лебедь...Строим...
П2, коротыш, 4D56, механика, 33" Максис 762, бодик 80-10,лебедь...Строим...
- кот 989
- Сообщения: 456
- Зарегистрирован: 16 ноя 2009, 12:25
- Двигатель:: 4D56
- Мой автомобиль(и):: МПСпорт 2001г
- Откуда: Самара
- Благодарил (а): 12 раз
- Поблагодарили: 23 раза
Re: Не работают задние стеклоподъёмники на МПС-1
melkiiserega писал(а):Есть кнопочка блокировки оных. Не нажата случаем?? На вод двери.
...и при ней (нажатой кнопачке) всё как-раз работает! на водительской-то двери!
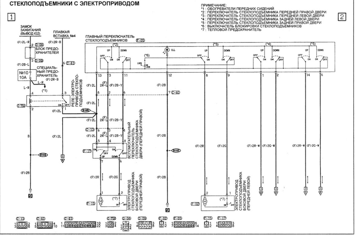
Вот схЭмки всех стеклоподёников:
либо отсутствует - там где он должен быть!
Sport 2001 года, 4D56, МКПП.
-
Plotnik
- Сообщения: 44
- Зарегистрирован: 19 фев 2008, 15:54
- Откуда: Москва, СВАО
- Благодарил (а): 16 раз
- Поблагодарили: 1 раз
Re: Не работают задние стеклоподъёмники на МПС-1
кот 989 писал(а):melkiiserega писал(а):Есть кнопочка блокировки оных. Не нажата случаем?? На вод двери.
...и при ней (нажатой кнопачке) всё как-раз работает! на водительской-то двери!
Спасибо за помощь.
" Обидно мне, досадно мне".. но дело было в случайно нажатой кнопке, которая блокирует только задние стеклоподъёмники.
Удачи!
МПС 2,5 дизель 116л.с. 2008г. Геоландер G 012 245x75 R16
