TRT "107-108" Для стандарта и не только! (4.04.2026) Форум Обсуждение FAQ
Ошибка 26 - 48 (решено) отчет
Модераторы: SNOOPER, Nbf, Romik, BAlex, drcham, алексей - Маленький Мук, DenVer, Алекс
-
svg7
- Сообщения: 7
- Зарегистрирован: 13 июн 2013, 12:13
- Двигатель:: 4M41
- Мой автомобиль(и):: Mitsubishi Pajero 3
- Откуда: Ростов-на-Дону
- Поблагодарили: 7 раз
Ошибка 26 - 48 (решено) отчет
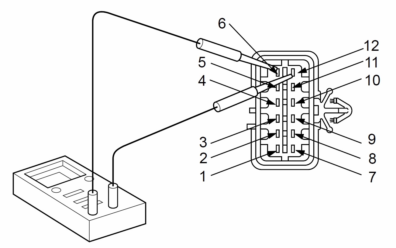
Mitsubishi Pajero III 3.2 DI-D. В движении иногда глох, при последующем запуске загоралась лампочка ошибки двигателя и начинал коптить с такой силой что один раз даже прибежали пожарники с огнетушителем. Иногда эта ошибка проподала на какоето время но не надолго. На мультитрониксе высветилась ошибка № 48. При подробной проверки ТНВД было выявленно следующее, на 12-контактном разъеме электронного блока управления ТНВД все сопротивления соответствуют нормам, кроме датчика исполнительного механизма ноги № 4,8,12 который показывал сопротивление с корпусом насоса при отключеном 12-контактном разъеме. При дальнейшем поиске выяснелось что на соединительной колодки проводов электронного блока управления ТНВД с внутренней стороны происходит косание провода датчика на корпус терморезистора. При отгибании вниз от терморезистора провода датчика, сопротивление датчика на корпус исчезает и ошибка № 48 пропадает, в итоге сделан вывод что корпус терморезистора и изоляционный кембрики на соединительных проводах со временем стали проводниками (вполне возможно из за каких либо присадок и т.д.). Отгибание дает временный эфект из за возврашения провода на свое место, но зато можно спокойно доехать до места назначения. Лутшее лечение обновление изоляционных кембриков на соединительных проводах внутри электронного блока управления ТНВД.
- Вложения
-
svg7
- Сообщения: 7
- Зарегистрирован: 13 июн 2013, 12:13
- Двигатель:: 4M41
- Мой автомобиль(и):: Mitsubishi Pajero 3
- Откуда: Ростов-на-Дону
- Поблагодарили: 7 раз
Re: Ошибка 26 - 48 (решено) отчет
Дополнительно к сказаномму, есть еше недостаток в соединительной колодке, внутри которой переодически появляется короткое замыкание с корпусом и при изгибе проводов оно пропадает. Единственная проблема с ее ремонтом в том что она неразборная (литая). Но нет ничего невозможного и ее победим. По результатам востановительных работ колодки отпишусь.
-
svg7
- Сообщения: 7
- Зарегистрирован: 13 июн 2013, 12:13
- Двигатель:: 4M41
- Мой автомобиль(и):: Mitsubishi Pajero 3
- Откуда: Ростов-на-Дону
- Поблагодарили: 7 раз
Re: Ошибка 26 - 48 (решено) отчет
По результатам ремонта соединительной колодки раскажу следующее, вскрытие показало что внутри колодки между проходными текстолитовыми втулками и резиновыми сальниками скопилась металлическая пыль которая образовала пленку на текстолитовой втулке под сальником, которая как оказальсь и довала переодически сопротивление на корпус насоса. При разборке я даже сначала подумал что она металическая пока ее не протер пальцем удалив пленку. Сама разборка заключается в распиливании корпуса и очистки внутреннего содержимого мощным паяльником. После сборки обязательно заклеить входные отверстия проводов капельками эпоксидной смолы во избежании попадания внутрь инородных частиц. Самое главное при снятии электронного блока управления незабыть поставить на нем метку маркером в соотношении к насосу, во избежании дальнейших ненужных регулировок.
- Вложения
- stranger699
- Сообщения: 1336
- Зарегистрирован: 23 ноя 2008, 18:01
- Двигатель:: 4М41
- Мой автомобиль(и):: П3 5 doors 2002 АКПП
- Откуда: Белгород
- Откуда: Белгород
- Благодарил (а): 9 раз
- Поблагодарили: 19 раз
- Контактная информация:
Re: Ошибка 26 - 48 (решено) отчет
красиво и грамотно,респект
пару дней назад выскочила та же плавающая проблемма,буду на днях мыть и перебирать жгуты ТНВД
попутно холостые иногда ведут себя странно...чуть колеблятся
пару дней назад выскочила та же плавающая проблемма,буду на днях мыть и перебирать жгуты ТНВД
попутно холостые иногда ведут себя странно...чуть колеблятся
"— Мам, а ты мне хайджек купишь? — Конечно! И хайджек тебе купим, и джип к нему купим, и друзей-расп...яев, бл..ь, купим, чтобы все, как у отца было!"
-
Oleg1964
- Сообщения: 7
- Зарегистрирован: 02 сен 2014, 13:07
- Двигатель:: 4M41
- Мой автомобиль(и):: MITSUBISHI PAJERO
- Откуда: Riga
Re: Ошибка 26 - 48 (решено) отчет
Cпасибо.помог решить проблему самостоятельно и не влететь на насос.
-
madozero
- Сообщения: 28
- Зарегистрирован: 26 авг 2013, 15:45
- Двигатель:: 4m41
- Мой автомобиль(и):: Pajero 3
- Откуда: Volgograd
- Благодарил (а): 1 раз
Re: Ошибка 26 - 48 (решено) отчет
Модераторы, будьте добры, добавьте данную тему в FAQ
PAJERO III 3.2DID 2006г. DAKAR
-
pribalt
- Сообщения: 34
- Зарегистрирован: 17 апр 2011, 12:56
- Двигатель:: 4M40/4M41
- Мой автомобиль(и):: Pajero 2/3
- Благодарил (а): 3 раза
Re: Ошибка 26 - 48 (решено) отчет
Самое главное при снятии электронного блока управления незабыть поставить на нем метку маркером в соотношении к насосу, во избежании дальнейших ненужных регулировок.
Всем привет, кто нибудь может детализировать эту фразу ( четвёртый пост сверху), похоже у меня случилось что то подобное. Не хочется разобрать и коряво собрать а то с Алма-Аты неблизко до всех кто это может настроить.
Спасибо
Всем привет, кто нибудь может детализировать эту фразу ( четвёртый пост сверху), похоже у меня случилось что то подобное. Не хочется разобрать и коряво собрать а то с Алма-Аты неблизко до всех кто это может настроить.
Спасибо
-
pribalt
- Сообщения: 34
- Зарегистрирован: 17 апр 2011, 12:56
- Двигатель:: 4M40/4M41
- Мой автомобиль(и):: Pajero 2/3
- Благодарил (а): 3 раза
Re: Ошибка 26 - 48 (решено) отчет
Ну и в дополнение, вся колодка на 12 проводов прозвонилась штатно за исключением датчика температуры топлива, сопротивление 3,63 кОма что на один кОм больше максимума. Может ли это быть причиной дымовой завесы позади машины? Ну и вопрос, что делать, где брать эту чёрную лабуду в которую провода входят?
48-я ошибка горит постоянно и обнулением не сбрасывается, выходит сразу при первом включении зажигания.
48-я ошибка горит постоянно и обнулением не сбрасывается, выходит сразу при первом включении зажигания.
-
svg7
- Сообщения: 7
- Зарегистрирован: 13 июн 2013, 12:13
- Двигатель:: 4M41
- Мой автомобиль(и):: Mitsubishi Pajero 3
- Откуда: Ростов-на-Дону
- Поблагодарили: 7 раз
Re: Ошибка 26 - 48 (решено) отчет
При ошибке 48 на контактах 12 контактной колодки появляется мизерное сопротивление с корпусом, что приводит к этой ошибке. Сопротивление на ногах самой колодки будут соответствовать нормам.
-
pribalt
- Сообщения: 34
- Зарегистрирован: 17 апр 2011, 12:56
- Двигатель:: 4M40/4M41
- Мой автомобиль(и):: Pajero 2/3
- Благодарил (а): 3 раза
Re: Ошибка 26 - 48 (решено) отчет
Разобрал, распиливать не стал, попробовал так помыть. Хватило на три недели, сегодня опять тоже самое. Есть у этой штуки пластиковой номер чтоб купить-заказать?
Спасибо заранее
Спасибо заранее
-
Mafiozi25
- Сообщения: 3
- Зарегистрирован: 17 авг 2017, 11:06
- Двигатель:: 4M41
- Мой автомобиль(и):: PAJERO Wagon 3
- Откуда: Украина UA
- Благодарил (а): 2 раза
Re: Ошибка 26 - 48 (решено) отчет
Всем привет.
Тема актуальна и зарегился именночто бы дополнить ее.
Короче у меня точно такая проблема и нашел в нете именно новый электро привод GE
Номер по бош 9 443 613 373
Если я не прав исправьте.
Тема актуальна и зарегился именночто бы дополнить ее.
Короче у меня точно такая проблема и нашел в нете именно новый электро привод GE
Номер по бош 9 443 613 373
Если я не прав исправьте.
- Злыдня
- Сообщения: 1457
- Зарегистрирован: 24 авг 2012, 13:52
- Двигатель:: 4M41
- Мой автомобиль(и):: Паджеро 3, Турбодизель дыр-дыр-дыр
- Откуда: Новополоцк
- Откуда: Беларусь
- Благодарил (а): 6 раз
- Поблагодарили: 207 раз
Re: Ошибка 26 - 48 (решено) отчет
Что-то эти фотографии и объяснения как две капли воды похожи на пост с другого ресурса, опубликованный года три назад...
Сижу, никого не трогаю, починяю примус ©.
Починка примусов системы Zexel VRZ в Беларуси.
Починка примусов системы Zexel VRZ в Беларуси.
- SmoAG
- Сообщения: 7842
- Зарегистрирован: 16 янв 2015, 13:11
- Двигатель:: 4m41
- Мой автомобиль(и):: Pajero 3, 2005 АКПП
- Откуда: Воронеж
- Откуда: Воронеж
- Благодарил (а): 99 раз
- Поблагодарили: 541 раз
Re: Ошибка 26 - 48 (решено) отчет
Так фотографии и так 3 летней давности. Человека интересует номер централизации для ее заказа.
Здесь должна была быть какая-нибудь цитата из вк или другого ресурса, но вот что то не нашёл ни чего что могло бы выразить моё миропонимание сейчас;)
-
Mafiozi25
- Сообщения: 3
- Зарегистрирован: 17 авг 2017, 11:06
- Двигатель:: 4M41
- Мой автомобиль(и):: PAJERO Wagon 3
- Откуда: Украина UA
- Благодарил (а): 2 раза
Re: Ошибка 26 - 48 (решено) отчет
Про такую метку примерно говорилось?svg7 писал(а):Самое главное при снятии электронного блока управления незабыть поставить на нем метку маркером в соотношении к насосу, во избежании дальнейших ненужных регулировок.
Ибо сейчас иду снимать свою электронику с тнвд.
- Вложения
-
- 149805-0621_1.jpg (10.1 КБ) 16201 просмотр
- SmoAG
- Сообщения: 7842
- Зарегистрирован: 16 янв 2015, 13:11
- Двигатель:: 4m41
- Мой автомобиль(и):: Pajero 3, 2005 АКПП
- Откуда: Воронеж
- Откуда: Воронеж
- Благодарил (а): 99 раз
- Поблагодарили: 541 раз
Re: Ошибка 26 - 48 (решено) отчет
Это самопальная метка и по ней попасть назад нереально.
Здесь должна была быть какая-нибудь цитата из вк или другого ресурса, но вот что то не нашёл ни чего что могло бы выразить моё миропонимание сейчас;)
-
Mafiozi25
- Сообщения: 3
- Зарегистрирован: 17 авг 2017, 11:06
- Двигатель:: 4M41
- Мой автомобиль(и):: PAJERO Wagon 3
- Откуда: Украина UA
- Благодарил (а): 2 раза
Re: Ошибка 26 - 48 (решено) отчет
Ну я понял что самопальная.Короче метка должна быть позиционера относительно корпуса тнвд.SmoAG писал(а):Это самопальная метка и по ней попасть назад нереально.
А подскажите как выставить нового позиционера отновительно тнвд в гаражных условиях?
Подскажите плиз.
-
евгений79
- Сообщения: 6
- Зарегистрирован: 30 дек 2017, 08:59
- Двигатель:: 4m41
- Мой автомобиль(и):: паджеро 3
- Откуда: башкортостан
- Благодарил (а): 2 раза
Re: Ошибка 26 - 48 (решено) отчет
доброго времени суток! полгода назад столкнулся с такой же проблемой, сделали всё, кроме разрезания крышки. сегодня проблема повторилась, очень хочется узнать у автора, и других, столкнувшихся с такой проблемой: после распила и ремонта крышки всё проходит? кто сколько отьездил после распила крышки?
-
svg7
- Сообщения: 7
- Зарегистрирован: 13 июн 2013, 12:13
- Двигатель:: 4M41
- Мой автомобиль(и):: Mitsubishi Pajero 3
- Откуда: Ростов-на-Дону
- Поблагодарили: 7 раз
Re: Ошибка 26 - 48 (решено) отчет
Эту же проблему с другим ТНВД я решил другим способом без распила. Самое главное знать причину из за чего все происходит. Открутив соединительную колодку и слегка отодвинув ее от корпуса блока управления чтоб получился небольшой зазор, термоклеем временно приклеил к пластмассовой колодке вибродатчик от сотового телефона, опустил все это устройство в емкость с керосином так чтоб колодка находилась сверху и полностью погружена в керосин. После чего подключаю вибродатчик к батарейке 3V и оставляем все это дело где-то на 4~ 6 часов. При воздействии вибродатчика вся эмульсия выходит из труднодоступных щелей и оседает на дно. После процедуры блок управления следует тщательно промыть в керосине и можно приступать к сборке. Как выяснилось проблема все-таки идет из бака, отслоение внутреннего покрытия в виде металлической пыли идет с топливом в ТНВД после чего появляется ошибка 48. Для предотвращения еще помогает установка магнитов в отстойник топливного фильтра и установка фильтра тонкой очистки (сепаратор).
