TRT - Вдоль р.Киржач. Для стандартных 4х4 (08.11.25) Форум Обсуждение FAQ
	Куплю кронштейн управляющего вала АКПП Montero sport
Модераторы: SNOOPER, Romik, Missis Slay, Динго, Модераторы
					Правила форума
При продаже необходимо ОБЯЗАТЕЛЬНО указывать стоимость товара и контактный телефон продавца.
Сообщения, не соответствующие этим требованиям могут быть удалены без предварительного предупреждения.
	При продаже необходимо ОБЯЗАТЕЛЬНО указывать стоимость товара и контактный телефон продавца.
Сообщения, не соответствующие этим требованиям могут быть удалены без предварительного предупреждения.
- Mr_Edd
 - Сообщения: 33
 - Зарегистрирован: 13 июл 2009, 19:36
 - Двигатель:: 6G72
 - Мой автомобиль(и):: Montero Sport
 - Откуда: С-Пб
 - Откуда: Весёлый посёлок
 - Благодарил (а): 1 раз
 
Куплю кронштейн управляющего вала АКПП Montero sport
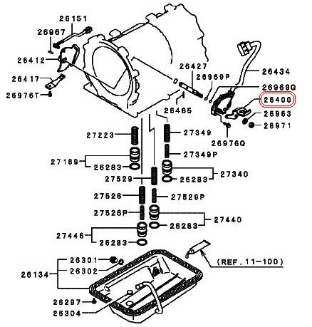
Куплю кронштейн управляющего вала АКПП (который стоит на валу перед ингибитором и к которому цепляется тросик от ручки селектора). Оригинальный номер MR553275, на прилагающейся схеме обведён красным: 
			
			
									
						Montero Sport, 2002(1), 6G72, АКП, AWD
			
						- SNOOPER
 - Модератор
 - Сообщения: 56894
 - Зарегистрирован: 11 дек 2004, 19:49
 - Двигатель:: 4D56
 - Мой автомобиль(и):: NewMPS
 - Откуда: 78
 - Откуда: Spb
 - Благодарил (а): 1007 раз
 - Поблагодарили: 4665 раз
 
Re: Куплю кронштейн управляющего вала АКПП Montero sport
А со своим то что?
Резьбу сорвали, так там легко восстановить
			
			
									
						Резьбу сорвали, так там легко восстановить
- Mr_Edd
 - Сообщения: 33
 - Зарегистрирован: 13 июл 2009, 19:36
 - Двигатель:: 6G72
 - Мой автомобиль(и):: Montero Sport
 - Откуда: С-Пб
 - Откуда: Весёлый посёлок
 - Благодарил (а): 1 раз
 
Re: Куплю кронштейн управляющего вала АКПП Montero sport
Замечательные "рукодельники" из коробочного сервиса, про который я писал в теме "не рекомендовано к посещению", судя по всему, сорвали гайку и посадили это дело на сварку. А увидел я это только сейчас, когда начал глючить ингибитор. Теперь после снятия ингибитора для прочистки придётся ставить новые вал и кронштейн, а сроки поставки адские. И машину уже совсем не завести - индикация на приборке выше драйва не поднимается и показывает полный бред. Вал приедет завтра, а вот кронштейн ждать ещё 2 недели.
			
			
									
						Montero Sport, 2002(1), 6G72, АКП, AWD
			
						- Mr_Edd
 - Сообщения: 33
 - Зарегистрирован: 13 июл 2009, 19:36
 - Двигатель:: 6G72
 - Мой автомобиль(и):: Montero Sport
 - Откуда: С-Пб
 - Откуда: Весёлый посёлок
 - Благодарил (а): 1 раз
 
Re: Куплю кронштейн управляющего вала АКПП Montero sport
Да, кронштейн к нему приварили
			
			
									
						Montero Sport, 2002(1), 6G72, АКП, AWD
			
						- SNOOPER
 - Модератор
 - Сообщения: 56894
 - Зарегистрирован: 11 дек 2004, 19:49
 - Двигатель:: 4D56
 - Мой автомобиль(и):: NewMPS
 - Откуда: 78
 - Откуда: Spb
 - Благодарил (а): 1007 раз
 - Поблагодарили: 4665 раз
 
Re: Куплю кронштейн управляющего вала АКПП Montero sport
Да уж.
А сейчас он снят?
Просто нужно как образец. Или этот восстановить.
			
			
									
						А сейчас он снят?
Просто нужно как образец. Или этот восстановить.
- Mr_Edd
 - Сообщения: 33
 - Зарегистрирован: 13 июл 2009, 19:36
 - Двигатель:: 6G72
 - Мой автомобиль(и):: Montero Sport
 - Откуда: С-Пб
 - Откуда: Весёлый посёлок
 - Благодарил (а): 1 раз
 
Re: Куплю кронштейн управляющего вала АКПП Montero sport
Нет не снят, когда его смотрели, ингибитор ещё был худо-бедно жив и решили до прихода запчастей ничего не трогать. А он запчастей не дождался и крякнул совсем. Хорошо хоть сразу по приезду на стоянку, а не среди чистого поля. А там его реально сделать? Насколько я понял, посадочное отверстие для вала в форме звёздочки?
			
			
									
						Montero Sport, 2002(1), 6G72, АКП, AWD
			
						- SNOOPER
 - Модератор
 - Сообщения: 56894
 - Зарегистрирован: 11 дек 2004, 19:49
 - Двигатель:: 4D56
 - Мой автомобиль(и):: NewMPS
 - Откуда: 78
 - Откуда: Spb
 - Благодарил (а): 1007 раз
 - Поблагодарили: 4665 раз
 
Re: Куплю кронштейн управляющего вала АКПП Montero sport
Нужно пробовать.
Срезать болгаркой этот. И смотреть можно или нет.
А так есть какие то нужно смотреть, просто не помню визуально. Отверстие там овал.
Завтра по валу сами всё увидете.
			
			
									
						Срезать болгаркой этот. И смотреть можно или нет.
А так есть какие то нужно смотреть, просто не помню визуально. Отверстие там овал.
Завтра по валу сами всё увидете.
