ПОМОГИТЕ! Как разблокировать АКПП Паджеро 4 без ключей
Модераторы: SNOOPER, Nbf, Romik, BAlex, drcham, DenVer, SoundSpeed
-
ВВМ 69 ТВ
- Сообщения: 53
- Зарегистрирован: 20 май 2015, 15:32
- Двигатель:: дизель
- Мой автомобиль(и):: Паджеро 4
- Откуда: Тверь
- Благодарил (а): 3 раза
- Поблагодарили: 4 раза
ПОМОГИТЕ! Как разблокировать АКПП Паджеро 4 без ключей
Прошу помощи уважаемых знатоков. Утрачены оба ключа от Паджеро 4, 3,2 дизель. машина стоит в тесном боксе, включен полный привод. Кто знает прошу подсказать (или скиньте ссылку) как разблокировать АКПП чтобы выкатить машину.
-
AdB0kaT
- Сообщения: 877
- Зарегистрирован: 05 мар 2014, 07:37
- Двигатель:: 6G72
- Мой автомобиль(и):: Pajero IV Instyle 2013г.
- Откуда: Магнитогорск
- Благодарил (а): 16 раз
- Поблагодарили: 45 раз
Re: ПОМОГИТЕ! Как разблокировать АКПП Паджеро 4 без ключей
хм... а как вы ее выкатывать собрались если руль без ключей тоже заблокирован?? скорее похоже на вопрос начинающего угонщика, изучающего особенности защиты П4)
- drcham
- Модератор
- Сообщения: 14454
- Зарегистрирован: 08 апр 2006, 13:42
- Двигатель:: Бензин
- Мой автомобиль(и):: Wrangler JLU Rubicon
- Откуда: Москва
- Откуда: Москва ЮЗАО
- Благодарил (а): 63 раза
- Поблагодарили: 230 раз
- Контактная информация:
Re: ПОМОГИТЕ! Как разблокировать АКПП Паджеро 4 без ключей
Может по прямой тупо вперед. Но какой толк... проще вызывать человека который снимет личинку, а потом приедет и прошьет туда новые ключи.
p.s. почитать в инструкции. Всегда есть кнопка shiftlock.
p.s. почитать в инструкции. Всегда есть кнопка shiftlock.
4LO&GO! Wrangler JLU Rubicon
- oasys
- Сообщения: 4840
- Зарегистрирован: 26 фев 2015, 20:50
- Двигатель:: 4M41
- Мой автомобиль(и):: Pajero 4
- Откуда: Москва
- Благодарил (а): 64 раза
- Поблагодарили: 319 раз
Re: ПОМОГИТЕ! Как разблокировать АКПП Паджеро 4 без ключей
Особенно в сочетании с этой темой. В один день регистрация, одна проблема, но машины и место разные.AdB0kaT писал(а): скорее похоже на вопрос начинающего угонщика, изучающего особенности защиты П4)
http://out-club.ru/board/showthread.php?t=76887
Бывает защита от дурака, но никто еще не придумал защиту от идиота.
- BabyHummer A-328
- Сообщения: 6030
- Зарегистрирован: 27 июн 2012, 12:30
- Двигатель:: Бензин 3.8
- Мой автомобиль(и):: Mitsubishi Pajero IV
- Откуда: Москва, Бабушкинская
- Откуда: Москва
- Благодарил (а): 166 раз
- Поблагодарили: 212 раз
Re: ПОМОГИТЕ! Как разблокировать АКПП Паджеро 4 без ключей
И там и тут ТС пропал... .oasys писал(а):Особенно в сочетании с этой темой. В один день регистрация, одна проблема, но машины и место разные.AdB0kaT писал(а): скорее похоже на вопрос начинающего угонщика, изучающего особенности защиты П4)
http://out-club.ru/board/showthread.php?t=76887
С уважением, Андрей
Псакой буду, если вру! :-)
Псакой буду, если вру! :-)
-
ВВМ 69 ТВ
- Сообщения: 53
- Зарегистрирован: 20 май 2015, 15:32
- Двигатель:: дизель
- Мой автомобиль(и):: Паджеро 4
- Откуда: Тверь
- Благодарил (а): 3 раза
- Поблагодарили: 4 раза
Re: ПОМОГИТЕ! Как разблокировать АКПП Паджеро 4 без ключей
во втором форуме был не я - это точно. почему так получилось: машина досталась по суду, пока идут переговоры с др стороной насчет ключей - хочется решить нормально. Был у ОД заказывать новые ключи они не "могут" предложили поменять замок зажигания но только замок у них 65 000 р. Машина пока стоит. ждем мирного решения. есть специалисты которые за умеренную плату сделают новый ключ, перепрграммируют иммобилайзер (все это порядка 5 000 - 6 000 р)
- Виктор74
- Сообщения: 1430
- Зарегистрирован: 02 дек 2011, 20:12
- Двигатель:: 6G72
- Мой автомобиль(и):: Mitsubishi Pajero4 2007г. Нива 21213 1996г.
- Откуда: Магнитогорск
- Благодарил (а): 49 раз
- Поблагодарили: 84 раза
Re: ПОМОГИТЕ! Как разблокировать АКПП Паджеро 4 без ключей
Ну накрайняк то можно и карданы открутить от редукторов.
-
AdB0kaT
- Сообщения: 877
- Зарегистрирован: 05 мар 2014, 07:37
- Двигатель:: 6G72
- Мой автомобиль(и):: Pajero IV Instyle 2013г.
- Откуда: Магнитогорск
- Благодарил (а): 16 раз
- Поблагодарили: 45 раз
Re: ПОМОГИТЕ! Как разблокировать АКПП Паджеро 4 без ключей
В реальных условиях угона авто это очень трудновыполнимая и рискованная операция)Виктор74 писал(а):Ну накрайняк то можно и карданы открутить от редукторов.
- Виктор74
- Сообщения: 1430
- Зарегистрирован: 02 дек 2011, 20:12
- Двигатель:: 6G72
- Мой автомобиль(и):: Mitsubishi Pajero4 2007г. Нива 21213 1996г.
- Откуда: Магнитогорск
- Благодарил (а): 49 раз
- Поблагодарили: 84 раза
Re: ПОМОГИТЕ! Как разблокировать АКПП Паджеро 4 без ключей
Вот вот)AdB0kaT писал(а):В реальных условиях угона авто это очень трудновыполнимая и рискованная операция)Виктор74 писал(а):Ну накрайняк то можно и карданы открутить от редукторов.
Зато для собственника-вариант.
- Lebed
- Сообщения: 10748
- Зарегистрирован: 25 июл 2010, 11:23
- Двигатель:: ******
- Мой автомобиль(и):: ******
- Откуда: ***
- Откуда: ***
- Благодарил (а): 236 раз
- Поблагодарили: 431 раз
Re: ПОМОГИТЕ! Как разблокировать АКПП Паджеро 4 без ключей
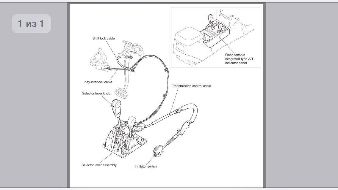
Все просто 
"Если театр начинается с вешалки, то за такие пьесы нужно вешать." (с)
P.S. Для упырей- "Мы с тобой Гималаи; остальные — ничтожества." (с)
P.S. Для упырей- "Мы с тобой Гималаи; остальные — ничтожества." (с)
- Denya
- Сообщения: 1025
- Зарегистрирован: 18 дек 2011, 02:13
- Двигатель:: Дизель
- Мой автомобиль(и):: паджеро4
- Откуда: Красноярск
- Благодарил (а): 5 раз
- Поблагодарили: 46 раз
Re: ПОМОГИТЕ! Как разблокировать АКПП Паджеро 4 без ключей
чесно гря ниче не понял по картинке кроме того что идут проводочки от КЗ и от педали тормоза )
подать плюс на проводочик чтоль?
подать плюс на проводочик чтоль?
- Lebed
- Сообщения: 10748
- Зарегистрирован: 25 июл 2010, 11:23
- Двигатель:: ******
- Мой автомобиль(и):: ******
- Откуда: ***
- Откуда: ***
- Благодарил (а): 236 раз
- Поблагодарили: 431 раз
Re: ПОМОГИТЕ! Как разблокировать АКПП Паджеро 4 без ключей
А зачем подавать напряжение на обыкновенный тросик, Денис? Его отцеплять надо
"Если театр начинается с вешалки, то за такие пьесы нужно вешать." (с)
P.S. Для упырей- "Мы с тобой Гималаи; остальные — ничтожества." (с)
P.S. Для упырей- "Мы с тобой Гималаи; остальные — ничтожества." (с)
