TRT - Вдоль р.Киржач. Для стандартных 4х4 (08.11.25) Форум Обсуждение FAQ
Нужен чертёж поршней
Модераторы: SNOOPER, Nbf, Romik, BAlex, drcham, Podzemshik
-
oxot
- Сообщения: 66
- Зарегистрирован: 28 май 2015, 06:51
- Двигатель:: 4m41 cp2884
- Мой автомобиль(и):: Mitsubishi padjero 3д
- Откуда: волжский
- Откуда: волжский волгоградская обл
- Благодарил (а): 1 раз
- Поблагодарили: 1 раз
Нужен чертёж поршней
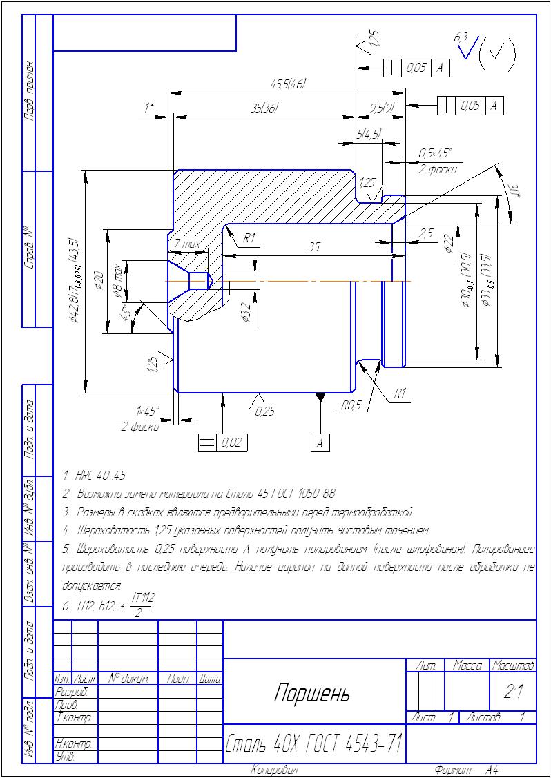
всем здравствовать! не у кого нет случайно чертежиков с размерами поршней суппортов и направляющих. хочется из нержавейки изготовить. мпс 2003 4д56. 
oxot
-
oxot
- Сообщения: 66
- Зарегистрирован: 28 май 2015, 06:51
- Двигатель:: 4m41 cp2884
- Мой автомобиль(и):: Mitsubishi padjero 3д
- Откуда: волжский
- Откуда: волжский волгоградская обл
- Благодарил (а): 1 раз
- Поблагодарили: 1 раз
Re: нужен четреж
не. вдруг рука дрогнет и ошибусь с размером. в волжском в наличии нет в магазинах.а переть в волгоград в лом. да и где искать то в волгограде?хзtachanka писал(а):А зайти в магазин и померить не?
oxot
-
oxot
- Сообщения: 66
- Зарегистрирован: 28 май 2015, 06:51
- Двигатель:: 4m41 cp2884
- Мой автомобиль(и):: Mitsubishi padjero 3д
- Откуда: волжский
- Откуда: волжский волгоградская обл
- Благодарил (а): 1 раз
- Поблагодарили: 1 раз
Re: нужен четреж
ссылку бросьasferrum писал(а):их на форуме делают,по вполне приемлимым ценам.
oxot
- vla2620
- Сообщения: 696
- Зарегистрирован: 06 окт 2010, 10:05
- Двигатель:: 6G72 24v Бензин
- Мой автомобиль(и):: Mitsubishi Montero Sport 09.1999
- Откуда: Ствропльский кр.
- Откуда: Ставр.кр.
- Благодарил (а): 54 раза
- Поблагодарили: 36 раз
- mamont56
- Сообщения: 14854
- Зарегистрирован: 28 окт 2009, 23:36
- Двигатель:: 100 и еще лошадь
- Мой автомобиль(и):: TINO -ЕШТЩ
- Откуда: Н.Новгород
- Откуда: Нижний Новгород
- Благодарил (а): 239 раз
- Поблагодарили: 204 раза
Re: нужен четреж
дома гдето лежит на винте...ввечеру сброшу...
...мы, лентяи ,должны помогать друг другу ,иначе трудоголики захватят власть!...
- mamont56
- Сообщения: 14854
- Зарегистрирован: 28 окт 2009, 23:36
- Двигатель:: 100 и еще лошадь
- Мой автомобиль(и):: TINO -ЕШТЩ
- Откуда: Н.Новгород
- Откуда: Нижний Новгород
- Благодарил (а): 239 раз
- Поблагодарили: 204 раза
- KIRDYK
- Сообщения: 210
- Зарегистрирован: 20 ноя 2012, 22:37
- Двигатель:: 6G72 24
- Мой автомобиль(и):: MONTERO SPORT 3.0 AT 2000 part time продан
- Откуда: Кольский п-ов
- Благодарил (а): 9 раз
- Поблагодарили: 5 раз
Re: нужен четреж
ТС чертежи попросил,а его покупать отправляютasferrum писал(а):их на форуме делают,по вполне приемлимым ценам.
бодик 5см,cooper stt 285/75/16 8J ET 0,прямоток,Сиби megajet 650
- mamont56
- Сообщения: 14854
- Зарегистрирован: 28 окт 2009, 23:36
- Двигатель:: 100 и еще лошадь
- Мой автомобиль(и):: TINO -ЕШТЩ
- Откуда: Н.Новгород
- Откуда: Нижний Новгород
- Благодарил (а): 239 раз
- Поблагодарили: 204 раза
Re: нужен четреж
это на П2...
хз как там они - взаимозаменяемы или нет....
...мы, лентяи ,должны помогать друг другу ,иначе трудоголики захватят власть!...
- Chumahod
- Сообщения: 12634
- Зарегистрирован: 02 дек 2007, 21:56
- Двигатель:: 6G72
- Мой автомобиль(и):: Pajero Sport 2000г
- Откуда: МСК
- Откуда: Москва, ЮВАО
- Благодарил (а): 777 раз
- Поблагодарили: 765 раз
Re: нужен четреж
Если передние - то да!))mamont56 писал(а):не посмотрел, что МПС....
![]()
это на П2...
хз как там они - взаимозаменяемы или нет....
"Есть люди которые помнят добро, а есть все остальные." (с)
МКПП, 380ткм (пробег по н/в), Venom Power Terra Hunter X/T 265/70-16, подвеска ОМЕ, демпфер Proсomp, диодный рабочий свет по кругу, защита, пороги и ещё куча вкусных ништяков на машинке:)
МКПП, 380ткм (пробег по н/в), Venom Power Terra Hunter X/T 265/70-16, подвеска ОМЕ, демпфер Proсomp, диодный рабочий свет по кругу, защита, пороги и ещё куча вкусных ништяков на машинке:)
-
oxot
- Сообщения: 66
- Зарегистрирован: 28 май 2015, 06:51
- Двигатель:: 4m41 cp2884
- Мой автомобиль(и):: Mitsubishi padjero 3д
- Откуда: волжский
- Откуда: волжский волгоградская обл
- Благодарил (а): 1 раз
- Поблагодарили: 1 раз
Re: нужен четреж
на днях буду разбирать суппорт задний.сверюсь с размерами,но кажется что от мп2 не прокатит.сообщу потом. чертежик грамотный.респект и уважуха

oxot
-
oxot
- Сообщения: 66
- Зарегистрирован: 28 май 2015, 06:51
- Двигатель:: 4m41 cp2884
- Мой автомобиль(и):: Mitsubishi padjero 3д
- Откуда: волжский
- Откуда: волжский волгоградская обл
- Благодарил (а): 1 раз
- Поблагодарили: 1 раз
Re: нужен четреж
где ж по 300? по 1300 за одинKIRDYK писал(а):ТС чертежи попросил,а его покупать отправляютasferrum писал(а):их на форуме делают,по вполне приемлимым ценам..По приемлимым ценам это 300р за поршень без пересыла,вот это приемлимая цена.Остальное от лукавого и барыг
oxot
- KIRDYK
- Сообщения: 210
- Зарегистрирован: 20 ноя 2012, 22:37
- Двигатель:: 6G72 24
- Мой автомобиль(и):: MONTERO SPORT 3.0 AT 2000 part time продан
- Откуда: Кольский п-ов
- Благодарил (а): 9 раз
- Поблагодарили: 5 раз
Re: нужен четреж
А вы попробуйте токаря поискать).За что там 1300)),один поршень точится за 40 минут максимум если без посредников.oxot писал(а):где ж по 300? по 1300 за одинKIRDYK писал(а):ТС чертежи попросил,а его покупать отправляютasferrum писал(а):их на форуме делают,по вполне приемлимым ценам..По приемлимым ценам это 300р за поршень без пересыла,вот это приемлимая цена.Остальное от лукавого и барыг
![]()
бодик 5см,cooper stt 285/75/16 8J ET 0,прямоток,Сиби megajet 650
-
a.l.i.
- Сообщения: 730
- Зарегистрирован: 18 ноя 2009, 21:09
- Откуда: Украина,Киев
- Благодарил (а): 1 раз
- Поблагодарили: 28 раз
Re: Нужен чертёж поршней
В набор на два задних тормозных суппорта МПС делается:
1) Поршень MR307395- 2шт. ;
2) Направляющая втулка суппорта верхняя MR307399 -2шт. ;
3) Направляющая втулка суппорта нижняя MR307398 -2шт. ;
4) Направляющая-держатель тормозной колодки (штырек) MR307405 — 4шт.
В моем бортовом журнале все написано , вот ссылка https://www.drive2.ru/l/6796882/
1) Поршень MR307395- 2шт. ;
2) Направляющая втулка суппорта верхняя MR307399 -2шт. ;
3) Направляющая втулка суппорта нижняя MR307398 -2шт. ;
4) Направляющая-держатель тормозной колодки (штырек) MR307405 — 4шт.
В моем бортовом журнале все написано , вот ссылка https://www.drive2.ru/l/6796882/
A.L.I. Киев,Паджеро Спорт 2.5TD, 4D56.
Б.Ж.моего МПС, надежного Parussnika https://www.drive2.ru/r/mitsubishi/1225801/
Б.Ж.моего МПС, надежного Parussnika https://www.drive2.ru/r/mitsubishi/1225801/
- Nbf
- Дикий Админ
- Сообщения: 27321
- Зарегистрирован: 30 авг 2006, 17:58
- Двигатель:: 4D56t,
- Мой автомобиль(и):: L200'Беззубик Citroen'Мария
- Откуда: из тех ворот, что и весь народ
- Откуда: Ст.Купавна, Балашиха-1
- Благодарил (а): 1076 раз
- Поблагодарили: 1419 раз
- Контактная информация:
Re: нужен четреж
То есть 300 рублей нормальная цена за 40 минут работы и материал? Или болванка ворованная, а токарь чисто на опохмел сшибает?KIRDYK писал(а): А вы попробуйте токаря поискать).За что там 1300)),один поршень точится за 40 минут максимум если без посредников.
Павел.
Терпение и труд - мне не идут!
______________
L-200, '08, SS, АКПП, 4D56t, MT 285/75/16, EW-12000.
тел. (Ч95)6Ч2ЗО92
Юридические услуги http://www.expertcity.ru
Группа Паджеро в ТГ: https://t.me/pajeroclubru
Группа Паджеро в VK: https://vk.com/pajerorussia
Терпение и труд - мне не идут!
______________
L-200, '08, SS, АКПП, 4D56t, MT 285/75/16, EW-12000.
тел. (Ч95)6Ч2ЗО92
Юридические услуги http://www.expertcity.ru
Группа Паджеро в ТГ: https://t.me/pajeroclubru
Группа Паджеро в VK: https://vk.com/pajerorussia
- vla2620
- Сообщения: 696
- Зарегистрирован: 06 окт 2010, 10:05
- Двигатель:: 6G72 24v Бензин
- Мой автомобиль(и):: Mitsubishi Montero Sport 09.1999
- Откуда: Ствропльский кр.
- Откуда: Ставр.кр.
- Благодарил (а): 54 раза
- Поблагодарили: 36 раз
Re: Нужен чертёж поршней
300р в час, 2400 за 8 часовую смену, полтинник в месяц. Может в Москве это только на опохмел. А по стране далеко не все так зарабатывают.
ММС 99г. 6G72 24v; АКПП; RI-500
- Nbf
- Дикий Админ
- Сообщения: 27321
- Зарегистрирован: 30 авг 2006, 17:58
- Двигатель:: 4D56t,
- Мой автомобиль(и):: L200'Беззубик Citroen'Мария
- Откуда: из тех ворот, что и весь народ
- Откуда: Ст.Купавна, Балашиха-1
- Благодарил (а): 1076 раз
- Поблагодарили: 1419 раз
- Контактная информация:
Re: Нужен чертёж поршней
А он только и точит поршни, только точит и точит...vla2620 писал(а):300р в час, 2400 за 8 часовую смену, полтинник в месяц. Может в Москве это только на опохмел. А по стране далеко не все так зарабатывают.
Блин, да ему такой заказ хорошо если раз в месяц принесут, на что ему жить то с такими расценками?
Павел.
Терпение и труд - мне не идут!
______________
L-200, '08, SS, АКПП, 4D56t, MT 285/75/16, EW-12000.
тел. (Ч95)6Ч2ЗО92
Юридические услуги http://www.expertcity.ru
Группа Паджеро в ТГ: https://t.me/pajeroclubru
Группа Паджеро в VK: https://vk.com/pajerorussia
Терпение и труд - мне не идут!
______________
L-200, '08, SS, АКПП, 4D56t, MT 285/75/16, EW-12000.
тел. (Ч95)6Ч2ЗО92
Юридические услуги http://www.expertcity.ru
Группа Паджеро в ТГ: https://t.me/pajeroclubru
Группа Паджеро в VK: https://vk.com/pajerorussia
