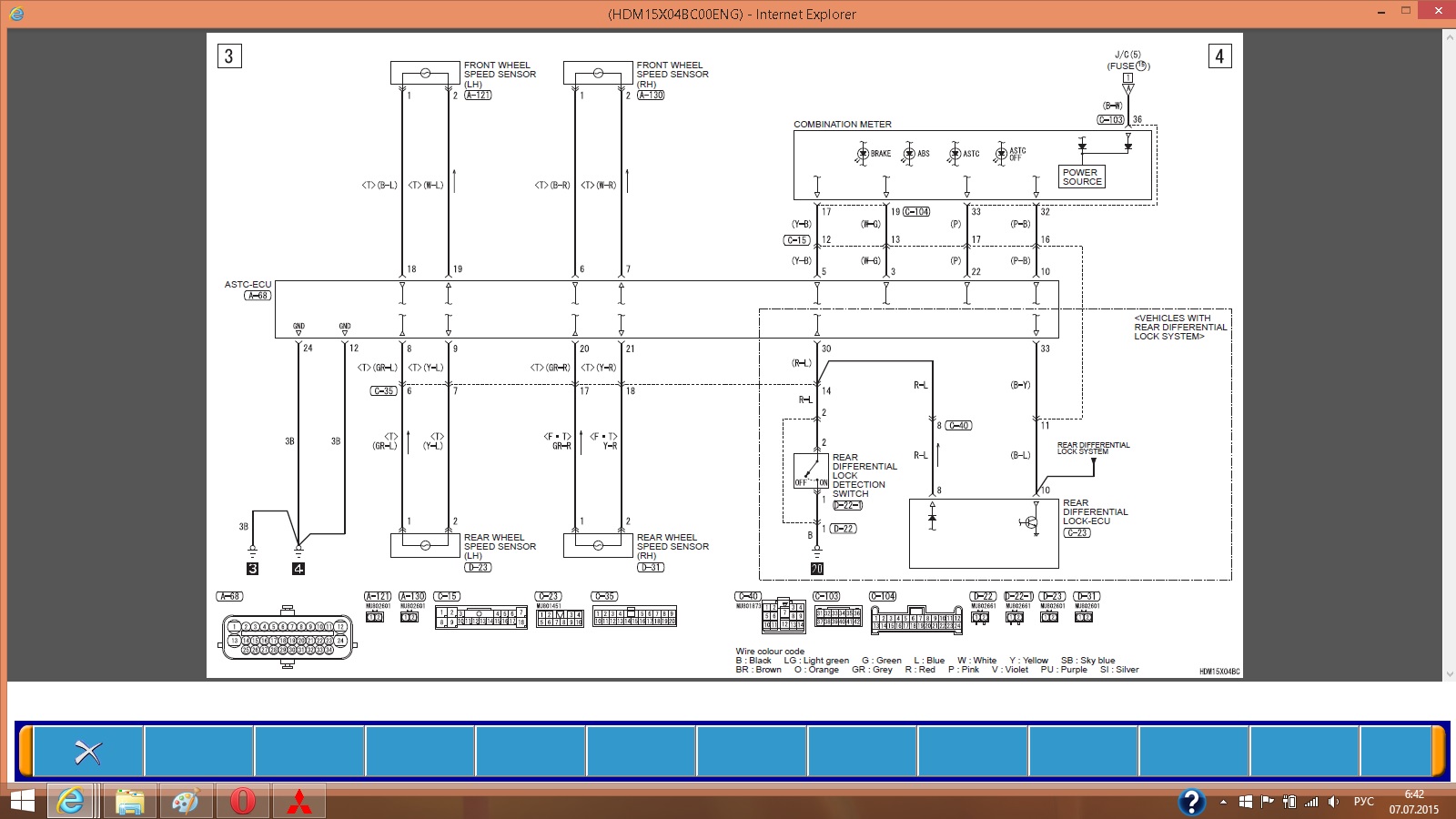
Собственно вопрос в названии темы. После первого более менее серьезного буксования в грязи(без фанатизма-но приходилось все время лебедиться: 3 раза) система курсовой устойчивости ASTC перестала отключаться от кнопки в салоне. Все условия конечно соблюдаются при попытках отключить. Система отключается в автомате при включении блока заднего дифа.
ОД зовет к себе, ехать 250 км пока не было случая заехать. Есть ли вариант проверить самому что где. Или перед бездором какой нибудь предохранитель вынимать, чтоб отключить систему, а то она так надрывается в заносах на грязи, аж сердце кровью обливается
