я понял как соеденить с папкой лямбду-лямбда бош-2 белых к двум черным папы,СЕРЫЙ -> ЗЕЛЕНЫЙ
ЧЕРНЫЙ -> ЖЕЛТЫЙ,а вот как узнать как должны совпадать они с проводами мамки?там два черных,красный,белый.Я думал что черные точно должны совпадать,но полазив по форуму,уже в этом сомневаюсь.
Нужна помощь в подключении лямбды.
Модераторы: SNOOPER, Nbf, Romik, BAlex
- Mr.Maddog
- Сообщения: 1663
- Зарегистрирован: 14 июн 2009, 03:37
- Двигатель:: 6G72 12, 5VZ.
- Мой автомобиль(и):: Pajero 2,был. Prado 120 был.
- Откуда: Якутия
- Благодарил (а): 70 раз
- Поблагодарили: 6 раз
- Контактная информация:
Нужна помощь в подключении лямбды.
93 год рождения, 3 л ,E-V43W акп-V4AW2.31х10,5х15,кома 9000,пружины сафарёвские,нелинейный бодик+6... Строимся потихой. Продан,но скоро куплю обязательно митсубиси...
- Mr.Maddog
- Сообщения: 1663
- Зарегистрирован: 14 июн 2009, 03:37
- Двигатель:: 6G72 12, 5VZ.
- Мой автомобиль(и):: Pajero 2,был. Prado 120 был.
- Откуда: Якутия
- Благодарил (а): 70 раз
- Поблагодарили: 6 раз
- Контактная информация:
Re: Нужна помощь в подключении лямбды.
помогите а,нету в поиске по моим цветам ничего.
93 год рождения, 3 л ,E-V43W акп-V4AW2.31х10,5х15,кома 9000,пружины сафарёвские,нелинейный бодик+6... Строимся потихой. Продан,но скоро куплю обязательно митсубиси...
- Fakir
- Технический Комиссар
- Сообщения: 3034
- Зарегистрирован: 04 окт 2007, 00:51
- Двигатель:: 6G72 24V
- Мой автомобиль(и):: К96 '07
- Откуда: СВАО
- Откуда: Москва
- Благодарил (а): 74 раза
- Поблагодарили: 214 раз
Re: Нужна помощь в подключении лямбды.
Давай пока так. Там должны быть два провода 0,5кв.мм и два 0,85кв.мм. Которые толще - подогрев, тоньше - сигнал. Подогрев - пофигу, можно путать между собой. Те, что тоньше - какие цвета?
L144G '89 - был,
K96 '07 - внедорожный турист.
Безвыходных ситуаций не бывает!
8(903)7381043
K96 '07 - внедорожный турист.
Безвыходных ситуаций не бывает!
8(903)7381043
- Mr.Maddog
- Сообщения: 1663
- Зарегистрирован: 14 июн 2009, 03:37
- Двигатель:: 6G72 12, 5VZ.
- Мой автомобиль(и):: Pajero 2,был. Prado 120 был.
- Откуда: Якутия
- Благодарил (а): 70 раз
- Поблагодарили: 6 раз
- Контактная информация:
Re: Нужна помощь в подключении лямбды.
пойду в гараж посмотрю,но визуально как я помню они одинаковые...
93 год рождения, 3 л ,E-V43W акп-V4AW2.31х10,5х15,кома 9000,пружины сафарёвские,нелинейный бодик+6... Строимся потихой. Продан,но скоро куплю обязательно митсубиси...
- Mr.Maddog
- Сообщения: 1663
- Зарегистрирован: 14 июн 2009, 03:37
- Двигатель:: 6G72 12, 5VZ.
- Мой автомобиль(и):: Pajero 2,был. Prado 120 был.
- Откуда: Якутия
- Благодарил (а): 70 раз
- Поблагодарили: 6 раз
- Контактная информация:
Re: Нужна помощь в подключении лямбды.
они одинаковые.И один черный оказывается с синей полоской.я нашел распиновку самой лямбды-
Чёрный - выходной сигнал датчика
Серый - земля сигнала датчика
Белый - нагревательный элемент
Белый - нагревательный элемент
Как их присобачить к этим- красный,белый,черный,черный с синей.
Чёрный - выходной сигнал датчика
Серый - земля сигнала датчика
Белый - нагревательный элемент
Белый - нагревательный элемент
Как их присобачить к этим- красный,белый,черный,черный с синей.
93 год рождения, 3 л ,E-V43W акп-V4AW2.31х10,5х15,кома 9000,пружины сафарёвские,нелинейный бодик+6... Строимся потихой. Продан,но скоро куплю обязательно митсубиси...
- vdpr
- Сообщения: 107
- Зарегистрирован: 24 окт 2013, 10:29
- Двигатель:: 6G74 MPI, бензин
- Мой автомобиль(и):: PAJERO II 1997гв левый руль
- Откуда: Новосибирск
- Поблагодарили: 23 раза
Re: Нужна помощь в подключении лямбды.
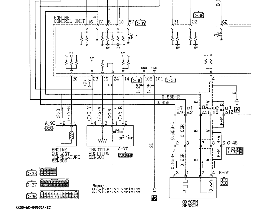
Посмотреть на схемуMr.Maddog писал(а):Как их присобачить
http://pdf.pajero4x4.ru/2008/Pajero-Mon ... WIRING.pdf
стр 577,
где
W - белый - выходной сигнал дачтика (сечение провода 0,5мм2)
B - черный - земля сигнала датчика (сечение провода 0,5мм2)
0.85R - красный - нагревательный элемент (сечение провода 0,85мм2)
0.85B-L - черный с синей полосой - нагревательный элемент (сечение провода 0,85мм2)
- PAJERO II, 1997, LONG, LHD, дорестайл, 6G74 DOHC MPI, VIN JMB0RV450VJ00063(dva)
- Москвич 214122 УЗАМ 1994 гв
- Москвич 214122 УЗАМ 1994 гв
