Внимание!
Тормозная жидкость: DOT 3 или DOT 4
Всегда используйте указанную тормозную жидкость. Избегайте использования смеси указанных тормозных жидкостей и другие жидкости.
Поддерживайте уровень жидкости в бачке между отметками min и Max во время удаления воздуха.
Не нажимайте резко педаль тормоза во время удаления воздуха (обычной прокачки воздуха), чтобы предотвратить частое срабатывание насоса.
После прокачки воздуха, убедитесь, что педаль не стала жестче.
Если педаль нажата при снятой крышке бачка, уровень тормозной жидкости может увеличиться. Не нажимайте педаль тормоза, при добавлении жидкости.
Обычная прокачка.
Если при снятии/отсоединении передних или задних суппортов в расширительном бачке присутствовала тормозная жидкость, то достаточно прокачать только тормозные суппорта.
Прокачка системы гидравлического усилителя тормозов (HBB).
1. Прокачайте переднюю тормозную систему.
1.1 Поверните ключ зажигания в положение LOCK (OFF). Удалите воздух из передних суппортов.
2. Включите насос тормозной системы.
2.1 Поверните ключ зажигания в положение ON, начнёт работать насос тормозной системы. Нажмите на педаль тормоза три – четыре раза.
3. Удалите воздух из гидроаккумулятора.
3.1 После остановки насоса нажмите педаль тормоза три - четыре раза при ключе зажигания в положении ON. Проверьте тормозную жидкость в расширительном бачке. Тормозная жидкость должна быть прозрачной, без пузырьков воздуха.
3.2 Если в тормозной жидкости есть мелкие пузырьки воздуха (жидкость выглядит мутноватой) дайте ей отстояться несколько минут, пока она не станет прозрачной. Повторите шаг 3.1
4. Прокачайте заднюю тормозную систему
Внимание!
• Избегайте критического падения давления в системе, не сливайте за раз более 100см3 жидкости. Убедитесь, что после слива насос накачал жидкость и остановился.
• Всегда поддерживайте уровень тормозной жидкости между отметками min и Max.
При ключе зажигания в положении ON, нажмите на педаль тормоза и удалите воздух из задних суппортов
5. Прокачайте систему питания гидроусилителя.
5.1 Поверните ключ зажигания в положение LOCK (OFF). Сбросьте давление в системе питания гидроусилителя путем нажатия на педаль тормоза несколько раз до тех пор, пока усилие на педали не возрастёт
5.2 Поверните ключ зажигания в положение ON, затем быстро раз двадцать нажмите на педаль тормоза. Дождитесь, пока насос накачает жидкость и остановится.
5.3 Поверните ключ зажигания в положение LOCK (OFF). Сбросьте давление в системе питания гидроусилителя путем нажатия на педаль тормоза несколько раз до тех пор, пока усилие на педали не возрастёт
5.4 Поверните ключ зажигания в положение ON. Дождитесь, пока насос накачает жидкость и остановится (в течение 25 сек.). Если насос работает более 25сек. повторите шаги 5.1-5.4
6. Прокачайте систему ABS.
Внимание!
Подсоединяйте диагностический компьютер M.U.T.-III только при выключенном зажигании.
6.1 Поверните ключ зажигания в положение LOCK (OFF) и подсоедините M.U.T.-III к диагностическому разьёму.
6.2 Поверните ключ зажигания в положение ON. Выберите в меню M.U.T.-III в системе ’’ABS/ASC’’ в разделе ’’ACTUATOR TEST’’ пункт ’’AIR BLEEDING (1)’’
6.3 При включенном зажигании нажмите педаль тормоза и запустите тест ’’AIR BLEEDING (1)’’
Внимание!
При необходимости повторного запуска теста ’’AIR BLEEDING (1)’’ необходимо сделать паузу 20сек.
6.4 При включенном зажигании нажмите педаль тормоза и запустите тест ’’AIR BLEEDING (2)’’
7. Повторно прокачайте заднюю тормозную систему аналогично пункту 4.
8. Повторно прокачайте переднюю тормозную систему при включенном зажигании.
9. Добавьте тормозную жидкость в расширительный бачок.
9.1 Поверните ключ зажигания в положение LOCK (OFF). Сбросьте давление в системе питания гидроусилителя путем нажатия на педаль тормоза не менее 40 раз до тех пор, пока усилие на педали не возрастёт.
9.2 Добавьте тормозную жидкость до метки Max на бачке.
Тормозная жидкость: DOT 3 или DOT 4
Всегда используйте указанную тормозную жидкость. Избегайте использования смеси указанных тормозных жидкостей и другие жидкости.
Поддерживайте уровень жидкости в бачке между отметками min и Max во время удаления воздуха.
Не нажимайте резко педаль тормоза во время удаления воздуха (обычной прокачки воздуха), чтобы предотвратить частое срабатывание насоса.
После прокачки воздуха, убедитесь, что педаль не стала жестче.
Если педаль нажата при снятой крышке бачка, уровень тормозной жидкости может увеличиться. Не нажимайте педаль тормоза, при добавлении жидкости.
Обычная прокачка.
Если при снятии/отсоединении передних или задних суппортов в расширительном бачке присутствовала тормозная жидкость, то достаточно прокачать только тормозные суппорта.
Прокачка системы гидравлического усилителя тормозов (HBB).
1. Прокачайте переднюю тормозную систему.
1.1 Поверните ключ зажигания в положение LOCK (OFF). Удалите воздух из передних суппортов.
2. Включите насос тормозной системы.
2.1 Поверните ключ зажигания в положение ON, начнёт работать насос тормозной системы. Нажмите на педаль тормоза три – четыре раза.
3. Удалите воздух из гидроаккумулятора.
3.1 После остановки насоса нажмите педаль тормоза три - четыре раза при ключе зажигания в положении ON. Проверьте тормозную жидкость в расширительном бачке. Тормозная жидкость должна быть прозрачной, без пузырьков воздуха.
3.2 Если в тормозной жидкости есть мелкие пузырьки воздуха (жидкость выглядит мутноватой) дайте ей отстояться несколько минут, пока она не станет прозрачной. Повторите шаг 3.1
4. Прокачайте заднюю тормозную систему
Внимание!
• Избегайте критического падения давления в системе, не сливайте за раз более 100см3 жидкости. Убедитесь, что после слива насос накачал жидкость и остановился.
• Всегда поддерживайте уровень тормозной жидкости между отметками min и Max.
При ключе зажигания в положении ON, нажмите на педаль тормоза и удалите воздух из задних суппортов
5. Прокачайте систему питания гидроусилителя.
5.1 Поверните ключ зажигания в положение LOCK (OFF). Сбросьте давление в системе питания гидроусилителя путем нажатия на педаль тормоза несколько раз до тех пор, пока усилие на педали не возрастёт
5.2 Поверните ключ зажигания в положение ON, затем быстро раз двадцать нажмите на педаль тормоза. Дождитесь, пока насос накачает жидкость и остановится.
5.3 Поверните ключ зажигания в положение LOCK (OFF). Сбросьте давление в системе питания гидроусилителя путем нажатия на педаль тормоза несколько раз до тех пор, пока усилие на педали не возрастёт
5.4 Поверните ключ зажигания в положение ON. Дождитесь, пока насос накачает жидкость и остановится (в течение 25 сек.). Если насос работает более 25сек. повторите шаги 5.1-5.4
6. Прокачайте систему ABS.
Внимание!
Подсоединяйте диагностический компьютер M.U.T.-III только при выключенном зажигании.
6.1 Поверните ключ зажигания в положение LOCK (OFF) и подсоедините M.U.T.-III к диагностическому разьёму.
6.2 Поверните ключ зажигания в положение ON. Выберите в меню M.U.T.-III в системе ’’ABS/ASC’’ в разделе ’’ACTUATOR TEST’’ пункт ’’AIR BLEEDING (1)’’
6.3 При включенном зажигании нажмите педаль тормоза и запустите тест ’’AIR BLEEDING (1)’’
Внимание!
При необходимости повторного запуска теста ’’AIR BLEEDING (1)’’ необходимо сделать паузу 20сек.
6.4 При включенном зажигании нажмите педаль тормоза и запустите тест ’’AIR BLEEDING (2)’’
7. Повторно прокачайте заднюю тормозную систему аналогично пункту 4.
8. Повторно прокачайте переднюю тормозную систему при включенном зажигании.
9. Добавьте тормозную жидкость в расширительный бачок.
9.1 Поверните ключ зажигания в положение LOCK (OFF). Сбросьте давление в системе питания гидроусилителя путем нажатия на педаль тормоза не менее 40 раз до тех пор, пока усилие на педали не возрастёт.
9.2 Добавьте тормозную жидкость до метки Max на бачке.
- HBB1.png (6.69 КБ) 5570 просмотров
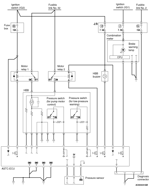
Отсоединить разъемы, замерить сопротивление между контактами
№ контактов .......... сопротивление, Ом
2-7 .......... 10 или меньше
2-8 .......... около 33
2-31 .......... менее 2
4-6 .......... около 33
4-32 ......... около 33
6-7 ......... менее 2
6-32 .......... менее 2
7-32 .......... менее 2
8-31 .......... около 33
31-32 .......... 10 или меньше
Проверка датчика включения насоса
При выключенном зажигании нажать на педаль тормоза около 40 раз, чтобы стравить давление из усилителя тормозов.
Отсоединить разъем и замерить сопротивление между контактами 33-35 (около 1кОм).
Подсоединить разъем, включить зажигание, дождаться когда насос перестанет качать.
Выключить зажигание, отсоединить разъем и замерить сопротивление между контактами 33-35 (менее 2 Ом)
Проверка аварийного датчика давления
При выключенном зажигании нажать на педаль тормоза около 40 раз, чтобы стравить давление из усилителя тормозов.
Отсоединить разъем и замерить сопротивление между контактами 1-5 (около 5,7 кОм)
Включить зажигание, дождаться когда насос перестанет качать.
Замерить сопротивление между контактами 1-5 (около 1 кОм).
Подсоединить разъем.
Удалить коды неисправности HBB.
- HBB3.png (11.38 КБ) 5559 просмотров
