TRT "107-108" Для стандарта и не только! (4.04.2026) Форум Обсуждение FAQ
Блокировка гидротрансформатора АКПП
Модераторы: SNOOPER, Nbf, Romik, BAlex, drcham, алексей - Маленький Мук, ZILLA
- dr.roosh
- Сообщения: 25
- Зарегистрирован: 21 фев 2011, 12:09
- Двигатель:: 6G74
- Мой автомобиль(и):: Pajero II
Блокировка гидротрансформатора АКПП
Всем привет!
Попалось интересное видео:
https://www.youtube.com/watch?v=0zemFlvdJJ0
Кто понял, что включает чувак, чтобы уменьшить температуру масла и что здесь понимается под блокировкой гидротрансформатора? Это какая-то стандартная кнопка или доработанная приблуда?
Попалось интересное видео:
https://www.youtube.com/watch?v=0zemFlvdJJ0
Кто понял, что включает чувак, чтобы уменьшить температуру масла и что здесь понимается под блокировкой гидротрансформатора? Это какая-то стандартная кнопка или доработанная приблуда?
-
moonbeast
- Сообщения: 394
- Зарегистрирован: 15 май 2009, 19:38
- Двигатель:: 6G74 GDI
- Мой автомобиль(и):: Pajero 3
- Откуда: Владивосток
- Откуда: Vladivostok
- Поблагодарили: 17 раз
Re: Блокировка гидротрансформатора АКПП
Судя по всему человек управляет электрическим соленоидом блокировки гидротрансформатора, который в свою очередь управляет клапаном блокировки гидротрансформатора. Обычно электрический клапан срабатывает когда у автомобиля достаточно высокая скорость движения для того что повысить КПД трансмиссии. Ну в данном конкретном случае хозяин автомобиля в ручную управляет блокировкой, подключая + на соленоид.
- hc2hunter
- Сообщения: 7271
- Зарегистрирован: 03 фев 2013, 14:29
- Двигатель:: 6G74 MPI
- Мой автомобиль(и):: Montero 3 Limited, 2001
- Откуда: Смоленск
- Благодарил (а): 484 раза
- Поблагодарили: 466 раз
Re: Блокировка гидротрансформатора АКПП
в смысле у чувака просто в салон выведена кнопка, размыкающая цепь управления 21-ым соленоидом?moonbeast писал(а):Если схемы посмотриш разберешся
Montero 3 LTD 2001, 3.5 6G74 MPI, АКПП v5a51
- Как показала практика — для начала неплохо было бы ознакомиться с теорией (с)
- Как показала практика — для начала неплохо было бы ознакомиться с теорией (с)
-
moonbeast
- Сообщения: 394
- Зарегистрирован: 15 май 2009, 19:38
- Двигатель:: 6G74 GDI
- Мой автомобиль(и):: Pajero 3
- Откуда: Владивосток
- Откуда: Vladivostok
- Поблагодарили: 17 раз
Re: Блокировка гидротрансформатора АКПП
Ну не гидравлику же он в салон тянул. А пучок проводов в любом случае идет от трансмиссии в салон, чего проще посмотреть разводку, поставить тумблер с плюсом или минусом (не помню чем управляется соленоид) и блокируй гидротрансформатор не хочу. Другое дело, а как не хватит давления создаваемого трансмиссионной жидкости для того что б поршень с накладкой фрикционной, внутри гидротрансформатора нормально прижался к корпусу самого гидротрансформатора (вдруг обороты двигателя небольшие) весь фрикционный материал сгорит на поршне и усе, пишите письма. Судя по тому как на видео быстро по бездорожью мчиться оператор, он это понимает. Ну а с приборм для измерения температуры совсем все просто, благо температурный датчик внутри АКПП изначально установлен.
- hc2hunter
- Сообщения: 7271
- Зарегистрирован: 03 фев 2013, 14:29
- Двигатель:: 6G74 MPI
- Мой автомобиль(и):: Montero 3 Limited, 2001
- Откуда: Смоленск
- Благодарил (а): 484 раза
- Поблагодарили: 466 раз
Re: Блокировка гидротрансформатора АКПП
эм... тут слегка не понял...moonbeast писал(а):Другое дело, а как не хватит давления создаваемого трансмиссионной жидкости для того что б поршень с накладкой фрикционной, внутри гидротрансформатора нормально прижался к корпусу самого гидротрансформатора (вдруг обороты двигателя небольшие) весь фрикционный материал сгорит на поршне и усе, пишите письма.
ну не хватит давления и что? будет проскальзывание - вещь довольно распространенная в АКПП.
но сцепение-то "мокрое". обычно ничего не сгорает вроде...
Montero 3 LTD 2001, 3.5 6G74 MPI, АКПП v5a51
- Как показала практика — для начала неплохо было бы ознакомиться с теорией (с)
- Как показала практика — для начала неплохо было бы ознакомиться с теорией (с)
-
moonbeast
- Сообщения: 394
- Зарегистрирован: 15 май 2009, 19:38
- Двигатель:: 6G74 GDI
- Мой автомобиль(и):: Pajero 3
- Откуда: Владивосток
- Откуда: Vladivostok
- Поблагодарили: 17 раз
Re: Блокировка гидротрансформатора АКПП
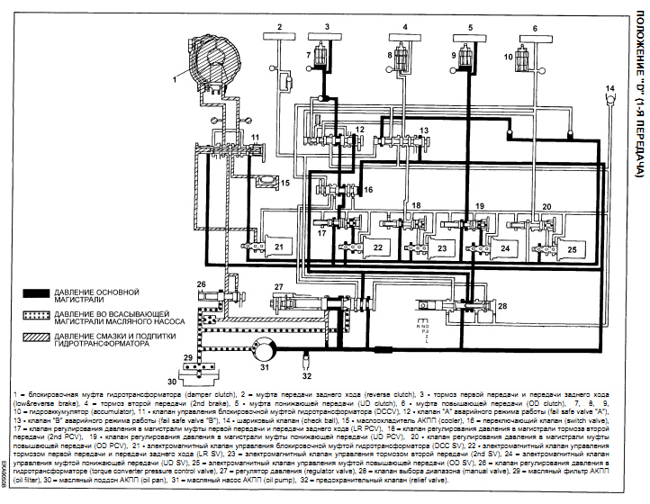
Внутри гидротрансформатора при определенном давлении АТФ турбинное колесо которое состоит в зацеплении с поршнем блокируется на внутреннюю часть корпуса гидротрансформатора. В том случае если разность давлений между включением блокировки гидротрансформатора и выключением блокировки гидротрансформатора очень мала то поршень блокировки гидротрансформатора может не до конца блокироваться и проскальзывать, фрикционная накладка при этом истераеться об внутреннюю часть гидротрансформатора и фрикционная пыль забивает фильтр на входе в гидроблок. По этому очень важно что бы давление в системе при блокировке гидротрансформатора было достаточным. При тесте вообще написано что обороты двигателя должны быть 2500, для достаточно давления для блокировки, правда где то встречал информацию что блокировка возможна при более низких оборотах двигателя от 1700.
- hc2hunter
- Сообщения: 7271
- Зарегистрирован: 03 фев 2013, 14:29
- Двигатель:: 6G74 MPI
- Мой автомобиль(и):: Montero 3 Limited, 2001
- Откуда: Смоленск
- Благодарил (а): 484 раза
- Поблагодарили: 466 раз
Re: Блокировка гидротрансформатора АКПП
тут я не знаю, есть ли зависимость от оборотов...
судя по схеме блокировкой заведует соленоид. чисто теоретически его срабатывание неминуемо ведет к блокировке, и с инженерной точки зрения должно бы хватать и минимального давления в магистрали.
вот у вас Pajero-3, и коробка видимо V5A5*. у них блокировка гидротранса работает вообще только на 4-5 передачах и разрешается только после прогрева масла до рабочей температуры в 70-80 градусов.
сам я тоже наблюдал поведение машины на трассе. плавно разгоняемая... когда происходит переход на 4 передачу, то после выравнивания тягового усилия оборооты опускаются примерно на 100-150. произошла блокировка. все. если оставаться на 4 передаче уже никаких эффектов не будет на любых оборотах. гт заблокирован. и разблокируется только если коробка решит переключаться выше или ниже.
судя по схеме блокировкой заведует соленоид. чисто теоретически его срабатывание неминуемо ведет к блокировке, и с инженерной точки зрения должно бы хватать и минимального давления в магистрали.
вот у вас Pajero-3, и коробка видимо V5A5*. у них блокировка гидротранса работает вообще только на 4-5 передачах и разрешается только после прогрева масла до рабочей температуры в 70-80 градусов.
сам я тоже наблюдал поведение машины на трассе. плавно разгоняемая... когда происходит переход на 4 передачу, то после выравнивания тягового усилия оборооты опускаются примерно на 100-150. произошла блокировка. все. если оставаться на 4 передаче уже никаких эффектов не будет на любых оборотах. гт заблокирован. и разблокируется только если коробка решит переключаться выше или ниже.
Montero 3 LTD 2001, 3.5 6G74 MPI, АКПП v5a51
- Как показала практика — для начала неплохо было бы ознакомиться с теорией (с)
- Как показала практика — для начала неплохо было бы ознакомиться с теорией (с)
-
moonbeast
- Сообщения: 394
- Зарегистрирован: 15 май 2009, 19:38
- Двигатель:: 6G74 GDI
- Мой автомобиль(и):: Pajero 3
- Откуда: Владивосток
- Откуда: Vladivostok
- Поблагодарили: 17 раз
Re: Блокировка гидротрансформатора АКПП
Почти согласен, при достижении критических оборотов двигателя ну допустим1500, автомат переключиться на пониженную, но только сначала разблокируется гидротрансформатор и турбинное колесо будет свободно вращаться (этакий вариант выжатого сцепления) а иначе как передача включиться. А вот разблокировка гидротрансформатора напрямую зависит от снижения давления жидкости в системе и как следствие оборотов двигателя.
-
Лека377
- Сообщения: 61
- Зарегистрирован: 31 янв 2018, 22:51
- Двигатель:: Бензин
- Мой автомобиль(и):: Паджеро 2
- Откуда: Ярославль
- Благодарил (а): 1 раз
Блокировка гидротрансформатора АКПП
Всем привет! акпп 03-72L с 6G72. Гидротрансформатор не блокируется. С чего начать смотреть?
mitsubishi pajero II, 1997, Араб, 3,0, 6G72 12 клапанов, АКПП 03-72L
- Passim
- Сообщения: 325
- Зарегистрирован: 23 авг 2010, 14:28
- Двигатель:: 4D56
- Мой автомобиль(и):: Mitsubishi Pajero 1993 г.
- Откуда: Казахстан, Шымкент
- Благодарил (а): 19 раз
- Поблагодарили: 10 раз
Блокировка гидротрансформатора АКПП
На drive2 есть много статей на эту тему, вот к примеру одна "Блокировка ГТ или из автомата в механику"dr.roosh писал(а): ↑23 май 2016, 10:17 Всем привет!
Попалось интересное видео:
https://www.youtube.com/watch?v=0zemFlvdJJ0
Кто понял, что включает чувак, чтобы уменьшить температуру масла и что здесь понимается под блокировкой гидротрансформатора? Это какая-то стандартная кнопка или доработанная приблуда?
P-II '93 3dr, 4d56, АКПП, SS, правый руль, си-би, шноркель. Был со мной 8 лет, продан.
PAJERO IV 3.0 2007 г. араб.
PAJERO IV 3.0 2007 г. араб.
-
Лека377
- Сообщения: 61
- Зарегистрирован: 31 янв 2018, 22:51
- Двигатель:: Бензин
- Мой автомобиль(и):: Паджеро 2
- Откуда: Ярославль
- Благодарил (а): 1 раз
Блокировка гидротрансформатора АКПП
Там все о принудительно блокировке. Надо начинать с малого, только бы знать:регулировка тросика как то влияет на блокировку?
mitsubishi pajero II, 1997, Араб, 3,0, 6G72 12 клапанов, АКПП 03-72L
