габариты негорят
Модераторы: SNOOPER, Nbf, Romik, BAlex
-
тараныч
- Сообщения: 86
- Зарегистрирован: 31 окт 2012, 22:39
- Двигатель:: дизель
- Мой автомобиль(и):: другой
- Откуда: москва
габариты негорят
Я дико извиняюсь,но поиском я искал,читал ничено похожего ненашел.
нет управления на реле габаритов,где искать ,нужна схема от включателя до блока реле,потому что если перемкнуть то они горят,паджеро 2 коротыш 94 год пруль.желательно на руском и с цветом проводов,я так понял на выключатель приходит 4 провода красный,черный,зеленый и белый.на красном +всегда ,какой провод идет на габариты ,какой на фары?
нет управления на реле габаритов,где искать ,нужна схема от включателя до блока реле,потому что если перемкнуть то они горят,паджеро 2 коротыш 94 год пруль.желательно на руском и с цветом проводов,я так понял на выключатель приходит 4 провода красный,черный,зеленый и белый.на красном +всегда ,какой провод идет на габариты ,какой на фары?
- Captain Sergio
- Сообщения: 4557
- Зарегистрирован: 30 янв 2012, 22:01
- Двигатель:: 4G18
- Мой автомобиль(и):: Pajero Пинин, 1999, АКПП, BMW X5
- Откуда: Ульяновск
- Благодарил (а): 264 раза
- Поблагодарили: 346 раз
Re: габариты негорят
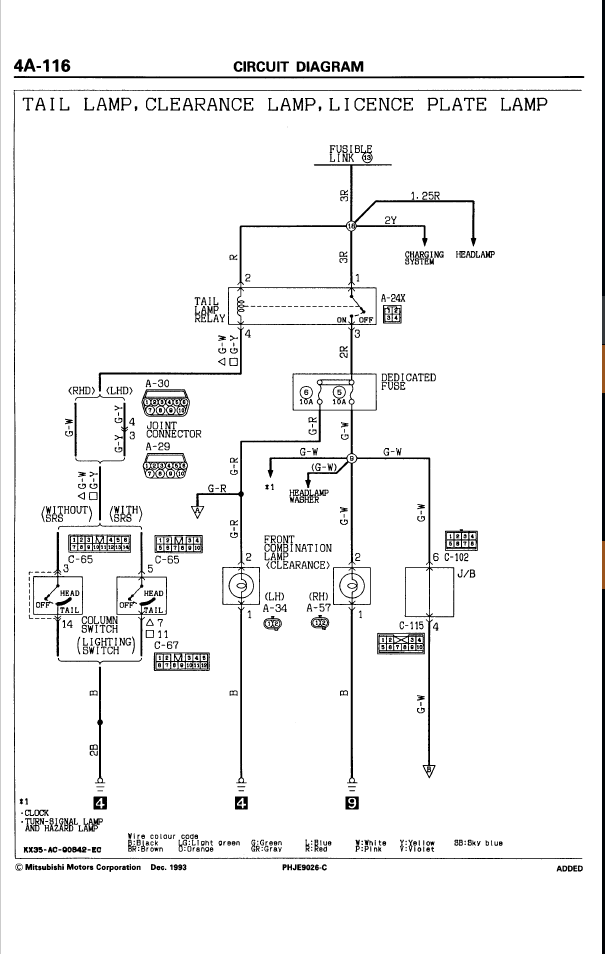
Лови схему. Цвета проводов приложил. Тебе нужно смотреть ветки где указано RHD (Правый руль). Вопрос про провода не понял. Что с чем Ты перемыкаешь тоже не понял. Поясни толком. Будут вопросы - пиши.тараныч писал(а):Я дико извиняюсь,но поиском я искал,читал ничено похожего ненашел.
нет управления на реле габаритов,где искать ,нужна схема от включателя до блока реле,потому что если перемкнуть то они горят,паджеро 2 коротыш 94 год пруль.желательно на руском и с цветом проводов,я так понял на выключатель приходит 4 провода красный,черный,зеленый и белый.на красном +всегда ,какой провод идет на габариты ,какой на фары?
Сергей. Все будет хорошо! Грязезащита для рамных автомобилей.
- Captain Sergio
- Сообщения: 4557
- Зарегистрирован: 30 янв 2012, 22:01
- Двигатель:: 4G18
- Мой автомобиль(и):: Pajero Пинин, 1999, АКПП, BMW X5
- Откуда: Ульяновск
- Благодарил (а): 264 раза
- Поблагодарили: 346 раз
Re: габариты негорят
Ну так реле попробуй поменять. Рядом такого же типа стоят. Сними и поставь на место габаритного. Только циферки одинаковые чтобы были посмотри. Проверь напряжение на реле после включения габаритов. Если есть - значит реле, если нет - смотри чего нет массы и плюса. Соответственно смотри провода или выключатель, если не приходит масса.
Сергей. Все будет хорошо! Грязезащита для рамных автомобилей.
-
тараныч
- Сообщения: 86
- Зарегистрирован: 31 окт 2012, 22:39
- Двигатель:: дизель
- Мой автомобиль(и):: другой
- Откуда: москва
Re: габариты негорят
ну реле то я первым делом поменял)))таже фигня ,а на управляющую ногу не приходит плюс
- Captain Sergio
- Сообщения: 4557
- Зарегистрирован: 30 янв 2012, 22:01
- Двигатель:: 4G18
- Мой автомобиль(и):: Pajero Пинин, 1999, АКПП, BMW X5
- Откуда: Ульяновск
- Благодарил (а): 264 раза
- Поблагодарили: 346 раз
Re: габариты негорят
Не хочу Тебя огорчать, но он туда никогда не придет. Ибо реле включатеся коммутацией массы, а плюс к нему подключен навсегда. Смотри схему.
Сергей. Все будет хорошо! Грязезащита для рамных автомобилей.
- Deem-On
- Сообщения: 1014
- Зарегистрирован: 18 мар 2011, 17:49
- Двигатель:: 4M40
- Мой автомобиль(и):: Паджеро 2, был
- Откуда: Ярославль
- Благодарил (а): 8 раз
- Поблагодарили: 95 раз
Re: габариты негорят
Если собираешься искать перемычку под левым крылом, то ее у тебя может и не быть там, они были где-то до начала 94 года, у меня, к примеру, август-94, перемычек нет. А плюс можно взять с силового контакта этого же реле, они оба с одного места идут.тараныч писал(а):походу придется лезть под крыло
П-2 1994 длинный,GLS,4М40,АКПП,SS,А/Т32"-увы, уже донор
-
тараныч
- Сообщения: 86
- Зарегистрирован: 31 окт 2012, 22:39
- Двигатель:: дизель
- Мой автомобиль(и):: другой
- Откуда: москва
Re: габариты негорят
Короче перемычка сгнили,пока смотал на скрутку,но это непомогло,минуса на управляющей ногн нету
- Deem-On
- Сообщения: 1014
- Зарегистрирован: 18 мар 2011, 17:49
- Двигатель:: 4M40
- Мой автомобиль(и):: Паджеро 2, был
- Откуда: Ярославль
- Благодарил (а): 8 раз
- Поблагодарили: 95 раз
Re: габариты негорят
Что в итоге то было, где косяк? Отписался бы, народу-то интересно, на будущее полезно знать, куда рыть.тараныч писал(а):все починил,всем спасибо.переходим к следующим болячкам))))
П-2 1994 длинный,GLS,4М40,АКПП,SS,А/Т32"-увы, уже донор
-
тараныч
- Сообщения: 86
- Зарегистрирован: 31 окт 2012, 22:39
- Двигатель:: дизель
- Мой автомобиль(и):: другой
- Откуда: москва
Re: габариты негорят
После колодки которая под рулем зеленый с белой полосой провод не доходил до цели,я нестал искать просто проложил новый и все.
