Кнопка аварийки.
Модераторы: SNOOPER, Nbf, Romik, BAlex
- MaGennaD
- Сообщения: 452
- Зарегистрирован: 24 авг 2010, 20:48
- Двигатель:: бензин
- Мой автомобиль(и):: Pajero 2 6G72,1993,мкпп.
- Откуда: Самарская обл г Чапаевск
- Откуда: Самарская обл.
- Благодарил (а): 4 раза
- Поблагодарили: 3 раза
Кнопка аварийки.
Приветствую всех.
Аварийка стала моргать только левой стороной, что бы моргали обе стороны включаю правый поворотник.
Думал что это кнопка дурит ,сегодня поставил другую , такая же фигня.
В чём может причина, повороты левый ,правый сами по себе работают нормально.
Аварийка стала моргать только левой стороной, что бы моргали обе стороны включаю правый поворотник.
Думал что это кнопка дурит ,сегодня поставил другую , такая же фигня.
В чём может причина, повороты левый ,правый сами по себе работают нормально.
Mitsubisni pajero 2 ,1993 ,6G72 12 клап,V43. GLS(WIDE/SUPER SELEKT)5FM/T LHD GNXEL6. есть
Nissan Leaf ze0 G 2012г все подогревы.
Nissan Leaf ze0 G 2012г все подогревы.
- Captain Sergio
- Сообщения: 4557
- Зарегистрирован: 30 янв 2012, 22:01
- Двигатель:: 4G18
- Мой автомобиль(и):: Pajero Пинин, 1999, АКПП, BMW X5
- Откуда: Ульяновск
- Благодарил (а): 264 раза
- Поблагодарили: 346 раз
Re: Кнопка аварийки.
Поворотники и аварийка разнесены в схеме. В понедельник схему гляну. Потерпи.
Сергей. Все будет хорошо! Грязезащита для рамных автомобилей.
- MaGennaD
- Сообщения: 452
- Зарегистрирован: 24 авг 2010, 20:48
- Двигатель:: бензин
- Мой автомобиль(и):: Pajero 2 6G72,1993,мкпп.
- Откуда: Самарская обл г Чапаевск
- Откуда: Самарская обл.
- Благодарил (а): 4 раза
- Поблагодарили: 3 раза
Re: Кнопка аварийки.
Всё таки это наверно кнопка ,сегодня разобрал , внутри не чего крименального не нашёл.
Правда крючок что служит для фиксации кнопки в нажатом положении все мозги вынес .
Сейчас фиксируется через раз , и когда сильнее нажимаешь начинают моргать обе стороны.
Правда крючок что служит для фиксации кнопки в нажатом положении все мозги вынес .
Сейчас фиксируется через раз , и когда сильнее нажимаешь начинают моргать обе стороны.
Mitsubisni pajero 2 ,1993 ,6G72 12 клап,V43. GLS(WIDE/SUPER SELEKT)5FM/T LHD GNXEL6. есть
Nissan Leaf ze0 G 2012г все подогревы.
Nissan Leaf ze0 G 2012г все подогревы.
- drcham
- Модератор
- Сообщения: 14460
- Зарегистрирован: 08 апр 2006, 13:42
- Двигатель:: Бензин
- Мой автомобиль(и):: Wrangler JLU Rubicon
- Откуда: Москва
- Откуда: Москва ЮЗАО
- Благодарил (а): 63 раза
- Поблагодарили: 231 раз
- Контактная информация:
Re: Кнопка аварийки.
Скорее всего кнопка. Если по отдельности работают обе стороны - кнопка лишь напрямую замыкает эти контакты. Ждем схему... сам сейчас глянуть не могу.MaGennaD писал(а):Всё таки это наверно кнопка ,сегодня разобрал , внутри не чего крименального не нашёл.
Правда крючок что служит для фиксации кнопки в нажатом положении все мозги вынес .![]()
Сейчас фиксируется через раз , и когда сильнее нажимаешь начинают моргать обе стороны.
4LO&GO! Wrangler JLU Rubicon
- MaGennaD
- Сообщения: 452
- Зарегистрирован: 24 авг 2010, 20:48
- Двигатель:: бензин
- Мой автомобиль(и):: Pajero 2 6G72,1993,мкпп.
- Откуда: Самарская обл г Чапаевск
- Откуда: Самарская обл.
- Благодарил (а): 4 раза
- Поблагодарили: 3 раза
Re: Кнопка аварийки.
Да я тоже так думаю.drcham писал(а):Скорее всего кнопка. Если по отдельности работают обе стороны - кнопка лишь напрямую замыкает эти контакты. Ждем схему... сам сейчас глянуть не могу.MaGennaD писал(а):Всё таки это наверно кнопка ,сегодня разобрал , внутри не чего крименального не нашёл.
Правда крючок что служит для фиксации кнопки в нажатом положении все мозги вынес .![]()
Сейчас фиксируется через раз , и когда сильнее нажимаешь начинают моргать обе стороны.
Mitsubisni pajero 2 ,1993 ,6G72 12 клап,V43. GLS(WIDE/SUPER SELEKT)5FM/T LHD GNXEL6. есть
Nissan Leaf ze0 G 2012г все подогревы.
Nissan Leaf ze0 G 2012г все подогревы.
- Captain Sergio
- Сообщения: 4557
- Зарегистрирован: 30 янв 2012, 22:01
- Двигатель:: 4G18
- Мой автомобиль(и):: Pajero Пинин, 1999, АКПП, BMW X5
- Откуда: Ульяновск
- Благодарил (а): 264 раза
- Поблагодарили: 346 раз
Re: Кнопка аварийки.
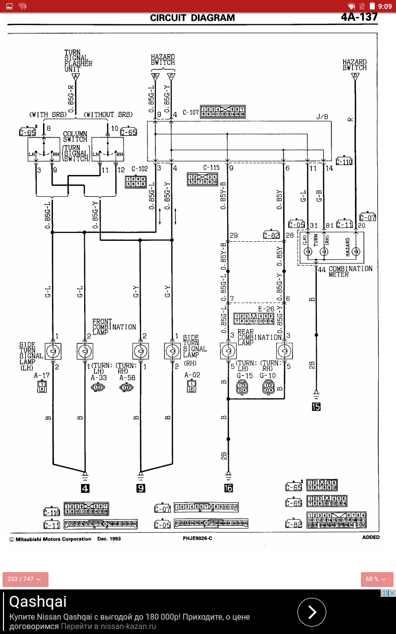
Вот схема. Пока не копался, чуть позже. Кнопку можешь проверить, если прибор есть. Скажи ещё такой момент. Если выключить зажигание и включить правый поворот обе лампы мигают? Именно при выключенном зажигании?
Сергей. Все будет хорошо! Грязезащита для рамных автомобилей.
- MaGennaD
- Сообщения: 452
- Зарегистрирован: 24 авг 2010, 20:48
- Двигатель:: бензин
- Мой автомобиль(и):: Pajero 2 6G72,1993,мкпп.
- Откуда: Самарская обл г Чапаевск
- Откуда: Самарская обл.
- Благодарил (а): 4 раза
- Поблагодарили: 3 раза
Re: Кнопка аварийки.
Да обе.
Прибор есть и тестер Цешка и мультимер.
Прибор есть и тестер Цешка и мультимер.
Mitsubisni pajero 2 ,1993 ,6G72 12 клап,V43. GLS(WIDE/SUPER SELEKT)5FM/T LHD GNXEL6. есть
Nissan Leaf ze0 G 2012г все подогревы.
Nissan Leaf ze0 G 2012г все подогревы.
- Captain Sergio
- Сообщения: 4557
- Зарегистрирован: 30 янв 2012, 22:01
- Двигатель:: 4G18
- Мой автомобиль(и):: Pajero Пинин, 1999, АКПП, BMW X5
- Откуда: Ульяновск
- Благодарил (а): 264 раза
- Поблагодарили: 346 раз
Re: Кнопка аварийки.
Посмотрел. Проверяй кнопку. А именно замыкание контакта 2 с контактом 4 в нажатом положении. Если она живая - проверяй блок J/B (коммутация в блоке предохранителей), а имени питание на контактах 4 C-115 и C-107 и C-116. Лусше Цешкой, она кивать будет.Обрати внимание на моргание лампочки правого поворота на комбинации приборов. Если она моргает - значит питание на блок от кнопки приходит. Обрати внимание на контакт 6 C-115. Это задний правый поворотник. Если не моргает и зад и перед, но моргает лампа на комбинации - проблема в коммутации в блоке. В любом случае иди от кнопки, потом 4 контакт С-107, потом 4 и 6 контакт С-125 и С-116 соответвенно. При включении правого поворота питание подаётся напрямую на 4 контакт С-115. Но пока больше на кнопку похоже. Если на 2 контакте кнопки не будет питания можешь его в разъёме поменять с 3-м. При этом у Тебя все будет будет работать, но не будет отдельной индикации на панели приборов. Будут вопросы - пиши.
Сергей. Все будет хорошо! Грязезащита для рамных автомобилей.
- MaGennaD
- Сообщения: 452
- Зарегистрирован: 24 авг 2010, 20:48
- Двигатель:: бензин
- Мой автомобиль(и):: Pajero 2 6G72,1993,мкпп.
- Откуда: Самарская обл г Чапаевск
- Откуда: Самарская обл.
- Благодарил (а): 4 раза
- Поблагодарили: 3 раза
Re: Кнопка аварийки.
Да это точно кнопка ,сейчас проверял, после вчерашней переборки работают обе стороны.
Спасибо всем кто принимал участие.
Спасибо всем кто принимал участие.
Mitsubisni pajero 2 ,1993 ,6G72 12 клап,V43. GLS(WIDE/SUPER SELEKT)5FM/T LHD GNXEL6. есть
Nissan Leaf ze0 G 2012г все подогревы.
Nissan Leaf ze0 G 2012г все подогревы.
- Captain Sergio
- Сообщения: 4557
- Зарегистрирован: 30 янв 2012, 22:01
- Двигатель:: 4G18
- Мой автомобиль(и):: Pajero Пинин, 1999, АКПП, BMW X5
- Откуда: Ульяновск
- Благодарил (а): 264 раза
- Поблагодарили: 346 раз
- MaGennaD
- Сообщения: 452
- Зарегистрирован: 24 авг 2010, 20:48
- Двигатель:: бензин
- Мой автомобиль(и):: Pajero 2 6G72,1993,мкпп.
- Откуда: Самарская обл г Чапаевск
- Откуда: Самарская обл.
- Благодарил (а): 4 раза
- Поблагодарили: 3 раза
Re: Кнопка аварийки.
ОкейCaptain Sergio писал(а):Ну и слава богу!
Mitsubisni pajero 2 ,1993 ,6G72 12 клап,V43. GLS(WIDE/SUPER SELEKT)5FM/T LHD GNXEL6. есть
Nissan Leaf ze0 G 2012г все подогревы.
Nissan Leaf ze0 G 2012г все подогревы.
