не гаснет свет , не выкл печка ((
Модераторы: SNOOPER, Nbf, Romik, BAlex
- Vladimirrus72
- Сообщения: 11
- Зарегистрирован: 07 сен 2016, 10:21
- Двигатель:: 4M41 дизель
- Мой автомобиль(и):: паджеро 4
- Откуда: москва
- Благодарил (а): 3 раза
не гаснет свет , не выкл печка ((
Всем привет. Предлагаю мозговой штурм
Как должно быть - ближний свет включен,подъезжаю к дому,вынимаю ключ,машина глохнет,открываю дверь и выключается свет. Как есть - вынимаю ключ , свет горит и печка дует (потихоньку,экранчик тускло но светит). Мысль есть , а с чего начать - не соображу никак ))) Были установлены птф (ксенон+дневной свет в них) фары норм , германия , всё исправно работало порядка 4-5 лет. Сейчас при запуске горит штатный дневной. При включённом свете еле еле светит одна птф , сами туманки с кнопки работают. Да , машина паджеро 4 , спасибо 
Последний раз редактировалось Vladimirrus72 23 янв 2017, 18:46, всего редактировалось 1 раз.
- Vladimirrus72
- Сообщения: 11
- Зарегистрирован: 07 сен 2016, 10:21
- Двигатель:: 4M41 дизель
- Мой автомобиль(и):: паджеро 4
- Откуда: москва
- Благодарил (а): 3 раза
Re: не гаснет свет , не выкл печка ((
а смысл ? заработает как надо наверняка , надо б причину найти.
- PadgeM
- Сообщения: 2008
- Зарегистрирован: 11 май 2016, 17:19
- Двигатель:: 4М41, Disel
- Мой автомобиль(и):: Pajero IV
- Откуда: Москва
- Благодарил (а): 159 раз
- Поблагодарили: 103 раза
Re: не гаснет свет , не выкл печка ((
Не выключается когда авто на охрану ставите? Проверьте положение выключателя на потолке.
Графический дизайнер
@Brashart
@Brashart
-
steals2k
- Сообщения: 360
- Зарегистрирован: 29 авг 2016, 06:56
- Двигатель:: 4M41
- Мой автомобиль(и):: Mitsubishi Pajero3 Suzuki SX4
- Откуда: Ярославль
- Благодарил (а): 389 раз
- Поблагодарили: 8 раз
Re: не гаснет свет , не выкл печка ((
на а6 старой такое было, когда один из проводов климата оплавился, и я кинул соплю на+, который при зажигании появляется.
причём, при включенном климате машина и глохла не моментально, а пока мотор останавливался-был писк как при включенном свете и открытой двери без ключа в замке.
причём, при включенном климате машина и глохла не моментально, а пока мотор останавливался-был писк как при включенном свете и открытой двери без ключа в замке.
- SNOOPER
- Модератор
- Сообщения: 57351
- Зарегистрирован: 11 дек 2004, 19:49
- Двигатель:: 4D56
- Мой автомобиль(и):: NewMPS
- Откуда: 78
- Откуда: Spb
- Благодарил (а): 1023 раза
- Поблагодарили: 4772 раза
Re: не гаснет свет , не выкл печка ((
Vladimirrus72 писал(а):а смысл ? заработает как надо наверняка , надо б причину найти.
Железная логика.
Главное и сказать нечего в ответ.
Судя по всему "Вам шашечки".....
- Vladimirrus72
- Сообщения: 11
- Зарегистрирован: 07 сен 2016, 10:21
- Двигатель:: 4M41 дизель
- Мой автомобиль(и):: паджеро 4
- Откуда: москва
- Благодарил (а): 3 раза
Re: не гаснет свет , не выкл печка ((
Судя по всему "Вам шашечки".....[/quote]
мне то как раз "ехать"
Ещё раз : понимаю что дело скорей всего в цепи "туманки-выкл.света" , возможно где то масса окислилась , спросил уважаемых паджероводов с чего начать лечить , может быть было похожее было , предложили отрезать лишнее )) Ну спасибо
и на этом. Пы.сы. "нештатный" свет не стоИт , заменены сами птф (4-5 лет уж как)
мне то как раз "ехать"
- Vladimirrus72
- Сообщения: 11
- Зарегистрирован: 07 сен 2016, 10:21
- Двигатель:: 4M41 дизель
- Мой автомобиль(и):: паджеро 4
- Откуда: москва
- Благодарил (а): 3 раза
Re: не гаснет свет , не выкл печка ((
Всегда было как - свет включен постоянно , приехал , заглушил , ключ вынул , дверь открыл , всё выключилось. Сейчас и при включении сигнализации не гаснет и печка дует ( еле-еле ноPadgeM писал(а):Не выключается когда авто на охрану ставите? Проверьте положение выключателя на потолке.
- SNOOPER
- Модератор
- Сообщения: 57351
- Зарегистрирован: 11 дек 2004, 19:49
- Двигатель:: 4D56
- Мой автомобиль(и):: NewMPS
- Откуда: 78
- Откуда: Spb
- Благодарил (а): 1023 раза
- Поблагодарили: 4772 раза
Re: не гаснет свет , не выкл печка ((
Скорее всего дело в том что Вы не понимаете как устроена архитектура распределения энергии в Вашем автомобиле.Vladimirrus72 писал(а): мне то как раз "ехать"Ещё раз : понимаю что дело скорей всего в цепи "туманки-выкл.света" , возможно где то масса окислилась , спросил уважаемых паджероводов с чего начать лечить , может быть было похожее было , предложили отрезать лишнее )) Ну спасибо
и на этом. Пы.сы. "нештатный" свет не стоИт , заменены сами птф (4-5 лет уж как)
Отключите заменённые ПТФ.
ПС Цепи, в Вашем понимании, "туманки-выключатель" нет как таковой.
- Vladimirrus72
- Сообщения: 11
- Зарегистрирован: 07 сен 2016, 10:21
- Двигатель:: 4M41 дизель
- Мой автомобиль(и):: паджеро 4
- Откуда: москва
- Благодарил (а): 3 раза
Re: не гаснет свет , не выкл печка ((
Спасибо за развернутый ответ ) А для понимания друг друга - я уже более 30-ти лет вплотную связан с авто и с "архитектурой" авто знаком не по книжкам. Есть желание не отключить и забыть , а как бы починитьSNOOPER писал(а):Скорее всего дело в том что Вы не понимаете как устроена архитектура распределения энергии в Вашем автомобиле.Vladimirrus72 писал(а): мне то как раз "ехать"Ещё раз : понимаю что дело скорей всего в цепи "туманки-выкл.света" , возможно где то масса окислилась , спросил уважаемых паджероводов с чего начать лечить , может быть было похожее было , предложили отрезать лишнее )) Ну спасибо
и на этом. Пы.сы. "нештатный" свет не стоИт , заменены сами птф (4-5 лет уж как)
Отключите заменённые ПТФ.
ПС Цепи, в Вашем понимании, "туманки-выключатель" нет как таковой.
- SNOOPER
- Модератор
- Сообщения: 57351
- Зарегистрирован: 11 дек 2004, 19:49
- Двигатель:: 4D56
- Мой автомобиль(и):: NewMPS
- Откуда: 78
- Откуда: Spb
- Благодарил (а): 1023 раза
- Поблагодарили: 4772 раза
Re: не гаснет свет , не выкл печка ((
Хамить не надо.
Нужно делать что говорят.
Сообщать о результатах, и слушать дальше.
Ну а как Вы "связаны" видно по вопросам/ответам.
Нужно делать что говорят.
Сообщать о результатах, и слушать дальше.
Ну а как Вы "связаны" видно по вопросам/ответам.
- Vladimirrus72
- Сообщения: 11
- Зарегистрирован: 07 сен 2016, 10:21
- Двигатель:: 4M41 дизель
- Мой автомобиль(и):: паджеро 4
- Откуда: москва
- Благодарил (а): 3 раза
Re: не гаснет свет , не выкл печка ((
Сообщаю - 1) отключил птф 2) ничего не изменилось 3) что дальше? , подскажите дилетантуSNOOPER писал(а):Хамить не надо.
Нужно делать что говорят.
Сообщать о результатах, и слушать дальше.
Ну а как Вы "связаны" видно по вопросам/ответам.
P.S. Хамить - Вести себя грубо, нагло, по-хамски ( словарь С.И.Ожегова ) Хамить не надо , согласен.
- SNOOPER
- Модератор
- Сообщения: 57351
- Зарегистрирован: 11 дек 2004, 19:49
- Двигатель:: 4D56
- Мой автомобиль(и):: NewMPS
- Откуда: 78
- Откуда: Spb
- Благодарил (а): 1023 раза
- Поблагодарили: 4772 раза
Re: не гаснет свет , не выкл печка ((
И развернуто, Ничего не изменилось?
При отключенных туманках так же не гаснет головной свет и работает климат?
При отключенных туманках так же не гаснет головной свет и работает климат?
- Vladimirrus72
- Сообщения: 11
- Зарегистрирован: 07 сен 2016, 10:21
- Двигатель:: 4M41 дизель
- Мой автомобиль(и):: паджеро 4
- Откуда: москва
- Благодарил (а): 3 раза
Re: не гаснет свет , не выкл печка ((
Так я и говорю что чуднО , включаешь ближний ( без ключа в зажигании , что уже не правильно ) и начинает дуть печка , включается блок климата ( дует слабо , светится оч тускло ). г.в.2007 Не понятно где копать , думаю все таки масса где то тупит , ну или яSNOOPER писал(а):И развернуто, Ничего не изменилось?
При отключенных туманках так же не гаснет головной свет и работает климат?
-
steals2k
- Сообщения: 360
- Зарегистрирован: 29 авг 2016, 06:56
- Двигатель:: 4M41
- Мой автомобиль(и):: Mitsubishi Pajero3 Suzuki SX4
- Откуда: Ярославль
- Благодарил (а): 389 раз
- Поблагодарили: 8 раз
Re: не гаснет свет , не выкл печка ((
мне кажется, что её при этом и завести можно уже) раз всё включается в обход замка.
скорее всего, где-то лишняя сопля.
скорее всего, где-то лишняя сопля.
- Vladimirrus72
- Сообщения: 11
- Зарегистрирован: 07 сен 2016, 10:21
- Двигатель:: 4M41 дизель
- Мой автомобиль(и):: паджеро 4
- Откуда: москва
- Благодарил (а): 3 раза
Re: не гаснет свет , не выкл печка ((
Не не , не всёsteals2k писал(а):мне кажется, что её при этом и завести можно уже) раз всё включается в обход замка.
скорее всего, где-то лишняя сопля.
- SNOOPER
- Модератор
- Сообщения: 57351
- Зарегистрирован: 11 дек 2004, 19:49
- Двигатель:: 4D56
- Мой автомобиль(и):: NewMPS
- Откуда: 78
- Откуда: Spb
- Благодарил (а): 1023 раза
- Поблагодарили: 4772 раза
Re: не гаснет свет , не выкл печка ((
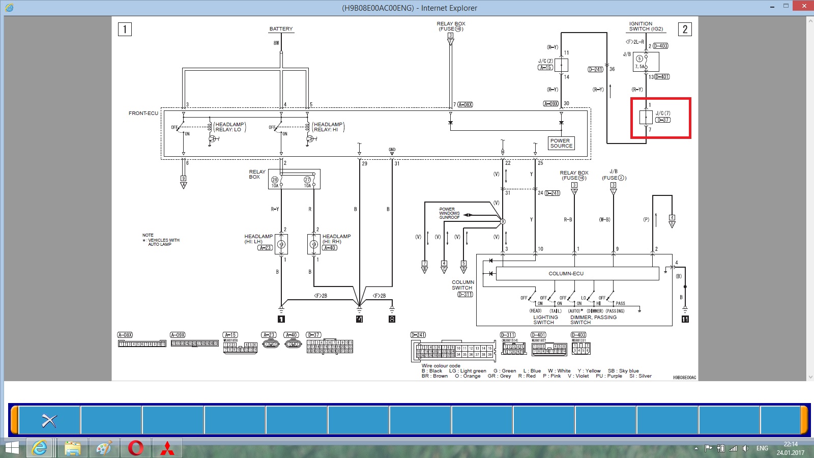
Думаю стоит найти донора и попробовать поставить с него, или на него Front-ECU.Vladimirrus72 писал(а):Так я и говорю что чуднО , включаешь ближний ( без ключа в зажигании , что уже не правильно ) и начинает дуть печка , включается блок климата ( дует слабо , светится оч тускло ). г.в.2007 Не понятно где копать , думаю все таки масса где то тупит , ну или яSNOOPER писал(а):И развернуто, Ничего не изменилось?
При отключенных туманках так же не гаснет головной свет и работает климат?))) В остальном всё работает без проблем , в принципе не напрягает особо , думал может что то похожее встречалось. Отпишу как разберусь , скорей всего в выходные покопаюсь. Спасибо.
Думаю он "потёк", так как клима с фарами только там пересекается.
В схемах разберётесь.
При включении фар, идёт утечка на IGN2 кондея
