Дальний свет и подсветка термометра
Модераторы: SNOOPER, Nbf, Romik, BAlex
- drcham
- Модератор
- Сообщения: 14446
- Зарегистрирован: 08 апр 2006, 13:42
- Двигатель:: Бензин
- Мой автомобиль(и):: Wrangler JLU Rubicon
- Откуда: Москва
- Откуда: Москва ЮЗАО
- Благодарил (а): 62 раза
- Поблагодарили: 229 раз
- Контактная информация:
Дальний свет и подсветка термометра
Паджеро 2 1998 года. Рестайлинг. Лев. руль 2.8
С недавних пор меня стало донимать самопроизвольное включение дальнего света либо машина им моргает сама. При этом загорается в пол накала лампа дальнего на приборке.
Примерно в то же время стало донимать моргание точнее переключение между включенным ближнем и выключенным подсветки датчика температуры что на блоке доп. приборов.
Изучив электросхемы я пришел к выводу что моргать дальний может только от проблем с подрулевым или его проводкой. Сегодня снял обшивку - визуально провода целые. Поболтал и подергал - ничего не изменилось. Изучение схемы по подсветке термометра натолкнуло на две мысли. а) дурит реостат подсветки ибо когда его крутишь проблема вроде как исчезает. Либо все же косяк тянется тоже от подрулевого.
Поиск по форуму ответов не дал.
Есть у кого мысли ? Подрулевой и реостат стоят нормальных денег чтобы заказывать их не будучи уверенным.
С недавних пор меня стало донимать самопроизвольное включение дальнего света либо машина им моргает сама. При этом загорается в пол накала лампа дальнего на приборке.
Примерно в то же время стало донимать моргание точнее переключение между включенным ближнем и выключенным подсветки датчика температуры что на блоке доп. приборов.
Изучив электросхемы я пришел к выводу что моргать дальний может только от проблем с подрулевым или его проводкой. Сегодня снял обшивку - визуально провода целые. Поболтал и подергал - ничего не изменилось. Изучение схемы по подсветке термометра натолкнуло на две мысли. а) дурит реостат подсветки ибо когда его крутишь проблема вроде как исчезает. Либо все же косяк тянется тоже от подрулевого.
Поиск по форуму ответов не дал.
Есть у кого мысли ? Подрулевой и реостат стоят нормальных денег чтобы заказывать их не будучи уверенным.
4LO&GO! Wrangler JLU Rubicon
- dvm99
- Сообщения: 21773
- Зарегистрирован: 21 май 2012, 20:59
- Двигатель:: 6G72, 12клап.,
- Мой автомобиль(и):: Pajero2, Запорожец- Ланос
- Откуда: Свердловская обл.
- Благодарил (а): 708 раз
- Поблагодарили: 1032 раза
Re: Дальний свет и подсветка термометра
Посмотри массу под номером 15 (где-то в ногах водителя вроде)
По крайней мере на ней сидит реостат и масса допприборов...
Если даже не там, то походит на то, что где-то массы шалят...
По крайней мере на ней сидит реостат и масса допприборов...
Если даже не там, то походит на то, что где-то массы шалят...
Дмитрий
Боливар2 - П2, 92г., V43, 6G72(12V), V4AW2, RD/L, пруль (чистокровный японский рысак)
Боливар1 - П2, 93г., 6G72(12V), МКПП, V43, RD/L, Европа (славный был конь, но уже донор)
Боливар2 - П2, 92г., V43, 6G72(12V), V4AW2, RD/L, пруль (чистокровный японский рысак)
Боливар1 - П2, 93г., 6G72(12V), МКПП, V43, RD/L, Европа (славный был конь, но уже донор)
- drcham
- Модератор
- Сообщения: 14446
- Зарегистрирован: 08 апр 2006, 13:42
- Двигатель:: Бензин
- Мой автомобиль(и):: Wrangler JLU Rubicon
- Откуда: Москва
- Откуда: Москва ЮЗАО
- Благодарил (а): 62 раза
- Поблагодарили: 229 раз
- Контактная информация:
Re: Дальний свет и подсветка термометра
Мысль интересная. А где на схеме этот реостат? В каком разделе ?
4LO&GO! Wrangler JLU Rubicon
- drcham
- Модератор
- Сообщения: 14446
- Зарегистрирован: 08 апр 2006, 13:42
- Двигатель:: Бензин
- Мой автомобиль(и):: Wrangler JLU Rubicon
- Откуда: Москва
- Откуда: Москва ЮЗАО
- Благодарил (а): 62 раза
- Поблагодарили: 229 раз
- Контактная информация:
Re: Дальний свет и подсветка термометра
Под торпедой 4 точки массы судя по схеме. 13,10,11,12.
4LO&GO! Wrangler JLU Rubicon
- dvm99
- Сообщения: 21773
- Зарегистрирован: 21 май 2012, 20:59
- Двигатель:: 6G72, 12клап.,
- Мой автомобиль(и):: Pajero2, Запорожец- Ланос
- Откуда: Свердловская обл.
- Благодарил (а): 708 раз
- Поблагодарили: 1032 раза
Re: Дальний свет и подсветка термометра
Я пользовался другими схемами- многотомником, т.е. где базовый мануал идёт на 91-94г, а остальные года до 99г в виде дополнений отдельными файлам. Ссылки под руками нет, но на форуме много раз его выкладывали, но он неудобный в обращении, когда речь о рестайлах...drcham писал(а):Мысль интересная. А где на схеме этот реостат? В каком разделе ?
И судя по всему, там номера масс отличаются от твоих...
Но по твоей картинке очень походит на массу №13.
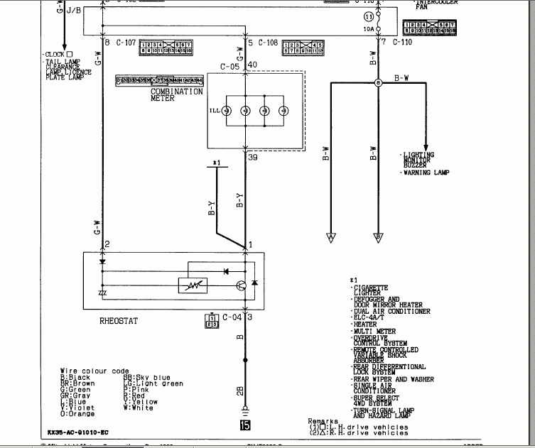
Реостат находится на схеме "Контрольно-измерительные приборы и указатели" .
В моём альбоме он выглядит так:
Дмитрий
Боливар2 - П2, 92г., V43, 6G72(12V), V4AW2, RD/L, пруль (чистокровный японский рысак)
Боливар1 - П2, 93г., 6G72(12V), МКПП, V43, RD/L, Европа (славный был конь, но уже донор)
Боливар2 - П2, 92г., V43, 6G72(12V), V4AW2, RD/L, пруль (чистокровный японский рысак)
Боливар1 - П2, 93г., 6G72(12V), МКПП, V43, RD/L, Европа (славный был конь, но уже донор)
- drcham
- Модератор
- Сообщения: 14446
- Зарегистрирован: 08 апр 2006, 13:42
- Двигатель:: Бензин
- Мой автомобиль(и):: Wrangler JLU Rubicon
- Откуда: Москва
- Откуда: Москва ЮЗАО
- Благодарил (а): 62 раза
- Поблагодарили: 229 раз
- Контактная информация:
Re: Дальний свет и подсветка термометра
Так получается реостат управляет только группой лампочек на проводах B-Y ? А что значит #1 ?
4LO&GO! Wrangler JLU Rubicon
- dvm99
- Сообщения: 21773
- Зарегистрирован: 21 май 2012, 20:59
- Двигатель:: 6G72, 12клап.,
- Мой автомобиль(и):: Pajero2, Запорожец- Ланос
- Откуда: Свердловская обл.
- Благодарил (а): 708 раз
- Поблагодарили: 1032 раза
Re: Дальний свет и подсветка термометра
Нет, он всеми управляет, что и показано под #1. Т.е. подсветка прикуривателя, кнопок и прочих лампочек подсветки. Получается, что +12в на них подходит где-то там, через свои устройства, а вот минусовые провода у них все сведены к реостату, и на массу машины идут через него.drcham писал(а):Так получается реостат управляет только группой лампочек на проводах B-Y ?
Раз ты написал, что связь с положением ручки реостата есть
, то очень походит на то, что дурит не он сам, а контакт его массы. Ты ток увеличиваешь, и эта масса начинает просаживать.drcham писал(а):дурит реостат подсветки ибо когда его крутишь проблема вроде как исчезает
Кстати, это можно проверить, если встать тестером одним концом на вывод №3 реостата, а вторым на массу машины. Если при увеличении яркости ламп на нём появляется напряжение, то это то, о чём я пишу. А если 0В или около, то всё нормально.
Дмитрий
Боливар2 - П2, 92г., V43, 6G72(12V), V4AW2, RD/L, пруль (чистокровный японский рысак)
Боливар1 - П2, 93г., 6G72(12V), МКПП, V43, RD/L, Европа (славный был конь, но уже донор)
Боливар2 - П2, 92г., V43, 6G72(12V), V4AW2, RD/L, пруль (чистокровный японский рысак)
Боливар1 - П2, 93г., 6G72(12V), МКПП, V43, RD/L, Европа (славный был конь, но уже донор)
- drcham
- Модератор
- Сообщения: 14446
- Зарегистрирован: 08 апр 2006, 13:42
- Двигатель:: Бензин
- Мой автомобиль(и):: Wrangler JLU Rubicon
- Откуда: Москва
- Откуда: Москва ЮЗАО
- Благодарил (а): 62 раза
- Поблагодарили: 229 раз
- Контактная информация:
Re: Дальний свет и подсветка термометра
Благодарю. Смогу проверить во вторник вечером. Отпишусь.
4LO&GO! Wrangler JLU Rubicon
- Deem-On
- Сообщения: 1014
- Зарегистрирован: 18 мар 2011, 17:49
- Двигатель:: 4M40
- Мой автомобиль(и):: Паджеро 2, был
- Откуда: Ярославль
- Благодарил (а): 8 раз
- Поблагодарили: 95 раз
Re: Дальний свет и подсветка термометра
Добрый день, джентльмены
, прошу прощения, что встреваю в ваш диалог, позвольте высказаться по этому поводу.
По поводу неисправностей. Думал я тут, ломал голову, по схемам лазил, и видится мне, что это все-таки разные неисправности, т.е. между миганием дальнего и подсветкой термометра логической связи не обнаружилось, как и между ближним светом и подсветкой термометра
.
А вот дополнительные вопросы возникли, а именно:
- дальний сам по себе когда мигает, при включенном головном свете или независимо?
- подсветка термометра реагирует только на ближний или еще на что, может на включение габаритов все-таки? или на фароомыватель?( он с того же преда питается)
Это может помочь направить поиск в нужное направление, т.к., еще раз повторю, связи между явлениями обнаружить не удалось, хотя соображения какие-то есть, то хотелось бы подробностей. а то получается как с сусликом, мы его не видим, а он есть.
это картинка от 91-93 года, там немного другая нумерация точек, правильная здесь: Да, и масса на реостат действительно №15.drcham писал(а):Под торпедой 4 точки массы судя по схеме. 13,10,11,12.
По поводу неисправностей. Думал я тут, ломал голову, по схемам лазил, и видится мне, что это все-таки разные неисправности, т.е. между миганием дальнего и подсветкой термометра логической связи не обнаружилось, как и между ближним светом и подсветкой термометра
А вот дополнительные вопросы возникли, а именно:
- дальний сам по себе когда мигает, при включенном головном свете или независимо?
- подсветка термометра реагирует только на ближний или еще на что, может на включение габаритов все-таки? или на фароомыватель?( он с того же преда питается)
Это может помочь направить поиск в нужное направление, т.к., еще раз повторю, связи между явлениями обнаружить не удалось, хотя соображения какие-то есть, то хотелось бы подробностей. а то получается как с сусликом, мы его не видим, а он есть.
П-2 1994 длинный,GLS,4М40,АКПП,SS,А/Т32"-увы, уже донор
- drcham
- Модератор
- Сообщения: 14446
- Зарегистрирован: 08 апр 2006, 13:42
- Двигатель:: Бензин
- Мой автомобиль(и):: Wrangler JLU Rubicon
- Откуда: Москва
- Откуда: Москва ЮЗАО
- Благодарил (а): 62 раза
- Поблагодарили: 229 раз
- Контактная информация:
Re: Дальний свет и подсветка термометра
Проблема с дальним без габаритов не проверялась ибо надо ездить с ближним.
Да! Завел авто, включил ближний как обычно(у меня стоит минимальная яркость приборки всегда). Приехал на заправку (минут 10 ехал. авто теплое). Стою стою и на те - врубился дальний.
Если просто моргать - ничего не меняется. Включил/выключил ближний - потухло. Через секунду опять загорелся.. выключил ближний пока не пришли из авты спереди поправлять мою внешность... очень было обидно что не вожу с собой напряжометр.. замерил бы есть сигнал на реле или оно само дурит.
Зависимость от габаритов выясню завтра. Есть мысль снять подрулевой (совет Dimix) и за одно проверить или купить новую реле дальнего света.
Да. Отпишу все вводные. От сигнала + дальнего еще запитано реле доп фар чтобы разом все включалось. Так езжу уже лет 10.
Проблема моргания только если выключен ближний и габариты.
От реостата еще идет сигнал что включен ближний на доп приборы. Чтобы на них тухла подсветка. Итак уже лет 10 примерно все работало. Вот картина что получается при определенных положениях реостата. Проблемы как раз если уменьшать яркость.
Я уже стал думать что может быть проблема с самими доп приборами и они что-то лишнее в сеть отдают. Короче никак я не могу загнать авто в тепло чтобы спокойно все снять и заняться проверкой. Хотел завтра но уже 80% что не получится. Но смущает что оч долго все работало. Я еще нашел какой-то оборванный по моей глупости провод. Справа от переключателя дворников под торпедой идет жгут проводов и там два разъема. На одном из них нашел отломившийся провод (я его скрутил но надо запаять). Есть на фото ниже. Зеленый с белой полосой кажется. Доп приборы запитаны с плюса от АКБ и взять сигнал о включении света чтобы притухали с реостата (так сигнализаторщики сказали). Этот отломившийся провод нашел уже после того как тему создал.
Да! Завел авто, включил ближний как обычно(у меня стоит минимальная яркость приборки всегда). Приехал на заправку (минут 10 ехал. авто теплое). Стою стою и на те - врубился дальний.
Если просто моргать - ничего не меняется. Включил/выключил ближний - потухло. Через секунду опять загорелся.. выключил ближний пока не пришли из авты спереди поправлять мою внешность... очень было обидно что не вожу с собой напряжометр.. замерил бы есть сигнал на реле или оно само дурит.
Зависимость от габаритов выясню завтра. Есть мысль снять подрулевой (совет Dimix) и за одно проверить или купить новую реле дальнего света.
Да. Отпишу все вводные. От сигнала + дальнего еще запитано реле доп фар чтобы разом все включалось. Так езжу уже лет 10.
Проблема моргания только если выключен ближний и габариты.
От реостата еще идет сигнал что включен ближний на доп приборы. Чтобы на них тухла подсветка. Итак уже лет 10 примерно все работало. Вот картина что получается при определенных положениях реостата. Проблемы как раз если уменьшать яркость.
Я уже стал думать что может быть проблема с самими доп приборами и они что-то лишнее в сеть отдают. Короче никак я не могу загнать авто в тепло чтобы спокойно все снять и заняться проверкой. Хотел завтра но уже 80% что не получится. Но смущает что оч долго все работало. Я еще нашел какой-то оборванный по моей глупости провод. Справа от переключателя дворников под торпедой идет жгут проводов и там два разъема. На одном из них нашел отломившийся провод (я его скрутил но надо запаять). Есть на фото ниже. Зеленый с белой полосой кажется. Доп приборы запитаны с плюса от АКБ и взять сигнал о включении света чтобы притухали с реостата (так сигнализаторщики сказали). Этот отломившийся провод нашел уже после того как тему создал.
4LO&GO! Wrangler JLU Rubicon
- Deem-On
- Сообщения: 1014
- Зарегистрирован: 18 мар 2011, 17:49
- Двигатель:: 4M40
- Мой автомобиль(и):: Паджеро 2, был
- Откуда: Ярославль
- Благодарил (а): 8 раз
- Поблагодарили: 95 раз
Re: Дальний свет и подсветка термометра
Привет! Ну вот какие соображения по реостату. Здесь действительно похоже либо на плохую массу(№15) либо некорректная работа самого реостата. В идеале, он должен работать так: он стоит в минусовой цепи ламп подсветки(контакты 1 и 3 на его фишке) и соответственно замыкает эту цепь на массу накоротко либо создает сопротивление(падение напряжения). Его контакт 2 это питание схемы реостата. При отсутствии + на к.2 он регулирует 100%-50% яркости. Если приходит + на к.2( а это включение габаритов) яркость регулируется уже в пределах 100%-30%. И если реостат в стоит в положении минимальной яркости, то при включении габаритов подсветка, что идет через реостат, заметно притухает. У меня запасной реостат есть (если что могу поделиться
), вот только счас подключал его к аккуму, проверил, так и есть.
Но у тебя, как я понял, подсветка притухает и уже не регулируется. Значит либо реостат либо масса.
Кстати, про оборванный проводок. На контакт 2 реостата как раз идет зеленый-с-белым, но по схеме нанем разъемов нет,он идет сразу на разъем на блоке предохренителей,что под панелью. Хотя тут
, в схеме могут быть и несоответствия, его со счетов сбрасывать тоже не стОит.
И еще один момент: в подсветке термометра лампа случаем не диодная? Тоже могла сдохнуть, диоды своебразно умирают, могут в полнакала гореть, могуть мигать..
Про дальний пока не соображал ничего, попозднее подумаю.
Но у тебя, как я понял, подсветка притухает и уже не регулируется. Значит либо реостат либо масса.
Кстати, про оборванный проводок. На контакт 2 реостата как раз идет зеленый-с-белым, но по схеме нанем разъемов нет,он идет сразу на разъем на блоке предохренителей,что под панелью. Хотя тут
И еще один момент: в подсветке термометра лампа случаем не диодная? Тоже могла сдохнуть, диоды своебразно умирают, могут в полнакала гореть, могуть мигать..
Про дальний пока не соображал ничего, попозднее подумаю.
П-2 1994 длинный,GLS,4М40,АКПП,SS,А/Т32"-увы, уже донор
- drcham
- Модератор
- Сообщения: 14446
- Зарегистрирован: 08 апр 2006, 13:42
- Двигатель:: Бензин
- Мой автомобиль(и):: Wrangler JLU Rubicon
- Откуда: Москва
- Откуда: Москва ЮЗАО
- Благодарил (а): 62 раза
- Поблагодарили: 229 раз
- Контактная информация:
Re: Дальний свет и подсветка термометра
Надеюсь что я в субботу с утра заеду в теплый гараж и начну разбираться. Восстановлю тот провод. Далее по схеме и мыслям отсюда.
4LO&GO! Wrangler JLU Rubicon
- dvm99
- Сообщения: 21773
- Зарегистрирован: 21 май 2012, 20:59
- Двигатель:: 6G72, 12клап.,
- Мой автомобиль(и):: Pajero2, Запорожец- Ланос
- Откуда: Свердловская обл.
- Благодарил (а): 708 раз
- Поблагодарили: 1032 раза
Re: Дальний свет и подсветка термометра
Хе...
Если это реостат чудит, то можно попробовать погонять, т.е. покрутить его туда-сюда очень интенсивно не жалеючи, с фанатизмом... В нём же наверняка переменник стоит. Хуже ему уже не будет, а вот грязь расчистить таким образом возможно... Я так кучу переменников восстановил, которые громкостью управляли на радиоаппаратуре. Обычно жалуется кто-нить, что звук "хрустит", берёшь прямо на глазах у чела туда-сюда резво раз 20-30 крутанёшь, и нету хруста.
Ошибка пользователей обычно была в том, что как хрустеть начало, дык они нежнее пытались обращаться, а тут наоборот надо!
Попробуй.
Если это реостат чудит, то можно попробовать погонять, т.е. покрутить его туда-сюда очень интенсивно не жалеючи, с фанатизмом... В нём же наверняка переменник стоит. Хуже ему уже не будет, а вот грязь расчистить таким образом возможно... Я так кучу переменников восстановил, которые громкостью управляли на радиоаппаратуре. Обычно жалуется кто-нить, что звук "хрустит", берёшь прямо на глазах у чела туда-сюда резво раз 20-30 крутанёшь, и нету хруста.
Ошибка пользователей обычно была в том, что как хрустеть начало, дык они нежнее пытались обращаться, а тут наоборот надо!
Попробуй.
Дмитрий
Боливар2 - П2, 92г., V43, 6G72(12V), V4AW2, RD/L, пруль (чистокровный японский рысак)
Боливар1 - П2, 93г., 6G72(12V), МКПП, V43, RD/L, Европа (славный был конь, но уже донор)
Боливар2 - П2, 92г., V43, 6G72(12V), V4AW2, RD/L, пруль (чистокровный японский рысак)
Боливар1 - П2, 93г., 6G72(12V), МКПП, V43, RD/L, Европа (славный был конь, но уже донор)
-
алексей - Маленький Мук
- Модератор
- Сообщения: 20293
- Зарегистрирован: 11 дек 2008, 16:10
- Откуда: москва м Академическая
- Благодарил (а): 101 раз
- Поблагодарили: 1323 раза
Re: Дальний свет и подсветка термометра
В октябре была похожая ситуевина, собирали с Темой проводку на моем "новом" авто 2.8 на АКПП( из трех проводок прульной, леворульной и бензиновым подкапотным пучком)
вроде б все заработало а когда я собрал машинку полностью свет включаю горит только дальний
два дня совершал танцы с бубном вокруг машины
по итогу оказалось что мудит блок предохранителей, в нутри лягушки жили
пришлось его поменять
и чистить все разъемы на пучке подрулевом
Последний раз редактировалось алексей - Маленький Мук 24 янв 2018, 06:44, всего редактировалось 1 раз.
Всем добра.......
-
алексей - Маленький Мук
- Модератор
- Сообщения: 20293
- Зарегистрирован: 11 дек 2008, 16:10
- Откуда: москва м Академическая
- Благодарил (а): 101 раз
- Поблагодарили: 1323 раза
Re: Дальний свет и подсветка термометра
Вовка, если нужен реостат свисти, у мну их есть в количестве
свистни ежели че, привезу, подскочишь на Винокурова, отдам 
Всем добра.......
- Dimix
- Сообщения: 12129
- Зарегистрирован: 26 сен 2006, 18:31
- Двигатель:: 6G72 24v
- Мой автомобиль(и):: montero sport'02
- Откуда: Балашиха
- Откуда: Россия, Балашиха-Москва
- Благодарил (а): 88 раз
- Поблагодарили: 398 раз
Re: Дальний свет и подсветка термометра
Подсветку он вроде победил, у тебя случаем левого подрулевого нет?алексей - Маленький Мук писал(а):Вовка, если нужен реостат свисти, у мну их есть в количествесвистни ежели че, привезу, подскочишь на Винокурова, отдам
-
алексей - Маленький Мук
- Модератор
- Сообщения: 20293
- Зарегистрирован: 11 дек 2008, 16:10
- Откуда: москва м Академическая
- Благодарил (а): 101 раз
- Поблагодарили: 1323 раза
- drcham
- Модератор
- Сообщения: 14446
- Зарегистрирован: 08 апр 2006, 13:42
- Двигатель:: Бензин
- Мой автомобиль(и):: Wrangler JLU Rubicon
- Откуда: Москва
- Откуда: Москва ЮЗАО
- Благодарил (а): 62 раза
- Поблагодарили: 229 раз
- Контактная информация:
Re: Дальний свет и подсветка термометра
А может быть и правда привезешь один на проверку? Я тогда сразу протестирую с другим чтобы ясно было кто дурит? Я в субботу или максимум в воскресение собираюсь разбирать и проверять все.алексей - Маленький Мук писал(а):Вовка, если нужен реостат свисти, у мну их есть в количествесвистни ежели че, привезу, подскочишь на Винокурова, отдам
4LO&GO! Wrangler JLU Rubicon
-
алексей - Маленький Мук
- Модератор
- Сообщения: 20293
- Зарегистрирован: 11 дек 2008, 16:10
- Откуда: москва м Академическая
- Благодарил (а): 101 раз
- Поблагодарили: 1323 раза
Re: Дальний свет и подсветка термометра
Вовка, если ток сегодня , часам к 6ти, в 7 уезжаю на Селигер на неделю
или сам ко мне на работу заскочи, пРазвилка(23 км МКАД) Ты реостат коротни на прямую, шоб горел постоянно и ярко. если всё ж нужен стучи седня в телефон, захвачу 
Всем добра.......
