Умер кондей,может сталкивались...
Модераторы: SNOOPER, Nbf, drcham, Romik, BAlex, DenVer, SoundSpeed
-
DenDi.
- Сообщения: 17
- Зарегистрирован: 12 сен 2017, 14:35
- Двигатель:: Дизель 3.2
- Мой автомобиль(и):: Митсубиси Паджеро 4
- Откуда: Конаково
Умер кондей,может сталкивались...
Всем привет!Еду ,себе еду по крымскому серпантину(П 4,3.2)Температура за бортом 37 в машине прохладно и комфортно.Делаю остановку размятся ,походить ,выключаю кондей и минут через 20 снова в путь .Нажимаю ас ,воздух горячим задул.Ничего не предвещало поломки,ладно почти приехал уже.На обратной дороге заезжаю к кондиционерщикам в севастополе,проверяют систему ,все в порядке ,добавили 100 гр фриона но холода нет.Свалили на поршневую группу и я поехал домой без холодка.По приезду скидываю ремень с компрессора ,берусь рукой за муфту и понимаю что прижимная шайба болтается.Центральный болт закручен,шкив крутится легко.Что там могло сорвать?
-
k0mar0ff
- Сообщения: 710
- Зарегистрирован: 10 май 2013, 05:49
- Двигатель:: 6G72
- Мой автомобиль(и):: Pajero 4
- Откуда: Владивосток
- Благодарил (а): 1 раз
- Поблагодарили: 29 раз
Re: Умер кондей,может сталкивались...
так он крутится легко , пока муфта не схватит , на нее отдельно подается напряжение
это только на совсем современных автомобилях муфты нет и компрессор крутится постоянно
это только на совсем современных автомобилях муфты нет и компрессор крутится постоянно
- DenVer
- Модератор
- Сообщения: 19734
- Зарегистрирован: 29 сен 2009, 17:21
- Двигатель:: бэнзин
- Мой автомобиль(и):: TLC-200
- Откуда: Краснодар
- Благодарил (а): 137 раз
- Поблагодарили: 477 раз
Re: Умер кондей,может сталкивались...
Какая прижимная шайба болтается?DenDi. писал(а):Всем привет!Еду ,себе еду по крымскому серпантину(П 4,3.2)Температура за бортом 37 в машине прохладно и комфортно.Делаю остановку размятся ,походить ,выключаю кондей и минут через 20 снова в путь .Нажимаю ас ,воздух горячим задул.Ничего не предвещало поломки,ладно почти приехал уже.На обратной дороге заезжаю к кондиционерщикам в севастополе,проверяют систему ,все в порядке ,добавили 100 гр фриона но холода нет.Свалили на поршневую группу и я поехал домой без холодка.По приезду скидываю ремень с компрессора ,берусь рукой за муфту и понимаю что прижимная шайба болтается.Центральный болт закручен,шкив крутится легко.Что там могло сорвать?
- BabyHummer A-328
- Сообщения: 6030
- Зарегистрирован: 27 июн 2012, 12:30
- Двигатель:: Бензин 3.8
- Мой автомобиль(и):: Mitsubishi Pajero IV
- Откуда: Москва, Бабушкинская
- Откуда: Москва
- Благодарил (а): 166 раз
- Поблагодарили: 212 раз
Re: Умер кондей,может сталкивались...
Подозреваю,что дело в электрике.Типа сдохшего/окислившегося предохранителя, например.
С уважением, Андрей
Псакой буду, если вру! :-)
Псакой буду, если вру! :-)
- DenVer
- Модератор
- Сообщения: 19734
- Зарегистрирован: 29 сен 2009, 17:21
- Двигатель:: бэнзин
- Мой автомобиль(и):: TLC-200
- Откуда: Краснодар
- Благодарил (а): 137 раз
- Поблагодарили: 477 раз
Re: Умер кондей,может сталкивались...
Вангую... машина сломаласьBabyHummer A-328 писал(а):Подозреваю,что дело в электрике.Типа сдохшего/окислившегося предохранителя, например.
- SmoAG
- Сообщения: 7842
- Зарегистрирован: 16 янв 2015, 13:11
- Двигатель:: 4m41
- Мой автомобиль(и):: Pajero 3, 2005 АКПП
- Откуда: Воронеж
- Откуда: Воронеж
- Благодарил (а): 99 раз
- Поблагодарили: 541 раз
Re: Умер кондей,может сталкивались...
Ну для начала бы попытаться прокрутить ступицу кондиционера, понять вращается ли она. Потом попробовать через фишку подать напрямую ток на магнит и проверить его работу. А потом бы делать выводы.
Здесь должна была быть какая-нибудь цитата из вк или другого ресурса, но вот что то не нашёл ни чего что могло бы выразить моё миропонимание сейчас;)
-
DenDi.
- Сообщения: 17
- Зарегистрирован: 12 сен 2017, 14:35
- Двигатель:: Дизель 3.2
- Мой автомобиль(и):: Митсубиси Паджеро 4
- Откуда: Конаково
Re: Умер кондей,может сталкивались...
DenVer писал(а):Какая прижимная шайба болтается?DenDi. писал(а):Всем привет!Еду ,себе еду по крымскому серпантину(П 4,3.2)Температура за бортом 37 в машине прохладно и комфортно.Делаю остановку размятся ,походить ,выключаю кондей и минут через 20 снова в путь .Нажимаю ас ,воздух горячим задул.Ничего не предвещало поломки,ладно почти приехал уже.На обратной дороге заезжаю к кондиционерщикам в севастополе,проверяют систему ,все в порядке ,добавили 100 гр фриона но холода нет.Свалили на поршневую группу и я поехал домой без холодка.По приезду скидываю ремень с компрессора ,берусь рукой за муфту и понимаю что прижимная шайба болтается.Центральный болт закручен,шкив крутится легко.Что там могло сорвать?
-
DenDi.
- Сообщения: 17
- Зарегистрирован: 12 сен 2017, 14:35
- Двигатель:: Дизель 3.2
- Мой автомобиль(и):: Митсубиси Паджеро 4
- Откуда: Конаково
Re: Умер кондей,может сталкивались...
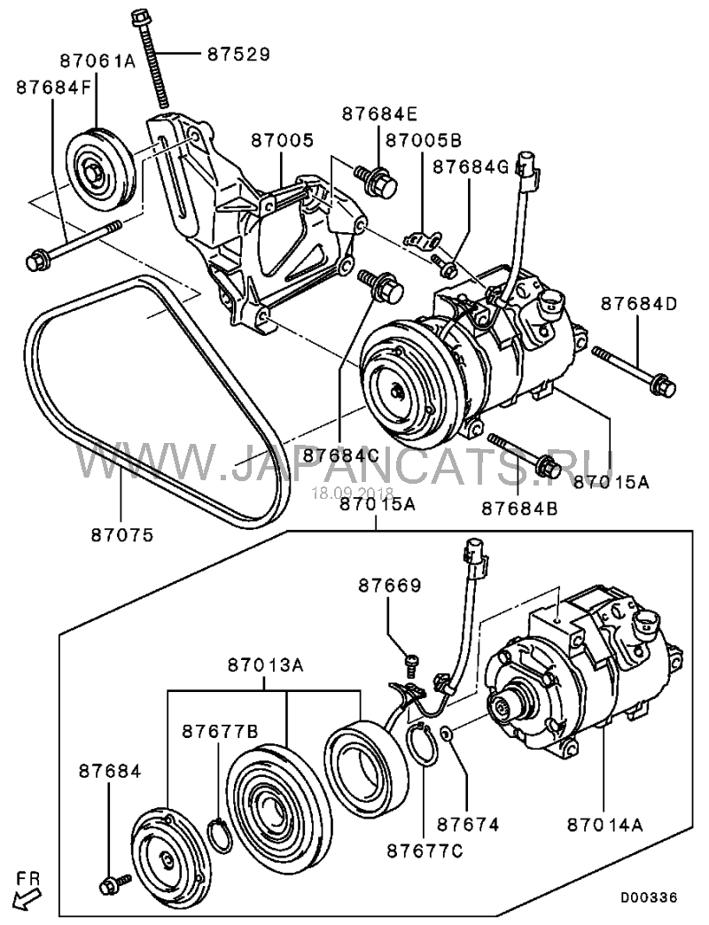
Первая деталь после болта на схеме номер одинаков со шкивом.DenVer писал(а):Какая прижимная шайба болтается?DenDi. писал(а):Всем привет!Еду ,себе еду по крымскому серпантину(П 4,3.2)Температура за бортом 37 в машине прохладно и комфортно.Делаю остановку размятся ,походить ,выключаю кондей и минут через 20 снова в путь .Нажимаю ас ,воздух горячим задул.Ничего не предвещало поломки,ладно почти приехал уже.На обратной дороге заезжаю к кондиционерщикам в севастополе,проверяют систему ,все в порядке ,добавили 100 гр фриона но холода нет.Свалили на поршневую группу и я поехал домой без холодка.По приезду скидываю ремень с компрессора ,берусь рукой за муфту и понимаю что прижимная шайба болтается.Центральный болт закручен,шкив крутится легко.Что там могло сорвать?
-
DenDi.
- Сообщения: 17
- Зарегистрирован: 12 сен 2017, 14:35
- Двигатель:: Дизель 3.2
- Мой автомобиль(и):: Митсубиси Паджеро 4
- Откуда: Конаково
Re: Умер кондей,может сталкивались...
DenVer писал(а):Какая прижимная шайба болтается?DenDi. писал(а):Всем привет!Еду ,себе еду по крымскому серпантину(П 4,3.2)Температура за бортом 37 в машине прохладно и комфортно.Делаю остановку размятся ,походить ,выключаю кондей и минут через 20 снова в путь .Нажимаю ас ,воздух горячим задул.Ничего не предвещало поломки,ладно почти приехал уже.На обратной дороге заезжаю к кондиционерщикам в севастополе,проверяют систему ,все в порядке ,добавили 100 гр фриона но холода нет.Свалили на поршневую группу и я поехал домой без холодка.По приезду скидываю ремень с компрессора ,берусь рукой за муфту и понимаю что прижимная шайба болтается.Центральный болт закручен,шкив крутится легко.Что там могло сорвать?
- ZAMPRED
- Сообщения: 5084
- Зарегистрирован: 19 янв 2017, 14:12
- Двигатель:: бензин
- Мой автомобиль(и):: Был Паджеро 4 3.8 2007г. черный
- Откуда: Грозный-Тверь
- Благодарил (а): 388 раз
- Поблагодарили: 477 раз
Умер кондей,может сталкивались...
Оперативно ! 
На душе у барана смертельная рана - от того, что бараном назвали барана
