1. Купил на замену новый WQLP в Евроавто (сказали что аналог MD614697) - не подошел по размеру и конструкции.
2. Купил там же новый Quattro freni, но с ним при резком нажатии на газ двтгатель захлебывается в середине диапазона.
Решил пока, что временно прочистить старый. Он залит 2 мм слоем эпоксидки, она сколупывается. потом надо аккуратно крышку выцепить пластиковую черную, она на герметике силиконовом. Далее аккуратно вынуть керамическую белую основу, на которой сам резистор. Осторожно не расколите ее. Она припаяна жесткими проволочками к контактам, их можно сразу откусить, потому что все-равно будете провода припаивать свои.
Провода я взял МГТФ старенькие, которые с фторопластовой оплеткой, она не плавится.
После обратной сборки крышку лучше как-нибудь механически закрепить, чтобы от вибрации не развалилось. Я временно малярным скотчем замотал
На всякий случай поясню.
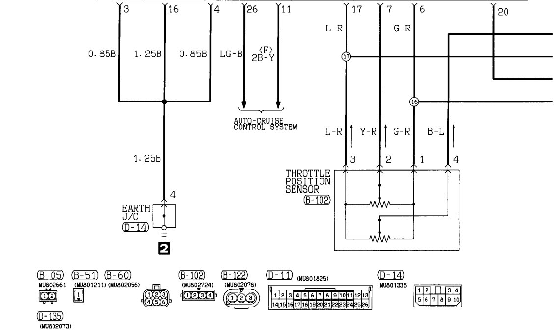
1-я слева дорожка - это резистор около 5.2 кОм
2-я дорожка - это резистор чисто для контакта, сопротивление примерно 20 Ом
3-я дорожка - это тоже чисто контакт
4-я дорожка - нижняя часть очень низкоомный резистор (10-20 Ом), а потом идет зеленоватая часть - диэлектрик (видимо, просто краска)
