TRT - Вдоль р.Киржач. Для стандартных 4х4 (08.11.25) Форум Обсуждение FAQ
Восстановление компаса на П2 дорестайл
Модераторы: SNOOPER, Nbf, Romik, BAlex, drcham, алексей - Маленький Мук
-
- Сообщения: 22
- Зарегистрирован: 17 янв 2018, 07:38
- Двигатель:: DV6C
- Мой автомобиль(и):: Peugeo408; Pajero2
- Откуда: Нижний Новгород
Восстановление компаса на П2 дорестайл
Всем привет!
Камрады, нужна помощь.
Восстанавливаю штатный компас.
Кондеры были втекшие, поменял. Не помогло.При детальном осмотре плат, обнаружил отсутствие одного резистора на 2й плате. Возможно, у кого-то под рукой имеется сей девай, посмотреть на плате номинал резюка?
На плате элемент обозначен RC13
Фото компаса и проблемной платы.
Камрады, нужна помощь.
Восстанавливаю штатный компас.
Кондеры были втекшие, поменял. Не помогло.При детальном осмотре плат, обнаружил отсутствие одного резистора на 2й плате. Возможно, у кого-то под рукой имеется сей девай, посмотреть на плате номинал резюка?
На плате элемент обозначен RC13
Фото компаса и проблемной платы.
- Dimix
- Сообщения: 12128
- Зарегистрирован: 26 сен 2006, 18:31
- Двигатель:: 6G72 24v
- Мой автомобиль(и):: montero sport'02
- Откуда: Балашиха
- Откуда: Россия, Балашиха-Москва
- Благодарил (а): 88 раз
- Поблагодарили: 398 раз
-
- Сообщения: 22
- Зарегистрирован: 17 янв 2018, 07:38
- Двигатель:: DV6C
- Мой автомобиль(и):: Peugeo408; Pajero2
- Откуда: Нижний Новгород
Восстановление компаса на П2 дорестайл
Работает только подсветка.
Ни какой информации не выводит на экран. Ни температуры, ни компаса.
На фото с крупным планом платы, выделил красным место отвалившегося резистора.
Ни какой информации не выводит на экран. Ни температуры, ни компаса.
На фото с крупным планом платы, выделил красным место отвалившегося резистора.
- Dimix
- Сообщения: 12128
- Зарегистрирован: 26 сен 2006, 18:31
- Двигатель:: 6G72 24v
- Мой автомобиль(и):: montero sport'02
- Откуда: Балашиха
- Откуда: Россия, Балашиха-Москва
- Благодарил (а): 88 раз
- Поблагодарили: 398 раз
-
- Сообщения: 22
- Зарегистрирован: 17 янв 2018, 07:38
- Двигатель:: DV6C
- Мой автомобиль(и):: Peugeo408; Pajero2
- Откуда: Нижний Новгород
Восстановление компаса на П2 дорестайл
По логике да, но на всякий случай, хотелось бы убедиться.
Если не найду информации, впаяю 223.
Если не найду информации, впаяю 223.
-
- Сообщения: 988
- Зарегистрирован: 16 янв 2009, 17:06
- Двигатель:: 4М40 дизель
- Мой автомобиль(и):: pajero -V-26
- Откуда: Краснодарский край
- Откуда: Абинск
- Благодарил (а): 3 раза
- Поблагодарили: 32 раза
Восстановление компаса на П2 дорестайл
Проще купить на разборке и не мучится .У меня где то валяется но сразу ненайдеш.



pajero 2.8 япониц коротыш
-
- Сообщения: 22
- Зарегистрирован: 17 янв 2018, 07:38
- Двигатель:: DV6C
- Мой автомобиль(и):: Peugeo408; Pajero2
- Откуда: Нижний Новгород
Восстановление компаса на П2 дорестайл
Разборки дело хорошее, но из-за копеечного резистора 22кОм как то жалко тратить 2тр.
Камрад подогнал панель, но там только термометр черный, и соответственно распиновка другая. Пока факультативно ищу и ее.
Так что вопрос по номиналу резистора актуален.
Камрад подогнал панель, но там только термометр черный, и соответственно распиновка другая. Пока факультативно ищу и ее.
Так что вопрос по номиналу резистора актуален.

- dvm99
- Сообщения: 21711
- Зарегистрирован: 21 май 2012, 20:59
- Двигатель:: 6G72, 12клап.,
- Мой автомобиль(и):: Pajero2, Запорожец- Ланос
- Откуда: Свердловская обл.
- Благодарил (а): 705 раз
- Поблагодарили: 1026 раз
Восстановление компаса на П2 дорестайл
Tenaxnn, ты не там ищешь...
Этот резистор не отвалился, его там и не было. В округе этого резика, что ты очертил параллельное и последовательное соединение различных сопротивлений. Они ставятся/убираются при настройке прибора.
Да и сам представь, что должно было произойти, чтоб резик просто взял и отпал, а соседние- как ни в чём не бывало...
По практике чаще всего проблемы, подобные твоей происходят из-за контактов и паек.
А компас как у тебя потух?
В один прекрасный день или капризничал (то работает, то нет)?
Этот резистор не отвалился, его там и не было. В округе этого резика, что ты очертил параллельное и последовательное соединение различных сопротивлений. Они ставятся/убираются при настройке прибора.
Да и сам представь, что должно было произойти, чтоб резик просто взял и отпал, а соседние- как ни в чём не бывало...

По практике чаще всего проблемы, подобные твоей происходят из-за контактов и паек.
А компас как у тебя потух?
В один прекрасный день или капризничал (то работает, то нет)?
Дмитрий
Боливар2 - П2, 92г., V43, 6G72(12V), V4AW2, RD/L, пруль (чистокровный японский рысак)
Боливар1 - П2, 93г., 6G72(12V), МКПП, V43, RD/L, Европа (славный был конь, но уже донор)
Боливар2 - П2, 92г., V43, 6G72(12V), V4AW2, RD/L, пруль (чистокровный японский рысак)
Боливар1 - П2, 93г., 6G72(12V), МКПП, V43, RD/L, Европа (славный был конь, но уже донор)
-
- Сообщения: 22
- Зарегистрирован: 17 янв 2018, 07:38
- Двигатель:: DV6C
- Мой автомобиль(и):: Peugeo408; Pajero2
- Откуда: Нижний Новгород
Восстановление компаса на П2 дорестайл
Привет!
По поводу контактов, пропаял все подозрительное. Платы мыл несколько раз.
Случаем нет распиновки на черный термометр?
читал, что убирают какой то резистор, для смены Цельсии/Фаренгейты. Какой точно - хз, может и его.
На черных термометрах, бывает, отпаиваются резюки. Кондеры начали подсыхать, схема начала греться... Да и Время...

По поводу контактов, пропаял все подозрительное. Платы мыл несколько раз.
Достался таким. Подсветка светится, изображения нет. Ни какого.
Случаем нет распиновки на черный термометр?
- dvm99
- Сообщения: 21711
- Зарегистрирован: 21 май 2012, 20:59
- Двигатель:: 6G72, 12клап.,
- Мой автомобиль(и):: Pajero2, Запорожец- Ланос
- Откуда: Свердловская обл.
- Благодарил (а): 705 раз
- Поблагодарили: 1026 раз
Восстановление компаса на П2 дорестайл
Может быть...
Нет... Так чтоб до плавления припоя- быть не может.
Бывает, у сильно-греющихся деталей начинают ноги выпадать. Но там, как правило, нет следов оплавления, а наоборот припой становится хрупким и таким как бы зернистым. На данном резисторе это никак не могло произойти.
Мытьё не особо нужно...
А вот пропайка должна помочь. Можно так же перед этим, просмотреть платы под сильным увеличением, чтоб не всё подряд тыкать...
Ниже я накидал тебе фоток с и-нета, как примерно выглядят косяки подобного рода.
Будешь смеяться, у меня зимой такая же х-ня происходила

Т.е. походит на плохой контакт.
Тепло наступило, и всё прошло. Но мне неохота было туда лезть, да и компасом я не пользуюсь, он тупой.
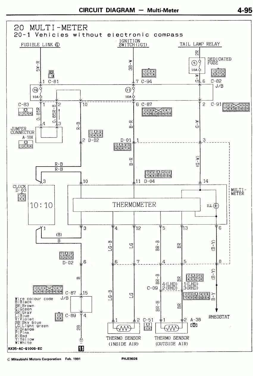
У меня есть только схема, но её вполне достаточно, ниже смотри...Случаем нет распиновки на черный термометр?
Все эти девайсы по разъёмам подходят.
Но у чёрного термометра два датчика: салонный и уличный. Соответственно проводов под него больше в панель заходит.
Дмитрий
Боливар2 - П2, 92г., V43, 6G72(12V), V4AW2, RD/L, пруль (чистокровный японский рысак)
Боливар1 - П2, 93г., 6G72(12V), МКПП, V43, RD/L, Европа (славный был конь, но уже донор)
Боливар2 - П2, 92г., V43, 6G72(12V), V4AW2, RD/L, пруль (чистокровный японский рысак)
Боливар1 - П2, 93г., 6G72(12V), МКПП, V43, RD/L, Европа (славный был конь, но уже донор)
-
- Сообщения: 22
- Зарегистрирован: 17 янв 2018, 07:38
- Двигатель:: DV6C
- Мой автомобиль(и):: Peugeo408; Pajero2
- Откуда: Нижний Новгород
Восстановление компаса на П2 дорестайл
Таких непропаев как на фото, я лечил в своей жизни достаточно. Знакомо. 
За схемку спасибо!
Но как ни странно на термометре/компасе(10 контактов), проводов больше, чем на черном.(6 контактов).
Предположу, что 3-4 провода с компаса добавляются.

За схемку спасибо!
Но как ни странно на термометре/компасе(10 контактов), проводов больше, чем на черном.(6 контактов).
Предположу, что 3-4 провода с компаса добавляются.
- dvm99
- Сообщения: 21711
- Зарегистрирован: 21 май 2012, 20:59
- Двигатель:: 6G72, 12клап.,
- Мой автомобиль(и):: Pajero2, Запорожец- Ланос
- Откуда: Свердловская обл.
- Благодарил (а): 705 раз
- Поблагодарили: 1026 раз
Восстановление компаса на П2 дорестайл
Да, у твоего компаса датчик выносной... За панелью доп.приборов пипка возле лобового- это он.
Есть, кстати, компасы не как у тебя, а со всторенным датчиком.
Дмитрий
Боливар2 - П2, 92г., V43, 6G72(12V), V4AW2, RD/L, пруль (чистокровный японский рысак)
Боливар1 - П2, 93г., 6G72(12V), МКПП, V43, RD/L, Европа (славный был конь, но уже донор)
Боливар2 - П2, 92г., V43, 6G72(12V), V4AW2, RD/L, пруль (чистокровный японский рысак)
Боливар1 - П2, 93г., 6G72(12V), МКПП, V43, RD/L, Европа (славный был конь, но уже донор)