TRT - Вдоль р.Киржач. Для стандартных 4х4 (08.11.25) Форум Обсуждение FAQ
Ошибка 41
Модераторы: SNOOPER, Nbf, Romik, BAlex, drcham, алексей - Маленький Мук, DenVer, Алекс
- Nickolas
- Сообщения: 1591
- Зарегистрирован: 18 окт 2014, 21:23
- Двигатель:: 4d56
- Мой автомобиль(и):: Pajero Sport
- Откуда: Москва
- Благодарил (а): 22 раза
- Поблагодарили: 121 раз
Ошибка 41
Всем привет!
Проблема такая - внезапно, без каких бы то ни было предпосылок, т.е. без бродов, соревнований, ремонтов и проч. загорелся чек.
Мультитроникс показывает ошибку 41.(Не факт, что он показывает правильно!)
Я погуглил - "Ошибка 41 — это электромагнитный клапан управления дроссельной заслонкой (если ошибка по двигателю, а не акпп), нужно проверить его разъем/провода и сам клапан, так же проверить дроссельную заслонку."
Что было сделано
Я заменил клапан, по счастью в ЗИПе был новый.
Проверил и прочистил разъемы. Были чистые и без того, но все равно почистил и продул.
Проверил и заменил все фильтрики на клапанах, были относительно чистые, но чтобы быть в них уверенным.
Проверил саму заслонку. Мембрана целая, заслонка ходит без заеданий.
Скидывал клеммы с АКБ, ошибка пропадает, но появляется не сразу, а через 2-3 старта мотора. Всегда только при запуске и никогда в движении.
Когда появляется ошибка, то мотор заводится странно. Если сразу крутить стартером - схватывает мгновенно. Если подождать 5-10 сек, то заводится как дохлым аккумулятором, очень нехотя.
Изменений в работе мотора вроде бы нет.
Заметил, что очень быстро пропадает разряжение в вакуумной системе - меньше минуты. Не факт, что это как-то связано с ошибкой.
Какие есть соображения
Проверить вакуумную систему на предмет негерметичности. А вдруг это как-то влияет?
Проверить проводку. Но тут есть загвоздка - на проводах не должно быть постоянного плюса, т.к. на клапан приходят импульсы.
По идее, при старте мотора вакуума в системе может и не быть и, соответственно, заслонка не должна двигаться до старта мотора.
Также ЭБУ не проверяет положение самой - датчика на ней нет.
Памагити!
Может есть какой-то способ проверить целостность проводки?
Где взять схему подключения этого клапана?
Проблема такая - внезапно, без каких бы то ни было предпосылок, т.е. без бродов, соревнований, ремонтов и проч. загорелся чек.
Мультитроникс показывает ошибку 41.(Не факт, что он показывает правильно!)
Я погуглил - "Ошибка 41 — это электромагнитный клапан управления дроссельной заслонкой (если ошибка по двигателю, а не акпп), нужно проверить его разъем/провода и сам клапан, так же проверить дроссельную заслонку."
Что было сделано
Я заменил клапан, по счастью в ЗИПе был новый.
Проверил и прочистил разъемы. Были чистые и без того, но все равно почистил и продул.
Проверил и заменил все фильтрики на клапанах, были относительно чистые, но чтобы быть в них уверенным.
Проверил саму заслонку. Мембрана целая, заслонка ходит без заеданий.
Скидывал клеммы с АКБ, ошибка пропадает, но появляется не сразу, а через 2-3 старта мотора. Всегда только при запуске и никогда в движении.
Когда появляется ошибка, то мотор заводится странно. Если сразу крутить стартером - схватывает мгновенно. Если подождать 5-10 сек, то заводится как дохлым аккумулятором, очень нехотя.
Изменений в работе мотора вроде бы нет.
Заметил, что очень быстро пропадает разряжение в вакуумной системе - меньше минуты. Не факт, что это как-то связано с ошибкой.
Какие есть соображения
Проверить вакуумную систему на предмет негерметичности. А вдруг это как-то влияет?
Проверить проводку. Но тут есть загвоздка - на проводах не должно быть постоянного плюса, т.к. на клапан приходят импульсы.
По идее, при старте мотора вакуума в системе может и не быть и, соответственно, заслонка не должна двигаться до старта мотора.
Также ЭБУ не проверяет положение самой - датчика на ней нет.
Памагити!
Может есть какой-то способ проверить целостность проводки?
Где взять схему подключения этого клапана?
Чтоб праздник отличать от буден,
Давайте в праздник пить не будем!
MPS 2.5D EFI MT 2008
Давайте в праздник пить не будем!
MPS 2.5D EFI MT 2008
- klinych
- Сообщения: 813
- Зарегистрирован: 02 окт 2012, 20:42
- Двигатель:: 4D56
- Мой автомобиль(и):: Mitsubishi Pajero Sport old
- Откуда: Ленинградская область
- Благодарил (а): 43 раза
- Поблагодарили: 32 раза
Ошибка 41
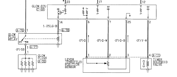
Пардон, я не специалист, по схеме там есть ECU свечей накаливания, на него завязан датчик заслонки и сам клапан. Варианты: найти и проверить датчик? ECU свечей? Схемку прилагаю.Nickolas писал(а): ↑ Когда появляется ошибка, то мотор заводится странно. Если сразу крутить стартером - схватывает мгновенно. Если подождать 5-10 сек, то заводится как дохлым аккумулятором, очень нехотя.... Также ЭБУ не проверяет положение самой - датчика на ней нет....Где взять схему подключения этого клапана?
- Nickolas
- Сообщения: 1591
- Зарегистрирован: 18 окт 2014, 21:23
- Двигатель:: 4d56
- Мой автомобиль(и):: Pajero Sport
- Откуда: Москва
- Благодарил (а): 22 раза
- Поблагодарили: 121 раз
Ошибка 41
Нет, тут что-то не то со схемой. У меня к датчику 2 провода идут, а тут 3.
Отправлено с моего Redmi Note 6 Pro через Tapatalk
Отправлено с моего Redmi Note 6 Pro через Tapatalk
Чтоб праздник отличать от буден,
Давайте в праздник пить не будем!
MPS 2.5D EFI MT 2008
Давайте в праздник пить не будем!
MPS 2.5D EFI MT 2008
- Lukich111
- Сообщения: 3432
- Зарегистрирован: 16 янв 2011, 18:48
- Двигатель:: Бензин
- Мой автомобиль(и):: H-D Sportster 1200, +-самокатик(был) , 3 моноколеса
- Откуда: С-Петербург
- Откуда: C-Пб-(Мурманск)-
- Благодарил (а): 97 раз
- Поблагодарили: 233 раза
Ошибка 41
Во избежание лишних телодвижений и денежных затрат я бы заехал на нормальный сканер, а потом бы действовал. Если нет доверия к мультику. Вот не помню скрепкой читается это авто или нет. И вообще 41 ошибка системная, не электрическая. Вся система , основанная на показаниях датчика давления в коллекторе, неисправна. Здесь и вакуумы и электрика, все вместе смешано
Последний раз редактировалось Lukich111 11 май 2020, 09:35, всего редактировалось 1 раз.
очень злой бывший ОД
диагностика и чип Mitsubishi
диагностика и чип Mitsubishi
- Nickolas
- Сообщения: 1591
- Зарегистрирован: 18 окт 2014, 21:23
- Двигатель:: 4d56
- Мой автомобиль(и):: Pajero Sport
- Откуда: Москва
- Благодарил (а): 22 раза
- Поблагодарили: 121 раз
Ошибка 41
Ну телодвижений уже не нужно, я уже и так все поменял. Если проводка цела, то вот тогда на сканер.
Но вот сейчас чек потух. Чертовщина какая-то.
Отправлено с моего Redmi Note 6 Pro через Tapatalk
Но вот сейчас чек потух. Чертовщина какая-то.
Отправлено с моего Redmi Note 6 Pro через Tapatalk
Чтоб праздник отличать от буден,
Давайте в праздник пить не будем!
MPS 2.5D EFI MT 2008
Давайте в праздник пить не будем!
MPS 2.5D EFI MT 2008
- Lukich111
- Сообщения: 3432
- Зарегистрирован: 16 янв 2011, 18:48
- Двигатель:: Бензин
- Мой автомобиль(и):: H-D Sportster 1200, +-самокатик(был) , 3 моноколеса
- Откуда: С-Петербург
- Откуда: C-Пб-(Мурманск)-
- Благодарил (а): 97 раз
- Поблагодарили: 233 раза
Ошибка 41
См. Выше. Возможно чудит датчик буста, а может и нет.
Диагностика вашего мотора есть в документе PWJT9818R-C, рекомендую найти и скачать. Но электросхем там нет. Надо докачивать отдельно из аналогичного документа, есть по-моему на mmc-manuals.ru
Диагностика вашего мотора есть в документе PWJT9818R-C, рекомендую найти и скачать. Но электросхем там нет. Надо докачивать отдельно из аналогичного документа, есть по-моему на mmc-manuals.ru
очень злой бывший ОД
диагностика и чип Mitsubishi
диагностика и чип Mitsubishi
- Nickolas
- Сообщения: 1591
- Зарегистрирован: 18 окт 2014, 21:23
- Двигатель:: 4d56
- Мой автомобиль(и):: Pajero Sport
- Откуда: Москва
- Благодарил (а): 22 раза
- Поблагодарили: 121 раз
Ошибка 41
Upd. Чек загорелся опять.
Про вакуум.
К меня был случай, когда умер вакнасос. Умер настолько, что не работал ВУТ. Чуть было не разбился. Но ошибок не было.
Второе соображение: опрос датчиков и клапанов происходит на заглушенной машине в результате чего чек либо гаснет, либо нет. Вакуума может и не быть, если машина стояла долго. Положение геометрии турбины и дроссельной заслонки не контролируется.
Стало быть, проблема в электрике?
Да, егр давным давно отключен, вся его требуха снята, остатки заглушены.
Соответственно, от вакуума приводятся 2 клапана(турба и дроссель) , ПП и вут
Отправлено с моего Redmi Note 6 Pro через Tapatalk
Про вакуум.
К меня был случай, когда умер вакнасос. Умер настолько, что не работал ВУТ. Чуть было не разбился. Но ошибок не было.
Второе соображение: опрос датчиков и клапанов происходит на заглушенной машине в результате чего чек либо гаснет, либо нет. Вакуума может и не быть, если машина стояла долго. Положение геометрии турбины и дроссельной заслонки не контролируется.
Стало быть, проблема в электрике?
Да, егр давным давно отключен, вся его требуха снята, остатки заглушены.
Соответственно, от вакуума приводятся 2 клапана(турба и дроссель) , ПП и вут
Отправлено с моего Redmi Note 6 Pro через Tapatalk
Чтоб праздник отличать от буден,
Давайте в праздник пить не будем!
MPS 2.5D EFI MT 2008
Давайте в праздник пить не будем!
MPS 2.5D EFI MT 2008
- flamer
- Сообщения: 2337
- Зарегистрирован: 20 май 2005, 12:34
- Двигатель:: 4D56t;4D56EFI;
- Мой автомобиль(и):: П-2 1993,П-2 2004
- Откуда: Ленинградская обл.
- Откуда: Мончегорск-Волхов
- Благодарил (а): 2 раза
- Поблагодарили: 106 раз
Ошибка 41
Я с этой хр..ю маюсь с 10 апреля. До этого выскакивали 41,49 перед отпуском заменил оба клапана всё пропало.А тут ехать обратно и вылезла 41.
Снятие клеммы помогает до выключения мотора,на приём/расход не влияет,но горит перед мордой.Бывают моменты тухнет сама,но алгоритм не прослеживается.Клапан менял на всякие с сопротивлением 10-100ом - по хрен горит/бывает тухнет.Врезался с катушкой и переменным сопротивлением-горит. Ставил клапан не подсоединяя трубки горит/ бывает тухнет. Саша(Снупер) сказал тряси проВОДКУ.Провода два +12 и -управляющий, датчика положения заслонки нет.Минус полный приходит в момент глушения заслонка закрывается,а так "нормально открытая".Управляющий звонится до мозгов №14 чисто.Для чистоты эксперимента проверил его нагрузкой и высоким на к.з. чисто. Надо бы снять показания в движении/на месте поработать, но в городе не чем.После снятия ошибки(клеммой) диагностируется без ошибок,поработал на холостых мин 5(поехал) заглушил-включил горит.Просто вкл/выкл всё нормально.Пока забил.
И вообще для понимания нужен алгоритм работы этой хрени.Взаимосвязь с другими компанентами.
Бесовская электроника
Скрепкой читается.Провод от клапана (по простому) идёт на мозги дальний разъём нижний дальний угловой провод.
Снятие клеммы помогает до выключения мотора,на приём/расход не влияет,но горит перед мордой.Бывают моменты тухнет сама,но алгоритм не прослеживается.Клапан менял на всякие с сопротивлением 10-100ом - по хрен горит/бывает тухнет.Врезался с катушкой и переменным сопротивлением-горит. Ставил клапан не подсоединяя трубки горит/ бывает тухнет. Саша(Снупер) сказал тряси проВОДКУ.Провода два +12 и -управляющий, датчика положения заслонки нет.Минус полный приходит в момент глушения заслонка закрывается,а так "нормально открытая".Управляющий звонится до мозгов №14 чисто.Для чистоты эксперимента проверил его нагрузкой и высоким на к.з. чисто. Надо бы снять показания в движении/на месте поработать, но в городе не чем.После снятия ошибки(клеммой) диагностируется без ошибок,поработал на холостых мин 5(поехал) заглушил-включил горит.Просто вкл/выкл всё нормально.Пока забил.
И вообще для понимания нужен алгоритм работы этой хрени.Взаимосвязь с другими компанентами.
Бесовская электроника
Скрепкой читается.Провод от клапана (по простому) идёт на мозги дальний разъём нижний дальний угловой провод.
- Nickolas
- Сообщения: 1591
- Зарегистрирован: 18 окт 2014, 21:23
- Двигатель:: 4d56
- Мой автомобиль(и):: Pajero Sport
- Откуда: Москва
- Благодарил (а): 22 раза
- Поблагодарили: 121 раз
Ошибка 41
Ну все так или иначе сводится к проводке. Будем поковырять.
Отправлено с моего Redmi Note 6 Pro через Tapatalk
Отправлено с моего Redmi Note 6 Pro через Tapatalk
Чтоб праздник отличать от буден,
Давайте в праздник пить не будем!
MPS 2.5D EFI MT 2008
Давайте в праздник пить не будем!
MPS 2.5D EFI MT 2008
- SNOOPER
- Модератор
- Сообщения: 56893
- Зарегистрирован: 11 дек 2004, 19:49
- Двигатель:: 4D56
- Мой автомобиль(и):: NewMPS
- Откуда: 78
- Откуда: Spb
- Благодарил (а): 1007 раз
- Поблагодарили: 4664 раза
Ошибка 41
К проводке наверное в большей степени.
Но и другие показания не стоит игнорировать.
Например датчик барометрического давления, будет дурить и будет такая же хрень.
Вообщем нужно сканер, и искать что не нравится блоку.
Но и другие показания не стоит игнорировать.
Например датчик барометрического давления, будет дурить и будет такая же хрень.
Вообщем нужно сканер, и искать что не нравится блоку.
- Nickolas
- Сообщения: 1591
- Зарегистрирован: 18 окт 2014, 21:23
- Двигатель:: 4d56
- Мой автомобиль(и):: Pajero Sport
- Откуда: Москва
- Благодарил (а): 22 раза
- Поблагодарили: 121 раз
Ошибка 41
Вот и коротыш на проводке этого датчика. Банально перетерлись друг об друга.
Отправлено с моего Redmi Note 6 Pro через Tapatalk

Отправлено с моего Redmi Note 6 Pro через Tapatalk
Чтоб праздник отличать от буден,
Давайте в праздник пить не будем!
MPS 2.5D EFI MT 2008
Давайте в праздник пить не будем!
MPS 2.5D EFI MT 2008
- Nickolas
- Сообщения: 1591
- Зарегистрирован: 18 окт 2014, 21:23
- Двигатель:: 4d56
- Мой автомобиль(и):: Pajero Sport
- Откуда: Москва
- Благодарил (а): 22 раза
- Поблагодарили: 121 раз
Ошибка 41
Остальная проводка тоже не в лучшей форме. Похоже, вся проводка, которая идет по самому мотору к 300 тыс перетирается и нужно к ней повышенное внимание. Над грм коса чуть не до кронца вообще перетерлась


Отправлено с моего Redmi Note 6 Pro через Tapatalk



Отправлено с моего Redmi Note 6 Pro через Tapatalk
Чтоб праздник отличать от буден,
Давайте в праздник пить не будем!
MPS 2.5D EFI MT 2008
Давайте в праздник пить не будем!
MPS 2.5D EFI MT 2008
- Nickolas
- Сообщения: 1591
- Зарегистрирован: 18 окт 2014, 21:23
- Двигатель:: 4d56
- Мой автомобиль(и):: Pajero Sport
- Откуда: Москва
- Благодарил (а): 22 раза
- Поблагодарили: 121 раз
Ошибка 41
Подшаманил проводку. Заизоливал клеевой термоусадкой. Затянул в "змеиную кожу" и гофру. По хорошему надо заказать коеммы и переобжать. Там заломы прям рядом с клеммами.
Позаводил-чек пропал. Будем понаблюдать.
Отправлено с моего Redmi Note 6 Pro через Tapatalk
Позаводил-чек пропал. Будем понаблюдать.

Отправлено с моего Redmi Note 6 Pro через Tapatalk
Чтоб праздник отличать от буден,
Давайте в праздник пить не будем!
MPS 2.5D EFI MT 2008
Давайте в праздник пить не будем!
MPS 2.5D EFI MT 2008
- Nickolas
- Сообщения: 1591
- Зарегистрирован: 18 окт 2014, 21:23
- Двигатель:: 4d56
- Мой автомобиль(и):: Pajero Sport
- Откуда: Москва
- Благодарил (а): 22 раза
- Поблагодарили: 121 раз
Ошибка 41
Ошибка 41 пропала, но появилась ошибка 16.
Вроде бы это ошибка датчика темп впускного коллектора.
Подкиньте, пожалуйста, мануал, как проверить датчик? Он вполне мог навернуться, на контакте у него не было уплотнительной резинки я помыл его очистителем.
Спасибо!
Вроде бы это ошибка датчика темп впускного коллектора.
Подкиньте, пожалуйста, мануал, как проверить датчик? Он вполне мог навернуться, на контакте у него не было уплотнительной резинки я помыл его очистителем.
Спасибо!
Чтоб праздник отличать от буден,
Давайте в праздник пить не будем!
MPS 2.5D EFI MT 2008
Давайте в праздник пить не будем!
MPS 2.5D EFI MT 2008
- Nickolas
- Сообщения: 1591
- Зарегистрирован: 18 окт 2014, 21:23
- Двигатель:: 4d56
- Мой автомобиль(и):: Pajero Sport
- Откуда: Москва
- Благодарил (а): 22 раза
- Поблагодарили: 121 раз
Ошибка 41
Хм, датчик полууставший. На 80град он 0.35 кОм, что в норме, а вот на 20 град 21 кОм, что мало.
Но больше всего мне нравится в инструкции пункт "Replace ECU", это ж как картридж в принтере поменять-хоп и готово!
Отправлено с моего Redmi Note 6 Pro через Tapatalk
Но больше всего мне нравится в инструкции пункт "Replace ECU", это ж как картридж в принтере поменять-хоп и готово!
Отправлено с моего Redmi Note 6 Pro через Tapatalk
Чтоб праздник отличать от буден,
Давайте в праздник пить не будем!
MPS 2.5D EFI MT 2008
Давайте в праздник пить не будем!
MPS 2.5D EFI MT 2008
- Nickolas
- Сообщения: 1591
- Зарегистрирован: 18 окт 2014, 21:23
- Двигатель:: 4d56
- Мой автомобиль(и):: Pajero Sport
- Откуда: Москва
- Благодарил (а): 22 раза
- Поблагодарили: 121 раз
Ошибка 41
Я боюсь, что от того коротыша на клапан дросселя могло что-то выгореть в эбу. А криворуких диагностов и механиков я к машине не подпускаю.
Отправлено с моего Redmi Note 6 Pro через Tapatalk
Отправлено с моего Redmi Note 6 Pro через Tapatalk
Чтоб праздник отличать от буден,
Давайте в праздник пить не будем!
MPS 2.5D EFI MT 2008
Давайте в праздник пить не будем!
MPS 2.5D EFI MT 2008
- Nickolas
- Сообщения: 1591
- Зарегистрирован: 18 окт 2014, 21:23
- Двигатель:: 4d56
- Мой автомобиль(и):: Pajero Sport
- Откуда: Москва
- Благодарил (а): 22 раза
- Поблагодарили: 121 раз
Ошибка 41
Не, ребят, здесь явно какая-то хрень посерьезней датчика температуры.
Эбу не снимал, но сам он сухой, стенка за ним сухая, зелени на контактах нет.
Ткните, пожалуйста, в эфишные электросхемы!
Отправлено с моего Redmi Note 6 Pro через Tapatalk
Эбу не снимал, но сам он сухой, стенка за ним сухая, зелени на контактах нет.
Ткните, пожалуйста, в эфишные электросхемы!

Отправлено с моего Redmi Note 6 Pro через Tapatalk
Чтоб праздник отличать от буден,
Давайте в праздник пить не будем!
MPS 2.5D EFI MT 2008
Давайте в праздник пить не будем!
MPS 2.5D EFI MT 2008
