ГАНС писал(а): ↑
особенно с учётом нонешнего бака на 130 литров, там такое количество/давление паров собирается, что ого-го
Проведу ликбез.
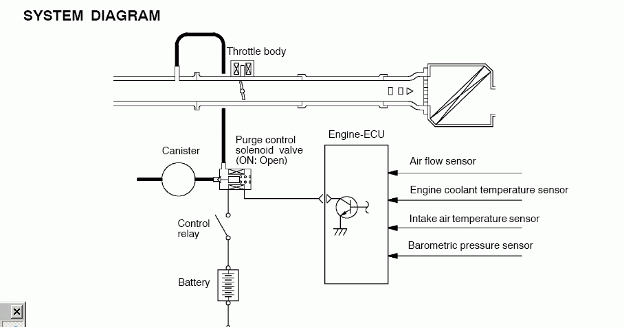
У ММС существует несколько конструкций обвязки бака (патрубки, различные клапаны, иногда сепараторы).
Принцип разный, но задачи одни и те же, их несколько:
1. Не дать топливу вытекать из бака при опрокидывании машины.
2. Обеспечить замещение вырабатываемого топлива воздухом. Если бак полностью залить и глухо закупорить, то при выработке топлива бак сплющит за нефиг делать, у бензонасоса дури на это хватит.
И менно для этого стоит ещё и резервный клапан в заливной крышке. Он работает только на всос.
Но этот клапан именно резервный, чтобы не смяло бак, если откажет основная система вентиляции...
3.Касается как раз-таки основной системы вентиляции.
Через неё бак "дышит"

, т.е. сообщается с атмосферой при перепадах давления и температуры, т.е. пропускает воздух и парЫ туда-сюда.
Дышит он через адсорбер, осаживая в нём пары бензина, но не просто так. Не знаю, как на П3, но обычно на всех системах между баком и адсорбером стоит двух-ходовый клапан. Он немного придерживает давление в ту и другую сторону (можно ртом продуть). Это сделано для того, чтоб бак не дышал слишком часто.
При определённом привышении давления в баке клапан срабатывает и пропускает пары через адсорбер. Воздух выходит на улицу, а бензин осаживается. Давление сбрасывается, двух-ходовый клапан закрывается. При обратном процессе, когда в баке разрежение, всё примерно то же самое, но в бак поступает почти только воздух. Адсорбер не успевает испарить бензин быстро, поэтому он остаётся в нём, и удалить его можно только принудительной длительной продувкой во время работы мотора.
Поэтому клапан продувки адсорбера штатно должен обязательно стоять!
ЭБУ включает его только на больших оборотах (не помню точно, вроде выше 2000).
ГАНС писал(а): ↑
Как они там вообще устроены?
Банка, заполненная активированным углём, сеточки, патрубки с различной глубиной залегания.
ГАНС писал(а): ↑
Может и правда абсорбер подзабит, такое вообще бывает?
Бывает, но он легко проверяется, путём дутья ртом во все дырки.
ГАНС писал(а): ↑
и по идее все излишки паров итак должно туда засасывать, в моём случае так не происходит, аж из патрубков несмотря на хомуты они с запотеванием выходят.
Мне кажется у тебя другое... Бак самоварный. Все ли клапаны стоят?
Топливо в чистом виде в патрубки не должно попадать! Оно должно отсекаться либо сепараторами, либо клапаном (на тарелку походит). В адсорбер должны поступать только газы, жидкостей быть не должно!
Николаич писал(а): ↑
Только это, на мой взгляд, весьма сложный и времязатратный путь по достижению достоверного результата. Доверимся инженерам ММС, думаю они не зря свой хлеб (суши) едят.
Да, там много засад, чтобы сделать систему надёжной и работающей при любых условиях.
В ММС этим заниматься не будут.