TRT - Вдоль р.Киржач. Для стандартных 4х4 (08.11.25) Форум Обсуждение FAQ
Помогите Ошибка 41
Модераторы: SNOOPER, Nbf, Romik, BAlex, drcham, алексей - Маленький Мук
-
- Сообщения: 35
- Зарегистрирован: 17 ноя 2019, 17:22
- Двигатель:: 6G72
- Мой автомобиль(и):: Mitsubishi Padjero 2
- Откуда: пгт. Селенгинск
Помогите Ошибка 41
Помогите. Направьте, куда дальше идти.
Ездил, ездил и вышел чек. Соорудил тестер ошибок из светодиодов и подцепил с выходу типа OBD. 1 и 12 выход. И этот тестер показал ошибку 41 (Датчик положения дросельной заслонки)
Думаю ладно. В запасе был дросель у которого просто небыло прогревочных оборотов, ставим.
Ставлю, скидываю акум, цепляю колхоз тестер на скотч на панель и поехал проверять. Все так же. ((((
Думаю ладно лезу в инфу ищу электро схемы и руководство, что и как. Начинаю прозванивать каждый провод, как написано. Все вроде работает. Вот только с 3 выхода и на 19 пин в ЭБУ, Не звониьсят. Да и провод там жёлтый с красной полосой. А вот на 18 пину сидит тот злополучный зелёный с жёлтой полосой. Он нормально звонится. Я всю косу разобрал и потом понял. Думаю ладно работало же.
Вскрываю ЭБУ. Там вспучился лак и сгорел один резистор. Отдал пропаяли все контакты, которые вызывали подозрение и заменили резистор. Электрик сказал остальное все в отличном состоянии. Думаю но может это. Все более-менее собираю в кучу креплю на место. Опять же скидываю ошибки. Попутно потянув дросель и впускной коллектор. Выезжаем опять горит и ошибка 41.
Чуть покатались и прогрели машину. Заглушили, завели чек гаснет. И потом опять загорается, когда даешь газу.
Помогите в какую сторону дальше смотреть?
Коротыш 92 года, 6G72, механика.
Ездил, ездил и вышел чек. Соорудил тестер ошибок из светодиодов и подцепил с выходу типа OBD. 1 и 12 выход. И этот тестер показал ошибку 41 (Датчик положения дросельной заслонки)
Думаю ладно. В запасе был дросель у которого просто небыло прогревочных оборотов, ставим.
Ставлю, скидываю акум, цепляю колхоз тестер на скотч на панель и поехал проверять. Все так же. ((((
Думаю ладно лезу в инфу ищу электро схемы и руководство, что и как. Начинаю прозванивать каждый провод, как написано. Все вроде работает. Вот только с 3 выхода и на 19 пин в ЭБУ, Не звониьсят. Да и провод там жёлтый с красной полосой. А вот на 18 пину сидит тот злополучный зелёный с жёлтой полосой. Он нормально звонится. Я всю косу разобрал и потом понял. Думаю ладно работало же.
Вскрываю ЭБУ. Там вспучился лак и сгорел один резистор. Отдал пропаяли все контакты, которые вызывали подозрение и заменили резистор. Электрик сказал остальное все в отличном состоянии. Думаю но может это. Все более-менее собираю в кучу креплю на место. Опять же скидываю ошибки. Попутно потянув дросель и впускной коллектор. Выезжаем опять горит и ошибка 41.
Чуть покатались и прогрели машину. Заглушили, завели чек гаснет. И потом опять загорается, когда даешь газу.
Помогите в какую сторону дальше смотреть?
Коротыш 92 года, 6G72, механика.
- Lukich111
- Сообщения: 3432
- Зарегистрирован: 16 янв 2011, 18:48
- Двигатель:: Бензин
- Мой автомобиль(и):: H-D Sportster 1200, +-самокатик(был) , 3 моноколеса
- Откуда: С-Петербург
- Откуда: C-Пб-(Мурманск)-
- Благодарил (а): 97 раз
- Поблагодарили: 233 раза
Помогите Ошибка 41
41 код не про форсунки часом? Мануал только вечером смогу поискать.
очень злой бывший ОД
диагностика и чип Mitsubishi
диагностика и чип Mitsubishi
- Lukich111
- Сообщения: 3432
- Зарегистрирован: 16 янв 2011, 18:48
- Двигатель:: Бензин
- Мой автомобиль(и):: H-D Sportster 1200, +-самокатик(был) , 3 моноколеса
- Откуда: С-Петербург
- Откуда: C-Пб-(Мурманск)-
- Благодарил (а): 97 раз
- Поблагодарили: 233 раза
Помогите Ошибка 41
Не уверен. Если дизель, то это как раз дроссель) надо найти корректный мануал
очень злой бывший ОД
диагностика и чип Mitsubishi
диагностика и чип Mitsubishi
- Lukich111
- Сообщения: 3432
- Зарегистрирован: 16 янв 2011, 18:48
- Двигатель:: Бензин
- Мой автомобиль(и):: H-D Sportster 1200, +-самокатик(был) , 3 моноколеса
- Откуда: С-Петербург
- Откуда: C-Пб-(Мурманск)-
- Благодарил (а): 97 раз
- Поблагодарили: 233 раза
Помогите Ошибка 41
41-я ошибка касается форсунок на 6Г72 этого года
очень злой бывший ОД
диагностика и чип Mitsubishi
диагностика и чип Mitsubishi
-
- Сообщения: 35
- Зарегистрирован: 17 ноя 2019, 17:22
- Двигатель:: 6G72
- Мой автомобиль(и):: Mitsubishi Padjero 2
- Откуда: пгт. Селенгинск
Помогите Ошибка 41
получается нужно лезть в топливную рампу?
Как понял из мануала нужно проверить сопротивление должно быть 13-16 ОМ.
Или можно просто выдергивать по 1 на заведенном. И проверять реакцию.
Как понял из мануала нужно проверить сопротивление должно быть 13-16 ОМ.
Или можно просто выдергивать по 1 на заведенном. И проверять реакцию.
-
- Сообщения: 35
- Зарегистрирован: 17 ноя 2019, 17:22
- Двигатель:: 6G72
- Мой автомобиль(и):: Mitsubishi Padjero 2
- Откуда: пгт. Селенгинск
Помогите Ошибка 41
Вот походу и причина.
Придется снимать весь впускной коллектор.
Еще вопросик возник.
Рядом с катушкой оборванный провод. Куда он идет???
Придется снимать весь впускной коллектор.
Еще вопросик возник.
Рядом с катушкой оборванный провод. Куда он идет???
- Смайлик
- Сообщения: 10911
- Зарегистрирован: 25 янв 2007, 01:08
- Двигатель:: 3,5 MPI и 3,5 GDI
- Мой автомобиль(и):: паджеро II, паджеро III, пинин был
- Откуда: Тушино, теперь почти Истра заМКАДыш
- Откуда: Тушино, теперь почти Истра заМКАДыш
- Благодарил (а): 238 раз
- Поблагодарили: 625 раз
- Контактная информация:
Помогите Ошибка 41
Так вроде и есть разъем косы форсунок.
Ищи микимаусов под капотом.
Ищи микимаусов под капотом.
8(9О3)156 ТРИ ВОСЭМ 65
Паджеро ll 3,5 3dor 37х14,5r15 был
Паджеро lll 3,5 GDI 3dor сильвер (для жены)чип ЁжикПых
Паджеро lll 3,5 GDI 3dor сильвер (для меня)чип ЁжикПых на пневме)))
МицуКольт грин "клоп" (для дочи) выросла до... П2 3,5 3dor 32х11,5r15 стандарт... пока)))
Паджеро ll 3,5 3dor 37х14,5r15 был
Паджеро lll 3,5 GDI 3dor сильвер (для жены)чип ЁжикПых
Паджеро lll 3,5 GDI 3dor сильвер (для меня)чип ЁжикПых на пневме)))
МицуКольт грин "клоп" (для дочи) выросла до... П2 3,5 3dor 32х11,5r15 стандарт... пока)))
-
- Сообщения: 35
- Зарегистрирован: 17 ноя 2019, 17:22
- Двигатель:: 6G72
- Мой автомобиль(и):: Mitsubishi Padjero 2
- Откуда: пгт. Селенгинск
Помогите Ошибка 41
Снял всю косу.
Надо делать. Восстановим, поставим напишу. А вот от оторванного провода не чего не нашел. Беда(((
Попутно прозвонил форсунки. Каждая вроде живая, по 15 Ом показывает.
Подскажите чем отмыть впускной коллектор и можно ли туда что то лить.. Просто у меня там чернота.
Надо делать. Восстановим, поставим напишу. А вот от оторванного провода не чего не нашел. Беда(((
Попутно прозвонил форсунки. Каждая вроде живая, по 15 Ом показывает.
Подскажите чем отмыть впускной коллектор и можно ли туда что то лить.. Просто у меня там чернота.
- dvm99
- Сообщения: 21710
- Зарегистрирован: 21 май 2012, 20:59
- Двигатель:: 6G72, 12клап.,
- Мой автомобиль(и):: Pajero2, Запорожец- Ланос
- Откуда: Свердловская обл.
- Благодарил (а): 705 раз
- Поблагодарили: 1026 раз
Помогите Ошибка 41
Я что-то на фотках не увидал, про который речь...
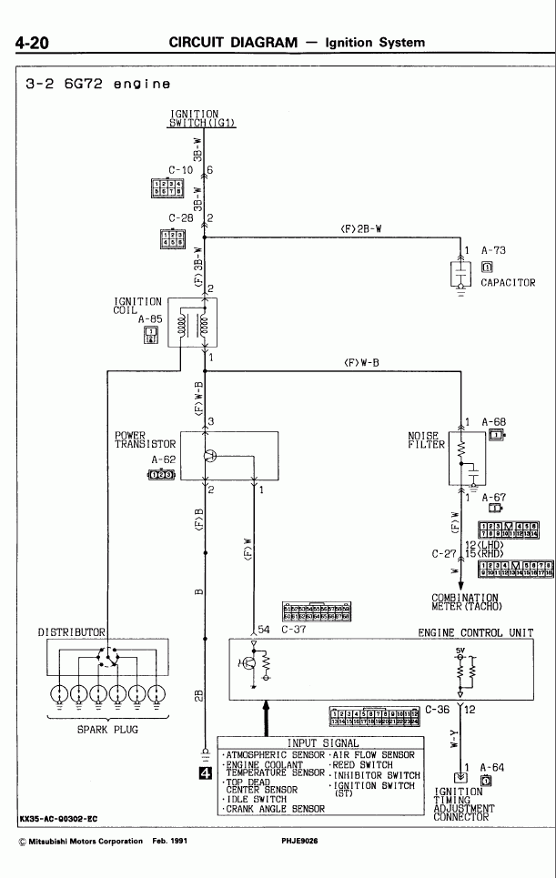
Но, зная это место, думаю, что речь идёт о фильтре от помех. От него часто отваливаются...
Вот это место на схеме, проверяй по ней.
Конденсатор и нойз-фильтр - это металлические бочонок и коробочка, что находятся близ катушки.
Дмитрий
Боливар2 - П2, 92г., V43, 6G72(12V), V4AW2, RD/L, пруль (чистокровный японский рысак)
Боливар1 - П2, 93г., 6G72(12V), МКПП, V43, RD/L, Европа (славный был конь, но уже донор)
Боливар2 - П2, 92г., V43, 6G72(12V), V4AW2, RD/L, пруль (чистокровный японский рысак)
Боливар1 - П2, 93г., 6G72(12V), МКПП, V43, RD/L, Европа (славный был конь, но уже донор)
- dvm99
- Сообщения: 21710
- Зарегистрирован: 21 май 2012, 20:59
- Двигатель:: 6G72, 12клап.,
- Мой автомобиль(и):: Pajero2, Запорожец- Ланос
- Откуда: Свердловская обл.
- Благодарил (а): 705 раз
- Поблагодарили: 1026 раз
Помогите Ошибка 41
Да неее, это не мыши...

Не зафиксирован разъём был, перетёрло об углы...
Тут другое интересно.
Форсунки управляются по массе, и получается, что при "закоротках" в некоторые горшки топливо лилось без учёта.
Вот и по дросселю похоже ошибки от этого.
Так-то трэш конечно!

Дмитрий
Боливар2 - П2, 92г., V43, 6G72(12V), V4AW2, RD/L, пруль (чистокровный японский рысак)
Боливар1 - П2, 93г., 6G72(12V), МКПП, V43, RD/L, Европа (славный был конь, но уже донор)
Боливар2 - П2, 92г., V43, 6G72(12V), V4AW2, RD/L, пруль (чистокровный японский рысак)
Боливар1 - П2, 93г., 6G72(12V), МКПП, V43, RD/L, Европа (славный был конь, но уже донор)
-
- Сообщения: 35
- Зарегистрирован: 17 ноя 2019, 17:22
- Двигатель:: 6G72
- Мой автомобиль(и):: Mitsubishi Padjero 2
- Откуда: пгт. Селенгинск
Помогите Ошибка 41
Восстановил проводку.
Все заработало. Но вот тот проводок я так и не нашел.
У конденсатора и нойз-фильтра все провода на месте. Хотя уже подходят. Потом займёмся.
Не понял на схеме где они. Всем спасибо за советы.
Но проводок охото найти.
Все заработало. Но вот тот проводок я так и не нашел.
У конденсатора и нойз-фильтра все провода на месте. Хотя уже подходят. Потом займёмся.
Не понял на схеме где они. Всем спасибо за советы.
Но проводок охото найти.
- dvm99
- Сообщения: 21710
- Зарегистрирован: 21 май 2012, 20:59
- Двигатель:: 6G72, 12клап.,
- Мой автомобиль(и):: Pajero2, Запорожец- Ланос
- Откуда: Свердловская обл.
- Благодарил (а): 705 раз
- Поблагодарили: 1026 раз
Помогите Ошибка 41

На снимке всё целое...
Обычно отлетают проводки от этих залитых компаундом блочков.
Но всё чинится... Выковыривается, подпаивается... и т.д.
Дмитрий
Боливар2 - П2, 92г., V43, 6G72(12V), V4AW2, RD/L, пруль (чистокровный японский рысак)
Боливар1 - П2, 93г., 6G72(12V), МКПП, V43, RD/L, Европа (славный был конь, но уже донор)
Боливар2 - П2, 92г., V43, 6G72(12V), V4AW2, RD/L, пруль (чистокровный японский рысак)
Боливар1 - П2, 93г., 6G72(12V), МКПП, V43, RD/L, Европа (славный был конь, но уже донор)